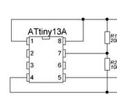
Схема работает следующим образом: при подачи питания на устройство 5 нога находится в Z-состоянии, через 5 секунд эта нога “притягивается” к “земле” на пол секунды и снова уходит в Z-состояние (имитация нажатия кнопки K1 на HMDVR).
На 7 ногу выведено слежение за напряжением питания, но схему придется усложнить двумя резисторами,
зато при снижении напряжения питания до 3,3в (при номиналах сопротивлений, как на схеме) вывод 5 cимитирует нажатие на кнопку K1, выключая запись, благодаря чему исключается возможность повреждения записи из-за “севшего” аккумулятора.
Спасибо, такой штукой можно включать любое устройство которое само не стартует. Один минус что значения подредактировать сложновато, как для меня, в hex файле.
Код написан в виде блок-схемы программой “Flowcode5” для AVR, если есть желание, можно доработать под себя. КОД
Заказал на aliexpress 5 шт. ATtiny13A по 0.35$. А почему нельзя отказаться от сопротивлений а в прошивке изменить if (FCV_U < 1020) на (FCV_U < 3320) ? Спасибо.
Внутреннее опорное напряжение у этого контроллера примерно 1,1В. FCV_U может изменяться в диапазоне от 0 до 1023 при напряжении на 7 выводе от 0 до 1,1В, а сопротивления нужны, чтобы напряжение на 7 выводе было в три раза меньше напряжения питания. При уменьшении напряжения питания до 3,3В на выводе 7 контроллера будет напряжение примерно 1,1В и начнет работать условие if. У меня 1020 стоит, потому что подгонял под свои резисторы, а может опорное не точно 1,1В (тоже в Китае покупал ATtiny13A), так и осталось.
Думаю правильнее сделать и включение с контролем напряжения, например подключаем разряженный аккумулятор ниже 3.4 в и запись не включается подключаем зарядное или меняем на заряженный и запись стартует через 5 сек.
Оно примерно так и есть. Запись стартует и если напряжение ниже 3,3В, то через пару секунд выключается и ждет до повышения напряжения, после чего вновь “жмет” K1. Я заказал ионистор с Ali, планирую с ним поэкспериментировать.
Тогда супер. Писалка кушает маленькие токи может и конденсатора на 1000 мкФ будет достаточно чтобы хватило времени остановить запись, но нужно пробовать. Или например можно использовать совсем убитый акум от старого телефона, если акум с контролером то будет отсечка срабатывать ниже 2.7 и выше 4.3 в.
Но ионистор можно найти совсем маленький.
Размер: 16*3.5 мм 5.5V-1.0F за две штуки $1.70 )
С конденсаторами экспериментировал: набирал емкость 9000мкФ - разряжается очень быстро. Писалка “кушает” около 160-200mA
Не много не в тему…сдох регулятор питания.
Помогите кто может, на плате HMDVR со стороны процессора стоит контроллер напряжения (ШИМ) - какая там напруга? (третья нога) или померять конденсатор кажется с8 стоит за катушкой.
И вообще не могу понять какой стоит , написано “а18” …есть похожие, нарыл даташитов…но чем то отличаются!? может кто знает???
После катушки на конденсаторе меряется 1,24В китайским мультиметром.
С другой стороны платы тоже “A18a” стоит - там 3,35В этим же мультиметром.
на конденсаторе меряется 1,24В
Спасибо, Максим!!! … пойду чинить )
Повезло, всё живое!!!
До этого пробовал давать 3.3 вольт…и чудом не спалил.
на 1.25 работает , только его первым запитывать а 3.3 потом.
Вроде M3406-ADJ на замену самое близкое, или есть что то проще?
Да, похоже это один из аналогов.
Возможно придется подобрать сопротивления обвязки (R1, R2).
Дублирую:
Стабилизатор M3406-ADJ наконец то пришёл.
маркировка в заказе а15 , пришёл а16а…стоял а18а.
Поставил, напряжение 1.21в. всё работает. сопротивления те же.
С конденсаторами экспериментировал: набирал емкость 9000мкФ - разряжается очень быстро. Писалка “кушает” около 160-200mA
А если такой конденсатор попробовать? Там емкость 4Ф. У меня есть одна DVR с автостартом и с функцией остановки записи при исчезновении питания. Там стоит конденсатор 1.5Ф на 5.5В и все успешно работает. Если получится реализовать подобное с HMDVR/ProDVR, то будет вообще бомба!
“Фьюзы по-умолчанию для ATtiny13A (1,2МГц)” - это ошибка? По умолчанию есть 128 кГц, 4.8 и 9.6 мГц. Так что выставлять?
Ошибок нет. Из десятка ATtiny13 у всех было 9,6 МЕГАГц с делением на 8, т.е. 1,2МГц. Кстати ссылку на онлайн калькулятор я для кого давал? Дублирую.
А если такой конденсатор попробовать? Там емкость 4Ф. У меня есть одна DVR с автостартом и с функцией остановки записи при исчезновении питания. Там стоит конденсатор 1.5Ф на 5.5В и все успешно работает. Если получится реализовать подобное с HMDVR/ProDVR, то будет вообще бомба!
Эксперементировал с “плоскими” ионисторами (5.5V-1F, 5.5V-4F). Теоретически одного Фарада должно хватать, но на практике оказалось, что у них очень высокое ESR - напряжение моментально просаживается (меньше секунды). Для снижения ESR подключал параллельно несколько ионисторов (2-3шт.) - работает! Но буквально вчера пришли ионисторы в виде бочонков (2.7V-10F), 2шт. подключил последовательно - получился один на 5F 5.4V, их и оставлю.
{"assets_hash":"a8b26fa7f6e768b07a72c8c9aadb9422","page_data":{"users":{"4d46e0ff3df9550077756a29":{"_id":"4d46e0ff3df9550077756a29","hid":79826,"name":"Babay","nick":"Babay","avatar_id":null,"css":""},"4fb654ce3df9550077744420":{"_id":"4fb654ce3df9550077744420","hid":119583,"name":"alezalez","nick":"alezalez","avatar_id":null,"css":""},"4fd6c96a3df95500777436be":{"_id":"4fd6c96a3df95500777436be","hid":120796,"name":"Ri777","nick":"Ri777","avatar_id":null,"css":""},"512ed9443df95500777397a8":{"_id":"512ed9443df95500777397a8","hid":139882,"name":"max809","nick":"max809","avatar_id":null,"css":""},"55dccc4c3df955007771a1d3":{"_id":"55dccc4c3df955007771a1d3","hid":232441,"name":"sa64","nick":"sa64","avatar_id":null,"css":""}},"settings":{"blogs_can_create":false,"blogs_mod_can_delete":false,"blogs_mod_can_hard_delete":false,"blogs_mod_can_add_infractions":false,"can_report_abuse":false,"can_vote":false,"can_see_ip":false,"blogs_edit_comments_max_time":30,"blogs_show_ignored":false,"blogs_reply_old_comment_threshold":30,"votes_add_max_time":168},"entry":{"_id":"57249d109970730077114be4","hid":21678,"title":"Автозапуск HMDVR","html":"<p>Многим не хватает автостарта для <a href=\"http://www.xt-xinte.com/?goods=detail&id=31877\" class=\"link link-ext\" data-nd-link-orig=\"http://www.xt-xinte.com/?goods=detail&id=31877\" target=\"_blank\" rel=\"nofollow noopener\">этой</a> писалки.<br>\nРешается эта проблема тремя проводочками и одной ATtiny13A.<br>\n<a class=\"attach attach-img attach__m-sm\" href=\"https://rcopen.com/member139882/media/5724818d99707300777f84ef\" target=\"_blank\" data-nd-media-id=\"5724818d99707300777f84ef\" data-nd-image-orig=\"https://rcopen.com/member139882/media/5724818d99707300777f84ef\" data-nd-image-size=\"sm\"><img class=\"attach__image\" src=\"https://rcopen.com/files/5724818d99707300777f84ef_sm\" alt width=\"170\" height=\"150\"></a></p>\n<p><a href=\"https://drive.google.com/file/d/0B0zMJr70cU5Jd2JhVi00MV9TTFE/view?usp=sharing\" class=\"link link-ext\" data-nd-link-orig=\"https://drive.google.com/file/d/0B0zMJr70cU5Jd2JhVi00MV9TTFE/view?usp=sharing\" target=\"_blank\" rel=\"nofollow noopener\">прошивка<br>\n</a>Фьюзы по-умолчанию для <a href=\"http://homes-smart.ru/fusecalc/?prog=avrstudio&part=ATtiny13A\" class=\"link link-ext\" data-nd-link-orig=\"http://homes-smart.ru/fusecalc/?prog=avrstudio&part=ATtiny13A\" target=\"_blank\" rel=\"nofollow noopener\">ATtiny13A</a> (1,2МГц)</p>\n<!--cut-->\n<p>Схема работает следующим образом: при подачи питания на устройство 5 нога находится в Z-состоянии, через 5 секунд эта нога “притягивается” к “земле” на пол секунды и снова уходит в Z-состояние (имитация нажатия кнопки K1 на HMDVR).<br>\nНа 7 ногу выведено слежение за напряжением питания, но схему придется усложнить двумя резисторами,<br>\n<a class=\"attach attach-img attach__m-sm\" href=\"https://rcopen.com/member139882/media/5724bcfd99707300777f8ab7\" target=\"_blank\" data-nd-media-id=\"5724bcfd99707300777f8ab7\" data-nd-image-orig=\"https://rcopen.com/member139882/media/5724bcfd99707300777f8ab7\" data-nd-image-size=\"sm\"><img class=\"attach__image\" src=\"https://rcopen.com/files/5724bcfd99707300777f8ab7_sm\" alt width=\"170\" height=\"150\"></a><br>\nзато при снижении напряжения питания до 3,3в (при номиналах сопротивлений, как на схеме) вывод 5 cимитирует нажатие на кнопку K1, выключая запись, благодаря чему исключается возможность повреждения записи из-за “севшего” аккумулятора.</p>\n","user":"512ed9443df95500777397a8","ts":"2016-04-30T11:54:56.000Z","st":1,"cache":{"comment_count":20,"last_comment":"594330d89970730077125c45","last_comment_hid":20,"last_ts":"2017-06-16T01:14:00.000Z","last_user":"512ed9443df95500777397a8"},"views":4153,"bookmarks":0,"votes":0},"subscription":null},"locale":"en-US","user_id":"000000000000000000000000","user_hid":0,"user_name":"","user_nick":"","user_avatar":null,"is_member":false,"settings":{"can_access_acp":false,"can_use_dialogs":false,"hide_heavy_content":false},"unread_dialogs":false,"footer":{"rules":{"to":"common.rules"},"contacts":{"to":"rco-nodeca.contacts"}},"navbar":{"tracker":{"to":"users.tracker","autoselect":false,"priority":10},"forum":{"to":"forum.index"},"blogs":{"to":"blogs.index"},"clubs":{"to":"clubs.index"},"market":{"to":"market.index.buy"}},"recaptcha":{"public_key":"6LcyTs0dAAAAADW_1wxPfl0IHuXxBG7vMSSX26Z4"},"layout":"common.layout"}