TB6550 ограничение тока удержания и индикация шага
…задолбался бороться с нагревом моторов !
ограничение рабочего тока в TB6550 зависит от сопротивления резисторов-шунтов
и есть пины управления тока.
вот только нет там ограничения тока удержания !!!
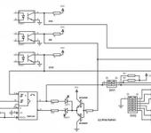
на схеме выход из положения плюс визуализация шага и направления.
подбором сопротивления шунтов т.е. положением выключателей на SW2 выставляется максимальный ток драйвера, а SW1 устанавливает процент от максимального тока. не забывайте что шунтов ДВА и их сопротивление должно быть одинаковым,
так что переставляя положение SW2.1 SW2.2 SW2.3 не забудьте то-же самое положение выставить на SW2.4 SW2.5 SW2.6 !!!
при каждом приходящем импульсе STEP запускается мультивибратор на время определенное RC-цепочкой (0.1 мкф и 39 ком)
выход мультивибратора управляет “землей” на DSW1.
когда нет импульсов STEP, на общем контакте SW1.1 и SW1.2 висит “1”, таким образом загоняя микросхему драйвера в режим 20% от максимального тока.
при прихождении фронта импульса STEP, выход мультивибратора падает в “0” и на ноги управления током TB6550 приходит то, что выставлено SW1,
и мы можем варьировать током 100% 75% 50% и 20% от максимально тока заданного на SW2
светодиоды выключены в когда нет импульсов STEP и показывают направление движения двигателя когда идут импульсы.
…а еще такая схема дает возможность форсировать рабочие токи двигателя что успешно работает на моем станке, движки с паспортным током 1,5А работают без существенного нагрева на 3,2 А !
…а еще такая схема дает возможность форсировать рабочие токи двигателя что успешно работает на моем станке, движки с паспортным током 1,5А работают без существенного нагрева на 3,2 А !
в чем секрет, почему движки не греются? Именно какие движки? Параметры движков?
{"assets_hash":"a8b26fa7f6e768b07a72c8c9aadb9422","page_data":{"users":{"43417cb73df955007778eed8":{"_id":"43417cb73df955007778eed8","hid":9441,"name":"Baha","nick":"Baha","avatar_id":null,"css":"user__m-banned"},"54da214c3df9550077720aae":{"_id":"54da214c3df9550077720aae","hid":218277,"name":"KrisKelvin","nick":"KrisKelvin","avatar_id":null,"css":""}},"settings":{"can_see_ip":false,"can_report_abuse":false,"can_see_hellbanned":false,"forum_can_view":true,"forum_can_reply":false,"forum_edit_max_time":30,"forum_can_close_topic":false,"forum_show_ignored":false,"forum_mod_can_delete_topics":false,"forum_mod_can_hard_delete_topics":false,"forum_mod_can_see_hard_deleted_topics":false,"forum_mod_can_edit_posts":false,"forum_mod_can_pin_topic":false,"forum_mod_can_edit_titles":false,"forum_mod_can_close_topic":false,"can_vote":false,"forum_mod_can_add_infractions":false,"forum_topic_title_min_length":10,"forum_reply_old_post_threshold":30,"votes_add_max_time":168,"forum_show_post_interval":7,"can_see_deleted_users":false},"section":{"_id":"61c9a54c3df9550077bb51bc","hid":110,"title":"Драйверы и контроллеры для CNC","parent":"61c9a54c3df9550077bb51b9","description":"Обсуждение приводов и контроллеров для управления станками CNC.","is_category":false,"is_votable":true,"is_writable":true,"cache":{"topic_count":662,"post_count":12810,"last_post":"65cdce803627b35af4956dfa","last_topic":"65cdce803627b35af4956df9","last_topic_hid":572337,"last_topic_title":"Драйвер ТВ -6600","last_ts":"2024-02-15T08:42:40.608Z","last_user":"47e0d3f43df955007777ca60"}},"topic":{"_id":"54dba9ed3df9550077fb0384","hid":396407,"title":"TB6550 ограничение тока удержания и индикация шага","views_count":3081,"last_post_counter":2,"cache":{"post_count":2,"first_post":"54dba9ed3df9550077fb0566","first_ts":"2015-02-11T19:13:49.000Z","first_user":"54da214c3df9550077720aae","last_post":"54e733fa3df9550077fb0568","last_post_hid":2,"last_ts":"2015-02-20T13:17:46.000Z","last_user":"43417cb73df955007778eed8"},"st":1,"section":"61c9a54c3df9550077bb51bc"},"subscription":null,"pagination":{"total":2,"per_page":25,"chunk_offset":0},"posts_list_before_post":["paginator","datediff"]},"locale":"en-US","user_id":"000000000000000000000000","user_hid":0,"user_name":"","user_nick":"","user_avatar":null,"is_member":false,"settings":{"can_access_acp":false,"can_use_dialogs":false,"hide_heavy_content":false},"unread_dialogs":false,"footer":{"rules":{"to":"common.rules"},"contacts":{"to":"rco-nodeca.contacts"}},"navbar":{"tracker":{"to":"users.tracker","autoselect":false,"priority":10},"forum":{"to":"forum.index"},"blogs":{"to":"blogs.index"},"clubs":{"to":"clubs.index"},"market":{"to":"market.index.buy"}},"recaptcha":{"public_key":"6LcyTs0dAAAAADW_1wxPfl0IHuXxBG7vMSSX26Z4"},"layout":"common.layout"}