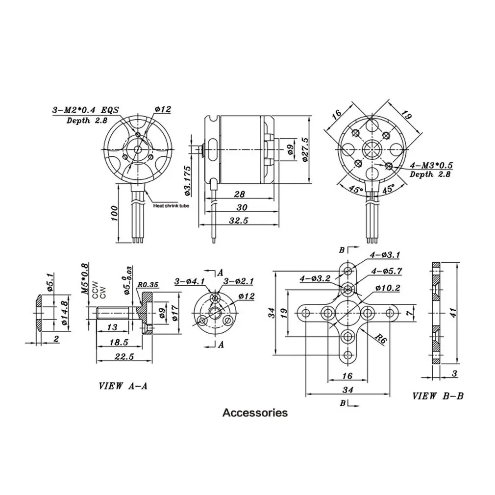
Моторы 2830 и 2212 - это одно и то же, просто маркировка разная.
У первого диаметр/длина по наружи, по ротору. У второго тоже диаметр/длина, но уже по железу (магнитопроводу) статора.
Винту 8х5 или 8х6 при трёхбаночном питании оптимальные обороты (KV) лежат в районе 1250 - 1300, значит:
1300кв Подойдет
Да.
Моторы 2830 и 2212 - это одно и то же, просто маркировка разная.
Замерил свои 22.12 - по наружке получились 28.26 . Размер 28.30 по наружке , имеют мои Emax-gt 22.18 . Но может не совсем точно замерил ( моторы стоят на моделях , мерить не очень удобно ) .
racerstar Да я этот и имел ввиду . Значит не верно померил .
Похож на СИ Виксен…))
Английский палубный истребитель -бомбардировщик 50 годов.
спасибо!
{"assets_hash":"a8b26fa7f6e768b07a72c8c9aadb9422","page_data":{"users":{"4b266b503df9550077766e9e":{"_id":"4b266b503df9550077766e9e","hid":58001,"name":"Moonlight_Dreamer","nick":"Moonlight_Dreamer","avatar_id":null,"css":""},"4c5d023d3df955007775dd27":{"_id":"4c5d023d3df955007775dd27","hid":70056,"name":"Валерий_Владимирович","nick":"Валерий_Владимирович","avatar_id":null,"css":""},"52b2b0f13df955007772e935":{"_id":"52b2b0f13df955007772e935","hid":190767,"name":"ВладимирМ","nick":"ВладимирМ","avatar_id":null,"css":""},"5753d1453df95500777107c2":{"_id":"5753d1453df95500777107c2","hid":251925,"name":"Леха_Кордовик","nick":"Леха_Кордовик","avatar_id":null,"css":""}},"settings":{"can_see_ip":false,"can_report_abuse":false,"can_see_hellbanned":false,"forum_can_view":true,"forum_can_reply":false,"forum_edit_max_time":30,"forum_can_close_topic":false,"forum_show_ignored":false,"forum_mod_can_delete_topics":false,"forum_mod_can_hard_delete_topics":false,"forum_mod_can_see_hard_deleted_topics":false,"forum_mod_can_edit_posts":false,"forum_mod_can_pin_topic":false,"forum_mod_can_edit_titles":false,"forum_mod_can_close_topic":false,"can_vote":false,"forum_mod_can_add_infractions":false,"forum_topic_title_min_length":10,"forum_reply_old_post_threshold":30,"votes_add_max_time":168,"forum_show_post_interval":7,"can_see_deleted_users":false},"section":{"_id":"61c9a54c3df9550077bb5108","hid":36,"title":"Электролёты. Общие вопросы","parent":"61c9a54c3df9550077bb518f","description":"Самолёты с электрическими мотоустановками.","is_category":false,"is_votable":true,"is_writable":true,"cache":{"topic_count":3991,"post_count":111770,"last_post":"66b5e12e563b07d603c81f95","last_topic":"66b24d2a3627b35af44acfe5","last_topic_hid":572512,"last_topic_title":"Мотоустановка для пилотажки 1450мм.","last_ts":"2024-08-09T09:28:14.334Z","last_user":"4f3e22e13df955007774805c"}},"topic":{"_id":"5c1137ed3df9550077c65e1d","hid":533828,"title":"Pantha","views_count":2054,"last_post_counter":11,"cache":{"post_count":11,"first_post":"5c1137ed3df9550077c66065","first_ts":"2018-12-12T16:31:41.000Z","first_user":"5753d1453df95500777107c2","last_post":"5c4c26a43df9550077c66079","last_post_hid":11,"last_ts":"2019-01-26T09:21:40.000Z","last_user":"5753d1453df95500777107c2"},"st":1,"section":"61c9a54c3df9550077bb5108"},"subscription":null,"pagination":{"total":11,"per_page":25,"chunk_offset":5},"posts_list_before_post":["paginator","datediff"]},"locale":"en-US","user_id":"000000000000000000000000","user_hid":0,"user_name":"","user_nick":"","user_avatar":null,"is_member":false,"settings":{"can_access_acp":false,"can_use_dialogs":false,"hide_heavy_content":false},"unread_dialogs":false,"footer":{"rules":{"to":"common.rules"},"contacts":{"to":"rco-nodeca.contacts"}},"navbar":{"tracker":{"to":"users.tracker","autoselect":false,"priority":10},"forum":{"to":"forum.index"},"blogs":{"to":"blogs.index"},"clubs":{"to":"clubs.index"},"market":{"to":"market.index.buy"}},"recaptcha":{"public_key":"6LcyTs0dAAAAADW_1wxPfl0IHuXxBG7vMSSX26Z4"},"layout":"common.layout"}