Армянский коньяк за чертежи Су-47
Коллеги! Который день пытаюсь добыть чертеж указанного изделия. Везде - только пресловутые картинки из “Звезды” 1:72. Если у кого есть - проявите взаимовыручку, пожалуйста!
Вы бы еще уточнили для чего вам, может вы пенолет задумали строить, то такие чертежи есть в свободном доступе, а если под что-то другое, то это уже другой вопрос. Ну и желательно сразу узнать какой размах и под что задумывается модель, тогда возможно найдуться желающие помочь, например скинуться и купить хорошие чертежи за бугром, а так разговор пока не очем.
Если бы написал “Грузинское вино” а не армянский коньяк, понятно было бы, что грузинский шпион! Но с Арменией вроде пока дружим)))
Если бы написал “Грузинское вино” а не армянский коньяк, понятно было бы, что грузинский шпион! Но с Арменией вроде пока дружим)))
это вы о чем?




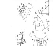
Есть чертежи изготовления модели из бумаги.
Есть чертежи изготовления модели из бумаги.
Какраз хотел их добавить) Раз уж вы начали - давайте:)
Ребята, спасибо за понимание! Эскиз хорош, но при наложении на оригинал есть вопросы. Модель планируется серьезная, 1:6 или около того. Потому и деталировка потребуется соответствующая. А для пенолета пошли бы и эти эскизы, Еще раз спасибо!
Вы бы еще уточнили для чего вам, может вы пенолет задумали строить, то такие чертежи есть в свободном доступе, а если под что-то другое, то это уже другой вопрос. Ну и желательно сразу узнать какой размах и под что задумывается модель, тогда возможно найдуться желающие помочь, например скинуться и купить хорошие чертежи за бугром, а так разговор пока не очем.
В том-то и проблема, что за бугром чертежей нет. И у нас, как посмотрю, не водится ничего дальше эскиза. Не знаю степень секретности, но перерыв весь гугль и яндех, максимум что нашел - то, что указано выше, в нескольких вариациях. Да и из этого не ясно (даже приблизительно) каков он сзади. Всё остальное - понятно, но тоже приблизительно.
у меня есть электрический под двигатель axi 2212/20 размах незнаю,не делал.если надо пиши в личку.
www.parkjets.com/su-47.html может это подойдет?
to alex@ :
ЗАЧЕМ В ЛИЧКУ??? кладите сюда. Что за манера у людей все в личку перводить. Вы что, стесняетесь? Личка для решения ЛИЧНЫХ вопросов.
Идея скинуться хорошая. Надо найти серьезные чертежи под турбину и их переосмыслить. Неужели никто не делал для соревнований, не верится.
паркджетс и другое очевидное - очевидно не в кассу. одна шестая - не одна шестая, это сомерс конечно хватил, но все таки совсем из другой оперы.
Ай да спасибо! Здорово, был бы шпионом - цены б не было рисунку! И переводить не надо =). А еще есть? Фас, профиль? Особенно сзади? Со стрелками-цифрами?
берёте модель Звезданутую…
пилите её на куски… и отрисовываете все сечения и т.п…
как вариант
to alex@ :
ЗАЧЕМ В ЛИЧКУ??? кладите сюда. Что за манера у людей все в личку перводить. Вы что, стесняетесь? Личка для решения ЛИЧНЫХ вопросов.
Идея скинуться хорошая. Надо найти серьезные чертежи под турбину и их переосмыслить. Неужели никто не делал для соревнований, не верится.
паркджетс и другое очевидное - очевидно не в кассу. одна шестая - не одна шестая, это сомерс конечно хватил, но все таки совсем из другой оперы.
Во-первых, действительно, лучше выложить на общее обозрение.
Во-вторых - именно под турбину, точнее турбины, чертеж и ищу.
В-третьих - да, никто не делал, именно это и прельщает.
В-четвертых - ничего я не хватил (если спать - то с королевой, если красть - то миллион… меня так папа всегда учил). В наличии есть пара JetCAT P-160SX, поэтому 1:7 - это минимальный размер, чтоб его от этой тяги не разогнуло до привычной глазу стреловидности.
В-пятых - это проект даже не на ближайшие 2 года. Если начать прям сейчас - полетит в 2012 году.
берёте модель Звезданутую…
пилите её на куски… и отрисовываете все сечения и т.п…как вариант
Так ведь говорю… не похожа! Почитайте уважаемых стендовиков, приложите “чертеж” Звезды к вышеуказанным рисункам и найдите 10 отличий
…JetCAT P-160SX…
покажите? 😁
Что именно? Двигуны? Или как это будет смотреться в 47-ом? =)
не забудьте прикрутить к нему стабилизатор хороший. Конструкция а-ля X-29 вроде даже в оригинале без электронной стабилизации падает топором, ибо летать не предназначена.
не забудьте прикрутить к нему стабилизатор хороший. Конструкция а-ля X-29 вроде даже в оригинале без электронной стабилизации падает топором, ибо летать не предназначена.
это связано с крайне задней центровкой. Модель делается с классической, потому и чудеса типа “Кобры Пуачева” ей без УВТ недоступны.
И всё-таки маловато размещенного для составления нормального чертежа…
Простите уважаемые, но не подскажете, где можно добыть чертёж под импелеры, я здесь недавно, но что то вот никак не могу понять скачал чертежи с parkjet.com сушки 47-ой, но там ведь и обводы фюзеляжа не такие плавные, и используеться явно винтовая схема, а мне бы очень хотелось построить именно импелерную модель;)
А кто то обещал выложить чертежи для бумажной модели…
Вот бумажная модель (попытаюсь выложить😁) files.mail.ru/MKUDW4
Так это то же на что и я ссылку выложил просто у меня в архиве запакованно 13 мб 😁