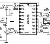
Подкал на 16f628a

AndyBig
slash_san:

При питании контроллера от 3,5 В не будет работать функция контроля напряжения силовой батареи. Используется внутренний настраиваемый блок сравнительного напряжения (Vref) на простом делителе (работает только относительно Vdd), и 1,3-вольтовую батарею контролировать не удастся совсем, а остальные - только с неудовлетворительной точностью.

Почему? Какое напряжение Vref? (это, кстати, генератор опорного напряжения, а не сравнительного)

slash_san:

К тому же по входу RA7 пойдёт превышение уровня сигнала (по даташиту максимум Vdd + 0,3 В), что может дать какие нибудь интересные эффекты типа попадания сигнала через прямо включившийся внутренний ограничительный диод на другие ножки

Ничего никуда не пойдет 😃 Через ограничительный диод входной ток стечет на +3.5в и на этом все. В итоге потенциал на ножке контроллера будет на милливольты выше его питания.

slash_san:

При проверке на разных приёмниках оказалось, что схема тем хуже распознаёт сигнал, чем меньшего номинала резистор поставлен на линии +5В.

Сигнал с приемника смотрели? Какова его амплитуда? Может быть там как раз и идет 3.3в?

slash_san:

Так вот, если поставить резистор больше, чем 270 (пробовал 1К и 470), то, при подключении к ногам, нормально работал только один диод, а второй еле тлел

Правильно делали 😃 Запитать контроллер 3.3в - все описанные Вами проблемы уйдут, более чем уверен.

slash_san:

и модуль ШИМ работал плохо

И тоже правильно делал.

slash_san:

Силовой полевик вряд ли греется из-за длинных проводов

Угу, не из-за индуктивности, она что в проводах, что в свече мизерная.

slash_san:

Нагрев транзистора также связан с частотой ШИМ

Вот это очень правильно подмечено. Но не сделано выводов. Скажите, какая частота ШИМ у Вас идет на полевик свечи? И какой сопротивление свечи?

ubd

Спасибо за критику. Хотя про излишне мощные транзисторы для диодов я уже ранее написал, так что убийство не зачтено.

Всё ровно убило. Тут прослеживается явно не грамотность в разработке схемы, ошибок куча, видно невооружённым глазом.

Не спеши разводить плату, т.к. твой вариант без некоторых изменений работать не будет, даже если я поменяю ножки в прошивке… Самое главное - то, что используется аппаратный модуль ШИМ, а он висит на ножке RB3.

А, про аппаратный ШИМ я забыл, он же на 9-й ноге… Я не пытался изменить предназачение портов, это я ошибся. Но в целом всё должно работать. Нужно только проверить какая точность АЦП получиться. Если с точностью АЦП плохая, можно просто делитель изменить под напряжения питания 3,5В, что бы АЦП работать более полно, и точно, и в программе сделать соответсвующие изменения.
И кондёр нужно повесить на ножку АЦП, у вас нет.

При питании контроллера от 3,5 В не будет работать функция контроля напряжения силовой батареи. Используется внутренний настраиваемый блок сравнительного напряжения (Vref) на простом делителе (работает только относительно Vdd), и 1,3-вольтовую батарею контролировать не удастся совсем, а остальные - только с неудовлетворительной точностью.

Если сделать делитель на АЦП 1/5, при опорном напряжении равном напряжению питания, получается нормальная точность измерения, при использовании 10 разрядного АЦП. Да же 1,2В аккум нормально будет видеть.

К тому же по входу RA7 пойдёт превышение уровня сигнала (по даташиту максимум Vdd + 0,3 В), что может дать какие нибудь интересные эффекты типа попадания сигнала через прямо включившийся внутренний ограничительный диод на другие ножки, что особенно “интересно” потестировать на разной аппаратуре. Тут понадобится опторазвязка.

Не будет ни какого превышения, всё нормально будет работать. Если учесть что размах сигналла с приёмника где то 3,3В, то при питании проца выше чем 5,2В проц не будет видеть этот РРМ с таким размахом 3,3В. Я давно столкнулся с этой проблемой, и решил её только установкой транзистора-инвертора, сигналл РРМ приходил на проц инверстный, но всегда амплитудой равной питанию проца, и проц всегда этот сигналл видит хорошо, и не важно какой он приходит с приёмника - 3В, или 3,5В, всегда видит, и при любом напряжении питания проца. В программе нужно просто поменять, что бы РРМ сигналл считывался инверстно.
Но в случае питания проца через стабилизатор 2931, т.е. от 3,5В, РРМ сигналл размахом 3,3, будт для проца нормой, и он бедт его всегда хорошо видить, т.к. сигналл будет намного выше половины напряжения питания проца, а это важный факт. Значит транзистор инвертирующий ставить не нужно, если питать проц от 3,5В.
Опторазвязка тем более не нужна, она делается для других целей.

Я советую вам переработать схему и программу, от питания от 3,5В, и АЦП работать будет и уйдут ваши проблемы, и не нужно ставть транзисторы на светодиоды, мощности портов вполне хватает для их зажигания. Я сколько конструкций делал, то всегда светодиоды зажигаю напрямую от порта, через сопротивление 200-300 ом, и всё работало.
Вся проблема от того что проц вы запитали через резистор, на нём получаетс яразное падение напряжения, в зависимости от нагрузки, т.е. от зажигания светодиодов, и работы пьезика.

А полевик кажеться греется из-за высокой частоты ШИМ. Какая у вас частота ШИМ? 1 кгц должно хватить.
У французкого поднакала, по моему 1 кгц, и ничего не греется. При том что полевик там всего на 13А, а у вас намного мощнее, и греется…
Я уже давно занимаюсь разработкой регуляторов хода, и по поводу считывания сигналла РРМ, и как провильно открывать полевики, я на этом “Собаку съел”…
На транзисор ШИМ подавать желательно НЕ через 1К а меньше 100 - 200 ом достаточно, можно да же 50ом. Т.к. полевик открывается напряжением а не током. Такого рода полевики, особенно когда на них подаётся ШИМ, нужно открыть максимально быстро и закрыть максимально быстро. т.е. что бы ШИМ был как можно менее трапециивидный. Т.к. у транзистора есть ёмксть затвора а она не маленькая, то резистора в затворе сильно влияет на время заряда ёмкости затвора и времени разряда, и чем меньше сопротивление в затворе и чем мощнее порт проца тем это время будет меньше и меньше греться транзистор, т.к. транзистор греется именно в моменты открытия и закрытия. Вот он у вас и греется линейно от частоты ШИМ. Или у вас частота ШИМ высокая, то он не успевает закрыватсья полностью и открываться, или сопротивление в затворе не 1к, как на вашей схеме, а больше.
Возможно что диод параллельно нагрузке не понадобиться.

Так вы на ворос то ответите, что это за формат файла такой - odt ?

AndyBig
ubd:

Так вы на ворос то ответите, что это за формат файла такой - odt ?

Это документ OpenOffice. Бесплатный аналог мелкософтовского ворда.

ubd:

На транзисор ШИМ подавать желательно НЕ через 1К а меньше 100 - 200 ом достаточно, можно да же 50ом.

А выход контроллера потянет 100 мА? В идеале желательно сделать драйвер перед входом полевика, тогда и полевик можно взять гораздо меньший по мощности. Ну и 3,5в - маловато для полного открытия полевика.
Прикладываю схему простейшего драйвера, который снижает раза в три выделение мощности на полевике по сравнению даже с 50 омным резистором в затворе и позволяет давать на управление полевиком 5 вольт (при этом с ноги контроллера потребляется не более 12мА). И прикладываю графики открытия полевика при управлении им через 100 ом от контроллера и через драйвер.

ubd

Да возможно потребуется драйвер, AndyBig прав. Но у меня без него работало, при 3,5В питании, транзитор в SO8 корпусе. Нужно поэкспериментировать.

AndyBig

Ну я привел график для 3.5в при 100 ом резисторе 😃 Сравните импульсы с драйверным графиком - фронты очень затянуты, четверть времени транзистор не в ключевом режиме, то есть рассеивает на себе значительную часть мощности. А драйвер - копеечное дело и места занимает на плате 1 кв.см. 😃 Танзисторы я взял BC848, BC858. R4 - не нужен, это я вставлял его в схему, что бы посмотреть ток затвора. Кстати, в импульсах ток затвора до 300 мА.
Работать, конечно, будет и просто через резистор, но зачем мучать полевик и контроллер 😃

ubd

Ставить драйвер однозначно!

AndyBig

А какое сопротивление у свечи накала? И каким напряжением она запитывается?

ubd

Напряжение 1,5В.
Сопротивление не скажу, т.к. на холодную оно одно, а когда раскаляется оно другое, т.е. больше. Но точно скажу ток, где то 3,2 - 3,5А при 1,5В.

AndyBig

Ну значит все верно, я нагрузкой и ставил 0.5 ома (3А при 1.5в). При меньшем сопротивлении нагрузки рассеиваимая полевиком мощность (из-за затянутых фронтов) будет расти…
Могу, если интересно, выложить графики средней мощности, выделяемой на полевике при разных схемах включения и частотах ШИМ 😃

slash_san

А я то думал, что с приёмника идёт сигнал с уровнем ТТЛ… Точно все приёмники дают 3.3 В? Иначе сигнал будет таки попадать на линию питания, и при раздельном питании приёмника и борта, при отключенном борте, подкал будет 50 раз в секунду включаться с непредсказуемо работающей на малом токе периферией, чего бы хотелось избежать.

В контроллере нет АЦП, есть только компараторы. В теории, проверку напряжения можно сделать для делителя 1:5, но надо проверять в железе, т.к. в даташите нет данных о пределе точности компараторов, а модуль опорного напряжения имеет немалую погрешность, с чем я довольно долго воевал при настройке текущего варианта подкала. У нас есть в продаже преобразователь LP2950CZ TO-92 на 3.3 В, попробую переделать под него.

Прочитав первое сообщение AndyBig, я хотел поругаться насчёт частоты ШИМ (конечно, я пробовал её понижать, об этом ниже), но потом, прочитав про драйверы, уже расхотел 😃 Кроме уменьшения нагрева транзистора, они позволят повысить частоту ШИМ для LiPo и точность настройки нагрева свечи, хотя в принципе можно оставить и нынешние настройки. А если же частоту сделать ниже той, что сейчас (976 Гц), то на некоторых горячих свечах наблюдается сильный звуковой резонанс и вибрация спирали, и есть риск, что при нагреве, да ещё во время работы двигателя, спираль намного быстрее выйдет из строя или вообще оторвётся.

ubd

976 кгц - это не высока частота, я думал у вас частота больше. До 3 кгц можно смело делать, драйвер и полевик будет нормлаьно справляться. Я раз читал где то на форуме, что люди пытались регулятор делать с ШИМ 20 кгц! Так там всё грелось страшно, но им это нужно было что бы мотор не издавал писк частотой ШИМ.

Точно все приёмники дают 3.3 В?

Все. Внутри всех приёмников, стоит стабилизатор и от него питается приёмник и дешифратор. Ну может быть там +/-, но не больше 3,5В.

В контроллере нет АЦП, есть только компараторы.

А я забыл, там нет АЦП.

AndyBig

Почти вся современная цифра работает на 3.3в, самая современная уже уходит на 1.8 😃
По поводу частоты ШИМ - действительно, при такой частоте должно работать и без драйвера…
Правда, остается непонятным резистор по питанию - трудно угадать что творится на выходах контроллера при таком токоограничении всего контроллера…
Вообще, всегда избегайте ставить резисторы по основному питанию. Только если Вы точно знаете все последствия этого шага и без этого не обойтись…

ubd

Вообще, всегда избегайте ставить резисторы по основному питанию. Только если Вы точно знаете все последствия этого шага и без этого не обойтись…

Да вот я то же думаю, резисор в цепи питания проца, это маразм. В нём есть смысл, если ток потребляемый процом, всегда постоянен, но глядя на схему поднакала, которую мы обсуждаем, ток ни как не будет постоянным, и значит при изменениии тока потребления процом, будет меняться падение напряжения на этом резитсоре. По этому тут хоть как нужно савить стабилизатор напряженя. Кастати почему LM2931, потому что он с низким падением, а это очень выгодно, когда питание схемы от 5В (4 банки Ni-MH/Cd).

По поводу частоты ШИМ - действительно, при такой частоте должно работать и без драйвера…

Дело в том что изначальная схема французкого автора, работет без драйвера, и ни чего не греется.

2 months later
slash_san

Сейчас использую новую схему. Засчёт двухтактного усилителя, предложенного AndyBig, уменьшился нагрев полевика при работе с LiPo 3S.

Модификации:

  1. защита от подключения не той батареи. Ничего не сгорит, если ошибётесь

  2. для LiPo:

    • улучшен алгоритм отсечки
    • скважность корректируется при падении напряжения батареи в процессе работы
  3. мигание диода стабильное 😃 и убран дребезг кнопки в режиме принудительного нагрева (в меню было нормально)

  4. позволяет определить разрыв в цепи свечи

Инструкция подкал 2.zip

ubd

Ну вот достойная разработка!

скважность корректируется при падении напряжения батареи в процессе работы

Это правильно. На всех регулях нормальных так сделанно. Я на своём реверсивном на 16F876 так же сделал, отсечка работает как нужно, не вырубает если просто аккум не очень мощный.

Только зачем драйвер сделан? На таких токах, на которых свеча работает, драйвер не нужен, достаточно порта проца на затвор, через резистор 30-50ом. Или вы пробовали с драйвером и без? Разница есть?

slash_san

Вместо 1 КОм ставил 50 Ом - никакой разницы

1 month later
Андрей7777

Последняя схемка уж очень понравилась!!!
прошивочку можно получить???

2 months later
Archex

Хотелось бы собрать и потестить данный вариант схемы.
Поделитесь пожалуйста прошивкой.
Или широкой общественности она будет не доступна?

slash_san

По мизантропическим причинам девайс переведён в режим монопольного использования

ubd

Тааак… Придётся мне тогда прошивку свою написать… Давно хотел. Тем более стал нуждаться в таком девайсе…
И я её естественно выложу.

Archex
ubd:

Тааак… Придётся мне тогда прошивку свою написать… Давно хотел. Тем более стал нуждаться в таком девайсе…
И я её естественно выложу.

Успеха в разработке.
Буду очень признателен, думаю и не только я один.