Качающаяся рама расположена вертикально и подпружинена кольцом из резинового жгута. (Подшипники брал на Babggood. В одном из пары был осевой люфт. Устранил за счет осевого сжатия подшипниковой пары при монтаже. Зато подшипники самоустанавливающиеся.)
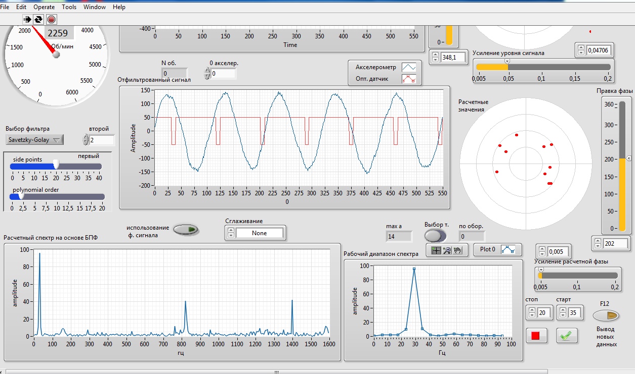
Добавлена регулировка частоты вращения мотора из программы.
Прошивка (скетч) для АрдуиноНано. Для прошивки в архиве есть версия софта 1.6.3., т.к. на других версиях может не получится. После компиляции выдает ошибку о том, что маловато памяти. Это не проблема. И так работает, но если кому критично 😉, можно уменьшить MAX_SAMPLES до 400 и тогда ошибка не будет выскакивать.
Исходник и ЕХЕ-шник программы для балансировки. В среде LabVIEW 2013 можно поправить интерфейс под разрешение вашего монитора. EXE-шник сам по себе не будет работать. Ему нужны не помню какие рун-тайм модули из среды Labview 2013 v.13.0 (я ставил 32-bit версию). Поэтому лучше заинсталить всю среду и к ней нужны модули NI VISA и LabVIEW Robotics 2013. Думаю все знают где ее можно найти 😉. После запуска проги конечно нужно выбрать COM-порт, на котором у вас сидит Ардуинка. Для этого нажать кнопку STOP. Выдаст ошибку. Продолжаем. В окошке выбираем COM-порт, на котором у вас висит Ардуинка и жмакаем кнопку со стрелкой. Ну а остальное есть в моем вышеприведенном видео и в статье из дневника Никиты Есенина.
Сделал такую табличку для того чтобы было легче собрать всю электронную часть стенда:
Пока еще не приступал к реальной эксплуатации стенда на пропах 1555, так как нужно было сделать какое-то ограждение стенда на случай чего. Сделал его из стальной мелкой сетки, которая в рулонах продается в хозунивермаге. Теперь не страшно в квартире запускать эту мясорубку.
Ну и для цели повышения безопасности еще сделал подключение стенда к компьютеру по WiFi, что позволило размещать балансировщик подальше от компьютера.
По просьбе коллег по хобби описываю б/м подробно то как это делал:
Использовал модуль ESP8266 типа такого (на Али они дешевле). В таком исполнении модуль удобнее использовать, т.к. на плату не обязательно подавать требуемое модулю питание 3,3V, а можно как и ардуинку питать от БЭКа - 7-12V (использовал один БЭК на двоих, который запитал от силовой батареи баллансируемой ВМГ). Кроме того, можно без конвертера подключать Rx и Тх ардуинки, у которых 5V, к Rx и Тх модуля, которые рассчитаны на 3,3V.
Не забываем Rx модуля подсоединять к Тх ардуинки и наоборот.
Модуль ESP8266 нужно прошить соответствующей прошивкой. Прошивка и программа-прошивальщик тут. Прошивка модуля делается через USB прошивальщиком ESP8266Flasher. По приложенной инструкции указываем адреса для загрузки четырех файлов *.bin и доп.настройки. После прошивки не забываем переподключить модуль к USB. Теперь модуль работает как точка доступа - имя ее сети: ESP… . К этой WiF-сети подключаемся через другое WiFi-устройство (планшет, ноут, смартфон). Заходим в WEB-интерфейс модуля по IP 192.168.4.1. Там в меню WiFi Soft-AP в пункте Switch to жмакаем и выбираем режим AP mode . Далее в меню WiFi Station сканируем доступные WiFi-сети и подключаемся к вашей WiFi-сети. В сети лучше модулю определить фиксированный IP. Этот IP в программе HW Virtual Serial Port присваиваем виртуальному СОМ порту, предварительно нажав кнопку Login. Инсталлер программы HW Virtual Serial Port тут. После этого на вашем компьютере, на котором установлена программа для балансировки, появится СОМ-порт.
Ну вот и все, теперь ардуинку не нужно по USB подключать к компу. Каждый раз после включения компьютера запускаю программу HW Virtual Serial Port (в ней нужно сначала залогиниться), в которой выбираю свободный номер СОМ-порта и указываю ему соответстующий IP - IP модуля ESP8266. Питание на aруинку и на модуль ESP8266 подаю от той же батареи, к которой подключаю регулятор. В программе для балансировки указываю номер созданного виртуального COM-порта.
ATTENTION!!!
С регулировкой частоты вращения мотора при помощи потенциометра нужно быть осторожно, т.к. возможны проблемы в цепи питания ардуинки. По первах умудрился спалить на ардуинке диод шоттки (кажыся из-за того, что сильно крутанул потонциометр), а недавно когда настраивал связь стенда с компом по WiFi, то докрутился что линейный регулятор на ардуинке чуть ли не до красна нагрелся. Так что его лучше держать в крайнем левом положении. Т.к. им в процессе балансировки реально пользоваться неудобно, то советую пользоваться либо кнопками в проге либо внешим сервотестером, например, таким как сделал Рамазан.
Comments
Хорошо получилось, только у меня звук совсем тихий (может у других будет громче).
Только несколько непонятных моментов осталось.
В среде Labview 2013 можно поправить интерфейс под разрешение вашего монитора.
Пока так и не нашел. Ноут старый и разрешение экрана маленькое (неудобно).
Добавлена регулировка частоты вращения мотора из программы
Не совсем понял, а с какого выхода управляется двигатель? И если не сложно подскажите диапазон цифр для управления мотором.
Нужно заинсталить Labview2103. Из нее запустить исходник, который в моем архиве, и там есть возможность размеры диаграмм изменять, кликнув на них курсором.
К Ардуинке на ее землю и D9 подключаете землю и сигнальный провод управления регуля и через них ардуинка будет управлять регулем.
Диапазон значений подбирал эксперементально. У моего регуля вращение начиналось с 39, но оно нестабильное. Поэтому запускаю с 41. Это для окна “СТАРТ”. А для окна “СТОП” у меня подтянулось с того исходника, который мне передал коллега. При этом значении по нажатию кнопки мотор у меня останавливается, что мне и нужно.
Вот вариант исходника с интерфейсом для небольшого разрешения монитора.
Спасибо. Идею понял. Экран еще меньше (доделаю как-нибудь).
С диапазоном надо тоже доработать в плане привязки к конкретным цифрам (чтоб калибровать регули можно было, а то не все включаются без этого).
Почему-то при открытии исходника ругается на .xctl и не открываются 2 правых графика.
Но все равно уже шаг вперед.
Нужно в ругательном сообщении прочитать какой компонент еще нужно доинсталить.
К Ардуинке на ее землю и D9 подключаете землю и сигнальный провод управления регуля и через них ардуинка будет управлять регулем.
Пришли запчасти, пробую собрать. C D9 понял, только не совсем удобно его использовать. Привык уже задействовать D3. Там рядом земля и удобно втыкать разъем от рега. Можно переделать на 3, или там есть подводные камни?
Не скажу. Прошивку для Ардуинки не я делал. Но по идее принципиально не должна быть разница.
Теперь нужно протестить на предмет того хватит ли скорости и какая будет задержка при связи ардуинки с компом по WiFi
Очень красивая механическая часть конструкции, где бы прочитать или посмотреть как и из чего это делать?
От куда эти стальные детали, т.е. стенки?
Очень красивая механическая часть конструкции, где бы прочитать или посмотреть как и из чего это делать?
Сказалось то, что по первому и второму высшим образованиям я механик 😉
Механическая часть сделана из деталей списанного банкомата;-) + подшипники с Банггуда + дюралевый профиль 10*20 + пластина из стеклотекстолита.
Добавил фото ограждения из сетки 😉
Пока ждал ответа уже догадался, что здесь происходит: - Это моделизм детка.
Вообщем смотрю, смотрю ваш ролик и постепенно приходит понимание что к чему. Спасибо, что вы его сняли. Никита конечно сeпер молодец, но ваша реализация очень нравится. Вот есть желание собрать похожую конструкцию.
оси, тоже с бангуда? Что то еще по механике можно от туда заказать?
оси тоже из бакомата
дюралевый профиль, винты с гайками из хозмага
пластина, на которой установлен мотор, вырезана диска из сторого жесткого диска (в старых диски потолще)
А качающаяся часть сама себя приводит в вертикальное положение за счёт тяги пропеллера? Не совсем понял как в данном случае цт влияет? И если без пропа, то резинка держит вертикаль?
Да, резинка держит вертикаль.
При проектировании стояло две задачи:
-геометрическая ось вращения мотора должна пересекаться с геометрической осью качения рамы - для того, чтобы когда вращается пропеллер не создавался вращающий момент для рамы нагружающий резинку
-центр тяжести рамы и мотора в сборе находился в вертикальной плоскости, которая проходит через геометрическую ось качения рамы - для того, чтобы не создавался вращающий момент для рамы нагружающий резинку (если сделать конструкцию, в которой мотор расположен ниже оси вращения рамы, то эта задача становится неактуальной)
Решение этих задач позволит иметь большую чуствительность стенда к колобаниям.
В принципе для этой задачи и выбрана схема с вертикальным расположением качающейся рамы. Такую задачу можно было бы решить и для горизонтального расположения рамы за счет установки противовеса. Но тут есть обратная сторона - увеличение момента инерции качающейся рамы, что не есть хорошо.
Да, резинка держит вертикаль.
В принципе для этой задачи и выбрана схема с вертикальным расположением качающейся рамы. Такую задачу можно было бы решить и для горизонтального расположения рамы за счет установки противовеса. Но тут есть обратная сторона - увеличение момента инерции качающейся рамы, что не есть хорошо.
Спасибо большое за обстоятельное объяснение. Сам пока не нашел подходящего донора для механической части. Подумываю использовать несколько стальных пластин, типа вот таких: прикрепив их паралельно друг другу на основание (какое-нибудь.)
Да я думаю, что в строительных супермаркетах обнозначно можно найти детали для сборки механической части стенда. Там есть пластины разных размеров с отверстиями для сборки деревяннывх каркасов (крыш). Они очень прочные.
На Бангге делал три заказа по три штуки этих датчиков. В первом один бракованный. Во втором - 2 бракованных. В третьем из двух проверенных - один бракованный. Блин, цена у них больше алиэкспресных в два раза и такой мусор продают(((.
Так что если и будете заказывать у них, то нужно брать три штуки. Авось один будет рабочим(((. Даже не в деньгах дело, а во времени ожидания если при заказе одного он окажется бракованным.
Отец помог собрать такую вот основу для будущего стенда. Сталь 2,мм, оси 10,мм, фанера 15,мм.
Красивая конструкция.
В принципе получилось отбалансировать с помощью проги (хотя с непривычки покувыркался).
Стенд использовал для испытания эффективности ВМГ, без всяких пружин. Используется собственный резонанс. Усиливать ничего не пришлось (и так зашкаливало, приходилось не доходить до резонанса).
К сожалению Никиту жестоко забанили и часть инфы пропала.
Файл 2d rangefinder.xctl так и не нашел. Без него полярный график не работает. Так что забил на исходники и просто взял файл Никиты (у него меньше, хоть в HD помещается).
Ардуиновские файлы как-то тоже через раз компилируются. Взял тоже Никиты (ругается хоть через раз и мне не нужен тестер с компа, у меня цифровой повышенной точности - в дневнике). Заодно переделал под другое направление оси (под У), хотя есть сомнение, что надо было под Z. Но видео Никиты не посмотреть, может неправильно, но сработало.
Диапазон усиления маловат, когда зашкаливает, то приходилось просто снижать обороты.
WiFi использовать не стал, сейчас со стендом наброса оборотов надо будет разобраться.
Куча фильтров получается не нужна была, хотя хочется покрутить поначалу.
Хорошо, что никитино видео самого процесса балансировки сохранил у себя на компе (и даже всю веб-страницу сохранил) 😉 Ссылку на видео добавил в начало этой статьи.
Для построения полярных графиков кажыся нужно ставить отдельную библиотеку из NI LabVIEW 2013 - LabVIEW Robotics 2013.
Для компиляции прошивки ардуинки я специально выкладывал версию среды 1.6.3.
Не помню для какой оси датчика написан софт у Никиты, но у меня для оси Х. Ось Х должна быть в проекции перпендикулярна оси вращения рамы.
С WiFi не все так однозначно. У меня роутер далековато от стенда расположен. Коннект слабоват. Поток от датчика временами как-то замирает. Так что нужно пробовать улучшить качество связи.
Я фильтры не трогал. И так нормально получается.
А у меня ничего не работает ,ничего в программе не происходит не могу понять может прога не видит ардуино хотя все програмируется сом порт прописан верно может я че непровильно понял. Растолкуйте но палцах как все именно запускается .И как окно проги уменьшить под 1024 х 768 разрешение а то как будто для FullHD .
Для того что лабвью увидел ардуино, в ней надо установить драйвер. Ардуино должно появиться сначала во вкладке tools/measurement…/devices… После этого выбрать порт в программе. А еще бывает надо нажать кнопку пуск в лабвью и “начало сбора данных”.
Уменьшить можно если только перекомпилировать исходник (но я не смог). Но, по большому счету достаточно смотреть только на круговую диаграмму слева внизу.
[IMG][/IMG]
Хорошо, что никитино видео самого процесса балансировки сохранил у себя на компе (и даже всю веб-страницу сохранил) 😉 Ссылку на видео добавил в начало этой статьи.
Спасибо.
Для компиляции прошивки ардуинки я специально выкладывал версию среды 1.6.3.
Я в ней и делал. Ну и ладно. Заработало и ладно.
Не помню для какой оси датчика написан софт у Никиты, но у меня для оси Х. Ось Х должна быть в проекции перпендикулярна оси вращения рамы.
У Никиты ось Х смотрит вдоль оси двигателя, я пустил ось У по оси мотора. У Вас получилось Z. Но все работает. Можно еще поэкспериментировать с этим (если еще захочется, но и так работает).
С WiFi не все так однозначно… Поток от датчика временами как-то замирает.
Это принцип работы WiFi. От расстояния не зависит.
IMG
А СОМ10 это порт ардуино.
вот что у меня в Tools ,сом порт 10 это порт ардуино.
Для того что лабвью увидел ардуино, в ней надо установить драйвер. Ардуино должно появиться сначала во вкладке tools/measurement…/devices… После этого выбрать порт в программе. А еще бывает надо нажать кнопку пуск в лабвью и “начало сбора данных”.
Уменьшить можно если только перекомпилировать исходник (но я не смог). Но, по большому счету достаточно смотреть только на круговую диаграмму слева внизу.
Я не помню чтобы в лабвью ставил какой-то драйвер для ардуинки;-)
Еще когда запускаю исходник, то там автоматом указан СОМ2 (где-то можно в исходнике настроить какое значение в окне выбора порта устанавливать при запуске) и иногда всплывает окно с ошибкой. Нажимаю кнопку СТОП, а потом кнопку со стрелкой/стрелками.
У меня в самой среде лабвью легко получилось поправить расположение и размер элементов интерфейса. Запускаешь в среде файл проекта *.vi. Изменяешь размеры окон вывода и их положени на экране, а потом в меню TOOLS/BUILD APPLICATION (EXE) FROM VI компилируешь EXE-шник. Правда ему для работы все равно нужна какая-то библиотека. Уж не помню какая, давно все это делал(((
Может нодо Login ввести?
Я не помню чтобы в лабвью ставил какой-то драйвер для ардуинки;-)
Не совсем драйвер дополнение для ардуино. Но если все допники ставились значит и для ардуино встало. Тем более если СОМ порт соответствует, значит все стоит (тулс проверяется просто в Лабвью без запуска ехе).
ЛОГИН не нужен.
Иногда помогает нажимание на СТОП и потом стрелки запуск (черная под edit). Потом обязательно нажать “Вывод новых данных”. У Никиты эта кнопка примерно посередине (между двух горизонтальных диаграмм), у Игоря справа внизу (еще подписано F12).
Если все равно не запустится, то сделайте видео Ваших действий. Надеюсь ардуинка исправна и прошита, и подсоединена правильно.
Наконец получил электронику. акселерометров заказал три на всякий пожарный.
несколько вопросов:
LabVIEW 2013 SP1 (64-bit) English пойдет? разрядность не имеет значения? (не знал что она платная).
То что у вас именуется прошивкой, как я понимаю скетч на самом деле а не прошивка. А саму прошивку в ардуине не трогать?
Я ставил v.13.0 32-bit ENG.
Конечно скетч.
А должен ли отображаться сходу ком порт в приложении? Стоит по умолчанию com4 и все. В диспетчере устройств ардуина видится под com3 и никак не попадает этот com в приложение.
Я похоже не установил еще требуемые дополнительно модули, которые Никита обозначал.
Кстати нашел описание его стенда еще раз на др. сайте: www.*************/ru/blogs/view_entry/8857/ ну это паркфлаер.
Да, СОМ ардуинки должен отображаться в приложении. Но, при запуске EXE-шника по дефолту указан COM2. Нужно нажать кнопку STOP. Выдаст ошибку. Продолжаем и затем в окне проги выбираем COM, на котором у вас висит Ардуинка. Далее жмакаем кнопку со стрелкой и вперед …
Поясните, пожалуйста.
Какой оптодатчик необходим, где его купить или может откуда вынуть?
Акселерометр на датчике MPU6050 можно использовать?
Эти датчики только для винта. Т.е. их надо направлять на винт. Капризны, чувствительны к освещению. Прошивку надо брать для винтов.
Лучше взять датчик для метки. Задать в поиске “датчик черной полосы”. Направляется на мотор. Видит черную полосу. Не чувствителен к свету.
Мпу6050 зачастую имеет только протокол связи I2C , а надо SPI. Он быстрее и прошивка написана только под этот протокол.
Нет, я этот датчик ставил именно для метки на моторе!
Да он чувствительн к свету. Есть такое. При внешнем освещении он “сбоит”. Для того чтобы не сбоил я выпаял светодиоды с их контролла и разместил в пластиковом кейсе черного цвета (склеил из пластика, который вырезал из подставки под бумагу для заметок 😉 ) Кончики свтетодиодов западлецо разместил в углублении и в 5 мм от колокола мотора, на который приклеил отражающую фольгу.
Может быть и можно их заставить по другому работать, но изначально они предназначались для измерения расстояния до препятствия. Т.е. любого препятствия.
Может все таки в Г образном исполнении переделывался. В Никитином дневнике мне так запомнилось. А он вроде уже и есть датчик черной линии , только в странном корпусе.
Датчик черной линии различает четко цвет. Есть еще датчики цвета. Но нам правильнее черной линии. Но на корпус может понадобиться нанести белую линию. Можно наклеить белую бумагу или закрасить.
Спасибо за ссылки, оказывается у меня есть оба таких датчиков из ардуиновского набора.
Один вопрос остался. Если в программе и прошивке есть управление ESC через ардуинку, для чего тогда остался потенциометр? Какова его роль
Если есть набор , то в нем скорее всего есть датчик с фотодиодами в корпусе.
Проверить как работает можно подключить к питанию и на выходе мерить напряжение (оно меняется от 0 до напряжения питания). Надо чтобы менялось не плавно, а шагами. Типа 0 - 1 (0 - 5В).
Потенциометр, чтобы в ручную управлять (типа кому как удобно).
В моем дневнике про цифровой тестер есть фото крепления датчика.
Я вечерком сделаю видео моего крепления оптодптчика.
Да, потенциометр - это родимое пятно от проекта Никиты 😉
А вообще можно сделать как у Никиты с копеечным сервотестером типа banggood.com/Wholesale-EK2-0907-Updated-Version-Se…
если получится наловчиться и каждый раз когда устанавливаешь балансировочные “грузы” выводить мотор на одни и те же обороты, при которых максимальный резонанс. Есть еще тестер батарей 8в1 со встроенным цифровым сервотестером.
Вааще весь этот огород с регулировкой оборотов через программу затеян именно для того чтобы можно было повторно устанавливать обороты мотора на значения, при которых достигнут максимум резонанса. В программе и на цифровом тестере регулировка дискретна, что облегчает решение вышеуказанной задачи. Но есть вторая сторона - величина дискретности может быть большая и резонанс можно “проскачить” изменяя в программе сигнал ppm.
Я себе к тому времени как сделал вибростенд уже сделал цифровой тестер с измерением оборотов. На оптодатчике заранее оставил разъем для использования на стенде.
В моем цифровом тестере используется 1000 шагов. Достаточно для плавной регулировки. Можно было и 2000 шагов сделать, просто в регах столько нет. Для 8-битной платы результат более чем (используется 16 битная библиотека).
А то что не дистанционно, так неудобств нет. Все равно постоянно с винтом общаешься.
1000 шагов наверное избыточно (если я правильно понял, то даже для для самых современных регулей массового сегмента с dshot достаточно 600), но все равно это очень хорошо для точности поиска резонанса!!! респект!
Моя “дистанционность” чисто из-за того, что пропы очень большие и у меня было два случая с печальным опытом настольного краша ВМГ. Хорошо, что без травм. Потому я сейчас еще перестраховался и сетчатым ограждением. Да, оно сделает процесс более геморойным, но зато более безопасным.
Но и результаты первых тестов WiFi связи стенда с компьютером мне не очень понравились какими-то непонятными задержками. Может быть из-за того, что роутер у меня расположен далеко от передающего WiFi-модуля стенда и качество связи между ними никакущее.
1000 шагов наверное избыточно
Это для стенда может избыточно (и то когда выставляешь тягу норм), а для полетного контроллера на пределе необходимого. Например у Блхели в ПВМ всего 255 шагов и это ужасно чувствуется на коптере.
Кстати идея сделать цифровой тестер появилась после Вашей статьи про этот стенд. Просто мне понадобился универсальный и для других тестов.
даже для для самых современных регулей массового сегмента с dshot достаточно 600
У этих уже 2000 шагов. Норм. Но если бы захотели и в ПВМ это можно сделать.
Моя “дистанционность” чисто из-за того, что пропы очень большие и у меня есть два случая с печальным опытом настольного краша. Хорошо, что без травм. Потому я сейчас еще перестраховался сетчатым ограждением.
Точно, вспомнил. У меня стоит ограждение по кругу см 5. Уже норм (по мне достаточно). Сетка думаю будет лишней, но Вам виднее по месту. У меня винтов больше 10 дюймов не будет.
Кста, можно было бы просто светодиоды затянуть в черную термоусадку, оставив лишь открытым сферический торец.
А что в качестве отражателя?
Я когда свои датчики отсоединил получилось типа такого roboparts.ru/products/tcrt5000l. И ничего обматывать не надо. И так в корпусе. И сфокусированно.
отражатель - очень тонкая самоклеящаяся фольга из хозмага
Спасибо.
пришлось еще черным фломастером закрасить надписи на колоколе мотора, который сам по себе черного цвета
Может, кому пригодится, EXE-шник под монитор 1440*900.
По большому счету там можно оставить два графика и одну круговую диаграмму.
Доброе время суток.Сделал на очень скорую руку стенд.Электроника вся работает-я раньше с этим не был связан-но получилось.Сейчас пытаюсь все осмыслить.Очень хотелось бы получить коменты относительно всех приборов находящихся на панели.Особенно сдвиги фаз.фильтры.ну и остальных графиков.На тахометре 6000 оборотов-не мало и как увеличить?.Отдельная история с софтом - у меня разрешение на ноуте 1280*800(больше не может).Подскажите как сделать чтобы влез в монитор.По вашим ссылкам все скачал- но не получается.Среда загружена.К тому же я использую сервотестер для регулировки оборотов.Переделывать пока не готов-надо разобраться сначала с тем что есть.Помогите пожалуйста на паркфлаере никто не отвечает-как вымерли.Жду с нетерпением ответа.
Я как раз и написал эту статью для тех кто как и я сам “раньше с этим не был связан”. Так что если у Вас получилось с электроникой, то я время не зря потратил 😉
Там реально то нужно 3-4 “прибора”: Тахометр (если будете управлять частотой вращения через отдельный сервотестер); “Отфильтрованный сигнал”, “Рабочий диапазон спектра”, “Расчетные значения”. На остальном не заморачивайтесь. Вся технология балансировки показана на видео Никиты Есенина. Ссылка есть в начале этой статьи. Чтобы поменять интерфейс проги под другое разрешение нудно ее исходник открыть в среде и там курсором мышки потягать границы окошек с графиками или перемещать их куда нужно.
Я себе к тому времени как сделал вибростенд уже сделал цифровой тестер с измерением оборотов. На оптодатчике заранее оставил разъем для использования на стенде.
В моем цифровом тестере используется 1000 шагов. Достаточно для плавной регулировки. Можно было и 2000 шагов сделать, просто в регах столько нет. Для 8-битной платы результат более чем (используется 16 битная библиотека).
А то что не дистанционно, так неудобств нет. Все равно постоянно с винтом общаешься.
Я как раз и написал эту статью для тех кто как и я сам “раньше с этим не был связан”. Так что если у Вас получилось с электроникой, то я время не зря потратил 😉
Там реально то нужно 3-4 “прибора”: Тахометр (если будете управлять частотой вращения через отдельный сервотестер); “Отфильтрованный сигнал”, “Рабочий диапазон спектра”, “Расчетные значения”. На остальном не заморачивайтесь. Вся технология балансировки показана на видео Никиты Есенина. Ссылка есть в начале этой статьи. Чтобы поменять интерфейс проги под другое разрешение нудно ее исходник открыть в среде и там курсором мышки потягать границы окошек с графиками или перемещать их куда нужно.
Спасибо что ответили.Как то у меня не получается с оборотами.Корпус мотора блестящий-бирку я с него снял.Датчик щелевой с транзистором.Вопрос-как надо сделать.Затемнить весь корпус мотора(чтобы сигнал не отражался) и оставить полосу для отражения сигнала.или наоборот мотор пускай постоянно отражает а наклеить полосу для прерывания сигнала( том цифровой 0 или1)тахометр как там спрограмирван?
Да не имеет значения что шире отражающий участок или затемняющий.
Датчик у меня не щелевой. ru.aliexpress.com/item/…/32333515998.html
Кста, в одном из датчиков мне пришлось немного очень акуратно покрутить потенциометр, чтобы его подстроиить и он смог нормально “считать” обороты.
Спасибо! Одного только понять не могу, либо у меня оптический датчик глючный, либо так и должно быть. Срабатывает, только если поместить непрозрачный предмет непосредственно в прорезь, причем реакция зависит от материала. Метку нанесенную маркером на моторе он не распознает. На единичную полоску реагирует нормально, когда крутишь на небольших скоростях от руки. На частотах вращения мотора - судя по графику, пропускает обороты, а после определенного момента вообще перестает реагировать. Сделал из картона (глянцевая обложка от блокнота) кольцо, счистил глянец на половине кольца, чтобы соотношение светлого и темного сектора было 50 на 50, надел на мотор - вроде заработало, резонанс поймал на 3000 оборотах.
у меня тоже резонанс возникает на большой частоте
Одного только понять не могу, либо у меня оптический датчик глючный, либо так и должно быть.
Абсолютно нормальный.
У Вас датчик расстояния, а не ПОЛОС.
Режим полосы для него нестандартный, поэтому его еще надо заставить работать в этом режиме.
Намного проще работать с дачиком черной полосы (его в инете так и можно найти).
Он отличается применением других фотодиодов. В корпусе у него непрозрачная перегородка.
Он четко различает полосы вне зависимости от освещения. Зазор примерно 0,5 см (точно выставлять не надо).
Спасибо за описание куда что подключать. Жду гироскоп как в описании. Тоже попробую сотворить. Модуль от двухосевого подвеса к сожалению не прокатил )) А датчик попробую пристроить всё же который второй в описании, с пластиковым корпусом (разрезал пластик и разогнул диоды). Оказался в наличии, а другой снова ждать месяц лень )
Больше интересует (пока не понял) как же всетаки, точнее какую прошивку запускать при одном датчике оборотов? Качаю оболочку еще, надо разрешение дисплея уменьшать… Не влазит.
Не могли бы подсказать, какую прошивку в ардуино нужно заливать для чего? Вроде там две, одна под мотор другая под пропеллер?
У меня стенд с вариантом под мотор. Эту прошивку и заливал.
У меня стенд с вариантом под мотор. Эту прошивку и заливал.
Под мотор, это когда датчик оборотов контролирует мотор, а не проп? Этого достаточно и датчик на проп вешать не нужно как я понимаю? Суть одна вроде.
Датчики проверил (только сегодня получил), вроде графики строятся и точки появляются, сейчас стенд буду городить.
В общем долго мучился, пытаясь понять как датчик прилепить, в итоге прилепил направлением стрелкой Х вниз, а У по оси мотора (т.к. все пишут “своими словами” и не всегда понятно что имеется ввиду, а мотор у меня осью горизонтально, не как у автора дневника). Круговой “диаграммы” из тоцек в верхнем графике не получается добиться, точки рассыпаются или одной кучей. В нижнем графице точки вроде получаться стало “сгонять” в кучу. Надеюсь это правильный ход, но обороты, при которых у меня наибольший резонанс тоже не 800 далеко, а около 3тыс.
так и нужно балансироват именно исходя из показаний нижней диаграммы 😉
у меня тоже на большой частоте резонанс
у меня тоже на большой частоте резонанс
Я понял, просто хотелось же и на верхнем увидеть точки “как у других” кольцом ))
Еще заметил, что основной пик резонанса может быть, допустим, на 3200, затем вроде сбил грузами, а он ещё на более низких оборотах вылазит… Правда я экспериментирую с мотором после пары крашей, с немного погнутым ротором.
И еще вопросик… Я использую прошивку “несенина”, т.е. автора технологии как я понял (поскольку пока нет времени контроллеры делать), там ось Х рабочая как я понял, а на фото у него датчик осью Х вверх смотрит, хотя написано, что смотреть должен в центр оси. Я правильно подключил, что У по оси мотора, а Х перпендикулярно и вертикально?
Запускал просто позже екзешник чей-то от сюда из коментов (у меня в экран не влазит и ума дать не могу), так у меня точки дисбаланса как-то не в те стороны смещаются, не как на видео.😵
Резонансы могут возникать на разных частотах. Причем, низкочастотные более мощные при прочих равных условиях.
Касательно “рабочей” оси датчика: она должна скрещиваться под прямым углом с осью качения рамы стенда. На примере моего стенда: если смотреть сверху, то рабочая ось Х датчика распологается в горизонтальной плоскости и перпендикулярно плоскости качающейся рамы.
Касательно “рабочей” оси датчика: она должна скрещиваться под прямым углом с осью качения рамы стенда. На примере моего стенда: если смотреть сверху, то рабочая ось Х датчика распологается в горизонтальной плоскости и перпендикулярно плоскости качающейся рамы.
Всё понятно. Значит верно расположил, осталось понять куда в какой момент времени лепить груз )
А по штанге… Я сделал из алюмо полосы, от вибрация она сама по себе резонирует, вероятно это плохо и она “сбивает” работу гироскопа? Нужно квадрат?
Народ, ну подскажите ктонить… пожалуйста… Голову сломал уже.
Поставил пропеллер АПС (все здесь на форуме говорят, что они идеальны), раскручиваю и… ну вообще не понимаю куда что. Что-то подобное резонансу возникает на примерно 1500об (нижний средний график показывает четкий “ПИК” примерно на 10… На этих оборотах с наклееным грузиком “сдвигаю фазу” по инструкции до средней линии, снимаю грузик, смотрю куда ушло. Выравниваю грузиком ближе к центру. Короче, вроде рядом с центром в итоге, амплитуда в среднем нижнем, допустим стала не 10, а 4 (и скачет). Но… Даю оборотов да примерно 3-3,5тыс и вся конструкция взвывает новым резонансом. Жесть… Как делать правильно? Почему у всех на одной частоте понаклеивали и супер-пупер сразу?
Еще проблема - не могу добиться стабильного показания оборотов. Ни оптодатчиком с торчащими светодиодами (круглыми) ни с тем, у которого типа щелевого датчика и светодиоды закрыты пластиком (я его разрезал и под углом типа луч направил). Обороты скачут то близко к реальным, то на максимум (может по этому еще может быть нестабильность данных?).
На скринах график на низких оборотах и затем, после якобы балансировки уже на повышенных (аж не видно вообще точек на графике).
Резонанс и впрямь обычно 1, второй может быть связан с разбалансировкой мотора. Все равно начните с наибольшего по амплитуде, а только потом можно взяться за 2, если будет ощутимо влиять.
Датчики на винт чувствительны к свету и капризны. Я использую датчик черной полосы. Стабилен в любых условиях.
Резонанс и впрямь обычно 1, второй может быть связан с разбалансировкой мотора. Все равно начните с наибольшего по амплитуде, а только потом можно взяться за 2, если будет ощутимо влиять.
Датчики на винт чувствительны к свету и капризны. Я использую датчик черной полосы. Стабилен в любых условиях.
чёрной полосы, который с белым и черным диодом? С ним у меня вообще хуже. По крайней мере на серебристом моторе с кусочком черной изоленты. Его засвечивает даже с напечатанным корпусом, и резистор не помогает. Тоже обороты скачут то нормально то на максимум.
А мотор немного кривоват, если бы не это, я бы и не городил этот “стенд”. Как раз в паре с мотором и хотел отбалансировать, а оно ни в какую. С самодельным пропеллером получается как-то проще (наверное бОльший дисбаланс). Так же расстраивает то что и в верхнем графике точки как мухи разлетаются в стороны, что в нижнем в кучу плохо собираются да и понять “тот ли резонанс” не могу. Штангу уже усилил квадратом (чтобы исключить вибрацию и резонанс её самой) но толку мало. Я уж думаю, что для моторов 2212 и пропеллеров десятых этот стенд просто бесполезен. И автор потерялся, канал мёртвый на ютубе и новых видео нет, что может косвенно подтверждает моё предположение.😇
Я замазкой закрасил надписи. Черный родной. Расстояние примерно 5 мм , но можно и подобрать. Датчик так и должен называться для черной полосы. В том же исполнении есть датчик расстояния это не то.
Кривой проп может просто компенсировать кривой мотор, но если перевернуть может и усилить.
Отбалансировать можно любой вмг. Но если перестараться со стендом, то можно все испортить. Я предпочитаю делать ближе к реалиям.
Я замазкой закрасил надписи. Черный родной.
Отбалансировать можно любой вмг. Но если перестараться со стендом, то можно все испортить. Я предпочитаю делать ближе к реалиям.
А видео ни разу не делали случайно? Я не совсем понимаю чего ждать, т.к. ну нет у меня такого резонанса как на видео автора (Есенин который), не понимаю, для чего после первого разгона сдвигать фазу, а потом снова что-то куда-то смещать… Такое ощущение, что “сдвинув” эту фазу, наоборот лучше, чем потом грузики лепить.
А датчик я сейчас поставил (вторым пока) именно “щелевой” вроде, т.к. походу не тот купил (у меня как у автора этого дневника) с 5мм в диаметре свето и фотодиодом. При горящей лампочке в комнатеу меня показания пляшут ужасно, хотя я корпус напечатал и фотодиоды вроде спрятаны… сделаю рукой тень- в другую сторону всё. Устал крутить резистор. Докрутился, что с ним даже мигающий светодиод на модуле не даёт импульсов в программу.😵
Вроде и на 2600 пик в нижнем графике единичный… отбалансировал по этим оборотам, даю оборотов 3-4тыс - расколбас ппц начинается, аж в глазах двоятся светодиоды на модулях от тряски.
А видео ни разу не делали случайно?
Нет. Не было смысла повторять тоже самое.
Я не совсем понимаю чего ждать, т.к. ну нет у меня такого резонанса как на видео автора (Есенин который)
Идея Никиты усилить резонанс подбором пружины, чтоб стал яркий.
У него на видео только не совсем четко фильтрация сигнала. Т.е. можно менять, но оказалось у меня по умолчанию лучше всего фильтровалось. И как раз фильтрацией можно добиваться чтобы точки собирались в кучку.
А датчик я сейчас поставил (вторым пока) именно “щелевой” вроде, т.к. походу не тот купил (у меня как у автора этого дневника) с 5мм в диаметре свето и фотодиодом. При горящей лампочке в комнатеу меня показания пляшут ужасно, хотя я корпус напечатал и фотодиоды вроде спрятаны… сделаю рукой тень- в другую сторону всё.
И конечно датчик оборотов должен быть стабильный, недаром Никита перешел на лазерный.
не понимаю, для чего после первого разгона сдвигать фазу, а потом снова что-то куда-то смещать…
По замыслу для удобства вычисления куда крепить грузик. На 2-х лопастях мало удобно.Т.е. если попадет на 90 градусов, то придется лепить на мотор. Куда проще на многолопастном, можно прилепить на 2 соседние лопасти.
Для понимания и получения навыка все же проще тренироваться на чем-то явно кривом. А только потом переходить на тонкую настройку.
И. Я себе датчик закрепил по другому, в результате сменилась ось. Менял в хексе для ардуино. Не сразу понял как надо делать, но все получилось, заработало.
Идея Никиты усилить резонанс подбором пружины, чтоб стал яркий…И как раз фильтрацией можно добиваться чтобы точки собирались в кучку.
Я сразу не обратил внимания… у меня “штанга” длиннее его в два раза минимум. Вероятно в этом причина ещё, может слишком мягко получается (хотя у него вес мотора раза в два больше моего) не знаю, толи отрезать толи дальше биться.
А фильтровать как? У меня на верхнем точки вообще рассыпаются во все стороны как пыль.
Ось менял гироскопа, но в итоге вроде как у Никиты и поставил, т.к. на видео не совсем понятно (маркировка на них может отличаться же) но вроде именно так, “У” вдоль оси мотора, “Х” перпендикулярно оси но по ходу штанги.
Я сразу не обратил внимания… у меня “штанга” длиннее его в два раза минимум. Вероятно в этом причина ещё, может слишком мягко получается (хотя у него вес мотора раза в два больше моего) не знаю, толи отрезать толи дальше биться.
Я бы сказал слишком тяжелый стенд для такого легкого мотора. У меня тоньше намного. Причем использую просто стенд для измерения эффективности без переделки, только датчики навесил.
Ось Х должна быть направлена также как ось мотора. Но это теоретически, а на практике подозреваю, что можно вытянуть с любой оси, но может быть с разной эффективностью.
Направление оси можно менять физически или в хексе для ардуино (там остальные оси закомментированы и можно менять).
2 верхних графика это сырые данные их не смотрим.
Центральный график. По нему можно добиваться красивого синуса с помощью фильтрации.
Балансируем только по нижнему кругу.
Я бы сказал слишком тяжелый стенд для такого легкого мотора. У меня тоньше намного.
Перестарался короче… Я еще под полосу квадрат закрепил, у меня полоса сильно начинала сама по себе резонировать при повышении оборотов, вот я и “усилил”, ведь у всех квадрат штанга)
Ось Х должна быть направлена также как ось мотора.
Блин, я запутался, уже по всякому пробовал, ведь у Никиты написано “ось х смотрит в центр мотора” вот я и подумал, что на фото у него датчик как у меня судя по контактам, и прошивка с осью Х раскоментирована.😵
Чисто логически, ось Х вертикально у меня, так же как и по идее должны быть колебания мотора, а если У активировать, то … как-то не так вроде (или я не разбираюсь в действии гироскопа с его осями 😃 )
2 верхних графика это сырые данные их не смотрим.
Центральный график. По нему можно добиваться красивого синуса с помощью фильтрации.
А как отфильтровать, чтобы красивые волны были? У меня там как при землетрясении или ЭКГ 😒
Балансируем только по нижнему кругу.
Эт понятно, но надо же точечки ещё в кучу собрать 😇
Блин, я запутался, уже по всякому пробовал, ведь у Никиты написано “ось х смотрит в центр мотора” вот я и подумал, что на фото у него датчик как у меня судя по контактам, и прошивка с осью Х раскоментирована.
Никита задумал смещение оси в плоскости, а не по самой оси.
А как отфильтровать, чтобы красивые волны были? У меня там как при землетрясении или ЭКГ 
Ну для начала сделать явный резонанс от винта на самом стенде убрав самого стенда. Потом найти на экране кнопочки фильтров и пробовать их влияние.
Никита задумал смещение оси в плоскости, а не по самой оси.
Ну для начала сделать явный резонанс от винта на самом стенде убрав самого стенда. Потом найти на экране кнопочки фильтров и пробовать их влияние.
спасибо. А можно уточнить, что значит в плоскости? Вроде и по русски, а не понятно…
Если штанга тюлюпается вверх/вниз, то куда должна смотреть какая ось, нарисованная на чипе гироскопа, если в прошивке Никиты активна ось Х (ось У чота не получилось активировать, т.к. видать что-то не всё раскоментил в скетче) ?
По фильтрам уже понятно. Методом тыка нашел, что это “бегунки” слева. Почитать об этом просто негде… у нас как всегда… всё делается наполовину ))
Перемещения могут быть по самой оси , но это не здесь. А как бы в плоскости Z-Y. Отсюда круговая диаграмма (плоскость). Только Никита это сделал преобразованием 1 оси. Т.е. взял с нее данные, присоединил вращение, получил синус, а потом разложил на плоскость.
Хотя если так читать, то наоборот 1 ось то и нужна. Только аксель тоже данные делает по своему.
Наполовину это да. Обычно когда делают самому то все понятно или получается случайно, из-за этого не делают полную инструкцию, а мы потом гадаем.
Если штанга тюлюпается вверх/вниз, то куда должна смотреть какая ось, нарисованная на чипе гироскопа, если в прошивке Никиты активна ось Х (ось У чота не получилось активировать, т.к. видать что-то не всё раскоментил в скетче) ?
Как я понял Х должна быть направлена также как ось мотора. Наверное проще нарисовать (вечером ).
В хексе только одна ось должна быть открыта, остальные обязательно закрыты, иначе прога на поймет , что передавать.
Как я понял Х должна быть направлена также как ось мотора. Наверное проще нарисовать (вечером ).
В хексе только одна ось должна быть открыта, остальные обязательно закрыты, иначе прога на поймет , что передавать.
В скетче пришлось раскоментить /поменять в нескольких местах, иначе не компилировалось (я не хекс, а скетч использую).
Поменял на “У” но стало хуже, дисбаланс стал только с реально прилепленым грузиком появляться, а так всё в центре практически. В общем ось Х сужя по всему как у меня и должна бить, т.е. еслиу меня штанга ходит вверх/вниз, то стрелка оси должна иметь тоже направление. ось “У” по продольной оси мотора получается.
п.с. но подожду картинку, может чего недопонял еще. Пока красивого резонанса не добился даже наклеив принудительно груз на лопасть.
Еще буду отрезать/укорачивать штангу свою. Возможно длинная слишком. Я чувствую возникновение резонанса на штанге, но датчики показывают фигню, слишком острые графики/пики, нет никакой синосоиды красивой.
Да что ты мучаешься?😉
“Рабочая” ость - ось Х !
“Штанга” твоя расположена горизонтально, значит ось Х должна располагаться вертикально.
Что исключить всякие “помехи” нужно чтобы либо сам стенд был тяжелым и вибрации не могли его раскачать или стенд плотно прикрепить к столу, на котором он стоит.
У меня рама такой конструкции, которую не прикрепить к столу, поэтому я пошел по другому пути: я ее ставлю на виброгасящий коврик.
Форма отфильтрованного сигнала еще ведь зависит от того фильтра, который ты применяешь. Я уж не помню какой у меня поумолчанию выбран в программе.
В скетче пришлось раскоментить /поменять в нескольких местах, иначе не компилировалось.
Правильно.
(я не хекс, а скетч использую)
описался.
Поменял на “У” но стало хуже, дисбаланс стал только с реально прилепленым грузиком появляться, а так всё в центре практически. В общем ось Х сужя по всему как у меня и должна бить, т.е. еслиу меня штанга ходит вверх/вниз, то стрелка оси должна иметь тоже направление. ось “У” по продольной оси мотора получается.
У меня именно так и работает. Сейчас еще раз глянул, я хоть и снял датчик, но прилепить его можно только в 1 положении (не перепутаешь). Возможно я не прав, т.к. у меня стенд принципиально отличается и у меня используется 2 степени свободы, то и получилось по оси У. Вторая степень свободы у меня Z, но так как не Никита, ни Игорь точной инструкции не смогли написать, то пришлось экспериментировать на ходу, а после получения результата заняться другим делом и забросить балансировку, но когда потребуется балансировать новый винт продолжу.
Еще буду отрезать/укорачивать штангу свою. Возможно длинная слишком.
Я бы сказал тяжелая, конечно изменение длины скажется и возможно попадете в резонанс. Но я бы сказал что это непродуктивный путь. Куда правильнее это сделать на самом коптере, там свои точки резонанса. Или как минимум правильнее переделать стенд на легкий вариант с максимальной имитацией коптера. Тяжелая штанга сама по себе гасит вибрации. Есть даже вариант гашения вибрации с помощью утяжеления массы опоры.
Да что ты мучаешься?😉
“Рабочая” ость - ось Х !
“Штанга” твоя расположена горизонтально, значит ось Х должна располагаться вертикально.
Не совсем точно. Нельзя привязываться к штанге, это только путает. Ось и только ось.
Хорошо исходя из всех размышлений можно составить такую инструкцию.
Исходя из того, что датчик можно закрепить по разному, смотрим:
как направлена ось мотора.
как качается стенд (луч).
куда смотрят оси.
Далее. 1 ось у нас смотрит также как ось мотора (параллельна оси). 2 других перпендикулярно оси. Из этих двух - кто совпадает со свободным перемещением балки (луча), его и берем.
Пример.
Стенд Александра.
Ось мотора совпадает с направлением балки. Балка свободно качается вертикально. Направление осей: У - параллельно оси мотора, Х - вертикально, Z - горизонтально.
Значит берем ось Х.
Луч коптера.
Ось мотора перпендикулярно оси луча.
Ось У (к примеру) параллельно оси мотора. Ось Х по направлению луча. Z - перпендикулярна оси мотора и перпендикулярна лучу.
Значит выбираем ось Z. Но и по оси У тоже можно, хотя не так явно как по Z.
Логика инструкции.
Дисбаланс вращается вокруг оси мотора в плоскости перпендикулярной оси. Т.е. можно было бы использовать 2 оси сразу, но из-за того что свободно может перемещаться только одна ось, то ее и используем.
На луче коптера появляется еще 1 степень свободы - по оси коптера. Т.к. дисбаланс заставляет перемещаться и ось мотора тоже, то можно использовать и это (что у меня на стенде и получилось и что я ошибочно принял за истину).
P.S. Если текст инструкции устраивает, то лучше ее скопировать в основной текст (желательно с указанием на автора), чтоб ее потом не искать по комментариям. Уж очень она помогла бы понимать как крепить датчик. Ну, а я со своей стороны обязуюсь опробовать ось Z при оказии (у меня вариант луча коптера).
Я бы сказал тяжелая, конечно изменение длины скажется и возможно попадете в резонанс. Но я бы сказал что это непродуктивный путь. Куда правильнее это сделать на самом коптере
Спасибо. Но легче её сделать можно только укоротив. Что там облегчать-то? )) Полоску убрать, а квадрат оставить. Да датчик лишний снять. На коптере у меня такие же лучи, но разве что крепление на двух сторонах текстолитом, а на стенде одна сторона (ведь я пытался сделать как у всех, пружинное крепление), ну и мотор вертикально на коптере. Вряд ли получится найти резонанс прямо на коптере, т.к. крепить датчики не повреждая луч (не сверля ничего лишнего), да и вообще не удобная затея мне кажется.😃
Пока забил на стенд. С наскока не вышло - пыл охладил, теперь по настроению буду иногда пытаться дальше настраивать/пытаться 😒 Понял, что идея “не для всех”, абы как не заработает.😁
Это усталость сказалась:). Неудачная попытка выбивает из колеи.
Я в таких случаях возвращаюсь через некоторое время.
Сверлить луч ни в коем случае не надо.
Надо крепить датчик на тонкий 2-х сторонний скотч.
Как облегчить, это Вам виднее.
Насчет осей понятно или инструкцию надо еще дополнять картинками?
Насчет осей понятно или инструкцию надо еще дополнять картинками?
Для понимания (перепроверить себя) не отказался бы, да и другим (если кто решится) будет полезно 😒
Господа, а я правильно понимаю, что изначально стенд с двигателем должен резонировать где-то на 10-20 Гц?
Собрал сперва стенд по оригинальной схеме Есенина (горизонтальный на подшипниках и с пружиной). Но промахнулся с пружиной - при висящем двигателе резонанс на слишком низкой частоте. Сейчас буду искать другую пружину, но вообще думаю о такой переделке, чтобы сразу готовый луч ставить в стенд и балансировать. Но что-то мозги пока ничего не выдают 😃
я правильно понимаю, что изначально стенд с двигателем должен резонировать где-то на 10-20 Гц?
Резонанс - дело индивидуальное.
но вообще думаю о такой переделке, чтобы сразу готовый луч ставить в стенд и балансировать. Но что-то мозги пока ничего не выдают
Так в чем проблема. Закрепить луч (а то и сам коптер), к нему закрепить вибродатчик и датчик оборотов.
Что-то я ничего не понял 😦
Вроде что-то собрал. Пускаю, получаю некий резонанс.
В приложении вижу что-то вроде синусоиды. Но вот на полярных диаграммах не вижу ничего.
ЧЯДНТ? dropbox.com/…/Скриншот 2017-08-25 20.00.33.png?dl=…
Что-то я ничего не понял 😦
А у вас с датчиком/гироскопом всё хорошо? Какие-то параметры запредельные… У меня 64-65 (что рядом с показаниями на видео автора) Хотя я не спец, просто предположение.
Что-то я ничего не понял 😦
Вроде что-то собрал. Пускаю, получаю некий резонанс.
В приложении вижу что-то вроде синусоиды. Но вот на полярных диаграммах не вижу ничего.
ЧЯДНТ? dropbox.com/…/Скриншот 2017-08-25 20.00.33.png?dl=…
Это может быть по двум причинам:
Не установлена библиотека, которая выводит показания на полярных диаграммах.
Усиление на этих диаграммах очень большое и точки выходят за пределы диаграмм. Попробуй горизонтальные ползунки под этими диаграммами подвинуть влево до нуля.
Кроме того, желательно чтобы на верхнем нефильтрованном графике при неработающем моторе сигнал был в районе нуля, для чего подбирай значение сдвига акселерометра в окне под этим графиком. В моем видео с 2:10 минуты видно, что у меня как раз сигнал в районе нуля .
Кроме того, желательно чтобы на верхнем нефильтрованном графике при неработающем моторе сигнал был в районе нуля, для чего подбирай значение сдвига акселерометра в окне под этим графиком
Вот, это главное, спасибо. Настроился, вроде работает.
Настроил одну пару, впечатляет - реально намного тише и без вибраций после балансировки работает. Причём пропеллер балансировал на магнитном балансире до этого.
Надо еще поприспособиться, но уже всё нравится 😃
Пока модеры не видят еще раз скажем СПАСИБО Никите, ну и моему коллеге-земляку, который повторил и даже немного доработал его схему.
Что за модуль visa под LabVIEW? Не могу найти, может быть название не полное? У кого есть поделитесь, пожалуйста, или ссылку дайте (лучше в личку).
Пока модеры не видят еще раз скажем СПАСИБО Никите, ну и моему коллеге-земляку, который повторил и даже немного доработал его схему.
Если они ещё тут будут благодарности вырезать, то это будет ппц.
А вообще присоединяюсь!
Хотя я так и не дал ума стенду. Переставляю с места на место… разбирать жалко и использовать не получается 😃
Что за модуль visa под LabVIEW? Не могу найти, может быть название не полное? У кого есть поделитесь, пожалуйста, или ссылку дайте (лучше в личку).
Попробуйте в гугле набрать visa540_runtime, первая же ссылка приведёт Вас на страницу загрузки.
Народ, ну дайте кто-нить этот гадкий файл Ni_Robotics_2d rangefinder.xctl
Удалил 64битную, поставил 32-х, установил отдельно тулс роботикс и… как не находило этот файл так и не находит. Уже несколько разных тулсов поставил и нет… неужели надо все из списка на комп ставить ради этого злополучного файлика???
Народ, ну дайте кто-нить этот гадкий файл Ni_Robotics_2d rangefinder.xctl
Удалил 64битную, поставил 32-х, установил отдельно тулс роботикс и… как не находило этот файл так и не находит. Уже несколько разных тулсов поставил и нет… неужели надо все из списка на комп ставить ради этого злополучного файлика???
Я ставил 32х битный LabView 2013 13.0 и 2013Robotics тоже 32х. Всё собиралось без проблем. Я думаю один файл Вам не поможет, там где один там и другой понадобится. Надо всю библиотеку ставить. Обязательно того же года и битности.
Я ставил 32х битный LabView 2013 13.0 и 2013Robotics тоже 32х. Всё собиралось без проблем. Я думаю один файл Вам не поможет, там где один там и другой понадобится. Надо всю библиотеку ставить. Обязательно того же года и битности.
Я так и сделал, думал написал понятно. Библиотека поставлена тоже.
Тем не менее, продублирую просьбу - если у кого есть этот файл, просьба поделиться 😃
Отменяется тревога.
Однако все файлы на месте, только почему-то программа их сама не находит… Все пути приходится вручную указывать. Жесть (
Я так и сделал, думал написал понятно. Все пути приходится вручную указывать. Жесть (
Значит не так что то сделал. Раз каталоги не совпадают, и приходится вручную пути прописывать.
А у кого до каких значений амплитуды удалось отбалансировать небольшие моторы (типа 2212) ?
риветствую! Собрал стенд по образу и подобию. Однако не могу интерпретировать результаты. “расчетные значения” не смещаются как у Вас и у Никиты в какой то квадрант, при хорошем резонансе, а как бы размазываются по кругу, при этом как бы вращаются постепенно. при искусственном дисбалансе вмг, точки просто уплывают от центра при этом, все равно равномерно распределяясь по окружности и вращаясь. Что же может быть, может ось гиры не та задействована?
Что же может быть, может ось гиры не та задействована?
Скорее всего мотор не такой большой, а на мелких того, что на видео у других не достичь.
Я на своих только точки в кучу собираю более/менее. И это максимум.
Матвей, я написал ответ на Ютубе, там где Вы его задали 😉
Игорь, спасибо вам за содействие 😃. Александр, моторы у меня более менее большие 4110 и в резонанс он хорошо входит, вот только точки на полярном граф не кучкуются 😦. Пересобрал в альтернативном исполнении - на горизонтальной штанге - такая же проблема.
-точки не кучкуются
-часто вижу такую, два пика на оборот, амномалия какая-то.
-в резонанс мотор ввожу, но при рандомном приклеивании ленты, амплитуда не изменяется.
Вообщем, что то я похоже устал 😃 надо перерыв что ли сделать.
Тоже такие мысли часто появлялись… Когда очевидное для других не мог увидеть (впрочем на моих моторах я так и не увидел резонанса нормального).
Сделал на луч крепление и просто доводил точки справа до минимальной кучки. Вроде лучше стало в полёте )
как бы размазываются по кругу?
Это значит программа ничего не находит. Попробуйте заменить пружину на более мощную “жёсткую”. И ближе к месту крепления оси.
Сам в своё время помучился. Более менее заработало вот с такой пружиной.
риветствую! Собрал стенд по образу и подобию.
Была подобная ситуация, когда гира была закреплена жестко к лучу, попробовал через вспенненный двусторонний скотч и точки начали собираться в кучу. Балансировал моторы 2212 с винтами 10-11".
Матвей, я написал ответ на Ютубе, там где Вы его задали 😉
Игорь, а у Вас точно выложена крайняя версия скетча для арду? Там столько модификаций, сижу - разбираюсь. интересно блин (так как раньше не занимался ардуино 😒). Например разобрался, почему не правильно давал данные аксель если его монтировать точно как у Вас (контактами вверх, контакты слева от стенда). в скетче переменная char DATAX0 = 0x36; принимает значения регистра, который как раз за ось Z отвечает. доберусь вечером до стенда попробую еще Никитину прошивку, т.к. не хватает мозгов все остальное понять. Например не влияет ли вход потенциометра, которого у меня нет на выход ШИМ, который на регулятор идет.
Ой, да я уже не помню. ((((
Давно это было.
Кажыся выкладывал так шоб все было совместимо.
Игорь, а у Вас точно выложена крайняя версия скетча для арду?
Версия тут ни причём. Добивайтесь резонанса. Подбирайте пружину, место установки. Я даже на полотнах от ножовки пробовал. Не пошло. Вот только с той пружиной которая на фото стало нормально.
Игорь, а у Вас точно выложена крайняя версия скетча для арду? Там столько модификаций, сижу - разбираюсь. интересно блин (так как раньше не занимался ардуино 😒). Например разобрался, почему не правильно давал данные аксель если его монтировать точно как у Вас (контактами вверх, контакты слева от стенда). в скетче переменная char DATAX0 = 0x36; принимает значения регистра, который как раз за ось Z отвечает. доберусь вечером до стенда попробую еще Никитину прошивку, т.к. не хватает мозгов все остальное понять. Например не влияет ли вход потенциометра, которого у меня нет на выход ШИМ, который на регулятор идет.
Я себе в скетче перекоментировал оси. И сразу все заработало. Но у меня и крепление другое.
Добивайтесь резонанса. Подбирайте пружину, место установки.
Да я учел, что вы посоветовали. просто у меня изначально стенд как у Игоря. Там пружина не предполагается. А резонанс находить получается нормально, проблема только в точках, что они не группируются. Это я сейчас “дополнительный” стенд собрал на горизонтальном луче и понял, что один хрен 😃 не работает. 😃
И сразу все заработало
А скетч Игоря или Никиты. И что интересно у вас управление через windows или через ваш мега-цифровой сервотестер?
А скетч Игоря или Никиты. И что интересно у вас управление через windows или через ваш мега-цифровой сервотестер?
Если про меня, то Никиты. И у меня управление для вибростенда независимо от сервотестера, кнопочками. Управление с компа только для построения графиков для рега.
проблема только в точках, что они не группируются
Я Вам о том и толкую. Программа не может высчитать(не находит). У меня было то же самое. Я даже с Никитой связывался он посоветовал карбоновую трубку. Говорит что на ней вообще хорошо получается резонанс поймать. Но я вот нашёл пружину посолидней. И всё заработало. Основание стэнда струбцинами к столу креплю когда настраиваю. Всё должно быть жёстко.
Я Вам о том и толкую. Но я вот нашёл пружину посолидней. И всё заработало.
да блин - а где пружину то вытащить? в матрасе нету 😃
Я Вам о том и толкую.
Можете фотку выложить?
Я Вам о том и толкую. Программа не может высчитать(не находит). У меня было то же самое. Я даже с Никитой связывался он посоветовал карбоновую трубку. Говорит что на ней вообще хорошо получается резонанс поймать. Но я вот нашёл пружину посолидней. И всё заработало. Основание стэнда струбцинами к столу креплю когда настраиваю. Всё должно быть жёстко.
У меня несколько другой стенд, вертикальный. И поэтому нет никакой пружины вообще. Главное, чтобы был резонанс, а как он получен, это уже не особо важно.
Можете фотку выложить?
Фото чего ? Пружину можно попробовать в автомагазине посмотреть.
Главное, чтобы был резонанс, а как он получен, это уже не особо важно.
Это я и пытаюсь сказать. Пружина, это мой частный случай. Я же писал что и на ножовочных полотнах пытался резонанс поймать.Люди и на металлических линейках делают. Никита вон вообще на трубке карбоновой.
Главное, чтобы был резонанс, а как он получен, это уже не особо важно.
Извините, запамятовал нюанс. В идеале желательно чтобы стенд повторял работу луча. Тогда можно будет устранить именно то резонанс, что на коптере.
Потому Никита и перешел на карбоновую трубку.
спасибо всем конечно, я вас наверно уже забибикал всем этим. Но на временном стенде я как раз очень хорошо выхожу на резонанс: pp.userapi.com/c831108/…/FuZF1ayhlXo.jpg
и конструкция как раз приближена к лучу: pp.userapi.com/c847017/…/P__5rP5cCP0.jpg
а вот точки не кучкуются. Туда сюда все кручу, меняю длинну плеча, оси.
При искуственном дисбалансе на первой гармонике т.с. точки кучкуются, но тот же Никита утверждает, что у него и на каплю клея стенд реагирует, да и по ролику его видно, что точки не рассыпаются. так или иначе перезаказал несколько иные компоненты в.т.ч. лазерный тахометр.
спасибо всем конечно, я вас наверно уже забибикал всем этим. Но на временном стенде я как раз очень хорошо выхожу на резонанс
Попробуйте переключатель выбор т. переключить на обороты.
Попробуйте переключатель выбор т. переключить на обороты.
А еще можно методом тыка и другие настройки поменять.
А еще можно методом тыка и другие настройки поменять.
Это к чему ?
Это к чему ?
Это к тому, что Никита заложил много возможностей в проге, а инструкции по пользованию нет. Когда давно делал, то какие-то зависимости нашел, но не сделал записи. И если теперь понадобится, то придется мучительно больно вспоминать.
Если память не изменяет, то раз точки по кругу есть,то уже работает. А раз по кругу, то ось не та. Вы пробовали менять ось? Уже писали же об этом. В скетче это делается не долго.
спасибо всем конечно, я вас наверно уже забибикал всем этим. Но на временном стенде я как раз очень хорошо выхожу на резонанс: pp.userapi.com/c831108/…/FuZF1ayhlXo.jpg
По скрину точки должны в кучу собраться, ещё и на самом малом усилении.Странно. Попробуйте всё таки выставить сдвиг акселерометра что бы из 0 график был. Переключитесь на обороты, а не на амплитуду. ( Ну это я так настаиваю) У Вас вообщё они в кучку собираются ? Если собираются пробуйте балансировать несмотря на графики. Может у Вас мотор совсем убитый, раз его во все стороны мотает. Попробуйте на другом моторе.
А раз по кругу, то ось не та.
Я тут сейчас уже третий раз писать буду. Со слов автора. Когда по кругу это значит не находит ничего.
Со слов автора.
А самому попробовать, это же не так сложно.
Всем привет, конечно я все пробовал. Метод тыка, точки не собираются (фильтры ползунки). Оси менять пробовал и в прошивке и саму ориентацию акселя (все это вносит свое значение, но точки не собираются.). Моторы у меня sunnysky 4110S 400kv более менее хорошие (считаются). Пропеллеры 15х55 CF (отбалансированы).
Единственный вариант получить тучность точек это намотать 2-3 оборота изоленты на самый край лопасти (точки группируются на 800-1000 об). Но что бы устранить такой дисбаланс, стенд как понимаете не нужен… 😃)
вообщем я пока ушел в тину, пока не дождусь замены всей электроники.
Игорь, а монтажные проводочки у Вас не монтажный кабель МГТФ, случайно?
{"assets_hash":"a8b26fa7f6e768b07a72c8c9aadb9422","page_data":{"users":{"4d543b623df95500777563e6":{"_id":"4d543b623df95500777563e6","hid":80655,"name":"dvd-media","nick":"dvd-media","avatar_id":null,"css":""},"5155f8c23df955007773827f":{"_id":"5155f8c23df955007773827f","hid":145578,"name":"arb","nick":"arb","avatar_id":null,"css":""},"51a408323df95500777363da":{"_id":"51a408323df95500777363da","hid":155947,"name":"Юрий#","nick":"Юрий#","avatar_id":null,"css":""},"525a2b893df95500777313d5":{"_id":"525a2b893df95500777313d5","hid":178463,"name":"pinco","nick":"pinco","avatar_id":null,"css":""},"546f9d673df9550077723769":{"_id":"546f9d673df9550077723769","hid":211628,"name":"nighthood","nick":"nighthood","avatar_id":null,"css":""},"548cbe5a3df9550077722bcd":{"_id":"548cbe5a3df9550077722bcd","hid":212873,"name":"Воронов","nick":"Воронов","avatar_id":null,"css":""},"54aba2c73df955007772209f":{"_id":"54aba2c73df955007772209f","hid":215693,"name":"Roman89","nick":"Roman89","avatar_id":null,"css":""},"55f320473df9550077719861":{"_id":"55f320473df9550077719861","hid":234038,"name":"Геннадий_60","nick":"Геннадий_60","avatar_id":null,"css":""},"562a4ff03df95500777182e9":{"_id":"562a4ff03df95500777182e9","hid":238049,"name":"fpv54","nick":"fpv54","avatar_id":null,"css":""},"5715f86b3df9550077711daa":{"_id":"5715f86b3df9550077711daa","hid":249571,"name":"An_private","nick":"An_private","avatar_id":null,"css":""},"57ee07923df955007770d1a4":{"_id":"57ee07923df955007770d1a4","hid":258104,"name":"Sergej777","nick":"Sergej777","avatar_id":null,"css":""},"591c392b3df9550077706a1d":{"_id":"591c392b3df9550077706a1d","hid":284574,"name":"Makusim","nick":"Makusim","avatar_id":null,"css":""}},"settings":{"blogs_can_create":false,"blogs_mod_can_delete":false,"blogs_mod_can_hard_delete":false,"blogs_mod_can_add_infractions":false,"can_report_abuse":false,"can_vote":false,"can_see_ip":false,"blogs_edit_comments_max_time":30,"blogs_show_ignored":false,"blogs_reply_old_comment_threshold":30,"votes_add_max_time":168},"entry":{"_id":"57f9638599707300771158cf","hid":22204,"title":"Стенд для балансировки ВМГ","html":"<p>Вот вариант моего стенда, который сделан на основе <a href=\"https://rcopen.com/blogs/109830/19122\" class=\"link link-int\" data-nd-link-orig=\"https://rcopen.com/blogs/109830/19122\">проекта</a> <a href=\"https://rcopen.com/member109830\" class=\"link link-int\" data-nd-link-orig=\"https://rcopen.com/member109830\">Никиты Есениена</a>. Его технология балансировки -<a class=\"ez-domain-youtube_com ez-inline\" target=\"_blank\" href=\"https://www.youtube.com/watch?v=G3xm5uo7Vrc\" rel=\"nofollow\" data-nd-link-orig=\"https://www.youtube.com/watch?v=G3xm5uo7Vrc\" data-nd-link-type=\"linkify\">Балансировка ВМГ- автор Никита Есенин</a></p>\n<p>Отличия:</p>\n<ul>\n<li>Качающаяся рама расположена вертикально и подпружинена кольцом из резинового жгута. (Подшипники брал на <a href=\"https://rcopen.com/r?to=http%3A%2F%2Fwww.banggood.com%2F8mm-to-35mm-KP-Series-Bore-Diameter-Mounted-Ball-Bearings-Zinc-Alloy-Pillow-Block-Housing-p-1076413.html\" class=\"link link-ext\" data-nd-link-orig=\"http://www.banggood.com/8mm-to-35mm-KP-Series-Bore-Diameter-Mounted-Ball-Bearings-Zinc-Alloy-Pillow-Block-Housing-p-1076413.html?rmmds=search\" target=\"_blank\" rel=\"nofollow noopener\">Babggood</a>. В одном из пары был осевой люфт. Устранил за счет осевого сжатия подшипниковой пары при монтаже. Зато подшипники самоустанавливающиеся.)</li>\n<li>Добавлена регулировка частоты вращения мотора из программы.</li>\n</ul>\n<p>Небольшое видео стенда:</p>\n<!--cut-->\n<div class=\"ez-player ez-domain-youtube_com ez-block\" data-placeholder=\"<iframe class="ez-player-frame" src="https://www.youtube.com/embed/_-rpd89DBwo?feature=oembed&amp;autoplay=1" allowfullscreen></iframe>\" data-nd-link-orig=\"https://youtu.be/_-rpd89DBwo\" data-nd-link-type=\"linkify\">\n <div class=\"ez-player-container\" style=\"padding-bottom: 56.5%;\">\n <a class=\"ez-player-placeholder\" target=\"_blank\" href=\"https://youtu.be/_-rpd89DBwo\" rel=\"nofollow\">\n <div class=\"ez-player-picture\" style=\"background-image: url('https://i.ytimg.com/vi/_-rpd89DBwo/hqdefault.jpg');\"></div>\n \n <div class=\"ez-player-header\">\n <div class=\"ez-player-title\">\n Стенд для балансировки ВМГ\n </div>\n </div>\n \n <div class=\"ez-player-button\"></div>\n <div class=\"ez-player-logo\"></div>\n \n </a>\n </div>\n</div>\n<p><a href=\"https://drive.google.com/file/d/0B_Hyjsc5mR4YN1l0N0x0UU15b00/view?usp=sharing\" class=\"link link-ext\" data-nd-link-orig=\"https://drive.google.com/file/d/0B_Hyjsc5mR4YN1l0N0x0UU15b00/view?usp=sharing\" target=\"_blank\" rel=\"nofollow noopener\">Софт:</a></p>\n<ul>\n<li>Прошивка (скетч) для АрдуиноНано. Для прошивки в архиве есть версия софта 1.6.3., т.к. на других версиях может не получится. После компиляции выдает ошибку о том, что маловато памяти. Это не проблема. И так работает, но если кому критично <span class=\"emoji emoji-wink\" data-nd-emoji-src=\":wink:\">😉</span>, можно уменьшить MAX_SAMPLES до 400 и тогда ошибка не будет выскакивать.</li>\n<li>Исходник и ЕХЕ-шник программы для балансировки. В среде LabVIEW 2013 можно поправить интерфейс под разрешение вашего монитора. EXE-шник сам по себе не будет работать. Ему нужны не помню какие рун-тайм модули из среды Labview 2013 v.13.0 (я ставил 32-bit версию). Поэтому лучше заинсталить всю среду и к ней нужны модули NI VISA и LabVIEW Robotics 2013. Думаю все знают где ее можно найти <span class=\"emoji emoji-wink\" data-nd-emoji-src=\":wink:\">😉</span>. После запуска проги конечно нужно выбрать COM-порт, на котором у вас сидит Ардуинка. Для этого нажать кнопку STOP. Выдаст ошибку. Продолжаем. В окошке выбираем COM-порт, на котором у вас висит Ардуинка и жмакаем кнопку со стрелкой. Ну а остальное есть в моем вышеприведенном видео и в <a href=\"https://rcopen.com/blogs/109830/19122\" class=\"link link-int\" data-nd-link-orig=\"https://rcopen.com/blogs/109830/19122\">статье</a> из дневника Никиты Есенина.</li>\n</ul>\n<p>Сделал такую табличку для того чтобы было легче собрать всю электронную часть стенда:</p>\n<p><a class=\"attach attach-img attach__m-sm\" href=\"https://rcopen.com/member178463/media/57f96245997073007776a5e6\" target=\"_blank\" data-nd-media-id=\"57f96245997073007776a5e6\" data-nd-image-orig=\"https://rcopen.com/member178463/media/57f96245997073007776a5e6\" data-nd-image-size=\"sm\"><img class=\"attach__image\" src=\"https://rcopen.com/files/57f96245997073007776a5e6_sm\" alt width=\"170\" height=\"150\"></a></p>\n<p>Пока еще не приступал к реальной эксплуатации стенда на пропах 1555, так как нужно было сделать какое-то ограждение стенда на случай чего. Сделал его из стальной мелкой сетки, которая в рулонах продается в хозунивермаге. Теперь не страшно в квартире запускать эту мясорубку.</p>\n<p><a class=\"attach attach-img attach__m-sm\" href=\"https://rcopen.com/member178463/media/58381596997073007776abb7\" target=\"_blank\" data-nd-media-id=\"58381596997073007776abb7\" data-nd-image-orig=\"https://rcopen.com/member178463/media/58381596997073007776abb7\" data-nd-image-size=\"sm\"><img class=\"attach__image\" src=\"https://rcopen.com/files/58381596997073007776abb7_sm\" alt width=\"170\" height=\"150\"></a></p>\n<p>Ну и для цели повышения безопасности еще сделал подключение стенда к компьютеру по WiFi, что позволило размещать балансировщик подальше от компьютера.</p>\n<p>По просьбе коллег по хобби описываю б/м подробно то как это делал:<br>\nИспользовал модуль ESP8266 типа <a href=\"https://rcopen.com/r?to=http%3A%2F%2Fwww.banggood.com%2FMini-NodeMCU-ESP8266-WIFI-Development-Board-Based-On-ESP-12F-p-1054209.html\" class=\"link link-ext\" data-nd-link-orig=\"http://www.banggood.com/Mini-NodeMCU-ESP8266-WIFI-Development-Board-Based-On-ESP-12F-p-1054209.html?rmmds=myorder\" target=\"_blank\" rel=\"nofollow noopener\">такого</a> (на Али они дешевле). В таком исполнении модуль удобнее использовать, т.к. на плату не обязательно подавать требуемое модулю питание 3,3V, а можно как и ардуинку питать от БЭКа - 7-12V (использовал один БЭК на двоих, который запитал от силовой батареи баллансируемой ВМГ). Кроме того, можно без конвертера подключать Rx и Тх ардуинки, у которых 5V, к Rx и Тх модуля, которые рассчитаны на 3,3V.<br>\nНе забываем Rx модуля подсоединять к Тх ардуинки и наоборот.</p>\n<p>Модуль ESP8266 нужно прошить соответствующей прошивкой. Прошивка и программа-прошивальщик <a href=\"https://drive.google.com/file/d/0B_Hyjsc5mR4YaDBfYk1oTjhhczQ/view?usp=sharing\" class=\"link link-ext\" data-nd-link-orig=\"https://drive.google.com/file/d/0B_Hyjsc5mR4YaDBfYk1oTjhhczQ/view?usp=sharing\" target=\"_blank\" rel=\"nofollow noopener\">тут</a>. Прошивка модуля делается через USB прошивальщиком ESP8266Flasher. По приложенной инструкции указываем адреса для загрузки четырех файлов *.bin и доп.настройки. После прошивки не забываем переподключить модуль к USB. Теперь модуль работает как точка доступа - имя ее сети: ESP… . К этой WiF-сети подключаемся через другое WiFi-устройство (планшет, ноут, смартфон). Заходим в WEB-интерфейс модуля по IP 192.168.4.1. Там в меню WiFi Soft-AP в пункте Switch to жмакаем и выбираем режим <em data-nd-pair-src=\"_\">AP mode</em> . Далее в меню WiFi Station сканируем доступные WiFi-сети и подключаемся к вашей WiFi-сети. В сети лучше модулю определить фиксированный IP. Этот IP в программе HW Virtual Serial Port присваиваем виртуальному СОМ порту, предварительно нажав кнопку Login. Инсталлер программы HW Virtual Serial Port <a href=\"https://drive.google.com/file/d/0B_Hyjsc5mR4YaDBfYk1oTjhhczQ/view?usp=sharing\" class=\"link link-ext\" data-nd-link-orig=\"https://drive.google.com/file/d/0B_Hyjsc5mR4YaDBfYk1oTjhhczQ/view?usp=sharing\" target=\"_blank\" rel=\"nofollow noopener\">тут</a>. После этого на вашем компьютере, на котором установлена программа для балансировки, появится СОМ-порт.</p>\n<p>Ну вот и все, теперь ардуинку не нужно по USB подключать к компу. Каждый раз после включения компьютера запускаю программу HW Virtual Serial Port (в ней нужно сначала залогиниться), в которой выбираю свободный номер СОМ-порта и указываю ему соответстующий IP - IP модуля ESP8266. Питание на aруинку и на модуль ESP8266 подаю от той же батареи, к которой подключаю регулятор. В программе для балансировки указываю номер созданного виртуального COM-порта.</p>\n<p>ATTENTION!!!<br>\nС регулировкой частоты вращения мотора при помощи потенциометра нужно быть осторожно, т.к. возможны проблемы в цепи питания ардуинки. По первах умудрился спалить на ардуинке диод шоттки (кажыся из-за того, что сильно крутанул потонциометр), а недавно когда настраивал связь стенда с компом по WiFi, то докрутился что линейный регулятор на ардуинке чуть ли не до красна нагрелся. Так что его лучше держать в крайнем левом положении. Т.к. им в процессе балансировки реально пользоваться неудобно, то советую пользоваться либо кнопками в проге либо внешим сервотестером, например, таким как сделал Рамазан.</p>\n","user":"525a2b893df95500777313d5","ts":"2016-10-08T21:22:13.000Z","st":1,"cache":{"comment_count":142,"last_comment":"5be992a69970730077129c76","last_comment_hid":142,"last_ts":"2018-11-12T14:48:06.000Z","last_user":"546f9d673df9550077723769"},"views":13692,"bookmarks":0,"votes":0},"subscription":null},"locale":"en-US","user_id":"000000000000000000000000","user_hid":0,"user_name":"","user_nick":"","user_avatar":null,"is_member":false,"settings":{"can_access_acp":false,"can_use_dialogs":false,"hide_heavy_content":false},"unread_dialogs":false,"footer":{"rules":{"to":"common.rules"},"contacts":{"to":"rco-nodeca.contacts"}},"navbar":{"tracker":{"to":"users.tracker","autoselect":false,"priority":10},"forum":{"to":"forum.index"},"blogs":{"to":"blogs.index"},"clubs":{"to":"clubs.index"},"market":{"to":"market.index.buy"}},"recaptcha":{"public_key":"6LcyTs0dAAAAADW_1wxPfl0IHuXxBG7vMSSX26Z4"},"layout":"common.layout"}