Здравствуйте.
Столкнулся с непонятным для себя.
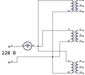
Собираю блок с драйверами. Блоки питания собраны с трансформатора и диодного мостика, причем у меня на каждый драйвер свой трансформатор, всего их три.
Для настройки, временно включаю трансы через лампу 220В.В отдельности блок питания работает без вопросов, а вот соединив входы трансформаторов параллельно столкнулся с вопросом: начинает светится лампа, как при КЗ. Светиться не на полную яркость. При этом на выходах трансов напряжение такое, как и должно быть.
В чем подвох?
подвох в том что лампочка подключенна через трансформатор тоесть трансформатор забирает ресурсы
а вообще какую она там роль должна играть?
В чем подвох?
Не создавайте лишней работы, Выкиньте лампочку (из схемы и из головы) и спокойно работайте дальше.
Ток холостого хода от одного транса лампочку не зажигает, а от трех уже зажигает, ну и что?
Как я понял, вы хотите использовать лампочку в качестве защитного балласта, чтобы не спалить контроллеры? Тогда возьмите три автомобильных лампочки ватт на 65 и подключайте последовательно питанию контроллеров по низкому напряжению. В зависимости от выходного напряжения, купите лампочки на 12В или 24В в любом автомагазине. Если электроника исправна, в механике клина нет, то с двигателями ДШИ-200 лампочки горят максимум вполнакала, а тока хватает чтобы от 12В гонять портал вхолостую. Насчет эффективности такой защиты: я допускал переполюсовку питания, лампочки зажигались полным накалом, с контроллерами ничего не случилось (самодельные по схеме от робозоны). И еще удобно по свечению лампочек смотреть, как срабатывает ограничение тока в режиме удержания. Когда убедитесь, что все нормально, лампочки выкинете.
Лампочку использую только для наладки, в дальнейшем ее естественно уберу.
Спасибо всем ответившим.
{"assets_hash":"a8b26fa7f6e768b07a72c8c9aadb9422","page_data":{"users":{"3ed20cf33df95500777963bc":{"_id":"3ed20cf33df95500777963bc","hid":1753,"name":"Sergey_S","nick":"Sergey_S","avatar_id":null,"css":""},"42b6fad33df9550077790646":{"_id":"42b6fad33df9550077790646","hid":7830,"name":"Rover","nick":"Rover","avatar_id":null,"css":""},"47d908c33df955007777ccf4":{"_id":"47d908c33df955007777ccf4","hid":32471,"name":"ukr-sasha","nick":"ukr-sasha","avatar_id":null,"css":""},"4ac66ef83df95500777696fc":{"_id":"4ac66ef83df95500777696fc","hid":54460,"name":"edi","nick":"edi","avatar_id":null,"css":""}},"settings":{"can_see_ip":false,"can_report_abuse":false,"can_see_hellbanned":false,"forum_can_view":true,"forum_can_reply":false,"forum_edit_max_time":30,"forum_can_close_topic":false,"forum_show_ignored":false,"forum_mod_can_delete_topics":false,"forum_mod_can_hard_delete_topics":false,"forum_mod_can_see_hard_deleted_topics":false,"forum_mod_can_edit_posts":false,"forum_mod_can_pin_topic":false,"forum_mod_can_edit_titles":false,"forum_mod_can_close_topic":false,"can_vote":false,"forum_mod_can_add_infractions":false,"forum_topic_title_min_length":10,"forum_reply_old_post_threshold":30,"votes_add_max_time":168,"forum_show_post_interval":7,"can_see_deleted_users":false},"section":{"_id":"61c9a54c3df9550077bb51bc","hid":110,"title":"Драйверы и контроллеры для CNC","parent":"61c9a54c3df9550077bb51b9","description":"Обсуждение приводов и контроллеров для управления станками CNC.","is_category":false,"is_votable":true,"is_writable":true,"cache":{"topic_count":662,"post_count":12810,"last_post":"65cdce803627b35af4956dfa","last_topic":"65cdce803627b35af4956df9","last_topic_hid":572337,"last_topic_title":"Драйвер ТВ -6600","last_ts":"2024-02-15T08:42:40.608Z","last_user":"47e0d3f43df955007777ca60"}},"topic":{"_id":"4ea432c53df9550077478b97","hid":252686,"title":"Как подключить трансформаторы?","views_count":2479,"last_post_counter":5,"cache":{"post_count":5,"first_post":"4ea432c53df9550077479145","first_ts":"2011-10-23T15:29:09.000Z","first_user":"47d908c33df955007777ccf4","last_post":"4ea58cc33df955007747914d","last_post_hid":5,"last_ts":"2011-10-24T16:05:23.000Z","last_user":"47d908c33df955007777ccf4"},"st":1,"section":"61c9a54c3df9550077bb51bc"},"subscription":null,"pagination":{"total":5,"per_page":25,"chunk_offset":0},"posts_list_before_post":["paginator","datediff"]},"locale":"en-US","user_id":"000000000000000000000000","user_hid":0,"user_name":"","user_nick":"","user_avatar":null,"is_member":false,"settings":{"can_access_acp":false,"can_use_dialogs":false,"hide_heavy_content":false},"unread_dialogs":false,"footer":{"rules":{"to":"common.rules"},"contacts":{"to":"rco-nodeca.contacts"}},"navbar":{"tracker":{"to":"users.tracker","autoselect":false,"priority":10},"forum":{"to":"forum.index"},"blogs":{"to":"blogs.index"},"clubs":{"to":"clubs.index"},"market":{"to":"market.index.buy"}},"recaptcha":{"public_key":"6LcyTs0dAAAAADW_1wxPfl0IHuXxBG7vMSSX26Z4"},"layout":"common.layout"}