usbcnc

Neuron
toxa:

… Ну кроме, разве что, запустить на компе где нет LPT-порта.

  1. А еще LPT горят. По опыту (около 10 лет назад) эксплуатации LPT принтеров, когда компьютерные сети еще не были настолько развиты как сегодня, приходилось переподключать принтеры с компа на комп на “горячую” (при включенном компьютере). Рано или поздно порты LPT вылетали. Приходилось ставить платы расширения ISA->LPT.
    Тоже самое и при работе с контроллерами. Как минимум период экспериментов - период повышенной вероятности спалить порты LPT. В современных компьютерах нет ISA. Плат расширения на PCI не встерчал (может плохо искал). Сгорел порт - меняй компьютер.
    USB можно подключать/отключать на горячую. Так что «преимуществ по сравнению с LPT никаких» - это вопрос.

  2. На сколько я понимаю, на небольших расстояниях (длина кабеля до 2 м) USB имеет большую помехоустойчивость, нежели LPT. Поскольку контроллеры далеко не всегда находятся в системно блоке компьютера, то тема больших расстояний от компа до контроллера актуальна.
    Есть –активные- переходники USB->LPT www.gb.ua/shop/product.asp?code=29144. Но они буферизируют данные, что в hobbycnc недопостимо. Может кто знает существуют ли активные переходники USB->LPT без буферизации?

  3. Переходники USB->LPT имеют диск драйверами, которые эммулируют LPT? Тогда, например, Mach’ом можно воспользоваться этими переходниками или он совсем уж напрямую работают с портами, кто знает? Может быть кто поделится опытом - не хочется изобретать велосипед.

toxa
Neuron:
  1. А еще LPT горят. По опыту (около 10 лет назад) эксплуатации LPT принтеров, когда компьютерные сети еще не были настолько развиты как сегодня, приходилось переподключать принтеры с компа на комп на “горячую” (при включенном компьютере).

Пользуйтесь переключателем LPT. Такой девайс с одним LPT входом 2 и более выходами и такой массивной переключалкой.

Neuron:
  1. На сколько я понимаю, на небольших расстояниях (длина кабеля до 2 м) USB имеет большую помехоустойчивость, нежели LPT. Поскольку контроллеры далеко не всегда находятся в системно блоке компьютера, то тема больших расстояний от компа до контроллера актуальна.

Нет. Правильный LPT кабель - штука более надежная.

Neuron:
  1. Переходники USB->LPT имеют диск драйверами, которые эммулируют LPT? Тогда, например, Mach’ом можно воспользоваться этими переходниками или он совсем уж напрямую работают с портами, кто знает? Может быть кто поделится опытом - не хочется изобретать велосипед.

Стараются работать напрямую через свой драйвер. Например, mach так делает. Но он же может и работать через FTDI - совместимый LPT-USB переходник, как я понимаю. На практике не сталкивался.

GOOD
Neuron:
  1. А еще LPT горят. По опыту (около 10 лет назад) эксплуатации LPT принтеров, когда компьютерные сети еще не были настолько развиты как сегодня, приходилось переподключать принтеры с компа на комп на “горячую” (при включенном компьютере). Рано или поздно порты LPT вылетали. Приходилось ставить платы расширения ISA->LPT.
    Тоже самое и при работе с контроллерами. Как минимум период экспериментов - период повышенной вероятности спалить порты LPT. В современных компьютерах нет ISA. Плат расширения на PCI не встерчал (может плохо искал). Сгорел порт - меняй компьютер.
    USB можно подключать/отключать на горячую. Так что «преимуществ по сравнению с LPT никаких» - это вопрос.

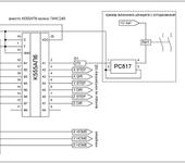
если это все связано с защитой, то может стоит сделать нормальную
плату защиты (опторазвязки) по LPT (внешнюю чтоб для любого контроллера)
схемку выкладываю, может кто платку разведет. Типа такой
|=================|
| |
плата контроллера -> | плата опторазвязки | <- кабель LPT -> LPT порт
питание платы -> | |
| |
| |
|=================|

может у кого есть готовая, ведь часто требуется для периферии.

GOOD LUCK

Andrey12

Я в своем контроллере использовал Si8440 (68 рублей за 4 канала).

Рекомендую…

Ne_RoN

Andrey12 - выложите пожалуйста полную схему

mura

Посмотри еще ADuM1400 и IL715 полный аналог и купить проще.

Andrey12

2 mura
Не знал, что в Харькове виднее, что в Москве и около нее легче найти 😃 www.silabs.ru поможет 😃 Заказывал в www.efo.ru - привезли из питера за 2 дня (доставка через cpcr.ru)
IL715 каменный век ИМХО…

mura

Не знал, что в Харькове виднее, что в Москве и около нее легче найти

А то!
Конечно виднее, в чужом соринку видно, а с своем бревна не заметил. 😃

www.autex.ru www.argussoft.ru

1 month later
Neuron
toxa:

Нет. Правильный LPT кабель - штука более надежная.

А как сделать “Правильный LPT кабель”?
Если использовать несколько UTP-5 (которыми компьютерные сети разводят), витые пары распаивать: сигал-земля - получится тогда “Правильный LPT кабель”? Длина кабеля предполагается 2метра.

mura

Длина кабеля предполагается 2метра.

Купи просто удленнитель 25m-25f, бывают 1.7, 2 и 3м

Neuron
mura:

Купи просто удленнитель 25m-25f, бывают 1.7, 2 и 3м

А эти удлинители случаем не заточены только для принтеров? Ведь в таком случае у них может быть не все пины соединены между собой. А в CNC борьба идет за каждый пин. У Вас нет информации - все ли пины соединены между собой в этих соединителях (или бегать по магазинам с тестером)?

STEPMOTOR
Neuron:

Ведь в таком случае у них может быть не все пины соединены между собой

В таких удлинителях один минус это то что у них отсутствует экран !

Andrey12

Цитата(Neuron @ Apr 23 2007, 19:26)

Ведь в таком случае у них может быть не все пины соединены между собой

В таких удлинителях один минус это то что у них отсутствует экран !

Есть там экран. Алюминевая фольга.
Сколько проводов должно быть указано
www.brownbear.ru/catalog/view734.html
www.brownbear.ru/catalog/view733.html
www.burmednn.nnov.ru

Neuron
Andrey12:

Есть там экран. Алюминевая фольга.
Сколько проводов должно быть указано

Да, сколько проводов должно быть - указано. Кроме того, указано распиновка. И поэтому ничего из предложенного не подходит. Либо же я чего-то не понимаю и поэтому требуется уточнение - распиновка должна быть: 1-1, 2-2, 3-3 и т.д. до последнего пина (хотя самые последние - “общий”)?

STEPMOTOR
Andrey12:

Есть там экран. Алюминевая фольга.
Сколько проводов должно быть указано
www.brownbear.ru/catalog/view734.html
www.brownbear.ru/catalog/view733.html
www.burmednn.nnov.ru

Ни один не подходит ! Это-же нуль модемные провода в них максимум проводов 5-7.

Вам нужен удлинитель LPT ! Вот с этим будет пахать 😃
www.radiozone.ru/Products/dirid_20/tek_129/

mihas

Есть провод “Удлинитель LPT” 25m-25f, а есть от компа до разветвителя-переключателя 25f-25f , я для контроллера таким пользуюсь.
А еще проще на контроллер поставить разъем от “битого” принтера и тогда обычные LPT-принтер провода составят вам ЩАСТЬЕ! 😃

Andrey12

2 STEPMOTOR
Вы смотрели ссылки или ответили неглядя ?
Посмотрите. Полезно.

STEPMOTOR
Andrey12:

2 STEPMOTOR
Вы смотрели ссылки или ответили неглядя ?
Посмотрите. Полезно.

Конечно смотрел ! там одни модемные провода.

Лучше сделать как сказал mihas это намного надежней , и провода в таком кабеле защищены экраном.

8 days later
Neuron
mihas:

Есть провод “Удлинитель LPT” 25m-25f, а есть от компа до разветвителя-переключателя 25f-25f , я для контроллера таким пользуюсь.
А еще проще на контроллер поставить разъем от “битого” принтера и тогда обычные LPT-принтер провода составят вам ЩАСТЬЕ! 😃

Не на каждом углу найдеш такие удлинители. Да и понимают продавцы не с первой попытки. Словом, купил обычный LPT для принтера (35руб), отпаял с одного конца Centronix, впаял нужный DB25. Быстро и красиво.