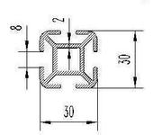
сам подумывал над таким вариантом , стол хотел сделать !
{"assets_hash":"a8b26fa7f6e768b07a72c8c9aadb9422","page_data":{"users":{"3d4a30483df95500777977e0":{"_id":"3d4a30483df95500777977e0","hid":624,"name":"toxa","nick":"toxa","avatar_id":null,"css":""},"415489523df95500777939e2":{"_id":"415489523df95500777939e2","hid":4564,"name":"RVL","nick":"RVL","avatar_id":null,"css":""},"432c50243df955007778f2a3":{"_id":"432c50243df955007778f2a3","hid":9177,"name":"STEPMOTOR","nick":"STEPMOTOR","avatar_id":null,"css":""},"43535f8c3df955007778ec3c":{"_id":"43535f8c3df955007778ec3c","hid":9658,"name":"sergant77","nick":"sergant77","avatar_id":null,"css":""}},"settings":{"can_see_ip":false,"can_report_abuse":false,"can_see_hellbanned":false,"forum_can_view":true,"forum_can_reply":false,"forum_edit_max_time":30,"forum_can_close_topic":false,"forum_show_ignored":false,"forum_mod_can_delete_topics":false,"forum_mod_can_hard_delete_topics":false,"forum_mod_can_see_hard_deleted_topics":false,"forum_mod_can_edit_posts":false,"forum_mod_can_pin_topic":false,"forum_mod_can_edit_titles":false,"forum_mod_can_close_topic":false,"can_vote":false,"forum_mod_can_add_infractions":false,"forum_topic_title_min_length":10,"forum_reply_old_post_threshold":30,"votes_add_max_time":168,"forum_show_post_interval":7,"can_see_deleted_users":false},"section":{"_id":"61c9a54c3df9550077bb5117","hid":41,"title":"Общие вопросы","parent":"61c9a54c3df9550077bb51b9","description":"Обсуждение общих вопросов по станкам CNC, Hobby CNC и инструменту.","is_category":false,"is_votable":true,"is_writable":true,"cache":{"topic_count":2372,"post_count":31412,"last_post":null,"last_topic":null,"last_topic_hid":null,"last_topic_title":null,"last_ts":null,"last_user":null}},"topic":{"_id":"441a5f9d9970730077fdfdfb","hid":37847,"title":"Конструкционный аллюминиевый профиль для станка","views_count":3114,"last_post_counter":5,"cache":{"post_count":5,"first_post":"441a5f9d9970730077fe0223","first_ts":"2006-03-17T07:05:01.000Z","first_user":"43535f8c3df955007778ec3c","last_post":"441c3b819970730077fe022b","last_post_hid":5,"last_ts":"2006-03-18T16:55:29.000Z","last_user":"432c50243df955007778f2a3"},"st":1,"section":"61c9a54c3df9550077bb5117"},"subscription":null,"pagination":{"total":5,"per_page":25,"chunk_offset":0},"posts_list_before_post":["paginator","datediff"]},"locale":"en-US","user_id":"000000000000000000000000","user_hid":0,"user_name":"","user_nick":"","user_avatar":null,"is_member":false,"settings":{"can_access_acp":false,"can_use_dialogs":false,"hide_heavy_content":false},"unread_dialogs":false,"footer":{"rules":{"to":"common.rules"},"contacts":{"to":"rco-nodeca.contacts"}},"navbar":{"tracker":{"to":"users.tracker","autoselect":false,"priority":10},"forum":{"to":"forum.index"},"blogs":{"to":"blogs.index"},"clubs":{"to":"clubs.index"},"market":{"to":"market.index.buy"}},"recaptcha":{"public_key":"6LcyTs0dAAAAADW_1wxPfl0IHuXxBG7vMSSX26Z4"},"layout":"common.layout"}