Вентилятор из БК реально?
Имеется 1 вентилятор на весь дом. Все офигивают… Зато валяется куча бк моторов, пропеллеров разных мастей и регуляторов. Беда в том, что есть 1 свободный приемник без фэйлсейва. Вопрос - как заставить бкшку крутиться без пульта?
Сервотестер вас спасет, хоть даже на 555 таймере, или даже с выхода звуковой карты/плеера.
Только учтите, что в “статике” (т.е. не в полете) греться все будет сильнее.
Да это понятно… но до ближайшего сервотестера мне километров 150…😦 Пока гоняю “вентилятор” (800 kv + 12х3 + зарядка автомобильная) с пульта - дует прилично на минимальных и ничего не греется. Но в пульте акк жалко на такую фигню тратить… на полетать не хватает.
Сервотестер вас спасет, хоть даже на 555 таймере, или даже с выхода звуковой карты/плеера.
Только учтите, что в “статике” (т.е. не в полете) греться все будет сильнее.
на счет выхода звуковухи можно поподробнее?😮
на счет выхода звуковухи можно поподробнее?
угу, тоже интересно.
угу, тоже интересно.
Очень просто. Для низких оборотов подаёте с плеера:
www.youtube.com/watch?v=8BGwEulYs8c
Для высоких:
Не, реально интересно. 😆
Ха-ха … ДА😆😆😆😁
Регулятор ждет PPM на входе, который можно представить в виде звукового сигнала, благо частоты не большие и практически все бытовые аудиоустройства способны воспроизвести данный сигнал.
Вообще-то сигнал с приемника прядставляет собой прямоугольные импульсы с изменяемой скважностью. Если уж использовать бытовую аппаратуру, то можно попробовать записать несколько треков с реального RC приемника на разном положении стика газа. На плеере закольцовывать нужный трек. Тогда вентилятор получится с изменяемой скоростью потока. ИМХО
Я про тоже самое…
Регулятор ждет PPM на входе, который можно представить в виде звукового сигнала, благо частоты не большие и практически все бытовые аудиоустройства способны воспроизвести данный сигнал.
Но тогда возникает одна проблемка, регулятор ждет сигнала с приемника, и если газ в середине или выше он не запускается. Тоесть тогда придется записывать два сигнала. Первым пускать импульсы как при минимальном газе, чтоб регуль “увидел” приемник, и только потом уже подавать обороты:)❗
Это само собой разумеется 😃
Я как-то (пока не купил дешевейший сервотестер) записал “звук” минимального положения канала (“длина” пика - 1мс), а потом используя простой проигрыватель с функцией плавного замедления (если замедлить в 2 раза - получим пик в 2мс, т.е. “полный газ”) получалось и регулировать положение сервомашинки. Как отнесется конкретный регулятор к увеличению паузы между пиками - не знаю, тут только проверять надо.
Тоесть тогда придется записывать два сигнала.
Лучше четыре сигнала, стартовый, минимальный, средний, и максимальный. Далее просто переключаете треки.
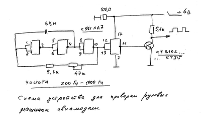
Но наверное проще собрать самопальный сервотестер типа такого. Я пробовал - работает, правда сервы пищат 😃, но для вентилятора думаю пойдет.

А значение 100 это что конденсатор или кварц у вас??? Похоже на кварц. 100 Гц?
И там конденсатор 68 микроФарад или 6.8 ??? или то 68 пикофарад?
Или нанофарад?
100,0 мкФ и 68н (нано Фарад), схемка не моя, просто как-то приперло, пришлось паять, сейчас у меня нормальный китайский сервотестер.
Кварца там нет, задающие цепочки - конденсатор на 68н и два резистора (5,6к и переменник на 47к) по обратной связи.
100 мкф, электролитический я так понимаю? прсто что-то такого обозначения не встречал еще, квадрат и палочка=)) где плюс?
Условные графические обозначения В общем ставьте обычный электролитический.

ааа такое видел;)
а чем вас не устроил этот сервотестер, что купили китайский? только тем что серва пищит?
сорри за офф-топ
Да тем, что пищит и не устроило. Пищит, значит быстро дергается туда-сюда, хоть и в малых пределах. А китаец стоил шесть у.е, заказал до кучи.
Предупреждаю сразу, все последствия вашего эксперемента на вашей ответственности. Возможно на выходе так же поставить электролитический конденсатор 10-20мкФ для развязки по постоянному току. Для страховки, вдруг что не то напаяете.😉
Естественно все на мне!😉
С паяльником дружу!😎
С плеером мысль интересная! Обзатьно попробовать надо - свободнолетающий вентилятор… 😆
а причем тут свободнолетающий?😁
Сервотестер лучше сделать либо на 555 (или 556) таймере, или же на мк.
Загляните в тему rcopen.com/forum/f8/topic143018/29
а причем тут свободнолетающий?😁
Потому что уже без участия пульта
работает… аки свободнолетающая модель…😁