Есть огромное желание заняться программированием микроконтроллеров PIC. Подскажите, какой недорогой программатор начального уровня можно прикупить рублей за дёшево? 😉
Если более менее заниматься, то ИМХО вот этот cgi.ebay.com/…/220734242793
самое оно… и дебаггер на борту… можно позырить че в реале творится в проце)))
А если светодиодом помигать - то и Ваш сойдет))) Единственно - не на всех компах будет работать… может понадобиться внешнее питание 12В на Vpp
Посмотрите здесь. Я делал два программатора от этих ребят, все работают.😁
Если более менее заниматься, то ИМХО вот этот cgi.ebay.com/…/220734242793
самое оно… и дебаггер на борту… можно позырить че в реале творится в проце)))
А если светодиодом помигать - то и Ваш сойдет))) Единственно - не на всех компах будет работать… может понадобиться внешнее питание 12В на Vpp
Все-таки сначала “светодиодом помигать” 😉 А потом и PicKit можно!
Посмотрите здесь. Я делал два программатора от этих ребят, все работают.😁
И какие именно делали? А то я быстрый парень, уже сделал по вышеуказанной схеме! только чет IcProg ошибку пишет по адресу 0000h 😦 Не понимая в чем проблема, решил ЭТОТ повторить… у этого питалово есть! 😃
решил ЭТОТ повторить… у этого питалово есть!
Хороший программатор, собирал такой полтора года назад. До сих пор работает. Если программировать будете много то панельку лучше применить ZIF с нулевым усилием или с цанговыми контактами (круглые отверстия).
IcProg ошибку пишет по адресу 0000h
Походу не хватает напряжения Vpp… попробуйте внешнее подать 12В…
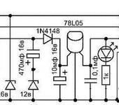
Что-то неуверенность с годами появилась… Вот схема:
А со стабилитроном я так правильно разобрался?
Походу не хватает напряжения Vpp… попробуйте внешнее подать 12В…
И куда подать внешнее питание в вышеприведенной схеме?
Кстати светодиод при включении никаких признаков “жизни” не подает 😦 не при чтении не при записи… Подключал к старенькому Pentium II 400мГц.
Попробуйте на Vpp подать +12В (только от схемы этот контакт оторвите) если программирование не пойдет - ищите ошибку… если пойдет - значит компорт не вытягивает…
Можно от 3 контакта RS232 оторвать провод и подать туда 12-15В… тогда и светодиод загорится))
Попробуйте на Vpp подать +12В (только от схемы этот контакт оторвите) если программирование не пойдет - ищите ошибку… если пойдет - значит компорт не вытягивает…
Можно от 3 контакта RS232 оторвать провод и подать туда 12-15В… тогда и светодиод загорится))
Вот так?
А если на 3-й контакт 12В, то в схеме ничего не менять, не отрывать?
От разъема оторвать
От разъема оторвать
Спасибо. Это-то я понял 😁 Ща попробую…
{"assets_hash":"a8b26fa7f6e768b07a72c8c9aadb9422","page_data":{"users":{"3e16bd8c3df9550077796e41":{"_id":"3e16bd8c3df9550077796e41","hid":1132,"name":"RK3AMS","nick":"RK3AMS","avatar_id":null,"css":""},"423050103df9550077791c4d":{"_id":"423050103df9550077791c4d","hid":6402,"name":"mikki","nick":"mikki","avatar_id":null,"css":""},"4369e6e43df955007778e8bc":{"_id":"4369e6e43df955007778e8bc","hid":9931,"name":"BOPK","nick":"BOPK","avatar_id":null,"css":""},"488da02e3df9550077778bba":{"_id":"488da02e3df9550077778bba","hid":36896,"name":"Felar_Furlong","nick":"Felar_Furlong","avatar_id":null,"css":""},"4babcdef3df9550077762cc9":{"_id":"4babcdef3df9550077762cc9","hid":63369,"name":"NASh","nick":"NASh","avatar_id":null,"css":""}},"settings":{"can_see_ip":false,"can_report_abuse":false,"can_see_hellbanned":false,"forum_can_view":true,"forum_can_reply":false,"forum_edit_max_time":30,"forum_can_close_topic":false,"forum_show_ignored":false,"forum_mod_can_delete_topics":false,"forum_mod_can_hard_delete_topics":false,"forum_mod_can_see_hard_deleted_topics":false,"forum_mod_can_edit_posts":false,"forum_mod_can_pin_topic":false,"forum_mod_can_edit_titles":false,"forum_mod_can_close_topic":false,"can_vote":false,"forum_mod_can_add_infractions":false,"forum_topic_title_min_length":10,"forum_reply_old_post_threshold":30,"votes_add_max_time":168,"forum_show_post_interval":7,"can_see_deleted_users":false},"section":{"_id":"61c9a54c3df9550077bb50ab","hid":6,"title":"Курилка","parent":"61c9a54c3df9550077bb5123","description":"Разговоры на общие околомодельные темы.","is_category":false,"is_votable":true,"is_writable":true,"cache":{"topic_count":8213,"post_count":312967,"last_post":"686a557344153b3865a4b2c5","last_topic":"5fdd01443df9550077bd92a2","last_topic_hid":561889,"last_topic_title":"Вакцина от Ковид.","last_ts":"2025-07-06T10:52:35.198Z","last_user":"4b266b503df9550077766e9e"}},"topic":{"_id":"4d45146f3df95500775c9505","hid":220218,"title":"Хочу программатор для PIC","views_count":1609,"last_post_counter":15,"cache":{"post_count":15,"first_post":"4d45146f3df95500775ca0be","first_ts":"2011-01-30T07:34:07.000Z","first_user":"4369e6e43df955007778e8bc","last_post":"4d4be14e3df95500775ca0da","last_post_hid":15,"last_ts":"2011-02-04T11:21:50.000Z","last_user":"4369e6e43df955007778e8bc"},"st":1,"section":"61c9a54c3df9550077bb50ab"},"subscription":null,"pagination":{"total":15,"per_page":25,"chunk_offset":0},"posts_list_before_post":["paginator","datediff"]},"locale":"en-US","user_id":"000000000000000000000000","user_hid":0,"user_name":"","user_nick":"","user_avatar":null,"is_member":false,"settings":{"can_access_acp":false,"can_use_dialogs":false,"hide_heavy_content":false},"unread_dialogs":false,"footer":{"rules":{"to":"common.rules"},"contacts":{"to":"rco-nodeca.contacts"}},"navbar":{"tracker":{"to":"users.tracker","autoselect":false,"priority":10},"forum":{"to":"forum.index"},"blogs":{"to":"blogs.index"},"clubs":{"to":"clubs.index"},"market":{"to":"market.index.buy"}},"recaptcha":{"public_key":"6LcyTs0dAAAAADW_1wxPfl0IHuXxBG7vMSSX26Z4"},"layout":"common.layout"}