Приемник на микросхеме 3361

angelx

всем привет!
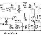
Приобрел набор для самостоятельной сборки IGVA. www.rcdesign.ru/articles/…/receiver_igva т.к отличная комплектация деталями и приемлемая цена (пробовал искать детали по отдельности - не оправданная трата времени и денег). на стадии настройки данного приемника оказалось что гетеродин молчит. сначала грешил на кварц, но оба кварца рабочие. Проверял на передатчике, запускались на нужной частоте (комплект кварцев от фирмы Футаба 40,725мгц). Пробовал подставлять кварцы 14,31818_24,00_27,12_26,945. все кварцы пускаются особых проблем не было. Добавлением уменьшением индуктивности катушки L2 удавалось получать амплитуду на 2 ноге микросхемы от 0.2 до 0.6В . кварцы 40,725мгц, 40,680 удалось запустить только на 1-й гармонике (13,**мгц). просматривая подобные темы на форумах остались некоторые сомнения:

  1. насколько я правильно понимаю по приведенной схеме приемника кварцы должны работать на 3-й гармонике и обвязка кварца рассчитана на рабочую
    частоту 35-40 мгц?
  2. кварцы фирмы Футаба, Хайтек должны быть совместимы с данной схемой?
    В данной области я человек зеленый, но опыт ремонта техники приличный. приборы тоже имеются.
    Понимаю что дешевле и проще купить hobbycentr.com.ua/index.php?page=shop.product_deta… но не интересно.
    Помогите дельным советом!
sashok17

Я 2 таких приемника собрал. Все запустились с первого раза.

Dj_smart

Делал на микросхеме 3372 с двойным преобразованием, так наигрался индуктивностью возле кварца от пуза. Потом временно повесил катушку с подстроечником, с явно большей индуктивностью, и подбирал. Отмотал виток, покрутил подстроечник, и тд. Завёл. Нашёл “место” где кварц переходил со второй на третью гармонику, и это на треть оборота подстроечника… Кварц тупой оказался.

V_Alex

Может не хватать активности кварца. В этом приемнике используется собственный гетеродин микросхемы, поэтому гарантированно он работает с кварцами GWS. У них аналогичная схемотехника и кварцы они выпускают с нормированной активностью.
С кварцами тех фирм, которые используют приемники с внешним гетеродином (Хайтек и Футаба), могут быть проблемы. По статистике не запускается до 10 % кварцев Хайтека. У ИГВА внешний гетеродин есть только в приемниках Н6, но в виде наборов они не делаются - там намного сложнее схема и больше точек настройки.
Что касается собственно набора, его схемотехника полностью соответствует статье www.rcdesign.ru/…/micro_receiver_for_parkflyer и описанному в ней серийному приемнику PARK5.

angelx

набор действительно Игва PARK5. с катушкой тоже прилично повозился мотал на каркасе 4мм с подстроечником начал эксперимент с 35 витков закончил 3 витками - правда отматывал по 3 витка и и не так тщательно крутил сердечник. в любом случае считаю что катушка с подстроечником это уже другая плата. попробую заказать кварц GWS, и паралельно переделаю плату с внешним гетеродином тем более, что на роботе мужики давно советовали это сделать. Треть оборота подстроечника это круто! перепад температур дет тряхануло, капля воды и усе не работает! наверно лучше потерять 50 метров приема чем вовремя отдыха потерять гетеродин и модель в том числе.
Остался один вопрос амплитуда сигнала с гетеродина имеет значение на прием? 0,2в этого достаточно или стремится поднять до максимума 0,5в-1в
Спасибо за четкие ответы! обидно что попал в 10% невезучих

Dj_smart
angelx:

считаю что катушка с подстроечником это уже другая плата

Неполная ифа иногда… Извиняюсь, не дописал. Я потом замерял полученную индуктивность, и намотал точно такое(по индуктивности) на подстроечнике с катушки. Сверху эпоксидкой, и впаял этот “дроссель”. Нормально.

8 days later
angelx

После первых неудачных попыток освоить сей девайс, пришлось лезть в склад за приборами (частотомер Ч3-67, генератор Г4 158,) При попытках разобраться почему не работает гетеродин оказалось что он все таки работает но на пределе, амплитуда сигнала порядка 35мв. Поэтому осциллограф Fluke 199B ничего не показывал, происходил срыв генерации гетеродина. ) благо осцил С1-74 с ВЧ головкой на лампе позволил более корректно произвести измерения. В общем на радостях что гетеродин все же работает включил передатчик

включил приемник, осциллографом на 9 ногу микросхемы мало того что импульс не той амплитуды полярности так и еще при изменении его длительности маленький “горбик” перемещается в лево в право. Сомнения были либо передатчик либо приемник.
контур на входе не подключал антенна на 16 ногу микросхемы через конденсатор

  1. частотомер показал что передатчик работает на частоте 40,757мгц вместо 40,725, на приемнике замерить не удалось по понятным причинам.
  2. вместо кварца подключил генератор настроенный на частоту 40,270. результат тот же перестроил на частоту 40,302 появился иппульс нормальной формы который менял длительность в необходимых пределах. (амплитуда и полярность таже)
  3. изменение сопротивления Р1 с 4.7 до 30 ком и перестройка генератора на частоту 41,212 (на 455 выше чем в передатчике) форма иппульса соответствует осцилограме в контрольной точке КТ1 резистор Р4=760к. осциллограмма КТ3 такая же контрольной точке КТ2 амплитуда равна 1,7В вместо 3В (если правильно понимаю подбором резистора Р5 должна регулироваться) на выходе дешефратора сигнала нет.
    Качеством приема пока доволен передатчик работает с антеной 5см на приемнике тоже подпаян кусок проволоки 5см растояние метров 5.
    Остался только один вопрос к спецам кодер импользую 2-х канальный стоит ли заморачиваться с декодером или обойтись 2 транзисторами 1-инвертор, 2-й повторитель
avisenja

МОЛОДЕЦ!!!
Держите комплект советских приборов, пусть размерные😁 но ОЧЕНЬ СТАБИЛЬНЫЕ параметры выдают;), МОЛОДЕЦ!

V_Alex

Соберите нормальный трехкаскадный передатчик, особенное внимание уделите первому каскаду с кварцем. Схема и описание есть тут : rconline.ru/modules/smartsection/item.php?itemid=6…
Схема рабочая, многократно проверенная. Та схема передатчика, которая у Вас собрана сейчас, рассчитана на работу с кварцем на 3-ей гармонике и дико “перетягивает” фирменный кварц. Из-за этого весь комплект нормально не работает и корежит выходной сигнал.
Шифратор тоже нужно делать нормальный на 4-7 каналов, хотя-бы по Милю. Сам приемник желательно проверить с фирменным передатчиком, чтобы убедиться в работоспособности, потом можно экспериментировать со своим передатчиком. Когда эксперимент ставится на всех устройствах сразу, определить что где не пашет, практически невозможно. Я сперва собирал кварцевый задающий генератор (первый каскад передатчика) с семиканальным шифратором, настраивал и проверял его работу на стандартном хайтековском приемнике, а потом уже на этом генераторе настраивал приемники.

angelx

генератор на своем передатчике попробую подстроить на нужную частоту. при его настройке я опирался на амплитуду сигнала а частоту не контролировал (сам себе сделал детские грабли, на которые в последствии и наступил). Самое главное что понял принцип настройки и есть готовый положительный результат. В ближайшем будущем есть есть планы на хорошую качественную самоделку, но на данный момент ребенку хватит и такого простенького варианта.
Всем спасибо за участие !