Расскажите чайнику про зарядное устройство...

Слепой_Пью

Всем ДД!

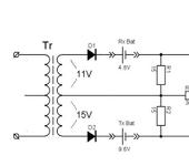
Имеется ЗУ футабовское. Вскрыл, снял схемку (см. ниже). Предназначено для заряда пульта (9.6V, 700mAh, NiCd) и борта (4.8V, 1000 mAh, NiCd). На нем написано что заряжает оно 1/10 емкости (т.е. 70 и 100 mA соответственно). Объясните мне плиз КАК ОНО РАБОТАЕТ! Я как не считаю менее чем 500 mA на Rx и 1А на Tx не получается… 😦

Добавлено:

про sqrt(2) вспомнил, но все равно токов 70 и 100 не получается ну никак…

drDen

Китайцы… 😦 ………тоже пробовал ток зарядки мерить… 😃 …удивился… 😲 ….долго думал… 😵 ……. по этому и свою Оптику заряжаю 18 часов… 😃 ….всё нормально работает… 😃 ……

valeriy
Слепой_Пью:

Alex,Jun 28 2005, 17:25]Всем ДД!

Имеется ЗУ футабовское. Вскрыл, снял схемку (см. ниже). Предназначено для заряда пульта (9.6V, 700mAh, NiCd) и борта (4.8V, 1000 mAh, NiCd). На нем написано что заряжает оно 1/10 емкости (т.е. 70 и 100 mA соответственно). Объясните мне плиз КАК ОНО РАБОТАЕТ! Я как не считаю менее чем 500 mA на Rx и 1А на Tx не получается… 😦

Добавлено:

про sqrt(2) вспомнил, но все равно токов 70 и 100 не получается ну никак…

Вы посчитали токи короткого замыкания выходов зарядника.
А согласно закону Ома для всей цепи ток считается:
I=(Eтр - Uак- Uд)/(R1+Rвнтр+Rвнак),
где Eтр - эдс тр-ра, Rвнтр - внутреннее сопротивление вторичной обмотки тр-ра, Uак - эдс аккумуляторной батареи (разряженной около 1 вольта на элемент), Uд - падение напряжения на диоде (около 1 вольта), Rвнак - внутреннее сопротивление аккумуляторной батареи). 😅

Д_Заточник

Не забивая себе голову расчетами, померяйте выходные напряжения на обмотках тр-ра, а потом постарайтесь найти такой же, но на входное напряжение 220 В (хотя это будет непросто) и поставьте его в уже существующий зарядник. А иначе вам придется используя формулу, приведенную valeriy, пересчитать значения резисторов под найденный трансформатор чтобы получить необходимые зарядные токи.

vovic

Алексей, просто считать надо правильно. И все получится.

Поясняю. 15 вольт - это измереное вольтметром? В данном случае он покажет пиковое значение. Поскольку на обмотке после диода нет конденсатора имеем одиночные полупериоды. Это снижает постоянную составлюящую тока ровно вдвое. Далее. Последовательное включение аккумулятора передатчика приводит к тому, что ток через диод течет с малым углом отсечки полупериода - градусов этак 70 - 80. Получающаяся картина тока через диод - срезанные верхушки синуса с паузами между ними, гораздо большими, чем сами импульсы. Если разложить такой сигнал в ряд Фурье, то постоянная составляющая тока, а именно она и только она участвует в гальванических процессах зарядки аккумулятора, как раз и составит искомые 70 мА.
Так что все просто.
Внутренние сопротивления обмотки и аккумулятора на таких токах роли практически не имеют. Можете сами посчитать.

И китайцы тут не виноваты. Просто - элементарная электротехника.

Слепой_Пью

Кажется я понял, только объясните мне, что такое “угол отсечки полупериода”?

А заодно и как узнать внутреннее сопротивление акку и транса?..

vovic

Период синуса составляет 360 градусов. Это понятно. Идеальный диод пропускает ровно половину периода. Т.е. при угле 0 градусов он открывается, а при 180 - закрывается. Т.о. угол отсечки составит 180 градусов.
Если кроме синуса на диод подать постоянное запирающее смещение амплитудой меньше пикового значения синуса, то диод будет открываться позже 0, а закрываться раньше 180 градусов. Допустим, диод откроется в момент 50 градусов, а закроется в 130 градусов. Угол, в течение которого диод будет открыт составит 80 градусов.

Про внутреннее сопротивление ликбез пусть напишут другие. Даже на нашем форуме эта тема стоко раз жевалась.

Д_Заточник

Внутреннее сопроивление транса и батареи ничтожно мало по сравнению с сопротивлением токоограничивающего резистора. Я бы сделал так:
Аккумулятор передатчика состоит из 8 банок, значит в заряженном состоянии его напряжение 1,27 х 8 =10,16 В примерно. Эти данные нам пригодятся позже. А теперь берем источник ПОСТОЯННОГО ТОКА!!! , хоть автомобильный аккумулятор, хоть выпрямитель с фильтром, например на 12 В и пытаемся сделать зарядник. Допустим, что нам нужен ток зарядки 50 мА. Если бы мы просто хотели получить такой ток от нашего источника, то мы бы поделили 12 В на 0,05 А и получили бы резистор сопротивлением 240 ом. Но у нас есть аккумулятор, который необходимо зарядить, с неким напряжением на нем. Тогда величина нашего резистора будет: (12 В-10,16 В)/0.05 А = 36,8 ом. Именно такой резистор (а на практике можно взять 33-36-39 ом без заметного ухудшения устройства) даст нам зарядный ток в 50 мА. Такая схема не идеальна, и поэтому будет различие в величине зарядного тока в начале и в конце заряда. Чтобы ее уменьшить, нужно увеличить выходное напряжение источника постоянного тока и соответственно увеличить сопротивление резистора. Еще лучше сделать генератор стабильного тока на одном -двух-трех-четырех транзисторах:) А еще лучше хороший зарядник с режимами заряда, разряда и циклирования. От этого никуда не уйти, если хочешь, чтобы аккумуляторы служили долго и надежно.

Слепой_Пью
vovic:

Период синуса составляет 360 градусов. Это понятно. Идеальный диод пропускает ровно половину периода. Т.е. при угле 0 градусов он открывается, а при 180 - закрывается. Т.о. угол отсечки составит 180 градусов.
Если кроме синуса на диод подать постоянное запирающее смещение амплитудой меньше пикового значения синуса, то диод будет открываться  позже 0, а закрываться раньше 180 градусов. Допустим, диод откроется в момент  50 градусов, а закроется в 130 градусов. Угол, в течение которого диод будет открыт составит 80 градусов.

Понял. Кстати это мысль – посмотреть на все это осциллографом…

vovic
Слепой_Пью:

Alex]Понял. Кстати это мысль – посмотреть на все это осциллографом…

Это вселяет оптимизм. 😃