помогите выбрать mosfet

ШВЕД

всем привет,

собираю схему коммутации помпы (автомобильный бензонасос, 12В, 5А макс).
изначально хотел релюшками обойтись но купленные на рынке автомобильные релюхи (самые попсовые 75.3777-10) требуют слишком много тока (100-200мА).
сейчас в моем распоряжении лишь около 10мА тока и 5 вольт.
предполагается продолжительная работа насоса (режим не_импульсный).

поиски возможного решения привели к mosfet’ам. с полевиками я еще не сталкивался поэтому прошу подсказки:

(1) какой конкретно mosfet транзистор оптимально использовать для подобных целей?

  • максимальный ток = 8А, напряжение 12В.
  • дополнительное охлаждение транзистора крайне нежелательно.
  • радиаторы городить по возможности не хотелось бы.

(2) касательно нагрева: в описаниях на том же Чипидипе указывается “макисмально рассеиваемая мощность”.
если взять например IRF7351 (www.chipdip.ru/product/irf7351pbf/) то для него пишут = 2 Вт.
означает ли это что:
(а) “транзистор нагревается всего лишь на 2 Вт” или
(б) “данный корпус может рассеивать лишь 2Вт, а весь остальной нагрев нужно самостоятельно отводить” ?

SAN
ШВЕД:

означает ли это что:
(а) “транзистор нагревается всего лишь на 2 Вт” или
(б) “данный корпус может рассеивать лишь 2Вт, а весь остальной нагрев нужно самостоятельно отводить” ?

Именно так - “весь остальной нагрев нужно самостоятельно отводить”

А чем просто тумблер или кнопка не устраивают?

Tkostik

если взять например IRF7351
Сопротивление канала в открытом состоянии Rси вкл.,мОм 17.8
Ваш ток 5а
P тепловых потерь = U*I = I*I*Rси = 25*0,0178= 0.445 Вт
многовато без радиатора. Ищите с сопротивлением поменьше и схему управления в datasheet можете глянуть, там эталонные проверочные и для типичного применения обычно есть.

Вот вам вариант современный попроще www.chipdip.ru/product/s202s01/
или вот так: www.chipdip.ru/catalog-show/solid-state-relays/?p.… (браузер не хочет ссылки по нормальному прятать)

ШВЕД

SAN, будет внешнее электронное управление поэтому кнопки не подходят.
Tkostik, понятно. спасибо за расчет 😃 с твердотельными все хорошо кроме цены 😦
поэтому буду сейчас смотреть кандидатов из числа мосфетов.

ШВЕД

вот кажется нашелся относительно недорогой n-канальный кандидат: IRL2505PBF (www.chipdip.ru/product/irl2505/)
сопротивление 8мОм, рассев тепла 200Вт. потери на 6А = 0.288 Вт

Tkostik

270 в чип и дипе, а это не самый дешевый магазин, плюс по мощности на управление вам подходит. А с мосфетами надо опять же смотреть датащит и считать. Для управления твердотельным реле понадобится только один резистор согласующий по напряжению.

ШВЕД

убедили. с мосфетами познакомлюсь ближе в след. раз.
с чипидипом я хорошо знаком. ценник в 270 руб - это если заказывать онлайн со сроком формирования заказа 2-3 дня.
если же приехать и купить в розницу то ценник 420 руб. это “фишка” чипидипа на все свои товары.
// пример: smd резюки в розницу = 11-14 руб/шт, они же при заказе через интернет за 2-3 дня = 0.9 руб/шт.

Tkostik

Посмотрите в других магазинах, сильно удивитесь, особенно в зарубежных. Я вообще чип и дип использую только как справочник и источник датащитов.

Prsh
ШВЕД:

12В, 5А макс

Это примерно то что выдает любая базовая зарядка для аккумуляторов, например Imax B6. Посмотрите в соответствующих темах что в ней стоит.

ШВЕД:

если взять например IRF7351 (www.chipdip.ru/product/irf7351pbf/) то для него пишут = 2 Вт.

Это сколько он всего сможет рассеить тепла (при определенных, оговоренных где-то там же условиях). В данном случае эти условия - монтаж на квадрате меди 1кв. дюйм (и очевидно при комнатной температуре окружающего воздуха), что не так много.
При условии что у вас всего

Tkostik:

P тепловых потерь = U*I = I*I*Rси = 25*0,0178= 0.445 Вт

возможно такой теплоотвод и будет достаточен.

ШВЕД

поторопился я с реле - на радостях не обратил внимание что они на переменный ток рассчитаны 😦 в итоге включаются но при снятии управляющего сигнала нагрузка не отключается…
на постоянный ток в чипидипе ценник просто конский… ну его нафиг.
буду мосфеты ставить на небольшой радиатор из куска алюм трубы…

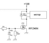
ubd

IRFZ44N поставьте, там просто все как три копейки!
Можно любой N-канальный мосфет.
IRFZ46N, IFL2203N, и т.д.

Радиатор там не нужен никакой. На 5А, они греться да же не будут.
Подаёте на затвор 12-15В, транзистор открывается и мотор работает. Убираете 12В, ёмкость затвора разряжается через резистор 100К, и транзистор закрывается. Стабилитрот, нужен что бы случайно в затвор не прилетело более 18В. Диод FR607, нужен что бы ЭДС самоиндукции от мотора не убило транзистор.
Вот схема управления:

ШВЕД

в даташите на полевик указано максимальное пороговое значение на затворе 4В. зачем нужно подавать 12-15В?

ubd

Там написано: Gate-to-Source Voltage +/- 20V на первой странице.
Я занимаюсь разработкой регуляторов хода, и как управлять полевиками, могу тебе часами рассказывать эту теорию.
Они открываются напряжением, и им на затвор можно подавать до 18В смело, да же до 20-ти. Но как бы безопаснее, до 18В. Это у меня так принято.

Вы просто на макетке соберите, и убедитесь что работает. Вместо нагрузки лампочку от автомобиля на 60Вт.

ШВЕД

все-таки прошу прояснить: “можно” или “нужно”. 5В (4.5В) уровней будет достаточно для управления этими полевиками?

ubd

А так у вас управление от 5В?

По моему да. Тогда можно убрать стабилитрон, а резистор 1к, заменить на 30-50 ом, все стальное так же.
Я точно знаю, что IRL2203N, открывается от 5В, полностью, и не греется. Я да же много раз делал регуляторы хода, где полевики открываются от 5В, без проблем.

ШВЕД

ок, еще раз спасибо. особенно за оперативность! 😃)