Нужна схема индикатора разряда 1S LiPo.

vikar

Народ, нарисуйте плиз схемку, или ткните в готовую, простого интдикатора (желательно с пищалкой) разряда аккума ниже 3,2-3,3 В. Желательно проверенную схемку.
Или подскажите где купить.
Инет обшарил, нашел только здесь. Но непонятно что это за страна и какова цена.

Благодарю.

С ув. Виктор.

Dimac

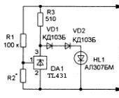
типа вот. тут для 2-3 банок, подбором R1 и R2 можно сделать для 1 банки.
Излучатель нужен со встроенным генератором.

Dimbo
vikar:

Инет обшарил, нашел только здесь. Но непонятно что это за страна и какова цена.

Это Индонезия и цена в иховых рупиях.

V_Alex
vikar:

ткните в готовую, простого интдикатора (желательно с пищалкой) разряда аккума ниже 3,2-3,3 В. Желательно проверенную схемку.
Или подскажите где купить…

На одну банку, но без пищалки: igva.od.ua/prd/led/1lipo/1lipo_2led_smd.htm
Схемка тут: www.igva.od.ua/indikator_lipo.doc
но пороги для одной банки придется подбирать самому.

vikar

Александр, спасибо, на Вашем сайте я уже нашел этот индиктор.
Если в прилагаемой схемке заменить первый светодиод на пищалку, будет и пищать и моргать, правильно?

Вчера еще нашел и испытал вот такую схемку.
Изменил резистор 3,3 КОм, на 8,2 КОм, пищалка начинает пищать при 3,4 В. Мож кому пригодится.

С ув. Виктор.

V_Alex

Однобаночные индикаторы - весьма специфическая штука. Очень низкое напряжение, сложно обеспечить корректную работу светодиодов после просадки ниже 3 В. Второй момент - однобаночное питание идет на очень мелкие модельки, где каждый мАч на счету, ну куда там еще пищалку вешать?

vikar

где каждый мАч на счету, ну куда там еще пищалку вешать?

Если верить автору схемы, в момент писка потребляемый ток 10-15 мАч. Если учесть, что первые похрюкивания начнутся когда напруга будет только подходить к нижней отметке и будут просадки от работы машинки, то услышав пищалку можно быстренько пойти на посадку. Светодиод же в полете вообще не видет. Его видно только на земле. И выпустив модель в полет с еще “зеленым светом” может оказаться, что вы уже не рулите ситуецией. Ну это мое личное мнение.
В любом случае благодарю за помощь.

С ув. Виктор.

ВитГо

гм… вот только разработали светодиодный индикатор для 2-4 S… но об 1S как то не задумывались… да и действительно проще простейшую пищалку сделать с включением по минимальному порогу и все…

supremum2005

Купил такую штуку как первом сообщении. Хотел приспособить в фонарик с тремя банками кадмия. Сейчас вроде бы не нужна. Могу дать на попробовать - погонять. Тем более переслать в Киев служебной почтой - дело одних суток.

Карабас

Ну вот если дружите с микроконтроллерами, то можно взять за основу проект в приложенном файле. Пять вариантов писка по мере просадки от 3,2В до 2,8В. Я правда не смог найти громкую пищалку, поставил от компа. Для моих целей, не самолетных - громкости хватает.

ogr3v.rar

inetchik
Dimac:

типа вот. тут для 2-3 банок, подбором R1 и R2 можно сделать для 1 банки.
Излучатель нужен со встроенным генератором.

Испытал чуток другую - работает, но R1, R3 - 1КОм, R2 - 2,7КОм , VD(1,2) не ставил. ТЛку (AZ431BZ AG1) вытащил из “погибшего” адаптера на 12В 2А, светодиод - китайская пиранья из фонарика.
Светодиод включился после снижения напряжения до ~ 3,4В по прибору UT203.
Пользовался формулой 2,5V*(1+(R1/R2)).
Спасибо всем за поднятую и ОЧЕНЬ востребованную тему - со дня на день жду квадрокоптер комнатный для карапуза на однобаночной липольке.

van11

Хочу запитать устройство от 1S li-Po аккумулятора,ток менее 1A. Есть ли схема ограничения от глубокого разряда? Где-то видел,что использовали встроенный чип,из аккумулятора от сотового телефона. Не могу найти статью. Может кому-то попадалась? Заранее спасибо. С уважением. Извините за оффтоп.

inetchik
van11:

Хочу запитать устройство от 1S li-Po аккумулятора,ток менее 1A. Есть ли схема ограничения от глубокого разряда? Где-то видел,что использовали встроенный чип,из аккумулятора от сотового телефона. Не могу найти статью. Может кому-то попадалась? Заранее спасибо. С уважением. Извините за оффтоп.

1 pcs PCB for 3.7V 16340 18650 Li-ion Lipo Battery Pack

volli

Привет.
Вот схема, аналогичная указанои в 11 посту.
К сожалению не помню источник,откуда была сты…взята.


К сожалению не смог вложить описание в Word, кому интересно, вышлю на мыло
Владимир.

inetchik
kasimsot:

нету “-11” на сейчас.

volli:

Привет.
Вот схема, аналогичная указанои в 11 посту.
К сожалению не помню источник,откуда была сты…взята.


К сожалению не смог вложить описание в Word, кому интересно, вышлю на мыло
Владимир.

Когда тлка сработает - ток через излучатель очень грустный будет (пол стрелочки) =)).
Даже в 11том 4.2(мах)/R3(1000 Om) = мало, а в мануале вроде 100мА написано - вот только я не спец в даташниках и расчётах. А так заманчиво-б было - 3.4В*.1А = громкая пищалка, моргалка, светилка.

???
ТРЕБУЕТСЯ ПОМОЩЬ СПЕЦОВ - ИНЖЕНЕРОВ - МОЖЕТ ТЛКА СИЯ 100 МА ПРИ 4.2В ВЫДЕРЖАТЬ ДОЛГОВРЕМЕННО ?
КАКОЙ МАКСИМУМ ?
???

Dimac:

типа вот. тут для 2-3 банок, подбором R1 и R2 можно сделать для 1 банки.
Излучатель нужен со встроенным генератором.

Жду детали :
10 X Active Passive Buzzer Alarm 3v Sounder 92DB;
SALE New 20pcs X 2N7000 MOSFET N-CHANNEL 60V 0.2A TO-92 Transistor Free Shipping;
Set of 6 Continuous Sound Piezo Buzzers IC Alarm 12V;
5 pcs Active Buzzer Magnetic Long Continous Beep Tone Alarm Ringer 12mm 3V New и прочее
от сюда - ебэй.

vikar:

Вчера еще нашел и испытал вот такую схемку.
Изменил резистор 3,3 КОм, на 8,2 КОм, пищалка начинает пищать при 3,4 В. Мож кому пригодится.

С ув. Виктор.

А пищалка тут с генератором или пассивная ?

vikar

Вот, именно такую мне прислал Александр (supremum2005) на пробу.

А пищалка тут с генератором или пассивная ?

А как понять? Пищит при подаче напруги.

С ув. Виктор.

inetchik
vikar:

Вот, именно такую мне прислал Александр (supremum2005) на пробу.

С ув. Виктор.

Сколько весит без проводов и при каком напряжении срабатывает ?

vikar:

А как понять? Пищит при подаче напруги.

С ув. Виктор.

Пищит, сам излучатель - BUZZER - ( без доп деталек), от батарейки - активная (с генератором), цокает от батарейки - пассивная ( без генератора).
В Питере за активную просят около сотни рублей - не гуманно, рыночные отношения однако.

=)

vikar:

Вот, именно такую мне прислал Александр (supremum2005) на пробу.
С ув. Виктор.

И фотки с двух сторон было-бы здорово.=)

vikar

Сколько весит без проводов и при каком напряжении срабатывает ?

Без проводов 3 гр.
Еще не тестировал. В ближайшее время проведу испытания, результаты выложу.

Пищит, сам излучатель - BUZZER - ( без доп деталек)

Да, именно так. Пищит от батарейки. покупал на рынке пару лет назад, сколько стоит уже не вспомню. Буду на рынке узнаю.
Может возможно использовать пищалку из компов? На компьютерных фирмах их должны вагонами складировать или выбрасывать.

И фотки с двух сторон было-бы здорово.=)

Прозрачную термоусадко прорезал (Александр, Вы это не читайте, потом аккуратненько термоусажу, если чего 😃 ), а со стороны микросхемы еще наклеена черная полоска пенорезины. Ее отрывать не хочется, приклеено на совесть, можно попортить деталюхи. Думается, что там стоит чип с прошивкой. При включении, одну-две секунды проиисходит инициализация, потом зажигается голубой светодиод и горит пока напруга выше порога срабатывания (подключал заряженную банку). Если подключить розряженную (подключал 2 баночки металгидрида), те же 1-2 секунды на подумать, начинает пищать и гореть (или мигать, не запомнил) красный светодиод.

С ув. Виктор.

vikar

Всех приветствую.

Провел испытания индикаторов.
Подопытные:

  1. Фабричный с НК.
  2. Самодельный по схеме из поста №5.

Оба бузера были подключены параллельно.

  1. Ток покоя - 5 мА.
    При розряде аккума до 3,51 вольт индикатор мирно горит синим пламенем 😃 , всмысле синим светодиодом.
    С 3,5 до 3,4 В синий светодиод мигает, примерно раз в секунду. Бузер молчит.
    С 3,4 до 3,2 В загорается красный светодиод и бузер начинает попикивать, где-то раз в секунду.
    Ниже 3,2 В бузер орет как ненормальный, а красный светодиод часто мигает.
    Ток в режиме тревоги 15-20 мАч.

  2. Ток покоя предельно низкий, около 5 микро А.
    Бузер начал заводится при 3,3 В. Попискивая в такт движениям серв.
    При 3,2 В начал орать постоянно.
    Ток в режиме тревоги - 10 мА.

Терзал батарейку до 2,4 Вольт. Кстати приемыш Сорона 2,4 вполне сносно работает до 2,4 В. Так же, “на борту” трудились 2 мошонки НХТ-900 и одна НХТ -500. Сервы начали сбоить при 2,5 В. При 2,4 все замолчало, кроме бузеров.

Кто не видел, здесь испытания однолиповых питателей для металок. Там в тесте участвовала система ФрСкай. Эти две темы служат одной цели, безопасно запитать металки однолиповыми батарейками. 😃
Кстати, заказал на НК раундлипо, круглые полимерки на 900 и 1200 мАч. Приедут и их потестим.

Выводы делайте сами.
Благодарю за внимание.

С ув. Виктор.