Помогите разобраться с Глонасс модулем
Помогите разобраться с Глонасс модулем
Помогите разобраться с Глонасс модулем
Хочу вот такой модуль naviaglonass.ru/ml8088s поставить вместо такого www.electronicarc.com/catalogo/product_info.php?cP…
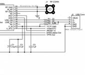
вот схема глонас
куда чего мне подключить?
какую антенну лучше использовать?
Наверно полезно прочитать даташит … А так - земля, питание , TxD NMea
RST On на +3.3 я думаю …
а эти контакты не подключать?
+vbat
on off
Александр, там в даташите словами все разжевано ИМХО очень доступно, почитайте. Стр. 18, 19, 20.
Если коротко, батарею можно не подключать. На OnOff надо лог.1.
Осень хороший модуль! Я такой юзаю. Здоровый правда. Как подключать - в дадашите понятно. На антенне присутствует 3.3в для активной антенны.
Drinker :
Да ну?! Какой же он здоровый? Вы наверно путаете его с GL8088s
Drinker :
На антенне присутствует 3.3в для активной антенны.
а есть маленькие активные антенны?
В даташите написано что работает как с активной так и с пассивной антенной. Мне кажется подойдет антенна от любого GPS приемника.
BAU :
Вы наверно путаете его с GL8088s
А, ну да, увидел цифры и схемку. У меня ГЛ.
Про МЛ не знаю.
Некоторое время назад общался с разработчиками. Есть некая разница между ними в плане характеристик. Хорошо, что прошивку можно обновлять.
cstrike :
а есть маленькие активные антенны?
Вы собираетесь разносить антенну от приёмника на метры? Если нет, то активная нафиг не нужна.
Пассивные по доллару штука.
BAU :
В даташите написано что работает как с активной так и с пассивной антенной.
решил взять такую антенну www.telecamera.ru/catalog/…/BY_GPS_07.htm
активная, габариты не очень маленькие, корпус конечно выкину.
1,2,4,5,6,7 контакты надо соединить и подать на землю антенны?
я в схемотехники полный чайник, но этот чип очень нужен, подскажите чем отличается на схеме GND от AGNG и AGND? их все соединять ?
нет ли готового модуля с антенной, чтобы на выходе было 3 провода 3.3 вольта , TX NMEA и земля?
Александр,
Общий высокочастотной части 20, 22 RF GND
Общий цифровой части Power 6, 17 GND
Первые на землю антенны, вторые на массу питания.
Смотрите на вторую схему, первая для GL!
cstrike :
Характеристики
Частотный диапазон: 1575 МГц;
Это только GPS L1.
Если нужен ещё Глонасс, ищите поддержку 1602 МГц
Не просто маленький - даже не ожидал…
на что будете устанавливать? на какой автопилот?
RVOSD5. Только сначала запустить и разобраться надо. Может антенну поменьше - эта 4 дб - здоровенная… Как всегда - проблема - свободное время.
P.S. Заказывал с доставкой - ездить некогда. Оплата на месте. www.terraelectronica.ru/index.php - они и Компел указаны на сайте производителя.
И USB есть на борту.
кто нибудь летает с глонасс?
cstrike :
кто нибудь летает с глонасс?
rcopen.com/forum/f123/topic287781/441
{"assets_hash":"a8b26fa7f6e768b07a72c8c9aadb9422","page_data":{"users":{"4357e9403df955007778eb58":{"_id":"4357e9403df955007778eb58","hid":9713,"name":"Фарлеп","nick":"Фарлеп","avatar_id":null,"css":""},"4405a56c3df955007778c8e5":{"_id":"4405a56c3df955007778c8e5","hid":12374,"name":"SGordon","nick":"SGordon","avatar_id":null,"css":""},"440bf9623df955007778c7f0":{"_id":"440bf9623df955007778c7f0","hid":12482,"name":"Unav","nick":"Unav","avatar_id":null,"css":""},"4749bd483df955007777fa1b":{"_id":"4749bd483df955007777fa1b","hid":29432,"name":"DenisK","nick":"DenisK","avatar_id":null,"css":""},"497a0c983df9550077772d03":{"_id":"497a0c983df9550077772d03","hid":43244,"name":"Oliver","nick":"Oliver","avatar_id":null,"css":""},"4a7734ae3df955007776b7eb":{"_id":"4a7734ae3df955007776b7eb","hid":51698,"name":"al90100","nick":"al90100","avatar_id":null,"css":""},"4ca391243df955007775bf4d":{"_id":"4ca391243df955007775bf4d","hid":72490,"name":"cstrike","nick":"cstrike","avatar_id":null,"css":""},"4cf8a79d3df955007775929c":{"_id":"4cf8a79d3df955007775929c","hid":75888,"name":"BAU","nick":"BAU","avatar_id":null,"css":""},"4d2db9553df95500777578d8":{"_id":"4d2db9553df95500777578d8","hid":78133,"name":"Drinker","nick":"Drinker","avatar_id":null,"css":"user__m-banned"}},"settings":{"can_see_ip":false,"can_report_abuse":false,"can_see_hellbanned":false,"forum_can_view":true,"forum_can_reply":false,"forum_edit_max_time":30,"forum_can_close_topic":false,"forum_show_ignored":false,"forum_mod_can_delete_topics":false,"forum_mod_can_hard_delete_topics":false,"forum_mod_can_see_hard_deleted_topics":false,"forum_mod_can_edit_posts":false,"forum_mod_can_pin_topic":false,"forum_mod_can_edit_titles":false,"forum_mod_can_close_topic":false,"can_vote":false,"forum_mod_can_add_infractions":false,"forum_topic_title_min_length":10,"forum_reply_old_post_threshold":30,"votes_add_max_time":168,"forum_show_post_interval":7,"can_see_deleted_users":false},"section":{"_id":"61c9a54c3df9550077bb5186","hid":90,"title":"Полёты по камере, телеметрия","parent":"61c9a54c3df9550077bb50fc","description":"Бортовые видеокамеры, передатчики видео, видеоочки, обсуждение полётов по камере.","is_category":false,"is_votable":true,"is_writable":true,"cache":{"topic_count":3154,"post_count":433372,"last_post":"691cf63feede43b1c4f9900b","last_topic":"635e349add64ea9bf5338593","last_topic_hid":571586,"last_topic_title":"Выбор цифровой FPV","last_ts":"2025-11-18T22:42:07.190Z","last_user":"5469d13d3df9550077723996"}},"topic":{"_id":"5049cfd03df95500772f60bb","hid":291984,"title":"Помогите разобраться с Глонасс модулем","views_count":2202,"last_post_counter":20,"cache":{"post_count":20,"first_post":"5049cfd03df95500772f6eca","first_ts":"2012-09-07T10:43:28.000Z","first_user":"4ca391243df955007775bf4d","last_post":"517ffa673df95500772f6ef0","last_post_hid":20,"last_ts":"2013-04-30T17:07:51.000Z","last_user":"4357e9403df955007778eb58"},"st":1,"section":"61c9a54c3df9550077bb5186"},"subscription":null,"pagination":{"total":20,"per_page":25,"chunk_offset":0},"posts_list_before_post":["paginator","datediff"]},"locale":"en-US","user_id":"000000000000000000000000","user_hid":0,"user_name":"","user_nick":"","user_avatar":null,"is_member":false,"settings":{"can_access_acp":false,"can_use_dialogs":false,"hide_heavy_content":false},"unread_dialogs":false,"footer":{"rules":{"to":"common.rules"},"contacts":{"to":"rco-nodeca.contacts"}},"navbar":{"tracker":{"to":"users.tracker","autoselect":false,"priority":10},"forum":{"to":"forum.index"},"blogs":{"to":"blogs.index"},"clubs":{"to":"clubs.index"},"market":{"to":"market.index.buy"}},"recaptcha":{"public_key":"6LcyTs0dAAAAADW_1wxPfl0IHuXxBG7vMSSX26Z4"},"layout":"common.layout"}