sp.kfz.184 Ferdinand(Elefant) 1:16

VladimirM

Kerby77, Большое спасибо за ссылку, попробуем заказать.

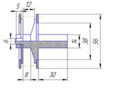
Сделал эскиз заднего катка. Резьбовые соединения не указаны, но звезды точно будут крепиться винтами.
И еще вопрос? не срежет ли винты М2 от усилия?

Kerby77
VladimirM:

Сделал эскиз заднего катка. Резьбовые соединения не указаны, но звезды точно будут крепиться винтами.

Что за звезды? Эскиз чего - катка или ведущего колеса?

ДешЁвых моделей не бывает, игрушки в детском мире сейчас и то стоят денег. На этом форуме ни в одной ветке нет дешевых моделей, ибо данное хобби подразумевает вложение энной суммы денег. Коли это твоя первая модель, лучше подкопи деньжат и купи себе нормального Федора (хотя бы здесь - tankzone.ecwid.com/simple-store#!/~/product/catego… (не реклама), приведи его в должный вид и будет тебе счастье.

П.С. Раньше, некоторые зарубежные авторы, строя Фердинанда, использовали запчасти (гуси, ведущие и катки) от Тигра-1. Не совсем копийно, зато экономит время-деньги. Т.е. тебе останется сделать только верх. Если интересно - найду ссылку скину позже.

YAKOV

Для информации:

www.youtube.com/watch?v=7o41LnNMVNk

Любил эту передачу смотреть (до сих пор лежат видео кассеты со всеми сериями этой передачи, с телевизора записывал) 😃

VladimirM

Kerby77, Был представлен эскиз ведущего колеса.

Звезды, эт я так назвал сменный зубчатый венец, который можно было бы заменить в случае чего. (вроде они все одинаковые что на ленивце, что на ведущем, всего 8 штук) Да и без него проще изготовить “тело” колеса.

Вот попытался набросать вид сбоку на скорую руку, сильно не пинайте, а то уже спать хочется.

PS: Чет с вашими отговорками еще больше хочется его сделать самому, да и в масштабе 1:8 (для большей детализации).
Я понимаю что эта затея стоит дорого, и я не стремлюсь его построить за неделю или месяц. Но вот уже как несколько недель ложусь спать продумываю как сделать то или иное. И ведь многих из вас спрашивали “и во сколько это удовольствие обошлось?” и вы отвечаете “ну там пару десятков тысяч”, но согласитесь вы же не сразу продали свою почку и вложили все свои деньги в игрушку, я думаю можно пару тысяч в месяц вложить в свое хобби. Да и по мне построить своими руками всегда приятнее, чем что-то готовое, не всегда желаемого качества.

Snegus
VladimirM:

вот уже как несколько недель ложусь спать продумываю как сделать то или иное.

Это добрый знак 😃, удачи Вам в постройке.

ZigZag_ZZ
VladimirM:

Да и по мне построить своими руками всегда приятнее,

Кто бы спорил,Папирус тебе в помощь!
Он Дока в самоделках, кури его темы как букварь, тем паче на 8-ку замахнулся…

kostya1965
VladimirM:

Да и по мне построить своими руками всегда приятнее, чем что-то готовое, не всегда желаемого качества.

Владимир , удачи вам в постройке и получения только положительных эмоций от проделанной работы . А сколько уйдёт времени на строительство не очень важно , главное что бы модель увидела просторы уличных газонов. ( Я своего Тигра три года строгал . )

9 days later
VladimirM

Ну вот, последнее время не мог уделить своим мыслям и творчеству, т.к.

  1. Сломалась машина, как следствие вытекает во 2е.
  2. Пришлось весь вечер + ночь делать 2ю, благо запчасти были уже на руках, но все времени не было.
  3. Начальство попросило пойти на переработку
    Ну и саме главное был заморочен в поисках и покупкой подручных инструментов, в итоге приобретено:

Jet JDP-8L и станок вроде как 1д601.
Первый, новый, взял через знакомого за 2000рублей.
Второй, хорошо забытый старый (б\у), за 6000рублей,
Поэтому пока все свободное время будет потрачено к последнему на доработку.
Нужно заменить двигатель, и скорее всего ремень, а так же заменить стол-ящик, на котором это все собрано, короче настроить и скомпановать под себя.

И опять было переосмыслено строение ленивца и ведущего для технологичности изготовления и взаимозаменяемости, но чертеж пока не делал, все в голове сидит. Наверняка, когда изображу, опять что-нить в голову придет.

Выражаю очень большую благодарность Orche, за предоставленую литературу по “Феде” и “Tiger P”

Пока на этом все.