Подвес Tarot gopro t-3d iv metal gimbal hero 4 session tl3t02
Всем добрый день.
Приобрел данный подвес специально для камеры GO PRO HERO 4 SESSION.
ссылка на разработчика
ссылка на конфигуратор и драйвера
Заработал сразу, без каких либо проблем. Управляется в программе так же без претензий.
Вся конструкция в принципе вызывает доверие в прочности.
Немного раздосадовало, что при наклонах вправо подвес имеет ход в 80 градусов. Далее подвес упирается в платформу. В принципе это все описано в характеристиках, но тем не менее. Подвес не может крутиться по YAW на 360град. Но и это описано в характеристиках.
Но все же есть один момент. Пока что веду переписку с продавцом. Китаец, с красивым именем Nina, пока не понимает что я от него хочу…
В общем: Взял камеру, установил ее в штатный бокс. Этот бокс крепится к подвесу. Все красиво и все встает на свои места. Подвес работает. Через конфигуратор управляется. Но есть один момент:
Вот тут на платформе есть выход Video:
… а как подключить камеру к подвесу не сразу понятно.
При внимательном изучение обнаружился четырехконтактный разъем на последней оси. Вот тут:
… и в связи с этим разумно предположить, что от этого коннектора и подключается камера. Но никакого провода в комплекте не идет…
Может кто поможет с решением вопроса подключения камеры к подвесу? Т.к. если этого не сделать, то огромная часть функционала (если не весь) теряется!
При этом стоит упоминуть, что разъем подключения у камеры закрыт водонепроницаемой шторкой. И эта шторка не может открыться (полноценно открыться) пока она в заводской рамке как показано на рисунке:
Возможно такой провод подойдёт ru.aliexpress.com/item/…/32723522312.html?algo_exp…
Возможно такой провод подойдёт ru.aliexpress.com/item/Feiyu...StoreLevelAB=5
Спасибо за наводку. Но почему не такой кабель? Разница в три раза по цене. По сути одно и то же. Но нигде не указывается что за JST коннектор…
Даже если это тот коннектор, то остается вопрос о том, как предполагалось открывать шторку для втыкания коннектора…
Возможно распайка USB разъёмов Gopro и SJ не совпадает - надо будет искать распиновку и перепаивать под Gopro.
По шторке не подскажу, у меня runcam 3 и у него USB выход со стороны мотора - жду плоский поворот MicroUSB на 90 градусов и буду пробовать колхозить подключение.
Возможно распайка USB разъёмов Gopro и SJ не совпадает - надо будет искать распиновку и перепаивать под Gopro.
По шторке не подскажу, у меня runcam 3 и у него USB выход со стороны мотора - жду плоский поворот MicroUSB на 90 градусов и буду пробовать колхозить подключение.
Дык это же обычный микро-usb. Там по другому не может быть распиновки. Это стандарт: “+”, “Rx”, “Tx”, “-”. Да и перепаивать не надо будет, просто пины поменять в случае чего.
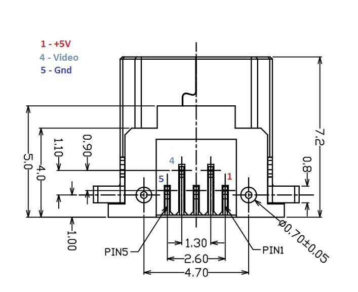
нет, там из 4 проводков, два на землю - Video, VGnd, +5V, Gnd. VGnd и Gnd спаяна на одном коннекторе USB разъёма. Еще на одном +5V. А всего коннекторов на USB разъёме 5. Т.е. на каком-то из 3 оставшихся нужный нам видеосигнал. Возможно у SJ и Gopro разъёмы разные.
Вот пример распиновки из соседней темы про подобный подвес rcopen.com/forum/f123/topic454184/62
В гугле что то пишут про runcam 3, может по красоте влезет 😃 Там v-out есть
Пришел разъём ru.aliexpress.com/item/…/32806992515.html
Отрезал выступающую часть, прозвонил, припаял.
Почти не выступает.
Использовал провод с JST коннектором отсюда ru.aliexpress.com/item/…/32637341857.html
58vvp5621
Отлично! Полосы на экране не дает встроенный бек подвеса, как у младшего брата? GND провода нет, значит весь ток зарядки камеры пойдет по VGND, может сказаться на качестве сигнала.