Хозяин аппы, умудрился переплюсовать при подключении питания. Вскрытие показало, что 12 лапая микросхемка выгорела, так до невозможности рассмотреть надписи на ней. Может, кто знает, что за микросхемка стоит обозначенная на фото в правом нижнем углу, красной стрелкой или имеет данную аппу и может вскрыть заднюю крышку и списать обозначение детальки.
Это микросхема 4066, набор ключей, коммутирует направление РРМ-сигнала при манипуляциях с тумблером “Тренер”… Не дефицитна… В крайнем случае, если не планируете никого тренировать, можно обойтись без нее, подключив РРМ перемычкой…
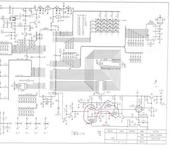
Прикладываю схему… Не очень качественную, но разобраться можно… Ключи 4066 обведены красным…
!!!
!!!
Руслан, фото очень маленького разрешения, плохо просматривается надпись …А0788? правильно рассмотрел?
Из того, что рассмотрел на своем:
( x - это то, что не смог разглядеть)
HE x4066BT
AB895 11
xn02506
Фоткал через лупу
HEF4066BT
{"assets_hash":"a8b26fa7f6e768b07a72c8c9aadb9422","page_data":{"users":{"4644cd983df9550077784571":{"_id":"4644cd983df9550077784571","hid":23017,"name":"san_AA","nick":"san_AA","avatar_id":null,"css":"user__m-banned"},"484fc36b3df955007777a063":{"_id":"484fc36b3df955007777a063","hid":35418,"name":"Pav_13","nick":"Pav_13","avatar_id":null,"css":""},"4c70f44a3df955007775d5af":{"_id":"4c70f44a3df955007775d5af","hid":70717,"name":"metronom","nick":"metronom","avatar_id":null,"css":""},"4debaab73df9550077751abb":{"_id":"4debaab73df9550077751abb","hid":89912,"name":"russlik","nick":"russlik","avatar_id":null,"css":""},"4e9e8f323df955007774d082":{"_id":"4e9e8f323df955007774d082","hid":102788,"name":"Игорь_Авиаа","nick":"Игорь_Авиаа","avatar_id":null,"css":""}},"settings":{"can_see_ip":false,"can_report_abuse":false,"can_see_hellbanned":false,"forum_can_view":true,"forum_can_reply":false,"forum_edit_max_time":30,"forum_can_close_topic":false,"forum_show_ignored":false,"forum_mod_can_delete_topics":false,"forum_mod_can_hard_delete_topics":false,"forum_mod_can_see_hard_deleted_topics":false,"forum_mod_can_edit_posts":false,"forum_mod_can_pin_topic":false,"forum_mod_can_edit_titles":false,"forum_mod_can_close_topic":false,"can_vote":false,"forum_mod_can_add_infractions":false,"forum_topic_title_min_length":10,"forum_reply_old_post_threshold":30,"votes_add_max_time":168,"forum_show_post_interval":7,"can_see_deleted_users":false},"section":{"_id":"61c9a54c3df9550077bb50a8","hid":4,"title":"Аппаратура радиоуправления","parent":"61c9a54c3df9550077bb50fc","description":"Приёмники и передатчики для радиоуправляемых моделей.","is_category":false,"is_votable":true,"is_writable":true,"cache":{"topic_count":9176,"post_count":222134,"last_post":"68cbcb5c44153b386535954f","last_topic":"689edf25eede43b1c460b197","last_topic_hid":572627,"last_topic_title":"Сваливание на крыло при автостарте.","last_ts":"2025-09-18T09:05:32.068Z","last_user":"5ede3f823df95500776f51bb"}},"topic":{"_id":"51aacbfd3df95500771c6916","hid":323276,"title":"Помогите опознать в Hitec Eclipse 7 деталюшку","views_count":1072,"last_post_counter":6,"cache":{"post_count":6,"first_post":"51aacbfd3df95500771c72c4","first_ts":"2013-06-02T04:37:17.000Z","first_user":"4644cd983df9550077784571","last_post":"51af15203df95500771c72ce","last_post_hid":6,"last_ts":"2013-06-05T10:38:24.000Z","last_user":"4c70f44a3df955007775d5af"},"st":1,"section":"61c9a54c3df9550077bb50a8"},"subscription":null,"pagination":{"total":6,"per_page":25,"chunk_offset":0},"posts_list_before_post":["paginator","datediff"]},"locale":"en-US","user_id":"000000000000000000000000","user_hid":0,"user_name":"","user_nick":"","user_avatar":null,"is_member":false,"settings":{"can_access_acp":false,"can_use_dialogs":false,"hide_heavy_content":false},"unread_dialogs":false,"footer":{"rules":{"to":"common.rules"},"contacts":{"to":"rco-nodeca.contacts"}},"navbar":{"tracker":{"to":"users.tracker","autoselect":false,"priority":10},"forum":{"to":"forum.index"},"blogs":{"to":"blogs.index"},"clubs":{"to":"clubs.index"},"market":{"to":"market.index.buy"}},"recaptcha":{"public_key":"6LcyTs0dAAAAADW_1wxPfl0IHuXxBG7vMSSX26Z4"},"layout":"common.layout"}