Сломалась недавно магнитола mystery mmd-3002.
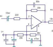
Решил я из нее сделать усилитель для саба. У нее есть выход для сабвуфера, поэтому я решил разобраться, какой сигнал (отфильтрованный по НЧ или нет) на этом выходе. Нашел на просторах интернета схему магнитолы и в ней нашел место, которое отвечает за выход на сабвуфер. Для простоты понимания нарисовал ее.
Вопрос:
Является ли данная схема фильтром низких частот?
А что за микруха, операционник?
Да, является.
А что за микруха, операционник?
На схеме и на самой микросхеме (то, что смог разобрать) именно так и написано. В инете пишут, что это сдвоенный операционный усилитель.
Да, является.
Значит, будем собирать.
{"assets_hash":"a8b26fa7f6e768b07a72c8c9aadb9422","page_data":{"users":{"3ff69d1e3df95500777955a3":{"_id":"3ff69d1e3df95500777955a3","hid":2659,"name":"ADF","nick":"ADF","avatar_id":null,"css":""},"48fde7fb3df9550077776569":{"_id":"48fde7fb3df9550077776569","hid":39699,"name":"Stracher","nick":"Stracher","avatar_id":null,"css":""},"4bc831be3df9550077761fe1":{"_id":"4bc831be3df9550077761fe1","hid":64479,"name":"Evguenis","nick":"Evguenis","avatar_id":null,"css":""}},"settings":{"can_see_ip":false,"can_report_abuse":false,"can_see_hellbanned":false,"forum_can_view":true,"forum_can_reply":false,"forum_edit_max_time":30,"forum_can_close_topic":false,"forum_show_ignored":false,"forum_mod_can_delete_topics":false,"forum_mod_can_hard_delete_topics":false,"forum_mod_can_see_hard_deleted_topics":false,"forum_mod_can_edit_posts":false,"forum_mod_can_pin_topic":false,"forum_mod_can_edit_titles":false,"forum_mod_can_close_topic":false,"can_vote":false,"forum_mod_can_add_infractions":false,"forum_topic_title_min_length":10,"forum_reply_old_post_threshold":30,"votes_add_max_time":168,"forum_show_post_interval":7,"can_see_deleted_users":false},"section":{"_id":"61c9a54c3df9550077bb50ab","hid":6,"title":"Курилка","parent":"61c9a54c3df9550077bb5123","description":"Разговоры на общие околомодельные темы.","is_category":false,"is_votable":true,"is_writable":true,"cache":{"topic_count":8213,"post_count":312967,"last_post":"686a557344153b3865a4b2c5","last_topic":"5fdd01443df9550077bd92a2","last_topic_hid":561889,"last_topic_title":"Вакцина от Ковид.","last_ts":"2025-07-06T10:52:35.198Z","last_user":"4b266b503df9550077766e9e"}},"topic":{"_id":"560623623df9550077eee7bf","hid":427031,"title":"Фильтр низких частот для сабвуфера автомобиля","views_count":1314,"last_post_counter":4,"cache":{"post_count":4,"first_post":"560623623df9550077eeeaa0","first_ts":"2015-09-26T04:47:30.000Z","first_user":"48fde7fb3df9550077776569","last_post":"560645293df9550077eeeaa6","last_post_hid":4,"last_ts":"2015-09-26T07:11:37.000Z","last_user":"48fde7fb3df9550077776569"},"st":1,"section":"61c9a54c3df9550077bb50ab"},"subscription":null,"pagination":{"total":4,"per_page":25,"chunk_offset":0},"posts_list_before_post":["paginator","datediff"]},"locale":"en-US","user_id":"000000000000000000000000","user_hid":0,"user_name":"","user_nick":"","user_avatar":null,"is_member":false,"settings":{"can_access_acp":false,"can_use_dialogs":false,"hide_heavy_content":false},"unread_dialogs":false,"footer":{"rules":{"to":"common.rules"},"contacts":{"to":"rco-nodeca.contacts"}},"navbar":{"tracker":{"to":"users.tracker","autoselect":false,"priority":10},"forum":{"to":"forum.index"},"blogs":{"to":"blogs.index"},"clubs":{"to":"clubs.index"},"market":{"to":"market.index.buy"}},"recaptcha":{"public_key":"6LcyTs0dAAAAADW_1wxPfl0IHuXxBG7vMSSX26Z4"},"layout":"common.layout"}