Кто что скажет про моторчик Turnigy AquaStar 3520-1700KV? Он под водяное охлаждение но интересует вопрос, если он не будет использоваться на полною мощность, может и на 50% от всех возможностей. Подвод охлаждения является ли обязательным? Или надо щупать после использования?
Кто что скажет про моторчик Turnigy AquaStar 3520-1700KV?
А куда такую мощь???
А куда такую мощь???
тут даже не мощность, а обороты, даже на 6в будет больше десяти тысяч, а на 12в за двадцать перевалит
Turnigy AquaStar 3520-1700KV
спортивный мотор для скоростных моделей
Ну 1700 не 3000, просто этот можно взять на месте по неплохой цене. Что-то с хоббикингом неохота связываться, а на алике ничего не нашёл нормального.
Ну если вы делаете лодку для скоростного завоза…
Подвод охлаждения является ли обязательным? Или надо щупать после использования?
У меня на первом тримаране (L=460), стоял бесколлекторник XK2860-B-2700KV, от силы 30% мощности, был еле теплый. Хотя охлаждение делал через алюминиевый киль, бандажом.
рекомендовал лучше бы Литий-ферро-полимерные аккумуляторы LiFePO4
намного более безопасные ,не взрываются,не возгораются ,не боятся механических повреждений
V_Alex писал про литий ионки а не про липошки что возгораются на видео.
Использую уже больше года литий ионки и все прекрасно работает, и никаких задатков даже нагрева.Единственное я перестал их паять начал варить как положено. Комплектую кораблики до 40 000 мач и все прекрасно в эксплуатации.
Народ я так и не смог устронитьтечь через дейдвуд Выкладываю сылку то что стоит. www.ebay.de/itm/281778870369?_trksid=p2057872.m274…
Пробовал дейдвуд набить водооталкивающим смазкой , Вода поподает но не так быстро. примерно 30минут 10-20ml воды в лодке.
Фото где вал без смазки. Вода попала за 5 минут.
Народ я так и не смог устронитьтечь через дейдвуд
Как я понял у Вас вал дейдвуда 3мм. Что можно сделать , берем две шайб с внутренним диаметром 3мм и одеваем на вал. отступаем от краев по 1,5 см и припаиваем к валу. Грубо говоря создаем камеры для заполнения смазкой. Если шайбы больше чем внутренний диаметр трубки дейдвуда то зажимаем вал в дрель и стачиваем напильником до нужного диаметра. Надеюсь Вы суть уловили. Хуже точно не будет и должно помочь.
Если шайбы больше чем внутренний диаметр трубки дейдвуда то зажимаем вал в дрель и стачиваем напильником до нужного диаметра.
а может промасленные войлочные пыжи одетые на вал?
а может промасленные войлочные пыжи одетые на вал?
Ну или так. Но все равно нужно ограничить движение смазки в дейдвуде.
Ну или так. Но все равно нужно ограничить движение смазки в дейдвуде.
однозначно!
сегодня после небольшой переделки решил испытать кораблик, а получился краш тест)))
Спасибо буду пробовать. незнаю правдо где войлок взять в германии 😃
Еще вопрос, а если в центр налить машинного масла, а по краям смазку . www.ebay.de/itm/FrSky-GPS-v2-/152076367971?hash=it…
Ктонебуть знает можно ли этот сенсор использовать для маркирования точки, чтобы потом кораблик возврощался на тоже место где был сделан сброс
Есть полировочные насадки небольшого диаметра для бормашинок - они из войлока.
где войлок взять в германии
охотничий магазин пыжи ,подкладки под мебель в хоз.магазинах
ок . у меня сосед охотник спрошу у него
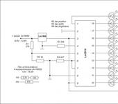
Кто-то спрашивал схемку на индикатор разряда, вот схемку нарыл. Описание микросхемы
{"assets_hash":"a8b26fa7f6e768b07a72c8c9aadb9422","page_data":{"users":{"4d6da1a63df9550077755644":{"_id":"4d6da1a63df9550077755644","hid":82257,"name":"Probelzaelo","nick":"Probelzaelo","avatar_id":null,"css":""},"4f11a7353df9550077749af1":{"_id":"4f11a7353df9550077749af1","hid":110405,"name":"ggenn","nick":"ggenn","avatar_id":null,"css":""},"500414b73df9550077742127":{"_id":"500414b73df9550077742127","hid":122457,"name":"Carpfish","nick":"Carpfish","avatar_id":null,"css":""},"50f2115f3df955007773b9f3":{"_id":"50f2115f3df955007773b9f3","hid":133583,"name":"puss5","nick":"puss5","avatar_id":null,"css":""},"52f2076a3df955007772c7ec":{"_id":"52f2076a3df955007772c7ec","hid":195069,"name":"Kosta23rus","nick":"Kosta23rus","avatar_id":null,"css":""},"55caea4f3df955007771a992":{"_id":"55caea4f3df955007771a992","hid":231295,"name":"Snake93rus","nick":"Snake93rus","avatar_id":null,"css":""},"5752d8c23df9550077710820":{"_id":"5752d8c23df9550077710820","hid":251894,"name":"apfel2","nick":"apfel2","avatar_id":null,"css":""},"5772d3903df955007770fc8e":{"_id":"5772d3903df955007770fc8e","hid":253002,"name":"TGOdessa","nick":"TGOdessa","avatar_id":null,"css":""}},"settings":{"can_see_ip":false,"can_report_abuse":false,"can_see_hellbanned":false,"forum_can_view":true,"forum_can_reply":false,"forum_edit_max_time":30,"forum_can_close_topic":false,"forum_show_ignored":false,"forum_mod_can_delete_topics":false,"forum_mod_can_hard_delete_topics":false,"forum_mod_can_see_hard_deleted_topics":false,"forum_mod_can_edit_posts":false,"forum_mod_can_pin_topic":false,"forum_mod_can_edit_titles":false,"forum_mod_can_close_topic":false,"can_vote":false,"forum_mod_can_add_infractions":false,"forum_topic_title_min_length":10,"forum_reply_old_post_threshold":30,"votes_add_max_time":168,"forum_show_post_interval":7,"can_see_deleted_users":false},"section":{"_id":"61c9a54c3df9550077bb5147","hid":68,"title":"Судомодели. Общий","parent":"61c9a54c3df9550077bb5111","description":"Все вопросы о судомоделях, не входящие в тематические разделы. Вопросы новичков, обмен опытом.","is_category":false,"is_votable":true,"is_writable":true,"cache":{"topic_count":1461,"post_count":66273,"last_post":"682d708b44153b3865d422f9","last_topic":"682d708b44153b3865d422f8","last_topic_hid":572617,"last_topic_title":"Первая морская лодка длиной до 1м","last_ts":"2025-05-21T06:19:55.398Z","last_user":"6826afeeeede43b1c4bc4975"}},"topic":{"_id":"49e37b833df95500779aac8a","hid":138133,"title":"BAIT BOAT для рыбалки","views_count":2766996,"last_post_counter":37945,"cache":{"post_count":37391,"first_post":"49e37b833df95500779ab59d","first_ts":"2009-04-13T17:50:59.000Z","first_user":"49e2164d3df955007776f5dc","last_post":"65d08271563b07d60394e089","last_post_hid":37945,"last_ts":"2024-02-17T09:54:57.195Z","last_user":"4d6da1a63df9550077755644"},"st":1,"section":"61c9a54c3df9550077bb5147"},"subscription":null,"pagination":{"total":37391,"per_page":25,"chunk_offset":17239},"posts_list_before_post":["paginator","datediff"]},"locale":"en-US","user_id":"000000000000000000000000","user_hid":0,"user_name":"","user_nick":"","user_avatar":null,"is_member":false,"settings":{"can_access_acp":false,"can_use_dialogs":false,"hide_heavy_content":false},"unread_dialogs":false,"footer":{"rules":{"to":"common.rules"},"contacts":{"to":"rco-nodeca.contacts"}},"navbar":{"tracker":{"to":"users.tracker","autoselect":false,"priority":10},"forum":{"to":"forum.index"},"blogs":{"to":"blogs.index"},"clubs":{"to":"clubs.index"},"market":{"to":"market.index.buy"}},"recaptcha":{"public_key":"6LcyTs0dAAAAADW_1wxPfl0IHuXxBG7vMSSX26Z4"},"layout":"common.layout"}