E-Revo 1:16 (часть 2)
Парни, только вы знаете это. Та зарядка которая предназначена для Li-Ion, подойдет ли она для Li-Po ?
Если она только для Li-Ion, то не подойдёт.
подойдет.
Если она только для Li-Ion, то не подойдёт.
потому что…? :]
я по-началу такой зарядкой для li-ion заряжал

У них же вольтаж разный.
По идеи конечно он зарядит, но не до конца.
У них же вольтаж разный.
По идеи конечно он зарядит, но не до конца.
я смотрю оба аккума один вольтаж и ток и емкость. и на зарядках так же,одинаковые параметры. разница только в емкости у аккумов. ну и 1-полимер а другой ион.
У них же вольтаж разный.
По идеи конечно он зарядит, но не до конца.
и какой же у кого вольтаж?
Ну тогда всё должно быть ок.
Просто Li-Ion обычно по 3.6 вольт. 3.7 я почти не встречал.
3.6 это раньше были такие. до 4.1v заряжались.
сейчас все липо и ли-ион на 3.7v (до 4.2 заряжаются)
и принцип заряда абсолютно одинаковый.
разница только в том что липо расчитаны на больший ток разряда и заряда. поэтому наоборот, если зарядкой от липо заряжать ли-ион, не уменьшив ток, то можно устроить костёрчик 😉
у ли-ион, при том же объеме немного большая емкость получится.
была даже мысль поставить на машинку именно ли-ион изза большей емкости

например в батарейный отсек войдет легко 6 батареек по 1200mah, т.е. допустим если из них сделать 2s, то 3 x 1200mah = 3600mah!!! а самая максимальная липо что влазит в отсек мини ревы - 2450mah
вот мои эксперименты с li-ion:
www.e-revo.net/v/#7
www.e-revo.net/v/#9
но несмотря на емкость, динамика разгона по сравнению с lipo вообще не та.
Я думаю поставить таких себе

2 штуки таких идеально в отсек влазят.
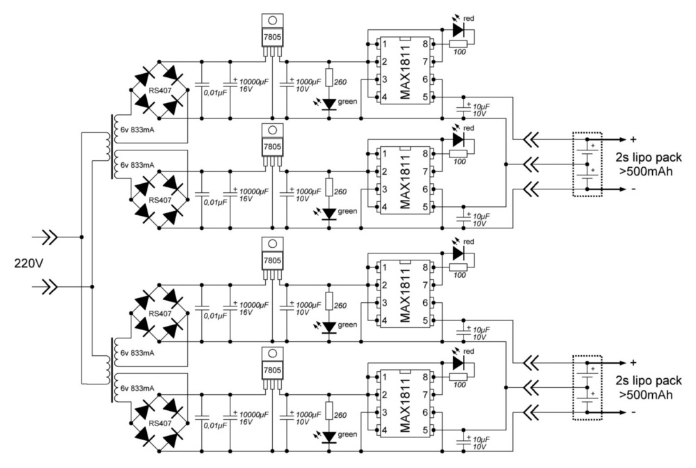
И у меня тут возник вопрос, а можно где-то достать балансир, который внутри липолек стоит или контроллер. Я что-то не пойму, что там внутри них такое стоит.
смысл?
липо лучше. и даже дешевле наверное
внутри липо ничего не стоит, провода наружу выведены и все.
www.e-revo.net/i/charger2.jpg
справа.
толстые силовые и тонкие к каждой ячейке идут для зарядки/балансира
Всё, убедил:)
Я думаю поставить таких себе
2 штуки таких идеально в отсек влазят.
И у меня тут возник вопрос, а можно где-то достать балансир, который внутри липолек стоит или контроллер. Я что-то не пойму, что там внутри них такое стоит.
Ничего там не стоит. балансир стоит обычно в зарядке или отдельно. Батареи такие не прокатят из-за слабой токоодачи. Бесколекторнник в пике жрёт 25 ампер.
сегодня первый раз за два последних месяца я катал на своей мини-ревке. вдруг, прямо во время движения, машинка остановилась… ну думаю, может регулятор перегрелся или еще чего… машинка остыла, но лампочка на регуляторе часто мигает слабо красным цветом (интенсивность свечения лампочки не как при установке NiMH аккумов а менее ярко). также выяснилось, что это происходит только при включенном пульте, т.е. если пульт выключить или включить машинку при выключенном пульте, то индикатор начинает светиться зеленым светом, как и положено при установленных LiPo. такое ощущение, что передатчик не может установить связь с приемником.
подскажите может кто сталкивался с такими симптомами? и что делать?
спасибо за внимание 😃
Продолжаю делиться опытом мелкого легкого ремонта Ревки. 😃
Неделю назад захрустели дифы… Ревка даже ездить отказалась… Печально, ведь запчасти долго идут. Разобрав дифы, увидел, что им еще жить да жить можно если поджать между собой шестерни. Выход нашел такой - подкладка шайбы между подшипником и корпусом дифа (см. рис. 😃 ). Шайбу вырезал из сим-карты (вернее та часть где ПИН и ПУК написаны). После сборки дифа в нижней его части щель увеличивается, поэтому все по кругу промазал авто прокладкой-герметиком. И в путь … Новые дифы еще не пришли, а я уже 9 уже акков откатал 2S и один 3S, полет нормальный. На моем видео выше как раз дифы с ремкомлектом.
Удачи всем. 😃
… лампочка на регуляторе часто мигает слабо красным цветом (интенсивность свечения лампочки не как при установке NiMH аккумов а менее ярко). …
подскажите может кто сталкивался с такими симптомами? и что делать? …
Была такая-же световая индикация на регуляторе.
Тоже думал, что проблема с приемником, но оказалось, что перегорела серва (было замыкание по шине питания и срабатывала защита у регулятора).
сегодня первый раз за два последних месяца я катал на своей мини-ревке. вдруг, прямо во время движения, машинка остановилась… ну думаю, может регулятор перегрелся или еще чего… машинка остыла, но лампочка на регуляторе часто мигает слабо красным цветом (интенсивность свечения лампочки не как при установке NiMH аккумов а менее ярко). также выяснилось, что это происходит только при включенном пульте, т.е. если пульт выключить или включить машинку при выключенном пульте, то индикатор начинает светиться зеленым светом, как и положено при установленных LiPo. такое ощущение, что передатчик не может установить связь с приемником.
подскажите может кто сталкивался с такими симптомами? и что делать?
спасибо за внимание 😃
И у меня тоже самое.
Серву менял и пробовал без неё.
Та же фигня.
Другой регулятор исправно заработал с той же сервой и приёмником.
Говорят это мозг регулятора накрылся.
Кстати рег такой Castle Creations 1/10 Sidewinder Sport ESC
Сегодня нужно попытать его на улице.
Кстати рег такой Castle Creations 1/10 Sidewinder Sport ESC
брал вместе с мотором?
он умеет работать с lipo?
как опробуешь, отпишись плиз как он в работе.
Morgoth
Мотор сток.
Конечно умеет, на нём же написано.😉
Дома едет отлично. 😃
Такой короче www.castlecreations.com/products/sidewinder.html
Только провода уже припаяны были.
А и ещё, настроек очень много как и в любом кастле.
Но для этого нужно это www3.towerhobbies.com/cgi-bin/wti0001p?&I=LXYWV0&P… для программирования без ПК.
или это www3.towerhobbies.com/cgi-bin/wti0001p?&I=LXGVR8&P… Для программирования с ПК.
Тормоз чума просто ,поставил 25% всего, больше не реально просто.
Машину как гвоздём прибивают.
Morgoth
Мотор сток.
Конечно умеет, на нём же написано.😉
Дома едет отлично. 😃
Такой короче www.castlecreations.com/products/sidewinder.html
Только провода уже припаяны были.
А и ещё, настроек очень много как и в любом кастле.
Но для этого нужно это www3.towerhobbies.com/cgi-bin/wti0001p?&I=LXYWV0&P… для программирования без ПК.
или это www3.towerhobbies.com/cgi-bin/wti0001p?&I=LXGVR8&P… Для программирования с ПК.
Тормоз чума просто ,поставил 25% всего, больше не реально просто.
Машину как гвоздём прибивают.
класс! я такой же взял, едет ко мне) Кстати, сначала купил Mamba Max Pro, но не смог никак приладить(( не влезает!!!
не смог никак приладить(( не влезает!!!
не влезает??? 😒
да даже с большим движком отлично влезает, не говоря уже про стоковый.
rcopen.com/forum/f76/topic118407/1851
тут без корпуса.
чуть позже выложу фоток как вчера переделал. и теперь даже с корпусом все влазит нормально!