Помогите реализовать "бортовые" заданой схемы.

Usual-boy

Нужна схема с таким режимом работы. 2 светодиода моргают по 2-3 вспышки поочерёдно, при чем в диапазоне от 9 до 12 вольт. При напряжении ниже 9ти вольт схема либо отключается либо загорается красный светодиод. Надо на обычной логике, так как с PICами связываться нет ни желания ни возможности. За ранее всем спасибо.

BALAL

Длительность вспышек - пауз между ними какая??

Usual-boy
BALAL:

Длительность вспышек - пауз между ними какая??

не принципиально. что то по типу “американских” милицейских моргалок. кратковременные вспышки.

7 days later
photocanon

триггер, счетчик, и логика 4 и-не

из серии hef40хх питание 3-15 В

отключение режима делается на компараторе, всё элементарно, если нужна схема пиши в личку договоримся…

Usual-boy
photocanon:

триггер, счетчик, и логика 4 и-не

из серии hef40хх питание 3-15 В

отключение режима делается на компараторе, всё элементарно, если нужна схема пиши в личку договоримся…

Вот у всех так просто 😃 . Нужно то то или то. Либо плати договоримся. А вот чтоб помочь безвозмездно людям по увлечению так ни когда и ни кто? Эээээээээээх куда делись те времена когда все было намного проще.

avalanch

Поясните пожалуйста, как в Вашей схеме реализовано отключение при понижении питания ниже 9В ? Для чего предназначена цепочка R10-VD1 ? По поводу заморочек с PIC: мне кажется проще все таки на контроллере, корпусов меньше, гибкость больше и новый опыт не повредит 😃 .

BALAL:

…Принимайте!

BALAL

Никак не отключается… хотя можно доработать, если надо… Даже резервы есть!
Цепочка служит для изменения скважности, тоесть уменьшения времени мигания относительно паузы. Можно её не использовать.
Завтра описание вывешу, готов ответить на другие вопросы.

BALAL

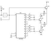
Итак, поехали…
IC1 - микросхема К561ИЕ8, можно заменить на импортную СМД CD4017. Два инвертора из состава микросхемы 561 серии, ЛА7, ЛЕ5 или ЛН2, например.
R2-R7 сопротивлением от 1,5 до 4,7 кОм.
VT1 - VT3 - любые NPN биполярные транзисторы, КТ315 или импортные СМД, с током не менее тока светодиодов.
HL1, HL2 - два соответствующих светодиода. Можно включить по два последовательно, или несколько цепочек по два с отдельным резистором.
Резисторы R8 и R9 подбираются из условия задания соответствующего светодиодом тока, вычитая из напряжения питания падение напряжения на светодиоде примерно 2 вольта (4 в случае двух последовательных) и 1 вольт на падение напряжения на VT1 - VT3 и деля на значение этого тока. От значения сопротивления этих резисторов будет зависить яркость свечения соответствующих светодиодов.
R1 может иметь сопротивление 100 КОм - 1 МОм.
Ёмкость С1 подобрать под желаемую частоту миганий - переключений, порядка 0,1 МкФ.
Цепочка R10 VD1 потребуется при желании сделать вспышки светодиодов короче пауз, При R10 = R1 вспышка будет короче паузы примерно в два раза. Использование этой цепочки повлияет также и на общую частоту переключений.
Резисторами R2-R7 сконфигурирован порядок мигания светодиодов. При указанной схеме будут происходить три вспышки HL1, затем два такта паузы, затем три мигания НL2, ещё два такта паузы и всё сначала… Изменив количество и включение этих резисторов, можно изменить порядок миганий.
Вот как-то так!

BALAL
avalanch:

Поясните пожалуйста, как в Вашей схеме реализовано отключение при понижении питания ниже 9В ?

Такое отключение проще всего реализовать, используя два инвертора микросхемы К561ЛЕ5 (или её аналога CD4001), базу VT3 подсоединить к средней точке между инверторами (в отличие от схемы), один вход первого инвертора (элемента ИЛИ-НЕ) использовать в соответствии со схемой, ко второму входу подключить резистор килоом 50 - 100 на + питания. К нему (входу) же подсоединить катод микросхемы - регулируемого стабилитрона КР142ЕН19 (TL431, импортный аналог), анод её - на “массу”, а вход управления на резистивный делитель между плюсом и минусом питания, установив на входе 2,5 вольт при напряжении выключения, например, 25 КОм на “массу” и 65 КОм на плюс… Ну, или, 51 КОм на массу, 130 КОм на плюс.

12 days later
SAN
BALAL:

Ну как, схема-то? 😃

Нормально.
Единственно, может базу Т3 отвязать от генератора?
Парой инверторов скажем или одним и сигнал с предыдущего инвертора.

BALAL

Эмиттерный повторитель - “высокое входное сопротивление”, практиковал - использовал подобное включение, экономится резистор в цепи базы…

3 months later
romka_lev

ну а робочую схемку выложить можно?
оч прОшу бо подбирать неполучаеТся!моГу токо собрать
готовое не требующее настрОек!
поЖаЛуста выложите кто собирал!

jonison
romka_lev:

ну а робочую схемку выложить можно?
оч прОшу бо подбирать неполучаеТся!моГу токо собрать
готовое не требующее настрОек!
поЖаЛуста выложите кто собирал!

так тебе рабочую и выложили или мультиметром пользоваться не умеешь ?
😃

romka_lev

а как же с просадкой акума решить ?чтоб паказивало када сядет!

romka_lev

мультиметром неумею.токо с паяльником дружу

5 months later
sergei#

А номера выводов инвертора из состава микросхемы 561 серии,можно?

BALAL

Для тех, кто этим занимается - простейшая информация, общедоступная…
дляЛА7, ЛЕ5 561 серии:
1,2 вместе - вход, 3 - выход.
5,6 вместе - вход, 4 - выход.
8,9 вместе - вход, 10 - выход.
12,13 вместе - вход, 11 - выход.
7 - “-” питание
14 - “+” питание

BALAL

…Тоесть, соединённые вместе ножки1,2 - вход первого инвертора, 3 - его выход, соединённые вместе ножки5,6 - вход второго инвертора, 4 - его выход и т.д.
можно использовать два любых из 4-х инверторов, как удобнее для монтажа. Неиспользуемые ВХОДЫ (! Не выходы!) необходимо подключить к “-” или “+” питания, как удобнее для монтажа.
Также не следует забывать, что и на микросхему К561ИЕ8 нужно подать питание (на схеме не указано, но это само собой разумеется: “-” на 8-ю ножку и “+” на 16-ю.
ножки 7, 10, 9, 11 этой микросхемы - выходы, поэтому их никуда подключать ненужно.