Не могу найти откуда я это скачал.
Сделал - работает некорректно, хотелось бы позадавать вопросы автору.
Да какая разница кто автор? Схема то элементарная. Что именно не работает?
Кстати есть варианты проще. Используя мегу 8 можно обойтись только ей и настроить под свои напряжения.
Да какая разница кто автор? Схема то элементарная. Что именно не работает?
Кстати есть варианты проще. Используя мегу 8 можно обойтись только ей и настроить под свои напряжения.
Ссылочку кинте плиз:(
Не могу найти откуда я это скачал.
Сделал - работает некорректно, хотелось бы позадавать вопросы автору.
А светики, то хоть, меняют состояния , при изменении напряжения?
Я конечно извиняюсь что не смог в первом посте объяснить что мне надо.
Вариант, что пользователи не умеют читать или не понимают прочитанное рассматривать не будем.
Думаю тему можно закрыть, раз никто не может мне помочь.
Я конечно извиняюсь что не смог в первом посте объяснить что мне надо.
Вариант, что пользователи не умеют читать или не понимают прочитанное рассматривать не будем.
Думаю тему можно закрыть, раз никто не может мне помочь.
Ха-ха 😅
Лично я телепатов еще не видел в своей жизни… хотя может где-то и есть 😉
И программу в контроллер закатали?
И программу в контроллер закатали?
Конечно, без этого не работало бы вообще.
Да не умею я объяснять что мне надо 😦
Попробуем еще раз:
Нужны координаты (мыло, аська) автора схемы. Возможно кому-нить эта схема встречалась на просторах инета - за ссылочку буду признателен, скорей всего там будут координаты автора.
Если у кого-то вдруг есть исходники программы, вы мне тоже очень поможете.
Что мне точно не надо:
Удаленная телепатическая диагностика, ссылки на другие схемы, предложения по модернизации и переделке этой схемы, и т.п.
Понял. Пытался поискать в инете эту схему. Глухо.😦
Сам пытался в разных поисковиках и по разным словам и файлам с архива - к сожалению ничего…
Сам пытался в разных поисковиках и по разным словам и файлам с архива - к сожалению ничего…
проще по новой написать имхо
скинь хекс посмотреть постараюсь помочь
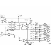
Из SCH-файла удалось узнать, что сей девайс имеет отношение к некой фирме МИКРОТЕХ.
И автор, видимо, по фамилии Никулин.
Что не так в моей схеме то ?
Случайно наткнулся на эту ветку, какие вопросы - попробую ответить.
Если калибровка глючит - поставте конденсатор в цепь кнопки. rcopen.com/forum/f8/topic96387
Калибрую его от 4 до 5 В, а получается диапазон примерно 4.5-5
Это и есть тот глюк или что-то другое?
Будет время, сегодня или завтра проверю. Не должно глючить.
Может от тока светодиодов проседает источник, и напряжение действительно на пол-вольта болтается ?
Источник напряжения собран на LM317, БП 18В/1А
Да и по вольтметру не видно колебаний
Может что-то не так делаю?
Для калибровки выставляю 4В, нажимаю кнопку 2 раза. Потом выставляю 5В и нажимаю еще раз.
{"assets_hash":"a8b26fa7f6e768b07a72c8c9aadb9422","page_data":{"users":{"3e7587103df95500777968ac":{"_id":"3e7587103df95500777968ac","hid":1461,"name":"ubd","nick":"ubd","avatar_id":null,"css":""},"4186190d3df95500777934a6":{"_id":"4186190d3df95500777934a6","hid":4893,"name":"Желтый_вжик","nick":"Желтый_вжик","avatar_id":null,"css":"user__m-banned"},"463b831a3df9550077784861":{"_id":"463b831a3df9550077784861","hid":22791,"name":"ALEX333","nick":"ALEX333","avatar_id":null,"css":""},"475c23c03df955007777f513":{"_id":"475c23c03df955007777f513","hid":29772,"name":"Smouk_RedKaktuss","nick":"Smouk_RedKaktuss","avatar_id":null,"css":""},"4825df543df955007777b164":{"_id":"4825df543df955007777b164","hid":34339,"name":"Alexmod","nick":"Alexmod","avatar_id":null,"css":""},"4932fb6c3df9550077774f3a":{"_id":"4932fb6c3df9550077774f3a","hid":41327,"name":"jonison","nick":"jonison","avatar_id":null,"css":""},"4a09c7303df955007776e466":{"_id":"4a09c7303df955007776e466","hid":48047,"name":"Vасилич","nick":"Vасилич","avatar_id":null,"css":""},"4a90470f3df955007776adba":{"_id":"4a90470f3df955007776adba","hid":52539,"name":"Hokum","nick":"Hokum","avatar_id":null,"css":""}},"settings":{"can_see_ip":false,"can_report_abuse":false,"can_see_hellbanned":false,"forum_can_view":true,"forum_can_reply":false,"forum_edit_max_time":30,"forum_can_close_topic":false,"forum_show_ignored":false,"forum_mod_can_delete_topics":false,"forum_mod_can_hard_delete_topics":false,"forum_mod_can_see_hard_deleted_topics":false,"forum_mod_can_edit_posts":false,"forum_mod_can_pin_topic":false,"forum_mod_can_edit_titles":false,"forum_mod_can_close_topic":false,"can_vote":false,"forum_mod_can_add_infractions":false,"forum_topic_title_min_length":10,"forum_reply_old_post_threshold":30,"votes_add_max_time":168,"forum_show_post_interval":7,"can_see_deleted_users":false},"section":{"_id":"61c9a54c3df9550077bb50ba","hid":8,"title":"Самодельная электроника, компьютерные программы","parent":"61c9a54c3df9550077bb50f3","description":"Софт для моделирования и черчения, самодельные электронные устройства.","is_category":false,"is_votable":true,"is_writable":true,"cache":{"topic_count":2668,"post_count":48285,"last_post":"69396824b4761b70be1cf1f6","last_topic":"6936752c44153b3865eede83","last_topic_hid":572669,"last_topic_title":"Последовательность работы сервоприводов.","last_ts":"2025-12-10T12:31:32.140Z","last_user":"4f3e22e13df955007774805c"}},"topic":{"_id":"4a91a9ad3df955007792343d","hid":153493,"title":"Помогите опознать схему индикатора борта","views_count":1877,"last_post_counter":21,"cache":{"post_count":21,"first_post":"4a91a9ad3df9550077923d7c","first_ts":"2009-08-23T20:42:21.000Z","first_user":"4a90470f3df955007776adba","last_post":"4ad4d9263df9550077923da4","last_post_hid":21,"last_ts":"2009-10-13T19:46:46.000Z","last_user":"4a90470f3df955007776adba"},"st":1,"section":"61c9a54c3df9550077bb50ba"},"subscription":null,"pagination":{"total":21,"per_page":25,"chunk_offset":0},"posts_list_before_post":["paginator","datediff"]},"locale":"en-US","user_id":"000000000000000000000000","user_hid":0,"user_name":"","user_nick":"","user_avatar":null,"is_member":false,"settings":{"can_access_acp":false,"can_use_dialogs":false,"hide_heavy_content":false},"unread_dialogs":false,"footer":{"rules":{"to":"common.rules"},"contacts":{"to":"rco-nodeca.contacts"}},"navbar":{"tracker":{"to":"users.tracker","autoselect":false,"priority":10},"forum":{"to":"forum.index"},"blogs":{"to":"blogs.index"},"clubs":{"to":"clubs.index"},"market":{"to":"market.index.buy"}},"recaptcha":{"public_key":"6LcyTs0dAAAAADW_1wxPfl0IHuXxBG7vMSSX26Z4"},"layout":"common.layout"}