Помогите переписать программу для TYNI13

kedrikov

Всем доброго времени суток
Сильно не пинайте я чайник в этом деле
Если есть специалисты перепишите плизззз программку.Тини используется для светового эффекта в радиоупровляемой модели.Три светодиода моргают так:

3 вспышки первый светодиод ____пробел____3 вспышки второй светодиод_____пробел_____3 вспышки третий светодиод
______первый канал________… _______второй канал_____…_____третий канал__________

Программа открытая с помощью блокнота

:020000020000FC
:1000000013C012C011C006C00FC00EC00DC00CC07E
:100010000BC00AC00F930FB70EEC02BF839509F413
:1000200093950FBF0F9118950FE90DBF07E007BB20
:1000300012D000E205BF7894F0E0E0E605910F3FB2
:10004000D9F3077008BB659101D0F8CF992788953F
:100050006917E9F7089501E003BF02E009BF0895B9
:1000600001040007010400070104000F0204000757
:10007000020400070204000F040400070404000740
:060080000404001DFFFF57
:00000001FF

Нужно переписать ее в двух вариантах:

1 вариант. Увеличить количество вспышек на каждом конале с трех до пяти.Уменьшить пробел между вспышками в каждом канале
2 вариант.Увеличить количество вспышек на каждом конале с трех до пяти.Уменьшить пробел между вспышками в каждом канале.Уменьшить пробел между каналами
Временные интервали на ваш вкус вобщем нужно чтобы чюток быстрей.
Образец работы програмы вложеной в фаил

где взял непомню.

Схема+ исходная программа.zip

ubd

Что бы изменить программу, нужно иметь исходник прошивки. То что ты выложил, файл .hex, это уже готовый код для прошивки в проц, его нельзя изменить. А нужен исходный текст программы, он может быть написан на чём угодно, может быть на ассемблере, а может на СИ. Т.е. ты понял да, сначало пишут программу на каком то языке высогоко уровня, потом компилируют в файл hex, и вот этот файл прошивают в проц.

Тут проще пограмму за ново написать. Но просто так врят ли кто то возьмётся, за деньги может быть. Я AVR н знаю, так что помочь ничем не могу.
Я толко могу предложить, на PIC контроллер написать программу за ново.

Syberian

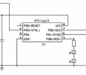
ты бы хоть бы номера ног указал, на которых диоды включены?

kedrikov
Syberian:

ты бы хоть бы номера ног указал, на которых диоды включены

Виноват не тот фаил воткнул

ubd:

нужно иметь исходник прошивки

Жаль… я думал все прще

Syberian

:020000000AC034
:10000200FECFFDCFFCCFFBCFFACFF9CFF8CFF7CFA2
:10001200F6CF0000F894EE27ECBBE5BFF8E1A4B7F9
:10002200A77FA4BFF1BDE1BD8DE0A2E0ED938A956B
:10003200E9F780E4A0E6ED938A95E9F7E4E1F0E0E0
:10004200C8953196802DC8953196902D0097B9F0BC
:10005200C8953196A02DC8953196B02DC895319688
:10006200102CC89531966E2F7F2FF02DE12DC8955B
:1000720031960D920197D9F7E62FF72FE1CFEFE9ED
:10008200EDBFC0E7D0E00CC01DD021D022D01FD0E0
:1000920020D01DD01ED01BD01CD019D01AD008954C
:1000A200E0E8E6BDE0E0E6BDE8BBE7E0E7BBE1E0B3
:1000B2004E2EEADFE2E04E2EE7DFE4E04E2EE4DFF2
:1000C200F6CFFFCFE8E2F0E0FA93EA9305C048BA30
:1000D200F9CFE0E0E8BBF6CFE991F991309639F03B
:1000E20080EB94E00197F1F7A8953197C9F708954D
:00000001FF

Вот тебе, развлекайся… Диоды поставил на выв. 5,6,7
Работа от внутреннего RC генератора на 4.8 МГц, без CKDIV

[add] ыыы, опередил 😃 ладно, я мыслил верно.

схема зажигания каждого канала тут такая:
40 мс пауза
(40 мс вкл 40 мс выкл) - 5 раз
/следующий канал/

Если чо надо еще покрутить, пиши 😉

kedrikov

Спасибки .Я так понимаю этот текст сохранить в блокноте и сменить расширение на хекс.?
Попробую отпишусь.Я просто хочу приблизить визуально к ментовским миuалкам эти которые на газоразрядных лампах 😃

Syberian

аха… токо подожди… оно у тебя от приемника управляется???
Блин, это мы как раз и забыли 😊

kedrikov
Syberian:

от приемника управляется???
Блин, это мы как раз и забыли 😊

Ну над этим я еще не думал впринципе можно от приемника там караз 5-5,5в а можно и кренку поставить и от ходового ака трехбаночного

Syberian

ладно, пока так заюзай, проверь… Я в симе запустил, твоя прошивка просто так мигает, без управления.

kedrikov
Syberian:

без управления. google_ad_section_end

А что за управление.Ее можно включать и выключать к приеру от 6 канала?

Через пол часа будет результат тестов.

ubd

А что за управление.Ее можно включать и выключать к приеру от 6 канала?

У тебя там на 2-ю ногу, что приходит? Схема вообще твоя или это чья то?

Syberian

прошивку походу с*****л 😁 а схема - чего там рисовать?

По приведенной схеме можно включать/выключать через 2-ю ногу, но “родная” прошивка этого не допускает. Там просто таймер в прерывании, который выгоняет микруху из sleep

kedrikov
Syberian:

прошивку походу с*****л

Ну в таком случае все что мы качаем в инете мы п…м

Видео работы новой прошивки

www.youtube.com/watch?v=-IOKfnfyfyo

Вторую ногу я не использую

Хотелосьбы приблизить к ментовским мегалкам на газоразрядниках

Syberian

Короче так… Вот прошивка, которая будет мигать только при подаче от приемника PPM. Канал должен быть включен дистанционно (тумблером или стиком). Типо мечта мигальщика.
Жду в гости ящик пива! 😁

:040000000AC0FECF65
:100004004EC05EC0FBCFFACFF9CFF8CFF7CFF6CF13
:100014000000F894EE27ECBBE5BFF8E1A4B7A77F96
:10002400A4BFF1BDE1BD8DE0A2E0ED938A95E9F7AF
:1000340080E4A0E6ED938A95E9F7E4E1F0E0C89561
:100044003196802DC8953196902D0097B9F0C895BA
:100054003196A02DC8953196B02DC8953196102CA7
:10006400C89531966E2F7F2FF02DE12DC8953196CE
:100074000D920197D9F7E62FF72FE1CFEFE9EDBF06
:10008400C0E7D0E024C04ED052D053D050D051D08D
:100094004ED04FD04CD04DD04AD04BD00895EA9397
:1000A400EFB7EA93B39B03C0E1E0E2BF05C0E2B758
:1000B400E83010F0689420F8E991EFBFE9911895C1
:1000C400EA93EFB7E89420F8EFBFE9911895E0E8D8
:1000D400E6BDE0E0E6BDE8BBE7E0E7BBE0E0EFBD9E
:1000E400E5E0E3BFE0E0E2BFE6BFE9BDE0E2EBBF8D
:1000F400E0E0E5BFE8E0E5BBE0E2EABFE2E0E9BF5B
:10010400E0E8E8B9E0E0E3B9789420FE09C0E1E072
:100114004E2EB9DFE2E04E2EB6DFE4E04E2EB3DF22
:10012400F4CFFFCFE8E2F0E0FA93EA9305C048BACF
:10013400F9CFE0E0E8BBF6CFE991F991309639F0D8
:1001440080EB94E00197F1F7A8953197C9F70895EA
:00000001FF

Насчет “похожего” мигания -определись с длительностью свечения и переключения. Можно сделать с точностью до миллисекунды.

Ментовские, кажется, мигают так: “2 раза красный - 2 раза синий”… или вообще крутящийся фонарь.

kedrikov

C длительность определится не могу это не по мне.
Звыняйте за наглость😁 можете переписать мой исходник следующим образом

Добавить вспышок до 5шт и совсем немножечко уменьшить пробел между вспышками.Пробел между каналами оставте такой какой есть.
Заранее благодарен.

Могули я сам править эту прошивку насколько это сложно и с помощью какой проги?
Может есть какой симулятор простенький чтобы можно было понять как будет работать програмка?

Syberian

Прошивку править легко, при желании отправлю исходник и модель для симуляции. Мыло в личку.
Написано на Codevision. Симулирую в Proteus.
В самом начале стоит набор #define - это собственно время горения и проч. (к hex-файлам не относится!)

Вспышек у меня реально 5, число их меняется от 1 до 7

Вот последняя версия:

:0C0000000AC0FECF50C060C0FBCFFACF9A
:10000C00F9CFF8CFF7CFF6CF0000F894EE27ECBB82
:10001C00E5BFF8E1A4B7A77FA4BFF1BDE1BD8DE0BA
:10002C00A2E0ED938A95E9F780E4A0E6ED938A953A
:10003C00E9F7E4E1F0E0C8953196802DC89531964A
:10004C00902D0097B9F0C8953196A02DC895319692
:10005C00B02DC8953196102CC89531966E2F7F2FE8
:10006C00F02DE12DC89531960D920197D9F7E62F19
:10007C00F72FE1CFEFE9EDBFC0E7D0E026C0E8E213
:10008C00F0E04ED050D053D04ED051D04CD04FD0B9
:10009C004AD04DD048D04BD00895EA93EFB7EA93AD
:1000AC00B39B03C0E1E0E2BF05C0E2B7E83010F05B
:1000BC00689420F8E991EFBFE9911895EA93EFB7AE
:1000CC00E89420F8EFBFE9911895E0E8E6BDE0E090
:1000DC00E6BDE8BBE7E0E7BBE0E0EFBDE5E0E3BF92
:1000EC00E0E0E2BFE6BFE9BDE0E2EBBFE0E0E5BF88
:1000FC00E8E0E5BBE0E2EABFE2E0E9BFE0E8E8B94E
:10010C00E0E0E3B9789420FE09C0E1E04E2EB7DFC1
:10011C00E2E04E2EB4DFE4E04E2EB1DFF4CFFFCFA1
:10012C00FA93EA9309C048BAE4E1F0E0F9CFE0E0D1
:10013C00E8BBE4E1F0E0F4CFE991F991309639F0C5
:10014C0080EB94E00197F1F7A8953197C9F70895E2
:00000001FF

kedrikov

Сенкс Syberian за помощь

В симуляторе исходник работать не захотел.При этом проверення в живую програма для тини в этомже симуле заработала.Что-то наверно я делаю не так.

Чет файлы не лепятся files.mail.ru/KMP2D9

EagleB3

…А если кому захочется дизассемблер AVR’овских HEX’ов - их есть у меня. Пишите.
Проверял на довольно объемном коде - разобранная прошивка исправно “собралась” и заработала…

Syberian
kedrikov:

исходник работать не захотел.

Я ж писал, надо 7.6 SP0 ставить! У тебя на схеме земля куда-то пропала, диоды совершенно другие… и пишет “demo” 😃

kedrikov
Syberian:

7.6 SP0

Все нашел поставил все работает.Скажите как из исходника убрать управление с приемника (Удалить 2 ногу PPM) чтобы просто подал напругу и она моргала

Syberian:

У тебя на схеме земля куда-то пропала, диоды совершенно другие… и пишет

Это я сам эксперементировал собрал схемку и я был удивлен получилось и работало.😁😁

Syberian
kedrikov:

чтобы просто подал

Чьорт, программа на работе осталась 😊

В проге есть надпись interrupt [TMR0_overflow]. После нее есть что-то типа blk_en =0. Поставь туда =1 и все.
Тогда оно будет также управляться с приемника, но при отсутствии сигнала будет работать.

EagleB3
Syberian:

Чьорт, программа на работе осталась 😊

Если не жалко - выложи исходник, pls. Кому-то будет интересно (мне вот интересно как ты PWM ловишь), кому-то полезно.

Да и kedrikov’у будет легче и юзефульнее в разы. CVAVR - в самый раз для начального освоения.

Syberian

Программа предназначалась лично kedrikov, исходники у него все есть. Делиться или нет - решать ему. Афтор (я) не возражает 😁

kedrikov
Syberian:

Делиться или нет - решать ему. Афтор (я) не возражает 😁

Ну если Syberian невозражает то выложу на всеобщее пользыванрие не мне одному это нужно…дело то всеобщее 😁

migalka.rar

1 month later
AlexTroy

Здравствуйте!
Скажите, а как можно добавить еще один светодиод на свободный порт? С прошивкой что-то не могу разобраться:(