Сирена для поиска улетающех моделей.

Max_99

Всем Привет!

Проблема улетающих и тереяющихся в траве моделей стоит достаточно остро.

Вот есть идейка

Вырубаешь передатчик, и сирена пищалка- пищит, сигнала от передатчика приемник не ловит. Вот и все проблемы. Улетела запищала.

Идея отличная только как ее реализовал ?
И как подключать пищалку может схемка у вас есть?
Как сирена поймет что приемник не ловит сигнал и включится?

Если есть другие предложения по борьбе с сабщем тоже буду рад!

toxa
Max 99

Как сирена поймет что приемник не ловит сигнал и включится?

Вот в этой ветке rcopen.com/forum/f1/topic24896 я рассказывал, как определить, есть ли сигнал с передатчика.

Этема
Max_99:

Всем Привет!

Проблема улетающих и тереяющихся в траве моделей стоит достаточно остро.

Вот есть идейка

Вырубаешь передатчик, и сирена пищалка- пищит, сигнала от передатчика приемник не ловит. Вот и все проблемы. Улетела запищала.

Идея отличная только как  ее реализовал ?
И как подключать пищалку может схемка у вас есть?
Как сирена поймет что приемник не ловит сигнал и включится?

Если есть другие предложения по борьбе с сабщем тоже буду рад!

Может , микромашинку самую простую на свободный канал подключить? Идешь по полю и включаешь сирену, если ничего не слышишь - выключаешь и идешь дальше. А то пока дойдешь - аккумулятор пищалки посадить можно. Если конечно модель далеко улетела.

санчес

вы-ж не автомобильный клаксон ставите!
для нормального поиска хватает зуммера. я искал так с пол-часа и акки были как новые
принцип:
увидел “где упало”, пошел в ровно в том направлении, через каждые 30 метров остановись и послушай.
ставить серву имхо глупо. ставьте на бортовой выключатель. если работает передатчик то работает и пищалка.
тема “оралка для самолета”

Max_99
Этема:

Может ,  микромашинку самую простую на свободный канал подключить? Идешь по полю и включаешь сирену, если ничего не слышишь - выключаешь и идешь дальше. А то пока дойдешь - аккумулятор пищалки посадить можно.  Если конечно модель далеко улетела.

Ну так и бортовую батарею приемник посадит даже если нет сигнала
да кстати через сколько сядет она кто знает?

toxa
Max 99

Ну так и бортовую батарею приемник посадит даже если нет сигнала

Легко. Машинки-то работают. Если приемник PPM то они еще при этом беспорядочно подергиваются.

Max 99

да кстати через сколько сядет она кто знает?

Где-то так. Это зависит от заряженности батареи, ее типа, количества банок, сколько потребителей подключено и каких, и так далее, и тому подобное.

pasha-117
Max_99:

Всем Привет!

Проблема улетающих и тереяющихся в траве моделей стоит достаточно остро.

Вот есть идейка

Вырубаешь передатчик, и сирена пищалка- пищит, сигнала от передатчика приемник не ловит. Вот и все проблемы. Улетела запищала.

Идея отличная только как  ее реализовал ?
И как подключать пищалку может схемка у вас есть?
Как сирена поймет что приемник не ловит сигнал и включится?

Если есть другие предложения по борьбе с сабщем тоже буду рад!

Для тех, кто использует регулятор для б/к «Markus» проблема уже решена. Выключаешь передатчик и мотор начинает попискивать и достаточно громко.
Главное чтобы посторонние шумы не были сильными.

санчес

посторонние шумы:
кузнечики(кто-то из насекомых пищит) уменьшают радиус поиска метров на 30

Zoommer

Пищалка от Виталия на этом сайте…- когда проподает сигнал передатчика начинает пищять, если до этого сигнал был. Проблема громкости решается применением высоких цилиндрических пищалок как по ссылке от Prikupets

drDen

Вот схема выключателя для БАНО не помню где в инете нашёл… 😊 ………кто мешает вместо БАНО пищалку зуммер подцепить?… ………

6wings

== вопрос отпал  ==

интересно почему? 😃

nicetry

потому что сам ответ нашел 😉

хочу заметить: баззер в схеме с RC-CAM должен быть с генератором - не лоханитесь. я лоханулся.

2 months later
ХХХХХ

Привет.
Если кому интересно у меня такая пищалка.
Висит на руле высоты и на элеронах. То есть на 1и 2 канеле. Как только приемник отключается. Она пищит. Слышно с метров 30.

drDen

Если вес не очень критичен вес то внешней звуковое устройство от пожарно - охраной сигнализации с громкостью в 90 децибел само то………

11 days later
джиггер
drDen:

Если вес не очень критичен вес то внешней звуковое устройство от пожарно - охраной сигнализации с громкостью в 90 децибел само то………

А почему-бы не использовать от музыкальных конвертов микрочип с пьезиком ?

санчес

да его за метр не слышно!
пищалка в посте тов. ХХХХХ слыщна с 50 метров.
у меня включается вместе с приёмником

Dimetrio

to DrDen : Павильно советуете. И пищалку, и бортовые огни из светодиодов… и что душа пожелает 😃
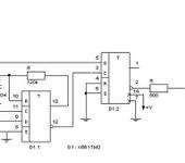
Правда, там схема дана немного корявая. Вот её “понятный” вариант

Паяем, подключаем на пятый канал (шасси) и радуемся.

drDen
Dimetrio:

И пищалку, и бортовые огни из светодиодов… и что душа пожелает 😃

Только аккумуляторы не забыть поставить побольше…… 😃

Dimetrio:

Правда, там схема дана немного корявая. Вот её “понятный” вариант

Паяем, подключаем на пятый канал (шасси) и радуемся.

Да вот ещё вчера не додумал…… для электричек с их маломощным ВЕСоком питание светодиодов и прочего хозяйства от приёмника не очень хорошо брать … 😦 …да и маломощный транзистор тоже не очень хорошо… 😕 ……

Reaktiv
Dimetrio:

to DrDen : Павильно советуете. И пищалку, и бортовые огни из светодиодов… и что душа пожелает 😃
Правда, там схема дана немного корявая. Вот её “понятный” вариант

Паяем, подключаем на пятый канал (шасси) и радуемся.

А какой динамик поставить лучше, так чтоб и услышать в шагах 20-30 и ак. не сильно сажал.
И еще со встроенным генератором ставить надо или нет. 😃

Dimetrio

у меня битый китайский будильник валяется (когда жив был, работал на одной 1,5 в АА батарейке)
оттуда пищалку и выковырял (маленькая, чёрненькая, 1 см в высоту, 1 см в диаметре)
слышно здорово, будильник ведь был!

разумеется, пищать так просто она не будет. Надо схемку к нему маленькую.
Где-то была у меня, но потерял… Помню, что простая (один транзистор, и всякого по мелочи)
Самому нужна такая. Если кто знает схемку, поделитесь, please.
Сюда в топик, или в личку.

drDen

Вот офигенно мощная сирена на микросхеме 74С14… 😲 …….

и три схемы сирен на отечественной КА155ЛА3… 😃 ………

И наконец просто на транзисторах… 😊 ………

BigDaddy

Собрал сирену с RC-Cam.
Работает-супер! Плюс еще есть звуковая индикация сколько раз приемник терял сигнал в полете.
И режим сохранения батарейки.
Пищалка со встроенным генератором-10 руб
Процессор 12С509-25 руб
Разъем и кондер от старого компа
Итого за 35 рублей море удовольствия!

Prikupets
BigDaddy:

Пищалка со встроенным генератором-10 руб

А где купили ? В chip-dip нет…