Соответственно вопрос, сделать мне драйвер как по моей схеме или всё таки стоит сделать драйвер как на openservo.com ?
П.С.
Двигатели в начале буду питать на 12 вольт, но потом увеличить до 24 вольт и хотелось бы не переделывать схему.
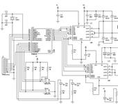
Собрал схему как по схеме выше на L298.
Что то греется оч. сильно.
Диоды взял FR601, может я с диодами ошибся ?
С диодами переборщили 😃
Они выполняют защитные функции, хватило бы на ток один ампер вместо шести.
Но нагрев от типа диодов совершенно не зависит. Сколько потребляют двигатели?
Микросхема рассчитана на 4А максимум, и при этом ей нужен очень хороший радиатор. Падение напряжения на ключах - около 1.8В, а это при 4А нагрузки - 7 ватт рассеиваемой мощности.
Но нагрев от типа диодов совершенно не зависит. Сколько потребляют двигатели?
Без нагрузки 1.5 ампера при 12 вольтах.
При нагрузке думаю ток поднимется до 2-3 ампер, но я пока их без нагрузки гонял и L298 сильно грелась.
И вообще я делал регулятор, который не греется )
А тут блин, ну зачем мне импульсный регулятор, который половину мощности двигателей будет рассеивать в воздух и нагружать и без того перегруженный аккумулятор …
Будет и дальше греться - при такой нагрузке это нормально. Точную рассеиваемую мощность можете сами посчитать.
И что Вы хотите от микросхемы с биполярными ключами? Нужен высокий КПД - собирайте мост на полевых транзисторах.
{"assets_hash":"a8b26fa7f6e768b07a72c8c9aadb9422","page_data":{"users":{"45630f923df9550077787d9e":{"_id":"45630f923df9550077787d9e","hid":18404,"name":"AlexN","nick":"AlexN","avatar_id":null,"css":""},"47829c2f3df955007777ea1d":{"_id":"47829c2f3df955007777ea1d","hid":30523,"name":"Gromogon","nick":"Gromogon","avatar_id":null,"css":""}},"settings":{"can_see_ip":false,"can_report_abuse":false,"can_see_hellbanned":false,"forum_can_view":true,"forum_can_reply":false,"forum_edit_max_time":30,"forum_can_close_topic":false,"forum_show_ignored":false,"forum_mod_can_delete_topics":false,"forum_mod_can_hard_delete_topics":false,"forum_mod_can_see_hard_deleted_topics":false,"forum_mod_can_edit_posts":false,"forum_mod_can_pin_topic":false,"forum_mod_can_edit_titles":false,"forum_mod_can_close_topic":false,"can_vote":false,"forum_mod_can_add_infractions":false,"forum_topic_title_min_length":10,"forum_reply_old_post_threshold":30,"votes_add_max_time":168,"forum_show_post_interval":7,"can_see_deleted_users":false},"section":{"_id":"61c9a54c3df9550077bb50ba","hid":8,"title":"Самодельная электроника, компьютерные программы","parent":"61c9a54c3df9550077bb50f3","description":"Софт для моделирования и черчения, самодельные электронные устройства.","is_category":false,"is_votable":true,"is_writable":true,"cache":{"topic_count":2668,"post_count":48285,"last_post":"69396824b4761b70be1cf1f6","last_topic":"6936752c44153b3865eede83","last_topic_hid":572669,"last_topic_title":"Последовательность работы сервоприводов.","last_ts":"2025-12-10T12:31:32.140Z","last_user":"4f3e22e13df955007774805c"}},"topic":{"_id":"47a744013df9550077b3a782","hid":90824,"title":"Регулятор двигателя с реверсом на 4А 24 вольта (нужен совет по схемам)","views_count":4384,"last_post_counter":5,"cache":{"post_count":5,"first_post":"47a744013df9550077b3aed6","first_ts":"2008-02-04T16:57:37.000Z","first_user":"47829c2f3df955007777ea1d","last_post":"47ab4c1f3df9550077b3aede","last_post_hid":5,"last_ts":"2008-02-07T18:21:19.000Z","last_user":"45630f923df9550077787d9e"},"st":1,"section":"61c9a54c3df9550077bb50ba"},"subscription":null,"pagination":{"total":5,"per_page":25,"chunk_offset":0},"posts_list_before_post":["paginator","datediff"]},"locale":"en-US","user_id":"000000000000000000000000","user_hid":0,"user_name":"","user_nick":"","user_avatar":null,"is_member":false,"settings":{"can_access_acp":false,"can_use_dialogs":false,"hide_heavy_content":false},"unread_dialogs":false,"footer":{"rules":{"to":"common.rules"},"contacts":{"to":"rco-nodeca.contacts"}},"navbar":{"tracker":{"to":"users.tracker","autoselect":false,"priority":10},"forum":{"to":"forum.index"},"blogs":{"to":"blogs.index"},"clubs":{"to":"clubs.index"},"market":{"to":"market.index.buy"}},"recaptcha":{"public_key":"6LcyTs0dAAAAADW_1wxPfl0IHuXxBG7vMSSX26Z4"},"layout":"common.layout"}