Полно, смотря что Вы называете “заменителем”… Если Вам нужен полный аналог, то бог его знает. А если нужен стабилизатор на 3.3V в корпусе TO92, то их полно. Всякие 78L33 (LM78L33) например, но они не LDO. Для Вас какой параметр критичен? Какое напряжение из какого Вы намерены получить? Какой ток?
Вот в эту схему
Такую детальку можно добыть из дохлой “флэшки”, например.
Но она там в SMD, разумеется.
Вот в эту схему
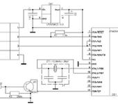
В эту, как известно, не нужен ни какой стабилизатор. В статье приводится вот такой вариант входной цепи:
он ни чем не хуже…
А нельзя ли сразу запитать от USB, +5В подать на проц. Зачем там этот стабилизатор. Я читал где то на форуме, что этот USB, адаптер для симулятора, можно запитывать непосредственно от USB порта. Работает так же.
А нельзя ли сразу запитать от USB, +5В подать на проц. Зачем там этот стабилизатор. Я читал где то на форуме, что этот USB, адаптер для симулятора, можно запитывать непосредственно от USB порта. Работает так же.
Вы бы, что ли, статьи читали, вместо того, что бы задавать вопросы… Человек, к этой схеме, написал целый опус, неполенился. А Вам лень его прочитать?
Как альтернативный вариант, можно отказаться от установки DA1 и подать питание на микроконтроллер непосредственно от шины USB (+5В), но в этом случае необходимо ограничить напряжение на сигнальных линиях шины, например, так,как показано на Рис.2. В этом варианте схемы стабилитроны VS1 и VS2, вместе с резисторами R7 и R8 ограничивают верхний уровень сигналов с DD1 до 3.3 вольт. Резисторы R5 и R6 эквивалентны сопротивлению 1.5 кОм, подключенному к потенциалу 3.3 В. Практика показывает, что устройство способно работать и без стабилитронов, но такое упрощение противоречит требованиям стандарта и формально не может быть рекомендовано к использованию.
От себя могу добавить, что встречал USB, с которым это без стабилитронов не заработало…
Если уж совсем будет все плохо:
ATMega8 на 12 МГц вроде жрёт около 10 мА. М.б. вместо стабилизатора - просто резистор с пяти вольт USB
и стабилитрон 3.3В на землю ? Пусть ток - 20 мА ( с запасом ), падение на резиcторе - 5-3.3=1.7В, т.е.
резистор - получается около 85 Ом ( бывают 82 и 91 Ом ). У меня TUSB3410 в аналогичном устройстве
подключена почти так же ( только с USB - еще диод на всякий случай, а резистор - поменьше ), и уже
достаточно долго работает.
в качестве стабилитрона можно TL431 поставить ( в стандартной схеме его включения - это еще 2 резистора ).
TL431 вроде были в компьютерных БП, да и в продаже могут быть.
В любом случае - по питанию ATMega обязательно электролит и еще керамику 0.1 мкФ.
Всем спасибо за ответы и особенно AlexN, каторый мне продал аналог 😉 .
Алексей спасибо.
{"assets_hash":"a8b26fa7f6e768b07a72c8c9aadb9422","page_data":{"users":{"3e72ce423df95500777968e6":{"_id":"3e72ce423df95500777968e6","hid":1456,"name":"dmitryu","nick":"dmitryu","avatar_id":null,"css":""},"3e7587103df95500777968ac":{"_id":"3e7587103df95500777968ac","hid":1461,"name":"ubd","nick":"ubd","avatar_id":null,"css":""},"4073d5683df9550077794cf6":{"_id":"4073d5683df9550077794cf6","hid":3273,"name":"an2an","nick":"an2an","avatar_id":null,"css":""},"4286811b3df9550077790d96":{"_id":"4286811b3df9550077790d96","hid":7322,"name":"abalex","nick":"abalex","avatar_id":null,"css":""},"4663d4543df9550077783f0a":{"_id":"4663d4543df9550077783f0a","hid":23570,"name":"Сергей_Хлупин","nick":"Сергей_Хлупин","avatar_id":null,"css":""}},"settings":{"can_see_ip":false,"can_report_abuse":false,"can_see_hellbanned":false,"forum_can_view":true,"forum_can_reply":false,"forum_edit_max_time":30,"forum_can_close_topic":false,"forum_show_ignored":false,"forum_mod_can_delete_topics":false,"forum_mod_can_hard_delete_topics":false,"forum_mod_can_see_hard_deleted_topics":false,"forum_mod_can_edit_posts":false,"forum_mod_can_pin_topic":false,"forum_mod_can_edit_titles":false,"forum_mod_can_close_topic":false,"can_vote":false,"forum_mod_can_add_infractions":false,"forum_topic_title_min_length":10,"forum_reply_old_post_threshold":30,"votes_add_max_time":168,"forum_show_post_interval":7,"can_see_deleted_users":false},"section":{"_id":"61c9a54c3df9550077bb50ba","hid":8,"title":"Самодельная электроника, компьютерные программы","parent":"61c9a54c3df9550077bb50f3","description":"Софт для моделирования и черчения, самодельные электронные устройства.","is_category":false,"is_votable":true,"is_writable":true,"cache":{"topic_count":2668,"post_count":48285,"last_post":"69396824b4761b70be1cf1f6","last_topic":"6936752c44153b3865eede83","last_topic_hid":572669,"last_topic_title":"Последовательность работы сервоприводов.","last_ts":"2025-12-10T12:31:32.140Z","last_user":"4f3e22e13df955007774805c"}},"topic":{"_id":"47ee8f833df9550077b18648","hid":95847,"title":"Есть альтернатива LP2950CZ-3.3","views_count":7329,"last_post_counter":13,"cache":{"post_count":13,"first_post":"47ee8f833df9550077b192d5","first_ts":"2008-03-29T18:50:43.000Z","first_user":"4663d4543df9550077783f0a","last_post":"47f5fcbd3df9550077b192ed","last_post_hid":13,"last_ts":"2008-04-04T10:02:37.000Z","last_user":"4663d4543df9550077783f0a"},"st":1,"section":"61c9a54c3df9550077bb50ba"},"subscription":null,"pagination":{"total":13,"per_page":25,"chunk_offset":6},"posts_list_before_post":["paginator","datediff"]},"locale":"en-US","user_id":"000000000000000000000000","user_hid":0,"user_name":"","user_nick":"","user_avatar":null,"is_member":false,"settings":{"can_access_acp":false,"can_use_dialogs":false,"hide_heavy_content":false},"unread_dialogs":false,"footer":{"rules":{"to":"common.rules"},"contacts":{"to":"rco-nodeca.contacts"}},"navbar":{"tracker":{"to":"users.tracker","autoselect":false,"priority":10},"forum":{"to":"forum.index"},"blogs":{"to":"blogs.index"},"clubs":{"to":"clubs.index"},"market":{"to":"market.index.buy"}},"recaptcha":{"public_key":"6LcyTs0dAAAAADW_1wxPfl0IHuXxBG7vMSSX26Z4"},"layout":"common.layout"}