Навигационные огни = помехи приему

dollop

Добрый день!
Есть детский (ну игрушка в смысле) самолет от Silverlit. Летает нормально, но не видно визуально включен борт или нет. И иногда разряжается в усмерть. Из-за чего решил сделать индикатор питания, ну и они же навигационные огни, заодно и сына побалую - подумал я.
Дело сделано. На коленке сбацал прошивку, собрал на ней же такую схему на attiny15 (что было под рукой). Включаю - мигает, все понравилось. Ставлю на самик. Заклеиваю все тщательно.
Опять включаю - мигает. Даю газ - фига - моторы стоят и не крутятся. Подношу передатчик к самику на расстояние 20 см - завелся.
Включал в цепь питания огней дроссель - расстояние с которого самик ловит пульт с 20см увеличилось до 1,5 м. Но так не полетаешь.
Отключаю питание на схему моргалки - все в норме. А с мигалкой - налицо помехи.
Подскажите кто-нибудь, пожалуста, как с ними (помехами) бороться. Сын ждет рабочий подмаргивающий агрегат 😁

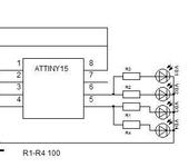
Прилагаю схему
И (для тех кому интересно) прошивку и видео огней

tiny15_LED.zip

6wings
  1. не надо делать мигающие светодиоды на длинных проводах. Фронты импульсов излучают в широком диапазоне. Проблема существует и давно известна
  2. если уж так хотелось помигать, то поставить просто один красно/синий мигающий светодиод религия не позволяла? 😃 У него разница токов между синим/красным небольшая. У меня такие, кстати, стоят на КАЖДОЙ модели именно как индикаторы включения питания.
dollop

6wings
Поросто мигающий - не интересно. Время свечения одного цвета = времени свечения другого.
А на счет

Фронты импульсов излучают в широком диапазоне. Проблема существует и давно известна

  • Солько я на этом форуме не читал (аж 10 минут в поиске просидел) - нету такой информации в явном виде.
    Хотя, скорее всего, Вы правы.
    Так что с этим бороться смысла нет? Хотя все казалось таким пустяковым делом…

З.Ы. У меня светодиоды стоят самые обычные. А мигаю я ими при помощи контроллера.
И что-то мне подсказывает, что запитав схему огней от отдельного источника питания никаких помех не будет… Но для меня это не выход - самик весит 80 граммов и там лишний вес не нужон

Volante24
dollop:

Есть детский (ну игрушка в смысле) самолет от Silverlit.

А управление, случаем, не AM на 27MHz?

dollop
Volante24:

А управление, случаем, не AM на 27MHz?

Ну а какой там еще может быть радиоканал? Конечно же 27МГц. 😃
Только вот не поверю я, что вспышки светодиода частотой длительностью 0,1с и с периодом 1с так сильно повлияют на приемник, что никаких мер принять нельзя…
Там же коллекторные (два) моторы стоят, которые фонят (при токе потребления 0,5А каждый), я думаю, посильнее, чем четыре светодиода…

Volante24

А вообще, попробуйте понять, что именно дает помехи – сам контроллер или провода. Отключите провода светодиодов и посмотрите, как будет. Сами микроконтроллеры у людей как-то все не забивают. А если дело в проводах – подсоединяйте светодиоды через небольшие RC фильтры, Резисторы уже стоят – добавьте керамические конденсаторы. И обязательно ставьте резисторы возле самого чипа, а не вдалеке.

dollop:

Ну а какой там еще может быть радиоканал? Конечно же 27МГц. 😃

Может быть, у Вас третья гармоника частоты процессора совпадает с каналом? Поставьте другую тактовую частоту или гоняйте ATTINY на внешней частоте (кварце) и подбирайте частоту… Вроде их можно и на 64кГц запустить.

Я ж не знаю, что там за аппаратура – может, вообще сверхрегенератор… У меня есть один такой грузовичок… Ну, если с проводов ничего не идет и схему в фольгу обернуть, вроде не должно просачиваться.

dollop
Volante24:

А вообще, попробуйте понять, что именно дает помехи – сам контроллер или провода. Отключите провода светодиодов и посмотрите, как будет.

Спасибо, сейчас попробую

Volante24:

Сами микроконтроллеры у людей как-то все не забивают.

Я вроде бы тоже в некоторм смысле человек.

Volante24:

Может быть, у Вас третья гармоника частоты процессора совпадает с каналом? Поставьте другую тактовую частоту или гоняйте ATTINY на внешней частоте (кварце) и подбирайте частоту… Вроде их можно и на 64кГц запустить.

Нееее, Tiny15 тока на 1,6 МГц заводится. И никаких вариантов (ну там калибровка только есть).
Про резисторы, это вы хорошо сказали - они у меня как раз к светодиодам подпаяны…
Аппаратура silverlit как для игрушек вполне достойная. Даже если сверхрегенератор.


Отпаял светодиоды (в точках крепления, то есть провода оставил) - результат такой же. только не светит ничего. 😃
Хотел отпаять от самого контроллера провода, но жалко пока - он уже в термоусадке. Начну ломать - отвалятся ноги.
Мож в цепи питания пошаманить надо?

Volante24
dollop:

Я вроде бы тоже в некоторм смысле человек.

Потому и удивляюсь!

Про резисторы - они у меня как раз к светодиодам подпаяны…

Не, не пойдет, раз о помехах говорим

Даже если сверхрегенератор.

Я ж не против; просто тогда вот такие штучки возможны…

Отпаял светодиоды (в точках крепления, то есть провода оставил) - результат такой же. только не светит ничего. 😃

Так это не эксперимент! Провода как раз и надо убрать. В крайнем случае – намотайте их компактно вокруг чипа и заверните все в фольгу, в несколько слоев.

dollop


Разовал термоусадку.
Отпаял все провода. Оставил только питание (через стабилизатор). Та же ерунда. Так что виноват контроллер.
Дальнейшие действия?

Volante24
dollop:


Разовал термоусадку.
Отпаял все провода. Оставил только питание (через стабилизатор). Та же ерунда. Так что виноват контроллер.
Дальнейшие действия?

Я бы попробовал две вещи: использовать внешнее питание и смотреть, на каком расстоянии все еще будет ловить помеху.
Второе – завертывать устройство в фольгу (которую землить). А вообще, Вы не пробовали излучение мигалки пытаться ловить на обычном приемнике?

Если помеха идет по питанию, попробуйте сделать подобие фильтра по обоим проводам. А кстати, кондер на схеме (что к процессору) – керамический? Поставьте хороший керамический конденсатор прямо между ногами процессора, Vcc и земля.

Да, кстати, бывает, что возбуждается именно 7805!

dollop
Volante24:

Если помеха идет по питанию, попробуйте сделать подобие фильтра по обоим проводам. А кстати, кондер на схеме (что к процессору) – керамический? Поставьте хороший керамический конденсатор прямо между ногами процессора, Vcc и земля.

Спасибо за советы, Volante24.

Да кондер был не первой свежести (паяный и не раз, наверное). Поставил smd’шный (новый) в непосредственной близости к процу. Результат есть!
Без мигалки самолет реагирует на команды передатчика на расстоянии 4 метра через стену.
Сейчас - через 3 метра через стену (с новым конденсатором).
Ну а с тем кондером, который заменил - как я писал 1-1,5 метра и без стенок.
Прогресс на лицо. Но нет той дальности, что была.
Будем дальше шаманить.

Volante24

Ну, наверное придется так, полумерами добиваться. Проблема со сверхрегенератором – у него почти нет избирательности. А кроме того, при наличии достаточного радиочастотного входа он может ВООБЩЕ не реагировать на сигнал, так мне кажется.

Что еще можно пробовать: разнести приемник и процессор; убрать антенну подальше от процессора. Свить провода питания процессора. И обматывать все это заземленной фольгой – вот чтобы я пробовал.

Кстати, из области Voodoo (шаманства): можно попробовать выводы 1 и 8 не напрямую, а через резистор. Также и два свободных пина не в воздух, а через резистор на землю (или Vcc). Не знаю, что это, но вдруг влияет?

dollop
Volante24:

Проблема со сверхрегенератором – у него почти нет избирательности. А кроме того, при наличии достаточного радиочастотного входа он может ВООБЩЕ не реагировать на сигнал, так мне кажется.

???

Volante24:

Кстати, из области Voodoo (шаманства): можно попробовать выводы 1 и 8 не напрямую, а через резистор. Также и два свободных пина не в воздух, а через резистор на землю (или Vcc). Не знаю, что это, но вдруг влияет?

Свободные пины… Да, это могло бы помочь, если бы они были настроены на вход (по мануалу). Это мы проходили. Я их на выход настроил и оставил висеть (тоже по мануалу). Пин 1 - reset. х.з. Може и через резюк повешу.

Volante24:

Что еще можно пробовать: разнести приемник и процессор; убрать антенну подальше от процессора. Свить провода питания процессора. И обматывать все это заземленной фольгой – вот чтобы я пробовал.

Приемник от проца на расстоянии 100мм (в носу). Маловато, но корпус позволит увеличить это расстояние до 130мм. Антенна в другой стороне самолета - в хвосте.

Volante24, Огромное спасибо за наводки (в хорошем смысле этого слова) 😃

dollop


Отпишусь о результатах.
После двухчасовых мучений и voodoo было выяснено:
Да, экранирование контроллера еще немножко снизило помехи - через стену бьет на 3,0-3,5 метра. Но для получения максимума расстояния нужно вертеть передатчик (менять его ориентацию).
Поэтому було решено выкинуть в помойку все свои сегодняшние труды и поставить 4 мигающих светодиода да подключить их к питанию. Что и было сделано. В результате дальность связи (естесственно) не уменьшилась (4-4,5 метра через стенку).

З.Ы. Проверял мигалку на “нормальной” аппаратуре - переделанный в 7 каналов (при помощи кодера от focus’а с этого сайта) Hitec Ranger 2S - 27МГц АМ. Помех никаких нет. Сверхрегенератор с супергетеродином и рядом не валялся 😁 (можно аккуратно достать из помойки сегодняшние труды и поставить на что-то другое)
Поэтому считаю тему закрытой. Всем спасибо за внимание!

2 months later
packetman

А что мешало собрать схему мигалки на мультивибраторе ?
В любом учебнике по электронике есть эта схемка - 2 транзистора пара кондюков и сопротивлений …
Думаю что проблем бы небыло, а заодно и по деньгам выигрыш да и по весу думаю тоже.

2 months later
Bike

Добрый день!

Скорее всего виновата АМ модуляция. Столкнулся с этим, когда на машинку вместо коллекторного двигателя и регуля поставил БК систему. машинка на 5 метрах начинала глючить. Ни запитывания от другого источника ни дроссели ни разнос на расстояние приемника и регуля с мотором ничего не дало.Поставил для пробы 40МГц ФМ аппратуру, вс работало без нареканий, как и положено. Почитал про АМ модуляцию, оказывается она очень и очень подвержена помехам, особенно ВЧ. Ваш микроконтроллет является источником таких помех, а подводящие провода - антеннами. Попробуйте изменить тактовую чатоту процессора. Не вижу, какой контроллер вы используете и какой источник тактирования. Например в процах МЕГА8 и подобных есть малошумящий режим. Схема с кварцем работает на пониженом напряжении, тем самым создавая меньше помех. Попробуйте схему обернуть фольгой, может быть поможет.

С уважением, Евгений.