Как заряжать 3.7V 150mAH Fe123

Perepel

В принципе, можно заряжать любым зарядником Li-Po аккумуляторов, у которого есть порт для однобаночных акков и регулятор зарядного тока. В данном случае зарядный ток должен быть порядка 100 мА. Существуют специальные зарядники, который входят в комплекты мини самолетов и вертолетов. Если повезет такой достать, надо будет к стандартному разъему допаять свою разводку.

kesha_777
Perepel:

В принципе, можно заряжать любым зарядником Li-Po аккумуляторов, у которого есть порт для однобаночных акков и регулятор зарядного тока. В данном случае зарядный ток должен быть порядка 100 мА. Существуют специальные зарядники, который входят в комплекты мини самолетов и вертолетов. Если повезет такой достать, надо будет к стандартному разъему допаять свою разводку.

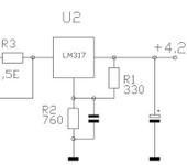
Вот нашел вот такую схемку. Только как сделать индикатор полной зарядки?

vic-cont.ru/…/prostoe-zaryadnoe-ustroystvo-dlya-li…

Perepel

Я не специалист в электронике. Написал основываясь только на практическом опыте. Может, кто-нибудь другой подскажет?

sashok17
  1. То что на них написано Fe123 - это не литий феррум. Не путайте (это на будущее).
  2. Обычно на таких аккумуляторах стоит защита от перезаряда и переразряда. Определить легко (если есть платка с микросхемой - это она).
  3. Если защита установлена, то можно заряжать любым блоком питания током не более 1С. Для таких мальков лучше не более 0.5С. В принципе подойдет любой источник с напряжением 5 Вольт (например ЮСб). Единственное, что не будет регулировки по току заряда. Но такие аккумы долго сами по себе не живут.

Китайцы во все сови вертолетики дешевые пихают такие аккумы и ЮСБ шнуры для зарядки

kesha_777

Вот добавил цепочку с индикатором зарядки. Собрал. Работает все ок.