Самодельная микроаппаратура

blakaraf

Гдето в инете видел такие вещи, переделка джойстика от плейстейшина на одном контроллере,
и не обротил внимания .
Щас с развитием микро очень бы пригодилась.
Не могу найти где это видел .
Мож кому поподалась ссылка прошу ткните пожалста.

1 month later
blakaraf

Эт не то.
Я уже нашол и собираю по тихоньку.

blakaraf:

Эт не то.
Я уже нашол и собираю по тихоньку.

http–blog_goo_ne_jp-toko0131-c-933456d6b96f4eede2468faa9b7e1103.mht

blog.goo.ne.jp/toko0131/
Есть и на англиском

blakaraf:

Эт не то.
Я уже нашол и собираю по тихоньку.

http–blog_goo_ne_jp-toko0131-c-933456d6b96f4eede2468faa9b7e1103.mht

blog.goo.ne.jp/toko0131/
Есть и на англиском

Пулт уже гатов.
Жду детали на приёмник.

7 days later
TPEHAK
blakaraf:

blog.goo.ne.jp/toko0131/
Есть и на англиском
Пулт уже гатов.
Жду детали на приёмник.

Эмм, чёт ткнул на ссылку - а там какой-то сайт с китайскими иероглифами. Ну да ладно. Опишите пожалуйсто поподробнее, что это, из чего сделать, как это работает.
1.Как я понял изначально нужно купить джойстик от игровой консоли - но от какой, от Playstation2 или Playstation3, и какая конкретно модель контроллера?
2.По фотографии создаётся ощущение, что родные внутренности джойстика полностью выкинуты, и заменены платой и механикой от какого-то другого пульта - так ли это? А может это так выглядит джойстик с родными внутренностями, только доработанными? Последнее наиболее заманчиво - ибо покупая джойстик, дорабатываем его, и вуаля, у нас пульт, а так почти вся электроника и механика изначально у нас уже есть в джойстике.
3.Опишите пожалуйста подробно процесс переделки пульта под пульт ДУ, какие ещё элементы нам понадобятся для этого?
4.И расскажите пожалуйста подробнее о приёмнике, откуда детали на него ждёте?

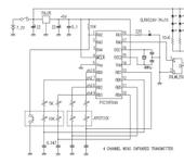
blakaraf

Пулт от ps любой самый дешовый.
Оставляете только плату с механикой ручек добавляется плата управления на PIC16f84.

_____.rar

TPEHAK

Так он инфракрсный, а есть ли возможность сделать его под радио?

blakaraf
TPEHAK:

Так он инфракрсный, а есть ли возможность сделать его под радио?

Да он инфракрасный а под радио мне не надо.

Vovka
blakaraf:

Да он инфракрасный а под радио мне не надо.

+1
Инфракрасный приемник заметно выигрывает по массе по сравнению с традиционным радио. Если речь идет о совсем микро аппаратуре, то другой альтернативы нет.

7 days later
blakaraf

Ну что больше ни каму не итересно самому сделать такую аппаратуру .
Во буржуи какие деньги просят.
Подключайтесь вместе быстрей и веселей будет.
Мож кто уже пытался сделать такое.
А то чета забурился Я.

blakaraf:

Ну что больше ни каму не итересно самому сделать такую аппаратуру .
Во буржуи какие деньги просят.
Подключайтесь вместе быстрей и веселей будет.
Мож кто уже пытался сделать такое.
А то чета забурился Я.

С приёмником пока не лады.

Пионер

Оч инторосно но пока некогда заниматься,
Похожая схема передатчика Вот тут там и приймач есть мо поможет.

blakaraf
Пионер:

Оч инторосно но пока некогда заниматься,
Похожая схема передатчика Вот тут там и приймач есть мо поможет.

Эт все не то.
Вот еще надыдал.

Да ешё почти во всех ссылках дают прошивку но она не в кексах тоесть не hex. а вот такая
:020000040000FA
:100000008316FF23900018308500083081001030DF
:100010008312850107309900051E0F283628F43019
:100020008F008E01851912281014851D15281010B7
:100030000C1C0F280C100530A100851D1D28133045
:10004000A000051585122428252826280511000062
:1000500029282A282B282C282D282E28A003031DE8

Как это залить в процесор.
Кто юзал подскажите пожалста.
А то с приёмником замучался они на pic12c509a
А они прошиваются один раз.
Не парвильно прошил и выкинул контроллер.

Indoor_Links.rar

alex_grach
blakaraf:

Эт все не то.
Вот еще надыдал.

Да ешё почти во всех ссылках дают прошивку но она не в кексах тоесть не hex. а вот такая
:020000040000FA
:100000008316FF23900018308500083081001030DF
:100010008312850107309900051E0F283628F43019
:100020008F008E01851912281014851D15281010B7
:100030000C1C0F280C100530A100851D1D28133045
:10004000A000051585122428252826280511000062
:1000500029282A282B282C282D282E28A003031DE8

Как это залить в процесор.
Кто юзал подскажите пожалста.
А то с приёмником замучался они на pic12c509a
А они прошиваются один раз.
Не парвильно прошил и выкинул контроллер.

Прошивку сохранить как hex, открыть в программе (ic-prog / winpic)- прошивальшике и залить. Другой вопрос чем Вы прошиваете? Какой программатор? Точно ли рабочий? Какие биты конфигурации?

Если программатор самодельный настоятельно рекомандовал бы его проверить (можно вольтметром посмотреть все ли напряжения “на месте”, в ic-prog есть функций проверки в настройках программатора, кажется. Хорошо бы еще иметь под рукой какой-нить “флешовый” PIC, хотя бы PIC12F675 - его прошить с проверкой (верификацией) и прочитать).

blakaraf

Программатор вот этот самопал спасиб за совет шас проверим.

alex_grach
blakaraf:

Программатор вот этот самопал спасиб за совет шас проверим.

Советую сразу от него отказаться - я таким две с508 убил
Сейчас использую вот такой: www.coolcircuit.com/project/picprog/ правда он на LPT
Единственное - поставил резистор 50 Ом на напряжение программирования (перерезал дорожку и впаял smd).

UserM
blakaraf:

Эт все не то.
Вот еще надыдал.

Да ешё почти во всех ссылках дают прошивку но она не в кексах тоесть не hex. а вот такая
:020000040000FA
:100000008316FF23900018308500083081001030DF
:100010008312850107309900051E0F283628F43019
:100020008F008E01851912281014851D15281010B7
:100030000C1C0F280C100530A100851D1D28133045
:10004000A000051585122428252826280511000062
:1000500029282A282B282C282D282E28A003031DE8

Как это залить в процесор.
Кто юзал подскажите пожалста.
А то с приёмником замучался они на pic12c509a
А они прошиваются один раз.
Не парвильно прошил и выкинул контроллер.

Первое, эта прошивка для передатчика а не для приёмника.
Второе, эта прошика не для контроллера pic12c509a.

blakaraf:

А они прошиваются один раз.
Не парвильно прошил и выкинул контроллер.

Третье если код маленький , как в данном случае, можно забить его nop, а рабочий код сдвинуть ниже по адресам, но надо дружить с ASM. Т.е. можно прошить несколько раз сдвигая код ниже.
Четвертое, можно для отладки использовать многократно прошиваемый контроллер, а уже отлаженную версию прошивать в одноразовый, правда если писать самому.

blakaraf

😃 Да…
А как быть если не дружиш с асемблером.