Управление удалённой патч антенной с помощью радиоуправления.

Алексей_Иванов

Здравствуйте уважаемые завсегдатае форума, возник у меня один вопрос на который нигде не могу найти ответа. Возможно вы знаете точный ответ.
Вопрос такой: возможно ли к плате аналоговой сервомашинки Hitec HS422, с помощью дополнительного питания(12 вольт, потребление 4-6 ампер), двух транзисторов и двух диодов(каскад), приспособить более мощный двигатель, например вот такой: «Коллекторный мотор FEIGAO 5405121, количество витков -21, намотка в один провод, максимальный ток - 15А, сопротивление обмоток - 0.0400 Ом, количество оборотов на вольт - 2933, ток холостого хода - 2.6», если возможно то какие транзисторы и диоды оптимально использовать? Если невозможно то как это сделать?
Хочу сделать радиоуправление патч антенной, антенна у меня стоит на вышке высотой 15 метров, к антенне прикручено 2 редуктора с мотором от шуроповёрта фирмы bosh, один вращает антенну на 360, второй крутит линейный актуатор(червячный вал) меняя направление по вертикали, двигатели конструктивно стоят в двух метрах от антенны чтоб не было сильных помех, сейчас это управляется простым переключателем питания, когда один летаю очень неудобно ловить направление антенны, вот и думаю как бы приспособить свой второй комплект аппаратуры для этого дела, простая сервомашинка слаба, конструкция достаточно массивная, вот и хочу собрать на основе потенциометра и электроники от сервомашинки и более мощного мотора удобное управление, в современной электронике плохо разбираюсь, справляюсь только с простыми аналоговыми схемами, из-за этого тут у вас и интересуюсь. Спасибо за внимание.

soki

Есть машинки раз 6-8 сильнее HS422, а с редуктором момент вообще может быть фантастическим.
Посмотрите здесь готовые решения:
servocity.com/…/pan_tilt_roll___accessories.html
За $130 там больше 100 кг.см (надеюсь хватит?) при скорости 2 сек/60*, что вполне приемлемо для антенны.

Алексей_Иванов
soki:

Есть машинки раз 6-8 сильнее HS422, а с редуктором момент вообще может быть фантастическим.
Посмотрите здесь готовые решения:
servocity.com/…/pan_tilt_roll___accessories.html
За $130 там больше 100 кг.см (надеюсь хватит?) при скорости 2 сек/60*, что вполне приемлемо для антенны.

Спасибо за ссылку, то что надо, вот только жаль что у них доставка неудобная(UPS), кто-нибудь заказывал у них посылки дороже 5 т.р.? С Инвойсом могут подсобить?

PigTail

А вроде у них написано International orders ship via UPS (United Parcel Service) or USPS Global Express. Второе вроде наше EMS?

17 days later
blade
Алексей_Иванов:

Возможно вы знаете точный ответ.
Вопрос такой: возможно ли к плате аналоговой сервомашинки Hitec HS422, с помощью дополнительного питания(12 вольт, потребление 4-6 ампер), двух транзисторов и двух диодов(каскад),

Может и возможно (правда, как это сделать- непонятно…)
Но двигатель- не главное: там же редуктор не выдержит нагрузок.
Для перемещения патча- гораздо проще применить “сканер” от видеокамер (поворотное устройство) Там всё сделано под гораздо более серьёзную нагрузку и уже две координаты отрабатываются- :по вертикали"+" “-” 45*, по горизонтали-355*
Если надо- пишите в личку. 😃

blade
Алексей_Иванов:

Спасибо за внимание.

Вот так выглядит это устройство (производилось на красногорском “Зените”)
Там всё по-честному: двигатели ДПМ, редуктора- металл…
Умели строить в старину 😦

Алексей_Иванов
blade:

Может и возможно (правда, как это сделать- непонятно…)
Но двигатель- не главное: там же редуктор не выдержит нагрузок.
Для перемещения патча- гораздо проще применить “сканер” от видеокамер (поворотное устройство) Там всё сделано под гораздо более серьёзную нагрузку и уже две координаты отрабатываются- :по вертикали"+" “-” 45*, по горизонтали-355*
Если надо- пишите в личку. 😃

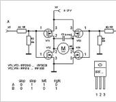
Спасибо за совет, на я уже сделал, кому интересно, вот схема на мосфетовских полевых транзисторах:

Всё работает как надо.

blade
Алексей_Иванов:

Спасибо за совет, на я уже сделал, кому интересно, вот схема на мосфетовских полевых транзисторах:

Всё работает как надо.

Что именно работает?
Антенна вертится?
Так эта схема- стандартный мост (они, кстати -есть в виде микросхем).
Чего ж ему не работать то?
А антенна с помощью руль машинок долго не проработает: усилия слишком большие: случайно задел- и каюк редуктору 😦

Алексей_Иванов
blade:

Что именно работает?
Антенна вертится?
Так эта схема- стандартный мост (они, кстати -есть в виде микросхем).
Чего ж ему не работать то?
А антенна с помощью руль машинок долго не проработает: усилия слишком большие: случайно задел- и каюк редуктору 😦

От машинки только микросхемка и потенциометр используется, мотор и редуктор от шуруповёрта 😉

soki
blade:

А антенна с помощью руль машинок долго не проработает: усилия слишком большие: случайно задел- и каюк редуктору 😦

В принципе, есть рулевые машинки с металлическими и титановыми шестеренками.

blade
soki:

В принципе, есть рулевые машинки с металлическими и титановыми шестеренками.

Бесспорно!
Но цена у них: " мама- не горюй"!
Да и купив такие- всё равно надо их объединять в общую конструкцию, придумывать, как увеличить угол поворота…
А зачем, если всё это -давно изобретено 😒