Activity
Учитывая Ваш уровень подготовки давайте в понятных Вам категориях. 1. Переводим дешифратор…
Спасибо. Буду пробовать.
У вас монолог или личная переписка с Олегом? Остальные вам в этой теме мешают?
Да нет для этого личка есть. Мне неинтересны выяснение личных отношений. Однако у него должнен быть рабочий действующий вариант, что не отрицает возможности создания более совершенной модели кем то из вас.
На самом деле Вам дважды рисовали схемы как должно быть.
Где? И где дважды?
Ребята, я специально намалевал чистовик схемы, чтобы кто-то процарапал на ней как надо. Список реле, что потребуется для этого, поймите, не решает вопроса. Кроме того вопрос подключения китайского пульта как у меня к двум моторчиками - это не секрет строительства подводной лодки. Честно говоря мне было неудобно даже обращаться с ним на форум.
но Валентину не стоит тратить время на то чтобы её перерисовать…
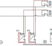
Суть проблемы остается прежней. Вот нарисовал для общего удобства. Мне не приходится пользоваться программами для вычерчивания схем.
Реле Р1 и Р2 -силовые (из “силового” китайского магазина Алиэкспресс) на 10 А китайских. Кн1, Кн3 и Кн4 -кнопки на пульте (синие на схеме) и к Кн3 и Кн4 подключены нормально замкнутые реле,. Все три нижние реле-нормально разомкнутые.
Все вроде хорошо? Да нет заднего хода!
Кроме того катер будет двигаться наподобие танка: кнопка - нажал кнопку Кн1 ход вперед, отпустил.
нажал кнопку вправо Кн3. отпусти и т.д. Ходом вперед возможно управлять кнопкой, которую нажал и работает она до следующего нажатия…
Олег, поправьте.
Я не электронщик и не радиолюбитель. Влезаю в эти схемы только из любви к рыбалке.
Не нужны Вам никакие поляризованные реле. Вечером скину схему в двух вариантах - с обычными реле и с управлением транзисторами.
Я новый человек на сайте…сегодня целый день пытался нарисовать схему.
Вечером скину схему в двух вариантах - с обычными реле и с управлением транзисторами.
Обычные реле я заказывал еще зимой. Есть только одно 8 ножковое. Надо еще такое? И в чем отличие на транзисторах и на реле? Просто реле у меня есть.
Как программируются эти режимы? Единожды, или каждый раз последовательным нажатием кнопок? Непонятен режим “коммутация”. Поподробнее объясните.
Программируется единожды.Режим коммутации: нажал кнопку 1- команда 1 работает до тех пор пока не нажмется кнопка 2. при нажатии кнопки 2 команда 1 отменяется.
Надо еще будет проверить это описание китайцев. Через сутки будет время.
Для “назад” и разворота на месте нужно еще одно реле 8 pin. С одним не справиться, нужно два.
Придется докупить.
Единственный вариант решения “в лоб” пара кнопок управляющих моторами должны быть в режиме удержания, тогда, пока давишь сразу две, едет почти прямо…
Вот это я попробовал. Одна кнопка если работает, то пульт вторую не видит. Может можно шесть кнопок запрограммировать на удержание (работает пока нажата кнопка), а вторые шесть на коммутацию (следующая отменяет действие предыдущей). Скажу честно я еще так не пробовал (не представлял схему).
Валентин, а какова логика этого релейного управления? Насколько я понял там возможны разные режимы а не только “нажал кнопку 3 и сработало реле 3, отпустил- и реле отпустило”.
Да, есть несколько режимов. Часть кнопок можно запрограммировать под разные режимы соотв. кнопками, например:
Кнопка 3 – режим фиксации для всех 12-ти каналов;
Кнопка 4 – первые шесть каналов в режиме удержания, а последние шесть – в режиме коммутации;
Кнопка 5 – первые шесть каналов в режиме фиксации, а последние шесть – в режиме удержания;
Кнопка 6 – первые шесть каналов в режиме коммутации, а последние шесть – в режиме фиксации;
удержание (реле находится во включенном состоянии, пока Вы нажимаете кнопку);
коммутация (любая команда автоматически выключает предыдущую);
фиксация (нажатие кнопки включает реле, повторное нажатие выключает).
кучку реле надобно… на ход (вперед\назад) парочка поляризованных, и на право\лево еще пара обычных. Все управляется импульсами… Но как реализовать “файлсейф” что б кораблик не убежал, на этой аппе не представляю.
Посмотрел что такое поляризованные реле. Нашел маломощные до 2 ампер. Они маловаты по нагрузке проходящей через них на моторы…
А моторы по ссылкам не брали? Тут 60% ссылок не проверенных, вашем кошельком опыт ставят.
Моторы -33110 12в. Винты - www.aliexpress.com/item/…/32527058344.html
Но они для второй лодки. Мне бы первую запустить. Начал давно - забрасывать жалко.
кучку реле надобно… на ход (вперед\назад) парочка поляризованных, и на право\лево еще пара обычных. Все управляется импульсами… Но как реализовать “файлсейф” что б кораблик не убежал, на этой аппе не представляю.
Мне бы хот что-то по схеме… я вот что наваял.
Я не утверждаю что этот пульт то что надо…это то что есть.
С дальностью однозначно будут проблемы,
С дальностью я проверял 105 м уверенно. Мне пока достаточно. Насчет барахолки - на перспективу.
Помогите. советом! На форуме есть ссылки на пульт с 12-ю дискретными командами для управления. Я его приобрел, а теперь в отчаянии почти сомневаюсь в целесообразности… https://ru.aliexpress.com/item/12V-12-Channel-Relay-RF-Switch-1000m-Remote-Control-Transmitter-Receiver-315MHz/32471292904.html?spm=2114.03010208.3.2.cfW2uQ&ws_ab_test=searchweb0_0,searchweb201602_2_10152_10065_10151_10068_10136_10137_10060_10155_10062_437_10154_10056_10055_10054_10059_303_100031_10099_10103_10102_10096_10052_10053_10142_10107_10050_10051_10170_5030017_10084_10083_10119_10080_10082_10081_10110_519_10111_10112_10113_10114_10182_10078_10079_10073_10123_10120_10189_10127_142_10125,searchweb201603_1,ppcSwitch_2&btsid=35df6cd1-4104-4ae8-bbd5-d742df74ede8&algo_expid=9b07b662-819e-49e2-8060-b38e1b06c210-0&algo_pvid=9b07b662-819e-49e2-8060-b38e1b06c210
Есть такое реле SMIH-12VDC-SL-C 12 В реле 16A 250 В 8 pin:
Есть ИПБ:
ru.aliexpress.com/item/…/32455808328.html
Очень прошу помогите разобраться как использовать этот пульт для управления 2-х моторной лодкой. На этом пульте нельзя нажать для работы две кнопки одновременно. Только по одной (действие следующей отменяет предыдущую),т,е, я предполагал удерживая две кнопки получить работу двух моторов и ход вперед, а отпуская одну- повороты. Так не получается.
Мне пришла в голову только схема такая, где есть ход вперед, влево, вправо, а назад или разворота на месте нету…
Хотелось бы не усложнять управление…
Я пытаюсь для этого сезона хотя бы какую-то версию пробную запустить кораблика.
С уважением. Буду рад любым рекомендациям.