Добрый день друзя и колеги по специальности . Собрал свой грузовик и увидел что ему нехватает свежести и начал его модернизировать. ето первий мой грузовик таак что извините.
я сразу докупил длинную раму (она длиннее от R620 на 10 см.) мост и болотники. позднее я поставил дополнительние светики.
Это не серьезно ! 😃 Я имею ввиду - не серьезно с одной фоткой приходить 😃 Давай ишо 😃
сейчас готов только козерек . я его гдето три раза переделовал.😊
Немного фото того что сделано на даный момент . сейчас задержка только за покраской , жду на грунтовку…
Друзя , вот ета аппа была куплена на ebay , сначала все было хорошо , но когда я вышел на улицу понял что сигнала нет совсем , работала на расстоянии до 3-х метров. что ето может быть ?
Пробовал проверить дальность без машины ?
Пробовал , тот же резаультат , три метра … сервы начинают двигатса сами .
попробуй проверить выходной транзистор на самой апе.они бываю горят без выдвинутой антены.это на новых сейчас стали ставить защиту.
На фотографии виден классный топливный бак!!!Литров на 500 наверное😁? Интересен процесс изготовления бака и крышечки,которая закрывает заливную горловину.
попробуй проверить выходной транзистор на самой апе.они бываю горят без выдвинутой антены.это на новых сейчас стали ставить защиту.
Попробую занести к електрику… пусть посмотрит…
Баки , наверное по 1000 литров 😃) сделаны очень быстро из пвх (поли винил хлорыд)
колпачки я нашел в шкафу “ненужных вещей”… В планах установка дополнительного света и аккумулятора. несколько фот.
Судя по тому сколько топлива ты в бак поместил ездить будет долго и упорно без дозаправки !😁 А где брал грузовичка ,если за бугром кинь ссылку в личику !
я думаю неочень заметно что кондыцыонер сделан из корпуса нокии.😛
завтра повезу в автопокрасочный . что скажете на такое решение ?
Ну если своими силами в покраске не уверен ,то решение отличное !
я бы красил но только нужной тамийной краски нет в таком количестве. и уж сильно изуродована кабина.😊
я бы красил но только нужной тамийной краски нет в таком количестве. и уж сильно изуродована кабина.😊
А зачем тамийная краска? Это же обычный пластик(не волшебный),его можно обычной автомобильной краской красить.Покраску в камере одобряю.Хорошо,когда есть условия для работы!
А зачем тамийная краска? Это же обычный пластик(не волшебный),его можно обычной автомобильной краской красить.Покраску в камере одобряю.Хорошо,когда есть условия для работы!
у вас в Москве ведь тоже есть автопокрасочный…😁
Работа остановилась , жду лобовое окно и ноги , должно прийти до 15 марта. соберу и посмотрю что получится…
кожа)))😁
😁 Вот наконец собрал все в кучу и получился вот такой пепелацц😁
Если возникнут вопросы по даному екземпляру , с радостю отвечу.
Если возникнут вопросы по даному екземпляру , с радостю отвечу.
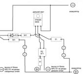
Интересно было бы видео посмотреть. И вопрос:как реализована схема подключения доп. света:“люстра”,габариты по бокам? Всё на блок MFC-01 “повесил”? Ели да,то насколько хватает аккумулятора,когда “всё включено” и насколько Ah аккумулятор используется?
Видео будет , сейчас немогу розобратся с управлением)))) Схема питтания диодов отдельно от блока ( потом нарисую , очень проста)) ) блок включает но не светит) аккумулятор для дополниительных диодов отдельный от основного на 3300 , основной 4000, ездил и светил пока в пульте батарейки не сели. но я думаю еще недоллго осталось до розрядки. Аккумулятору уже почти 3 года так что уже недержыт он свои 3300.
Вот так она выглядит , работает 100%
Может быть я что-то не понял,“люстра” верхняя и нижняя отдельно включается с пульта или вместе с основным светом? По идее должна отдельно…
{"assets_hash":"a8b26fa7f6e768b07a72c8c9aadb9422","page_data":{"users":{"48d5ac083df95500777773b3":{"_id":"48d5ac083df95500777773b3","hid":38596,"name":"Gora77","nick":"Gora77","avatar_id":null,"css":""},"492d3e483df9550077775153":{"_id":"492d3e483df9550077775153","hid":41167,"name":"борт2517","nick":"борт2517","avatar_id":null,"css":""},"498a7b973df95500777723d4":{"_id":"498a7b973df95500777723d4","hid":43767,"name":"Tangens","nick":"Tangens","avatar_id":null,"css":""},"4a54c2803df955007776c476":{"_id":"4a54c2803df955007776c476","hid":50607,"name":"DmButuz","nick":"DmButuz","avatar_id":null,"css":""},"4b151e0b3df95500777674fc":{"_id":"4b151e0b3df95500777674fc","hid":57390,"name":"Scania","nick":"Scania","avatar_id":null,"css":""}},"settings":{"can_see_ip":false,"can_report_abuse":false,"can_see_hellbanned":false,"forum_can_view":true,"forum_can_reply":false,"forum_edit_max_time":30,"forum_can_close_topic":false,"forum_show_ignored":false,"forum_mod_can_delete_topics":false,"forum_mod_can_hard_delete_topics":false,"forum_mod_can_see_hard_deleted_topics":false,"forum_mod_can_edit_posts":false,"forum_mod_can_pin_topic":false,"forum_mod_can_edit_titles":false,"forum_mod_can_close_topic":false,"can_vote":false,"forum_mod_can_add_infractions":false,"forum_topic_title_min_length":10,"forum_reply_old_post_threshold":30,"votes_add_max_time":168,"forum_show_post_interval":7,"can_see_deleted_users":false},"section":{"_id":"61c9a54c3df9550077bb51b6","hid":108,"title":"Грузовики, спецтехника","parent":"61c9a54c3df9550077bb50ff","description":"Модели грузовиков, тракторов и т.д.","is_category":false,"is_votable":true,"is_writable":true,"cache":{"topic_count":438,"post_count":18089,"last_post":"653f453cc68e4ffcbc1fefc6","last_topic":"6535524ec68e4ffcbc120611","last_topic_hid":572199,"last_topic_title":"БМД-1. М 1:12","last_ts":"2023-10-30T05:55:08.666Z","last_user":"527941e93df955007773025d"}},"topic":{"_id":"4b3c5dc03df955007788b3aa","hid":169532,"title":"Scania Top Line","views_count":69062,"last_post_counter":409,"cache":{"post_count":387,"first_post":"4b3c5dc03df955007788d3d8","first_ts":"2009-12-31T08:16:00.000Z","first_user":"4b151e0b3df95500777674fc","last_post":"55d31a2d3df955007788d708","last_post_hid":409,"last_ts":"2015-08-18T11:42:37.000Z","last_user":"4b151e0b3df95500777674fc"},"st":1,"section":"61c9a54c3df9550077bb51b6"},"subscription":null,"pagination":{"total":387,"per_page":25,"chunk_offset":0},"posts_list_before_post":["paginator","datediff"]},"locale":"en-US","user_id":"000000000000000000000000","user_hid":0,"user_name":"","user_nick":"","user_avatar":null,"is_member":false,"settings":{"can_access_acp":false,"can_use_dialogs":false,"hide_heavy_content":false},"unread_dialogs":false,"footer":{"rules":{"to":"common.rules"},"contacts":{"to":"rco-nodeca.contacts"}},"navbar":{"tracker":{"to":"users.tracker","autoselect":false,"priority":10},"forum":{"to":"forum.index"},"blogs":{"to":"blogs.index"},"clubs":{"to":"clubs.index"},"market":{"to":"market.index.buy"}},"recaptcha":{"public_key":"6LcyTs0dAAAAADW_1wxPfl0IHuXxBG7vMSSX26Z4"},"layout":"common.layout"}