Вот если гуглем пошарить третья ссылка да еще на русском www.terraelectronica.ru/files/notes/s061023.pdf
читай рисунок №3 и сделай тютелька в тютельку, шаг влево или вправо - расстреляю! Общий 1 и общий 2 это разные, на то она и гальваническая развязка.
В общем у меня драйверы отдельные на каждую ось, и в принципе имеют опторазвязку на входе.
Но, поскольку они отдельно, то нужна интерфейсная плата. Вот я ей и заморочился.
Не хотелось бы лепить просто переходник для разъемов, ежели можно
на нем соорудить управление шпинделем и управление лимитами и Хоме (благо дело свободные пины на ЛПТ есть)
Может подскажете на правильной ли я дороге?
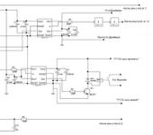
Т.е. на схеме Подключение шпинделя и три варианта Лимитов Хоме.
Что из этого правильно буит? Или ничего?
Не соображу откуда питать левую часть, откуда правую изоляторов для шпинделя.
По лимитам, если ставить изолятор (Вариант по X. хотя не уверен в его нужности),
то левую можно запитать от отдельного источника питания или от компа, а правую от драйверов.
Если изолятор не ставить (Вариант по Y,Z) , то нужно ли лепить ФНЧ (RC) фильтр?
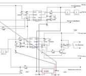
Юрий. Вот я вам подрисовал, смотри левую часть запитывать через DC/DC(это гальваническая развязка) преобразователь который запитан от туда откуда и драйвера
Фильтр лепить не надо( впрочем жизнь поправит)
Ну дык… 😦 И как правильно X, Y или Z
И для шпинделя я нарисовал поближе к истине?
И как правильно X, Y или Z
Я же не знаю на чем у ВАС будут сделаны датчики ХОМ и ЛИМИТ.
Шпиндель верно
Не соображу откуда питать левую часть, откуда правую изоляторов для шпинделя.
GOOD DAY
думаю правильно будет запитать
левую часть (комповую) от USB (+5В).
GOOD LUCK
{"assets_hash":"a8b26fa7f6e768b07a72c8c9aadb9422","page_data":{"users":{"433b98373df955007778efc8":{"_id":"433b98373df955007778efc8","hid":9366,"name":"Аэробус","nick":"Аэробус","avatar_id":null,"css":""},"434cf3b83df955007778ece4":{"_id":"434cf3b83df955007778ece4","hid":9586,"name":"GOOD","nick":"GOOD","avatar_id":null,"css":""},"4a8a489c3df955007776b042":{"_id":"4a8a489c3df955007776b042","hid":52326,"name":"diglook","nick":"diglook","avatar_id":null,"css":""}},"settings":{"can_see_ip":false,"can_report_abuse":false,"can_see_hellbanned":false,"forum_can_view":true,"forum_can_reply":false,"forum_edit_max_time":30,"forum_can_close_topic":false,"forum_show_ignored":false,"forum_mod_can_delete_topics":false,"forum_mod_can_hard_delete_topics":false,"forum_mod_can_see_hard_deleted_topics":false,"forum_mod_can_edit_posts":false,"forum_mod_can_pin_topic":false,"forum_mod_can_edit_titles":false,"forum_mod_can_close_topic":false,"can_vote":false,"forum_mod_can_add_infractions":false,"forum_topic_title_min_length":10,"forum_reply_old_post_threshold":30,"votes_add_max_time":168,"forum_show_post_interval":7,"can_see_deleted_users":false},"section":{"_id":"61c9a54c3df9550077bb51bc","hid":110,"title":"Драйверы и контроллеры для CNC","parent":"61c9a54c3df9550077bb51b9","description":"Обсуждение приводов и контроллеров для управления станками CNC.","is_category":false,"is_votable":true,"is_writable":true,"cache":{"topic_count":662,"post_count":12810,"last_post":"65cdce803627b35af4956dfa","last_topic":"65cdce803627b35af4956df9","last_topic_hid":572337,"last_topic_title":"Драйвер ТВ -6600","last_ts":"2024-02-15T08:42:40.608Z","last_user":"47e0d3f43df955007777ca60"}},"topic":{"_id":"4b13b22c3df95500778b1447","hid":165788,"title":"Опторазвязка на ISO721,ISO722","views_count":3103,"last_post_counter":18,"cache":{"post_count":18,"first_post":"4b13b22c3df95500778b2016","first_ts":"2009-11-30T11:53:16.000Z","first_user":"433b98373df955007778efc8","last_post":"4b1be7a03df95500778b2038","last_post_hid":18,"last_ts":"2009-12-06T17:19:28.000Z","last_user":"434cf3b83df955007778ece4"},"st":1,"section":"61c9a54c3df9550077bb51bc"},"subscription":null,"pagination":{"total":18,"per_page":25,"chunk_offset":12},"posts_list_before_post":["paginator","datediff"]},"locale":"en-US","user_id":"000000000000000000000000","user_hid":0,"user_name":"","user_nick":"","user_avatar":null,"is_member":false,"settings":{"can_access_acp":false,"can_use_dialogs":false,"hide_heavy_content":false},"unread_dialogs":false,"footer":{"rules":{"to":"common.rules"},"contacts":{"to":"rco-nodeca.contacts"}},"navbar":{"tracker":{"to":"users.tracker","autoselect":false,"priority":10},"forum":{"to":"forum.index"},"blogs":{"to":"blogs.index"},"clubs":{"to":"clubs.index"},"market":{"to":"market.index.buy"}},"recaptcha":{"public_key":"6LcyTs0dAAAAADW_1wxPfl0IHuXxBG7vMSSX26Z4"},"layout":"common.layout"}