Помогите подобрать схему контролера для ШД5

Pavelrb
king2:
  1. Сколько получилась в итоге скорость? У меня получилось максимум 470Гц на обмотке, то есть примерно 5700 шагов в секунду, или 1440об/мин. Питание 24вольта, 3 ампера на канал, при этом его легко можно остановить руками. Это хороший показатель для этого шаговика или есть куда стремиться? Попробую скорость при 48 вольтах питания, сейчас просто нет такого БП под рукой.

Где-то выше писал о скорости на станке по сравнению с резистивной форсировкой. Но куда поболее 1440 об. мин. Руками остановить легко- субъективный показатель, но на 1400 об да и повыше не так уж легко останавливается рукой. Норовит кожу обжечь…

king2:
  1. Пробовал ли с ШИМ? Почему в итоге решил так не делать?

Пробовал, что-то не пошел он у меня. Мотор крутился хорошо, но при остановке, когда постоянно включены 2 или 3 фазы, отключались драйверы верхних ключей. Мог отключиться через секунду, через 2 или 5…(конечно, я подразумеваю не тупо включены, а шим управление). При вращении работало нормально.
Причину не нашел, кинул.

king2:
  1. Почему на логике, а не на микроконтроллере или ПЛИС? Просто более удобная/привычная элементная база или есть какие-то подводные камни?

Мк не владею. Вникать лениво, ибо пока кроме этого привода как бы и не надо знание мк-плис-пик…

king2:
  1. Шумит ли двигатель, когда крутится? У меня пищит на разные лады, ибо индуктивность у него будь здоров, и ШИМ пропускает импульсы (из 20кГц получается меньше, причем случайно и движок как бы хрипит…)

При шиме пищал, шипел, это нормально. Теперь нет, принцип другой.

king2:
  1. У меня греется плата, тупо дорожки. Земля разведена кусочком длиной 14см, шириной 3см, толщина фольги 35, и оно греется!! В твоем так же?

Нет, что-то не то. Как ток выставляли?

king2:
  1. Пришлось отрезками провода соединять ту чатсь схемы, которая смотрит на токосъемный резистор, и мощную землю, без этого раздрай и ужас, помехи больше чем сигнал раз в 20, причем первый канал нормально, второй хуже… последний практически вообще не работает. После соединения заработало. В драйвере в этой теме вроде тоже был токосъемный резистор, таких проблем не было?

Подключение земли нужно смотреть, силовой и управления.
Я тоже помучился.

king2
Pavelrb:

Где-то выше писал о скорости на станке по сравнению с резистивной форсировкой. Но куда поболее 1440 об. мин. Руками остановить легко- субъективный показатель, но на 1400 об да и повыше не так уж легко останавливается рукой. Норовит кожу обжечь…

А это точно именно обороты в минуту?
Я считаю так - 1440 оборотов в минуту, делить на 60, получается 24 оборота в секунду, умножить на 240 шагов = 5760 герц частота на сигнале STEP. Мы одинаково считаем?

Я внизу приаттачил осциллограммы, которые снимаю с токосъемного резистора 0.33Ома, питание 24 вольта 5 ампер (так написано на БП). Там видно, что ток нарастает до полной величины (пять делений по 200mV = 1v, что дает нам 1/0.33 = 3ампера), но тем не менее:

1 картинка:
Частота 540*12=6480Hz, оно же 1620 об/мин. Двигатель еще крутится, но его легко можно остановить рукой. Ток во всех обмотках 3 ампера, больше некуда!

2 картинка:
Медленная скорость, 322*12=3864Hz, оно же 966 об/мин. Двигатель крутится надежно, рукой остановить не получается.

  1. картинка:
    Частота 1173*12 = 14kHz, оно же 3519 об/мин. Двигатель остановился сам еще где-то в районе 700*12Hz, видим четкую картину стабилизации тока на частоте 15kHz (это частота моего ШИМа).

Доктор, что я делаю не так? 😃

Pavelrb:

Пробовал, что-то не пошел он у меня. Мотор крутился хорошо, но при остановке, когда постоянно включены 2 или 3 фазы, отключались драйверы верхних ключей. Мог отключиться через секунду, через 2 или 5…(конечно, я подразумеваю не тупо включены, а шим управление). При вращении работало нормально.
Причину не нашел, кинул.

Причина в бутстрепной схеме драйвера, надо увеличивать емкость конденсатора, который там стоит.

Pavelrb
king2:

А это точно именно обороты в минуту?

Точно.

king2:

Я считаю так - 1440 оборотов в минуту, делить на 60, получается 24 оборота в секунду, умножить на 240 шагов = 5760 герц частота на сигнале STEP. Мы одинаково считаем?

Я считал по-другому, но какая разница…
На станке мотор крутит шпильку с шагом 1.75, 137 шагов на мм. Срывы начинаются при скорости перемещения оси 3000 мм мин, что при шаге шпильки 1.75 равно 1700 об мин.

king2:

Я внизу приаттачил осциллограммы, которые снимаю с токосъемного резистора 0.33Ома, питание 24 вольта 5 ампер (так написано на БП). Там видно, что ток нарастает до полной величины (пять делений по 200mV = 1v, что дает нам 1/0.33 = 3ампера), но тем не менее:

king2:

Доктор, что я делаю не так?

Вы бы схему приложили. Судя по плате, противоэдс гасите полностью диодом, если это так, причина в этом.

king2:

Частота 1173*12 = 14kHz, оно же 3519 об/мин. Двигатель остановился сам еще где-то в районе 700*12Hz,

На столе без мех. нагрузки двигатель раскручивается до максимально возможной скорости при ядре мача 25 кГц, 137 шаг мм, точно не помню, 5, 6 или 7 тыс об., верхнее положение ползунка скорости в motor tuning при 137 шаг мм. От мотора слышен тонкий писк. Момента, конечно, нет никакого, но раскручивается уверенно.

king2:

Сообщение от Pavelrb

Пробовал, что-то не пошел он у меня. Мотор крутился хорошо, но при остановке, когда постоянно включены 2 или 3 фазы, отключались драйверы верхних ключей. Мог отключиться через секунду, через 2 или 5…(конечно, я подразумеваю не тупо включены, а шим управление). При вращении работало нормально.
Причину не нашел, кинул.

Причина в бутстрепной схеме драйвера, надо увеличивать емкость конденсатора, который там стоит.

Перепробовал разные значения, от 47n до единиц мкф, ставил танталовые кондеры, без разницы…

king2
Pavelrb:

Точно.
Вы бы схему приложили. Судя по плате, противоэдс гасите полностью диодом, если это так, причина в этом.

На столе без мех. нагрузки двигатель раскручивается до максимально возможной скорости при ядре мача 25 кГц, 137 шаг мм, точно не помню, 5, 6 или 7 тыс об., верхнее положение ползунка скорости в motor tuning при 137 шаг мм. От мотора слышен тонкий писк. Момента, конечно, нет никакого, но раскручивается уверенно.

Хм, у меня дохнет на 1400 оборотах в минуту без нагрузки, при почит идеальных осциллограммах тока в обмотке…

Гашу двумя диодами с рекуперацией на источник питания, схема - косой полумост. Силовой кусок схемы прилагаю, входы IR2101 работают так - вход LIN - управление фазой (1 - фаза включена, 0 - выключена), на вход HIN идет ШИМ с ограничителя тока (провод от R4/C6 - ОС на регулятор тока).

Предполагаете, что из-за диодов гасится не только противоЭДС, но и наведенная ЭДС от других обмоток, что приводит к потере мощности?

Pavelrb
king2:

Гашу двумя диодами с рекуперацией на источник питания, схема - косой полумост. Силовой кусок схемы прилагаю, входы IR2101 работают так - вход LIN - управление фазой (1 - фаза включена, 0 - выключена), на вход HIN идет ШИМ с ограничителя тока (провод от R4/C6 - ОС на регулятор тока).

Рекуперация у вас не работает, точнее работает она лишь в момент переключения фаз, все остальное время противоэдс замыкается накоротко через диод и открытый нижний транзистор.
Дело не столько и в рекуперации, сколько в том, что нельзя полностью гасить противоэдс диодом, это сильно тормозит мотор.
При нормально работающей рекуперации противоэдс не гасится полностью, а ограничивается на уровне питания.
Попробуйте изменить управление, входы Hin и Lin соедините вместе(я так и пробовал при экспериментах с шим), посмотрите, как будет вести себя мотор. Но тут наверное вылезет косяк, о котором писал выше- хаотичное отключение верхних ключей при стоянке двигателя.

Pavelrb

Еще попробуйте оставить схему как есть, но последовательно с D3 включите резистор, ом 100, мощность резистора ватт 20 или больше, что будет с моментом и оборотами?

king2
Pavelrb:

Рекуперация у вас не работает, точнее работает она лишь в момент переключения фаз, все остальное время противоэдс замыкается накоротко через диод и открытый нижний транзистор.
Дело не столько и в рекуперации, сколько в том, что нельзя полностью гасить противоэдс диодом, это сильно тормозит мотор.
При нормально работающей рекуперации противоэдс не гасится полностью, а ограничивается на уровне питания.
Попробуйте изменить управление, входы Hin и Lin соедините вместе(я так и пробовал при экспериментах с шим), посмотрите, как будет вести себя мотор. Но тут наверное вылезет косяк, о котором писал выше- хаотичное отключение верхних ключей при стоянке двигателя.

Дык энергия на противоЭДС в момент отключения верхнего плеча будет довольно маленькой, и действительно надо замыкать ее через диод, чтобы получить быстрое нарастание тока, иначе будет плавный фронт. Если ее гасить на питание, то ток никогда не нарастет (или сделает это слишком медленно) до номинального значения.
А вот когда отключается вся фаза, тогда оно и гасится на питание, но тут уходит вся энергия, запасенная в катушке, а не только дельта, на которую падает ток.

Так что с этой стороны все вроде бы нормально…

А можете свою схемку бросить текущую?

Pavelrb
king2:

Дык энергия на противоЭДС в момент отключения верхнего плеча будет довольно маленькой, и действительно надо замыкать ее через диод, чтобы получить быстрое нарастание тока, иначе будет плавный фронт. Если ее гасить на питание, то ток никогда не нарастет (или сделает это слишком медленно) до номинального значения.
А вот когда отключается вся фаза, тогда оно и гасится на питание, но тут уходит вся энергия, запасенная в катушке, а не только дельта, на которую падает ток.

Вы попробуйте, для начала соединенные вместе аноды D3 подключите к схеме через резистор, как я писал выше.

king2:

А можете свою схемку бросить текущую?

Не рисовал, но принципиальных отличий от схемы в 83-м посту нет.
rcopen.com/forum/f110/topic175929/83

14 days later
king2
Pavelrb:

king2 как успехи?

Резистор нужной мощности и номинала не нашел, так что не попробовал. Однако, немногим раньше я пробовал вместо диода ставить супрессор, и получил потерю мощности из-за почти мгновенного падения тока в обмотке после отключения верхнего плеча. С резистором, думаю, будет похоже, то есть это будет компромисс между скоростью нарастания тока в обмотке и эффектом гашения противоЭДС.

Нагрев земляной дорожки, похоже, от диодов HER507. Забил.

Заменил транзисторы IRF640 на IRF540Z (у них сопротивление меньше) - греться стало и вправду меньше, но несущественно. Похоже, что все равно придется на радиаторы их ставить, хотя и без радиаторов они греются, но пока ничего из строя не вышло.

Установил у себя 137 шагов и попробовал блок питания на 40 вольт (трансформатор + диодный мостик + кондер 10000мкФ 100вольт) - если до этого двигатель останавливался примерно на 2500мм/мин, то сейчас - на 5000мм/мин. Думаю, если еще повысить напряжение, то будет еще лучше, хотя мне уже столько не надо (обработка камня, там вообще все медленно делается). А так вообще, думаю, можно до 80-90 вольт наращивать, если транзисторы 640 и на радиаторах - то и до 160 выдержит.

Джампера отвечают за схему работы (2-3 или 3-4) и установку тока простоя (если на второй поставить джампер постоянно - то будет всегда ток, выставленный на подстроечном резисторе, если снять - запомнит текущее положение как ток покоя.

Если вдруг придется делать на еще такие драйвера - немного поменяю разводку платы (несущественно, но приятнее для монтажа) и закажу трафарет, но, думаю, что перспективы это окупить эээ… туманные 😃.

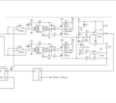
Последняя версия выглядит вот так:

Alexeon

Решил всетаки выпаять все транзисторы из промышленнного привода,чтобы разобраться со схемой.Может сообща осилим.Это рабочий привод с ШИМом и рекупераией,работает замечательно ничего сильно не греется.Разбирался я с оконечным каскадом-так практически ничем не отличается от тут приведенных схем.Пробовал делать по схеме Юрия (mura) вроде работает,но греется и почемуто шумит сильно,хотя ШИМ предусматривался около 22кГц.Все дело в управляющих сигналах ШИМа и рекуперации.Если разобраться с этой схемой думаю все проблемы решатся сами собой.Ниже миниатюры,а в архивах полный размер файлов.
alexeon.users.photofile.ru/photo/…/169636205.jpg? (274 Kb)alexeon.users.photofile.ru/photo/…/169636208.jpg? (292 Kb)






king2

Ну, при тех размерах радиаторов греться особо и не должно. Это контроллер, который шел на эти станки с завода, там схема без ШИМ, но с вольтодобавкой, которая обрубается по достижении нужного тока.

ШИМ шумит из-за того, что индуктивность обмоток довольно большая.

Если ШИМ сделан на компараторах по релейной схеме, то частота там плавает в довольно больших пределах, потому что по релейной схеме стабилизируется дельта тока, а частота - только производная. Плюс к тому, компараторы - весьма чувствительные штуки, немного грязи и флюса на плате - и параметры уплывают.

Если ШИМ сделан на чем-то вроде UC3843 - то при частоте 22кГц оно легко может пропускать один, а то и два периода задающего генератора - просто потому, что ток еще не снизился до нужной величины. И получается 11кГц, или даже еще меньше, причем оно тоже плавает, и вместо писка получается хрип.

Alexeon

Вот схема по которой собирал свой привод

Работает,но греются всетаки диоды и шумит.Моторы крутятся нормально,разгонял степ до 20000 Гц,конечно запускался через раз,но всеже иногда удавалось(это без разгона).Если повысить ток работает лучше,но уже стремно-сильно греются диоды КД213(это вместо диодов Шотки 10BQ100 по схеме).Пробовал ставить 10BQ100,какие использовал Юрий (mura) по егоже совету,грелись сильнее,правда скорее из-за малого обьема.Т.е. не в диодах дело,а в управляющем сигнале.АГ3 поставил для формирования задержки,чтобы рекуперация закончилась и транзисторы не замкнулись с обратной ЭДС,когда это сделал диоды уже грелись меньше и ток получилось поднять выше и транзисторы перестали вылетать горстями.Правда если уменьшить частоту микроконтроллера гдето до 14-15Мгц,то задержка формируется сама собой в нем.Но я предпочел всеже АГ3 для надежности.Может мне кто-нибудь сказать,почему греются диоды и шумит?И правильно ли я организовал ШИМ,ато чтото я не совсем уверен?Хотя руководствовался класической схемой ,как он сделан на L295 или L297 .

king2

Если оно стартует на 20кГц, то это (20000/240)*60=5000об/мин. У меня такое получалось только с разгоном, но на 40 вольтах питания. Какое напряжение питания двигателя?

Не совсем понял про рекуперацию и зачем там АГ3, я так понял, что как только ток превысил нужное значение, идет импульс, запускающий АГ3, который его удлинняет до 10мс? А что дальше с этим сигналом делает PIC?

Диоды греются потому что через них сбрасывается в питание противоЭДС и наведенные другими обмотками токи, в размере подаваемой туда энергии (6-9ампер) минус нагрев движка, и я подозреваю, что по закону сохранения энергии под нагрузкой они будут греться меньше (как это ни странно) 😃

Alexeon

Прошу прощения,2000Гц на степе(запутался в шкале генератора),т.е 500 оборотов выше не получается.Боюсь поднимать ток,если поднять будет быстрее работать,но греются уже диоды особенно в стояночном режиме.А питается +65В.PIC просто отключает выход 1и2(3и4,5и6) каналов соответственно.А без АГ3 или задержки у меня диоды вообще горели синим пламенем и транзисторы вылетали попарно.В принципе работает терпимо,просто не хотелось бы чтобы вылезали проблемы когда уже будет работать на станке-пока все еще на столе в процессе разработки.

Если честно,я сам за рекуперацию не совсем все понимаю,ибо в теории слабо разбираюсь.Единсвенное думаю,что когда транзисторы отключаются,естественно возникает обратное ЭДС,ну грубо говоря колебания от которых никуда не деться.Получается некое подобие трансформатора и диодного моста(в виде диодов Шотки) которые подпитывают источник питания таким образом.И если транзисторы запустить раньше,чем затухнет ЭДС это комуто может не понравиться.В данном случае больше не нравилось транзисторам,а диоды просто сильно грелись.Когда я сделал задержку греться стали меньше,но не настолько чтобы это дало значительный эфект.Но всеже в этом чтото есть,раз перестало дымить-откровенно говоря.Но это чисто мои соображения.Мои познания в теории электроники ограничиваются законом Ома.Правда практического опыта ,я думаю,достаточно,чтобы заниматься столь сложными вещами.

9 days later
Pavelrb
king2:

Диоды греются потому что через них сбрасывается в питание противоЭДС и наведенные другими обмотками токи,

Так и есть, и по идее чем выше питание, тем меньше нагрев диодов.

king2:

что по закону сохранения энергии под нагрузкой они будут греться меньше

Так и есть. 😃
Моя плата, фото несколько сообщений выше, размеры радиатора много увеличены от нужного, при отключенной функции снижения тока при простое радиатор греется субъективно как почти горячий, после получаса и трех включенных фазах, при работе и снижении тока при простое нагрев невелик, радиатор чуть теплый.
Если в цифрах, максимальный нагрев при стоянке, при трех включенных фазах движка, без ограничения тока- 0.7 в падение на диодах при трех амперах, итого 6 ватт тепла на трех диодах, плюс 1.6 ватт тепла на каждом irf640(0.18 ом), итого вместе рассеиваемая на радиаторе мощность максимум 11 ватт.
Нагрев диодов рекуперации не замечен… Диоды стоят какие были, FR207. Питание 50 вольт.

По низковольтной запитке силы (около 5 вольт, максимум 27 ампер на три оси) все же решил использовать старые компьютерные бп, по одному на ось.
Хотел обойтись вообще без кулеров в приводе, но так проще.
Итого 4 компьютерных бп, один запитка логики, остальные питание своей оси плюс оптрон по выходу каждого блока для контроля работы, стоп если что.
Подключение бп к сети сделаю просто- четыре отдельных тумблера, по одному на каждый бп, чтоб зарядом кондеров не выбивало сеть, хоть там и терморезисторы стоят.
Щелк-щелк-щелк-щелк-щелк.😃

Alexeon

А какой ток покоя выставляете? И какая у кого схемка развязки,управляющая этим током? Т.е.принцип работы я понимаю,СТЕП есть -полный ток,нет СТЕПА-ток наполовину(например).Просто интересно,как кто делал.Аналоговая или цифровая зависимость,зависит ли от частоты шагов уровень тока?

Pavelrb

Два уровня тока, один для работы, второй, пониженный, для уменьшения нагрева шаговика при отсутствии вращения. Выбирается из соображений достаточности тока для удержания ротора шаговика на месте, чтоб не проскакивал при пониженном токе от механических причин.
Таймер измеряет время отсутствия импульсов степ, если импульсов нет, скажем, 3 секунды, включается режим снижения тока. При появлении импулсов степ включается полный ток, вот и вся зависимость…
Снижение тока реализуется по-разному, например в схеме с ШИМ достаточно уменьшить уровень задающего напряжения на входах компараторов. В моем варианте, с единичными импульсами форсировки, немного сложнее- нужно уменьшить уровень задающего напряжения плюс при этом запитать ключи некоторой частотой.

11 days later
ag-set
king2:

Резистор нужной мощности и номинала не нашел, так что не попробовал. Однако, немногим раньше я пробовал вместо диода ставить супрессор, и получил потерю мощности из-за почти мгновенного падения тока в обмотке после отключения верхнего плеча. С резистором, думаю, будет похоже, то есть это будет компромисс между скоростью нарастания тока в обмотке и эффектом гашения противоЭДС.

Нагрев земляной дорожки, похоже, от диодов HER507. Забил.

Заменил транзисторы IRF640 на IRF540Z (у них сопротивление меньше) - греться стало и вправду меньше, но несущественно. Похоже, что все равно придется на радиаторы их ставить, хотя и без радиаторов они греются, но пока ничего из строя не вышло.

Установил у себя 137 шагов и попробовал блок питания на 40 вольт (трансформатор + диодный мостик + кондер 10000мкФ 100вольт) - если до этого двигатель останавливался примерно на 2500мм/мин, то сейчас - на 5000мм/мин. Думаю, если еще повысить напряжение, то будет еще лучше, хотя мне уже столько не надо (обработка камня, там вообще все медленно делается). А так вообще, думаю, можно до 80-90 вольт наращивать, если транзисторы 640 и на радиаторах - то и до 160 выдержит.

Джампера отвечают за схему работы (2-3 или 3-4) и установку тока простоя (если на второй поставить джампер постоянно - то будет всегда ток, выставленный на подстроечном резисторе, если снять - запомнит текущее положение как ток покоя.

Если вдруг придется делать на еще такие драйвера - немного поменяю разводку платы (несущественно, но приятнее для монтажа) и закажу трафарет, но, думаю, что перспективы это окупить эээ… туманные 😃.

Последняя версия выглядит вот так:

а можно Вашу последнюю версию в студию или это коммерческий проект ? хотелось бы сделать то же ! а то как то валяются в гараже 10шт ШД5 ! готов заплатить за вашу разработку (схему печатку прошивку)

19 days later
utyyflbq

если можно выложить одну, но работающую схему контролера (желательно на логике), для начинающих. Схема, печатка, б/п, описание, режимы, настройки. Просто все трудно осмыслить и сделать выбор, тем более если “сто лет” этим не занимался, увы потеря квалификации.

13 days later
vlad_s
vlad_s:

Есть штук 15 этих самых ШД-5. Может быть нужны кому-нибудь?

Не забываем про тему. Появились еще вот такие движки, повторюсь, может кому пригодятся. 4 полюсный, 1.8 грд шаг, 400 полушагов за оборот. Ротор немагнитный.

king2
ag-set:

а можно Вашу последнюю версию в студию или это коммерческий проект ? хотелось бы сделать то же ! а то как то валяются в гараже 10шт ШД5 ! готов заплатить за вашу разработку (схему печатку прошивку)

Это был проект “под заказ”, то есть схема-прошивка-печатка принадлежат заказчику. Я спросил у него, можно ли поделиться с сообществом, он запретил отдавать кому бы то ни было любые исходники, но разрешил делиться драйверами любой степени собранности (от печатка+прошивка, до собранного).

Дальше - в личке.

1 month later
ag-set

делаю плату драйвер от DAVA собрал вроде собрал , проверяю в принципе работает (фотки и видео выложу немного позже ) но есть несколько нюансов оч сильно греется, мосфет верхнего плеча irfz44n (драйвер ir2101) без радиатора 15 секунд и горит, с радиатором работает но очень греется, бустепная емкость 1 мкф резистор на мосфет 22 ома , напряжение форсировки 35 В, основное 5 В 28 А подскажите в чем дело может быть ( форсировочный импульс 300 мкс)

Pavelrb
ag-set:

бустепная емкость 1 мкф

Очень много.

ag-set
Pavelrb:

Очень много.

пробовал 0.47мкф 0.1мкф та же фигня , еще меньше надо ?, напряжение на транзисторе 9 в может ему мало для полного открытия ?