Помогите подобрать схему контролера для ШД5

allo

Виноват,сцепление зубьев шестеренок не регулируется.Посадка ходового винта в корпусе редуктора строгая.

Pavelrb

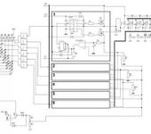
Почти собрал девайс. Не прикручен радиатор и не впаяны токоизм. резисторы.
Размеры 115*208.
Диоды низкого напряжения установлены с обратной стороны платы, в плате отверстия, через которые диоды прижимаются к радиатору.
Выход на двигатель через 25pin разъем наподобие разъема LPT порта. Народ так делал, говорят, ничего, держат…
Питание, степы-диры и прочее через другой разъем, на фото его еще нет.
На плате добавил еще оптроны развязки.
На неделе запущу, попробую потестить на станке, часов несколько.

Pavelrb

Источник питания предполагаю трансформаторный.
Нужно- 6 вольт, 27 ампер (макс. возможное значение при одновременной остановке трех осей до момента срабатывания снижения тока), высоковольтный источник, 50-100 вольт, лучше ближе к ста, суммарный ток осей пусть макс. до ампера. Итого максимум 260 ватт.
Нужно рассмотреть разные варианты, подскажите из практики, кто сталкивался, толковый вариант импульсника, или переделки комп.бп того же.

Pavelrb
Pavelrb:

Нужно- 6 вольт, 27 ампер (макс. возможное значение при одновременной остановке трех осей до момента срабатывания снижения тока), высоковольтный источник, 50-100 вольт, лучше ближе к ста, суммарный ток осей пусть макс. до ампера. Итого максимум 260 ватт.

Это с большим запасом, при одновременной остановке трех моторов, при трех включенных фазах на каждом, до момента срабатывания схемы снижения тока по высоковольтному источнику ток не потребляется, так что потребление 6 вольт *27 ампер=160 ватт…
При работе суммарное потребление до 70-80- ватт на одну ось.
Если все же буду делать трансформаторный источник, сделаю на базе 400ваттного транса, есть такой. Запас раза в два. С лишним.

allo

При переделке БП от компа мне не удалось подружить +5 и +50В, будет два разных,+15в-0,5а(питание драйверов и МК),+4в 30а(с рег. от3,5 до 5в) и отдельный 50-70в 4а.До 16а все чудесно,от 20а и выше опасно греются выпр. сборка(MBR6045!! нужен солидный радиатор) и выходной дроссель,желтое кольцо 27мм,2провода 1.2мм.Мотал на 2 кольцах-нагрев чуть меньше,но все равно неубедительно.На феррите с зазором тоже не получилось.Желтых колец бОльшего диаметра взять негде,думаю разделить нагрузку на 3 канала по 10а(3 сборки по 30а,3 дросселя,3 LC фильтра и через 3 одинаковых резистора на подстроечник к 1 ноге ШИМа для регулировки.Но на плате места маловато,придется собирать на дополнительной платке-опять возня.
Нагрузка была-куски нихрома 1,8мм в банке с водой для охлаждения.На 30а просадка с 4 до 3,75в,из них 0,18в на подводящих проводах.Пульсации размахом 0,03в с 2 конд. по 2200мкф на выходе.Больше 5 минут макс.нагрузку не включал,чтобы не перегреть дроссель.Он,сука,при пережарке навсегда становится обычной железкой.

Думаю,Ваш привод к качеству питания не критичен,должен работать и с трансформаторным БП.
Единственное преимущество импульсника-малые габариты и чувство ГЛУБОКО морального удовлетворения от того,что три недели экспериментов не пошли псу под хвост.

Pavelrb

Привод почти запустил. Почти… Плату пока не выкладываю, сыровата, было там несколько косяков, главный(как и ожидал)- воюю с землей. Вроде и переделал, и свел в одну точку на плате все земли( земля логики, земля драйверов, земля резисторов(силы), земля рекуперационных диодов). Все же пока за 10-15 минут работы через раз шаги сбиваются на 1-2 шага, причем сбиваются в логике(счетчике ие7), видно по светодиодам индикации обмоток. На мач не грешу, при выключенной силе все ок. Микрухи зашунтированы кондерами, общие в одну точку сведены… Может, посоветует кто что?

Логика формирует 12 тактовую последовательность коммутации обмоток, включенный такт видно на светодиодах.
От чего фигею-
Работа до пяти минут- сбоев нет.
работа 5 минут, сбой на 1 шаг.(такт)(если сбилось)
Работа 10 минут, сбой на 1 шаг. (если сбилось)
Работа 15 минут, сбой на 1 шаг.(если сбилось)
Работа 20 минут, сбой на 1 шаг.(если сбилось)
Работа 25 минут, сбой на 1 шаг.(если сбилось)
Очень редко сбивается на 2 шага.
15-20-25 минут запускал пару раз.
В основном гонял 5-10 минут, некую программку в мач загнал, из семплов.
Гонял часов 6 на столе.
Но сбивается логика однозначно из-за импульсных помех, при отключенной силе все ок.
Почти всегда сбой на один шаг, очень редко на два, сколько времени не гоняй. Это и вызывает непонятку. Если б сбивалось из-за импульсных помех, уходило бы каждый раз на любой из 12 тактов, так нет, сбой один шаг(такт)…

Pavelrb

При рисовании платы забыл о инверторе, на схеме обведен кругом.
Вместо него уже потом, при запуске платы поставил эмитерный повторитель- npn транзистор, 1к на базу, 510 ом к пяти вольтам. Тот же инвертор.
Но это не может быть причиной, так как сбой такта происходит не у крайних значений перехода- обнуления счетчика либо записи, а где- то в середине цикла(или счетчика ие7).
У эмиттерного повторителя при использовании как инвертора характеристика иная, нет гистерезиса, но в этой схеме это пофигу. И сбой происходит вне тактов, где он включается. В смысле ноль координаты , такт при проверке ставил как обмотки 4-5, 6-й выход ид3.

vlad_s

А пробовали зашунтировать на ИЕ7 счетные входы кондесаторами, 470 пф приблизительно, для устранения сбоев? У меня в другой схеме помогло. Можно еще попробовать по входу на step и dir тоже емкости поставить. Только не знаю с какой частотой матч выдает импульсы.

Pavelrb
vlad_s:

А пробовали зашунтировать на ИЕ7 счетные входы кондесаторами, 470 пф приблизительно, для устранения сбоев? У меня в другой схеме помогло. Можно еще попробовать по входу на step и dir тоже емкости поставить. Только не знаю с какой частотой матч выдает импульсы.

Пробовал, пробовал, частота пусть ближе к макс,работать как минимум эта часть схеиы должна стабильно.

Pavelrb

Цепочки эти на счетные входы(обнуление, запись) изначально предусмотрел в плате, лишь забыл по записи, вместо этого инвертора, как писал уже, стоит транзистор, эмитерный повторитель.
Грешить на эту часть схемы нельзя, так как специально ноль, в который должна вернуться схема, задаю в середине цикла, обнуление-запись счетчика ие7 далеко от этих значений.
Импульсные помехи, по-любому, при отключенной силе все ок.
Но почему на 1, редко на 2 шага, вне зависимости от длительности уп? Такого просто не может быть, однако так…

vlad_s

Как бы не пришлось оптронную развязку делать. Или написать тестовую программку, что бы выдавала опред. количество импульсов вперед и назад с мин. скоростью и анализировать осцилограммы. У меня на ИЕ7 и РТ5 плата редко, но ловила помехи от включения холодильника. Пришлось кординально менять всю схему.

Pavelrb

В этой плате уже есть оптронная развязка, плату гонял с ней. Отечественная сдвоенная транзисторная оптопара, кажись аот101, включена так- излучающий диод, катод на пин порта, анод через 300 ом резистор на плюс usb.

vlad_s:

Можно еще попробовать по входу на step и dir тоже емкости поставить.

емкости стоят.

Pavelrb
Pavelrb:

Все же пока за 10-15 минут работы через раз шаги сбиваются на 1-2 шага, причем сбиваются в логике(счетчике ие7),

В первом приближении (питал силу пока от 12 вольт) проблему победил. Земли плюс сбоил один ключ.
Час гонял по 10 минут, отрабатывает нормально.

Pavelrb

Сегодня запитал силу 50-ю вольтами, вроде все путем.
Завтра попробую повысить питалово, вольт до 70-100, посмотрим, как отразится на работе.

mura
Pavelrb:

Сегодня запитал силу 50-ю вольтами, вроде все путем. Завтра попробую повысить питалово, вольт до 70-100

а зачем? чего Вы хотите достичь? или это эксперемента ради?

Pavelrb
mura:

а зачем? чего Вы хотите достичь? или это эксперемента ради?

Не совсем ради эксперимента. Выбросы противоэдс составляют около 160 вольт, по идее, если приблизить питание к этому(или хоть насколько ближе) значению, рекуперация будет более эффективна, снизится нагрев двигателя. Возможно, я не прав.
Динамика, скорости более чем приемлемы уже и при 50 вольт.
Еще несколько смущает выбранный мной разъем для подключения двигателя, 25pin как LPT. Ножки запараллелены по две.
С одной стороны, народ вроде делал так, говорят, держит.
С другой, хз… Ток три ампера на фазу движка, напруга как минимум 50 вольт… Не хлипковат?

mura
Pavelrb:

Выбросы противоэдс составляют около 160 вольт, по идее, если приблизить питание к этому(или хоть насколько ближе) значению, рекуперация будет более эффективна, снизится нагрев двигателя. Возможно, я не прав.

выбросы тоже увеличатся, в формуле - напряжение питания один из множителей 😃

Pavelrb

От тока вроде. Не так? Нет там напруги. Вроде.

9 days later
vlad_s

Нашел в инете дипломную работу по улучшению работы ШД5. Если надо могу всю скинуть только весит 1.5 мгб.
----------------------------------------------------
Теперь платы рисую на плоттере plata96.narod.ru

Annotation.zip

Pavelrb

Первая плата(ось), рабочая, найденные косяки в следующих платах учту, тут перемычки, земли резаные и т.п.
Получается что-то вроде-

8 days later
Pavelrb
vlad_s:

Нашел в инете дипломную работу по улучшению работы ШД5.

Нынешний привод с резистивной форсировкой обеспечивает работу и при штатной коммутации, как 2-3, так и при “альтернативной”, 3-4(тупо переключатель, можно включить-выключить в любой момент работы станка, двигатель не срывается). Потребление при этом увеличивается значительно, около 60 проц. (При длительной обработке по оси х, максимально нагруженной, включаю, на всякий )
При резистивном приводе включение этого режима(3-4 вместо 2-3) реально позволяет разогнать ось несколько выше.(и при небольших скоростях возможно, увеличивается момент, для подстаровки и включаю, когда обработка часов пару).
При приводе с импульсной форсировкой включение этого режима(3-4) дает большой прирост макс. скорости до срыва(на холостом ходу, двигатель не срывается при отсутствии мех. нагрузки на валу), около 10000 об, мотор тонко пищит, конечно,момента нет никакого) , возможно, прирост при небольших скоростях крутящего момента, плюс увеличение потребляемой мощности и нагрева.
Остановился на варианте 2-3. Зачем мотор душить, выжимать до последнего, пусть и на малых оборотах.
Привод с контролем тока форсировки куда как более резво-быстро-раскручивает мотор(ось).
Если момента не хватает, лучше уж подумать в сторону других двигателей, биполяров тех же. Пусть и менее динамичны, зато момент…

king2

Павел, я тут тоже немного балуюсь тем же 😃 и есть вопросы:

  1. Сколько получилась в итоге скорость? У меня получилось максимум 470Гц на обмотке, то есть примерно 5700 шагов в секунду, или 1440об/мин. Питание 24вольта, 3 ампера на канал, при этом его легко можно остановить руками. Это хороший показатель для этого шаговика или есть куда стремиться? Попробую скорость при 48 вольтах питания, сейчас просто нет такого БП под рукой.
  2. Пробовал ли с ШИМ? Почему в итоге решил так не делать?
  3. Почему на логике, а не на микроконтроллере или ПЛИС? Просто более удобная/привычная элементная база или есть какие-то подводные камни?
  4. Шумит ли двигатель, когда крутится? У меня пищит на разные лады, ибо индуктивность у него будь здоров, и ШИМ пропускает импульсы (из 20кГц получается меньше, причем случайно и движок как бы хрипит…)
  5. У меня греется плата, тупо дорожки. Земля разведена кусочком длиной 14см, шириной 3см, толщина фольги 35, и оно греется!! В твоем так же?
  6. Пришлось отрезками провода соединять ту чатсь схемы, которая смотрит на токосъемный резистор, и мощную землю, без этого раздрай и ужас, помехи больше чем сигнал раз в 20, причем первый канал нормально, второй хуже… последний практически вообще не работает. После соединения заработало. В драйвере в этой теме вроде тоже был токосъемный резистор, таких проблем не было?

Заранее спасибо за ответы. Вот мой драйвер (микроконтроллер пока что подсоединен проводочками и не запаян, мосфеты верхнего плеча должны быть тоже на общем радиаторе (но пока что и без него работает, хотя и греется), рекуперация есть, снижение тока при стопе тоже есть - с 3А до примерно 1.5А):