несколько вопросов по "космодромовской" опторазвязке и драйверу
p { margin-bottom: 0.21cm; } Уважаемые форумчане!
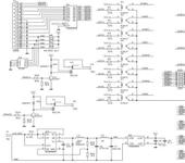
Помогите разобраться со следующими непонятками, возникшими при просмотре схемы опторазвязки (рис 01 космодром-овская) и её печатной платы (рис 02).
СОМ -ский порт (разъем РL08) служит только для питания девайса?
Какая должна быть распайка СОМ-ского кабеля для подключения к компу (1->1…9->9) и какой кабель при покупке спрашивать?
На схеме 1-е реле управляется транзистором ВС574, а 2-е - ВС547, а на фотке внешнего вида платы (рис 03) стоят два ВС547. Как правильно?
Насколько точными должны быть гасящие резисторы R3 и R4 в «космодромовском» драйвере (т. к. именно указанных номиналов 0,52 ома немогу найти, а есть 0,55 и 0,48 ома)?
На ваших рисунках вообще нет СОМ порта может Вы имеете в виду LPT.По схеме №2 питание разем Х3,транзисторы это апечатка.Резисторы подбирают в зависимости какой ток нужно подавать на шд, R4 и R5 по формуле R = 0.5/ I
Для чего тогда нужен разъем Х2, справа от LPT на печатной плате (на схеме обозначен как РL08)??
Транзисторы ВС547?
X2 это по ходу концевики или home на новой плате там отдельно COM,Вы плату что сами собираете,я то могу посмотреть на своей плате новой но завтра.
Да, посмотрите пожалуйста. И подскажите как использовать Х2 (чего добру зря простаивать 😃 ).
Это входы!В Маче допустим можно им назначить хомы,лимит,е стоп,пробу фрезы.По транзисторам отпишу завтра
транзисторы ВС547 так как переход npn.аналог кт3102
Неспеша собрая опторазвязку и драйвера двигателя появились следующие вопросы
1 Как можно проверить работоспсобность собраной опторазки (без подключения к компу если это возможно)?
2 В случае кз (из-за какой нибуть “сопли”)или переплюсровки по питанию какие микросхемы потребуют замены (питание будет 12 вольт)?Неспеша собрая опторазвязку и драйвера двигателя появились следующие вопросы
1 Как можно проверить работоспсобность собраной опторазки (без подключения к компу если это возможно)?
2 В случае кз (из-за какой нибудь “сопли”) или переплюсровки по питанию какие микросхемы потребуют замены (питание будет 12 вольт)?
3 Есть ли контрольные точки замера (тестером или осциллографом)?
4 Можно ли при проверке драйвера вместо мотора подключать к светики встречно-паралельно дабы не поломать двигатель
5 при подключении опторазвязки к драйверу двигателя непонятна абвериатура “EN” и к чему она подключается
3 Есть ли контрольные точки замера (тестером или осциллографом)?
4 Можно ли при проверке драйвера вместо мотора подключать к светики встречно-паралельно (как на рисунке) дабы не поломать двигатель
5 при подключении опторазвязки к драйверу двигателя непонятна абвериатура “EN” и к чему она подключается
{"assets_hash":"a8b26fa7f6e768b07a72c8c9aadb9422","page_data":{"users":{"4b55f9003df9550077765901":{"_id":"4b55f9003df9550077765901","hid":59777,"name":"Андрей=","nick":"Андрей=","avatar_id":null,"css":""},"4c2b76583df955007775f0e4":{"_id":"4c2b76583df955007775f0e4","hid":68393,"name":"taras=","nick":"taras=","avatar_id":null,"css":""}},"settings":{"can_see_ip":false,"can_report_abuse":false,"can_see_hellbanned":false,"forum_can_view":true,"forum_can_reply":false,"forum_edit_max_time":30,"forum_can_close_topic":false,"forum_show_ignored":false,"forum_mod_can_delete_topics":false,"forum_mod_can_hard_delete_topics":false,"forum_mod_can_see_hard_deleted_topics":false,"forum_mod_can_edit_posts":false,"forum_mod_can_pin_topic":false,"forum_mod_can_edit_titles":false,"forum_mod_can_close_topic":false,"can_vote":false,"forum_mod_can_add_infractions":false,"forum_topic_title_min_length":10,"forum_reply_old_post_threshold":30,"votes_add_max_time":168,"forum_show_post_interval":7,"can_see_deleted_users":false},"section":{"_id":"61c9a54c3df9550077bb51bc","hid":110,"title":"Драйверы и контроллеры для CNC","parent":"61c9a54c3df9550077bb51b9","description":"Обсуждение приводов и контроллеров для управления станками CNC.","is_category":false,"is_votable":true,"is_writable":true,"cache":{"topic_count":662,"post_count":12810,"last_post":"65cdce803627b35af4956dfa","last_topic":"65cdce803627b35af4956df9","last_topic_hid":572337,"last_topic_title":"Драйвер ТВ -6600","last_ts":"2024-02-15T08:42:40.608Z","last_user":"47e0d3f43df955007777ca60"}},"topic":{"_id":"4d104f6b3df9550077602ddc","hid":215328,"title":"несколько вопросов по \"космодромовской\" опторазвязке и драйверу","views_count":3296,"last_post_counter":7,"cache":{"post_count":7,"first_post":"4d104f6b3df95500776033e7","first_ts":"2010-12-21T06:55:39.000Z","first_user":"4c2b76583df955007775f0e4","last_post":"4d49d0a63df95500776033f3","last_post_hid":7,"last_ts":"2011-02-02T21:46:14.000Z","last_user":"4c2b76583df955007775f0e4"},"st":1,"section":"61c9a54c3df9550077bb51bc"},"subscription":null,"pagination":{"total":7,"per_page":25,"chunk_offset":0},"posts_list_before_post":["paginator","datediff"]},"locale":"en-US","user_id":"000000000000000000000000","user_hid":0,"user_name":"","user_nick":"","user_avatar":null,"is_member":false,"settings":{"can_access_acp":false,"can_use_dialogs":false,"hide_heavy_content":false},"unread_dialogs":false,"footer":{"rules":{"to":"common.rules"},"contacts":{"to":"rco-nodeca.contacts"}},"navbar":{"tracker":{"to":"users.tracker","autoselect":false,"priority":10},"forum":{"to":"forum.index"},"blogs":{"to":"blogs.index"},"clubs":{"to":"clubs.index"},"market":{"to":"market.index.buy"}},"recaptcha":{"public_key":"6LcyTs0dAAAAADW_1wxPfl0IHuXxBG7vMSSX26Z4"},"layout":"common.layout"}