Запуск "Космодромовской" опторазвязки и драйвера. Что cделал не так?

taras=

Собрал вышеперечисленные девайсы

достал двигатели 23KM-C051-07V и теперь стоит
задача о их проверке, и самое главное, поиске наделанных “косяков”
Движок 6-ты выводной Вывод 1-ой обмотки: красный, черный, желтый. 2-я: голубой, белый. оранжевый.
Его хар-ки
Spannung (Моторные Напряжение): 4.0 V
Strom ( Электрический ток): 2.0A Фаза
Spulenwiderstand (сопротивление): 2.0 Ohm фаза
Induktivität (Индуктивность): 4.4 mH мГн
Haltemoment (крутящий момент): 980 mNm min.
Torque: 9,9kgf/cm -Крутящий момент: 9,9 кгс / см
-1.8º por passo -1,8 ° на шаг
Dynamisches Drehmoment (Динамические Крутящий момент): 869 mNm
и на скине

Питаться девайсы будут от компьютерного блока. Напряжение 12 вольт.
Сделал
установил Mach3 R3 042 40 и настроил по инструкции с космодрома (скины внизу) +
для функции “E-stop” выставил значение пинов 1|0

К выходу драйвера движки подключил следующим образом:
А1-желтый А2-черный
В1- голубой В2-белый
Проверил ЛПТ кабель на обрыв
Включил, попробывал поуправлять в матче (кнопку рестарта нажимал) и… ничего. Микрухи холодные, движок не крутится (разве что светодиоды горят)
1 В теме “Стартуем в MACH3” Soling в одной из инструкций написал “Включаем комп и станок. Проверяем, что комп станок видит”. Как это выглядит?
2 Как можно проверить работоспсобность собраной опторазки (без подключения к компу если это возможно)?
3 Есть ли контрольные точки замера (тестером желательно)?
4 Можно ли при проверке драйвера вместо мотора подключать светики встречно-паралельно дабы не поломать двигатель?
5 при подключении опторазвязки к драйверу двигателя непонятна абвериатура “EN” и к чему она подключается?

З.Ы. Уважаемые форумчане живущие в Киеве! Прошу помощи в доводке до рабочего состояния данных девайсов.

adif

В теме “Стартуем в MACH3” Soling в одной из инструкций написал “Включаем комп и станок. Проверяем, что комп станок видит”. Как это выглядит?

А никак! Комп станок не видит! Разве что если концевые датчики подсоединены и E-stop тогда еще может быть а так он только выдает сигналы степ и дир и что он может видеть?!

2 Как можно проверить работоспсобность собраной опторазки (без подключения к компу если это возможно)?

Пины входа порта замыкать на корпус.

Можно ли при проверке драйвера вместо мотора подключать светики встречно-паралельно дабы не поломать двигатель?

Можно, но навряд ли ты сломаешь двигатель этим драйвером, скорее он сгорит.

при подключении опторазвязки к драйверу двигателя непонятна абвериатура “EN” и к чему она подключается?

Enable- забудь, ее можно не использовать.

mura

настройки пинов не верны, у вас доисторическая плата, а пины назначены как на новую.
Поменяйте в настройках степ и дир местами и будет Вам счастье (если, конечно, свою плату делали один в один).

еще для работы 8435 вход EN драйвера нужно соединить с GND.

taras=

Поменяйте в настройках степ и дир местами

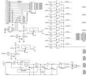
Т.е. должно быть так как на рисунке?

Плату собирал согласно схеме и п/п

опторазвязка V1.zip

3 months later
SteBlo

Стал обладатилем “Космодромовской” опторазвязки и драйвера ,поспрашивал как подключить ,пришол к такому результату.Так ли?(сам не шарю)

SteBlo

И ище скажите пож…Вроде этот контроллер хорошо работает при шаге 1\8 то верно ли стоит джамперок?

mura

тут на 1\16 установка, лично мне так больше наравится, поставь еще одну и будет 1\8 (М1 и М2)

SteBlo

Спасибо.На днях попробую запустить и протестировать.

taras=

А на ТА8435 шаг 1\16 получить (на драйвере который на фото) получить можно?

mura

нет, а на фото 6560 и там можно

SteBlo

Хотелось бы узнать какая схема Дампера подойдет к Космодромовской" опторазвязке и драйвера БП. s-350-24 В схемах не очень но спаять думаю осилю . .cnc-controller.ru/dumper.html (не сочтите за рекламу)

8 months later
SteBlo

Не всегда выходит как хочется (пол года спустя) Пож. обясните что надо заземлять ,а что занулять на( -). Провода в екране.Контур заземления имеется.

taras=
SteBlo:

Не всегда выходит как хочется (пол года спустя) Пож. обясните что надо заземлять ,а что занулять на( -). Провода в екране.Контур заземления имеется.

Если речь идёт об экранах провода, то все экраны в одном месте соединяем и на землю

1 month later
anm

У меня опторазвязка по этой схеме тоже сразу не заработала. Пришлось призвать на помощь бубен в виде осцилографа. Оказалось что оптроны до конца не открываются. Вылечил увеличением тока через диоды оптронов, уменьшив резисторы до 330Ом и увеличив номинал резисторов в коллекторе до 4,7кОм. После чего драйвер зашагал. В настройках надо везде поставить активный ноль, кроме каналов реле.