куплю схему драйвера ШД 5 Д1МУЗ

Александр=

Ну сэкономить таким образом вряд ли удастся. Разве только если зуд в руках унять. Если реально нужно работать, то
три ДШИ-200-3 = 2100руб. Прям на форуме купит можно. Ну пересылка рублей 150. Ваши ШД5
можно запродать тем кто пользуется рублей по 500. Итого цена вопроса в пределах 600-1000р.
Пайка неизвестной схемы, настройка и т.д. по вашему выйдет дешевле и быстрей?

igor-div

VShaclein спасибо но эту ветку я уже читал
собирал драйвер по схеме imlab.narod.ru/MechSys/StM_Reg/StM_Reg.htm но работает отвратительно можно сказать что не работает
а со схемой mur(ы) не разобрался, номиналов нет и концы куда???
сильно не пинайте в радиотехнике разбираюсь так себе… по готовой схеме спаять сумею но не больше
а кто продаёт дши 200-3? я купил бы, но за нормальные деньги а не как в chip-dip по 2300р
как-то связывался с москвичём но он не высылает, а ехать за 1300км из-за движков… не реально

да забыл спросить epm3064alc44 это как я понял plm ?тогда прошивка,программатор и т д???
нет ли чего попроще? или кто поможет приобрести записанную мс

VShaclein
igor-div:

сильно не пинайте в радиотехнике разбираюсь так себе… по готовой схеме спаять сумею но не больше

Присылайте сабж - будет схема. Возможно, с контроллером.
Т.е. я, конечно, могу и без нарисовать, но если нужно, чтобы работало - нужно будет отлаживать в железе.
Исключений что-то не припомню, никуда не денешься.

Или спросите на заводах - это двигло должно быть не редкость.
зы: схемки смотрел бегло, но, показалось, что довольно вменяемы, хоть и не интересны.
ззы: www.alldatasheet.com/view.jsp?Searchword=EPM3064AL…

Александр=

Ну вот вроде продают и высылают.
rcopen.com/forum/f1/topic54635
Если сами хорошо в пайке не разбираетесь, то это себе геморрой искать. Говорю по своему опыту. У меня вышло дороже чем купить.
Еще можно RID-у писнуть. У него какая-то мегараспродажа похоже.
Там импортные, но они и получше.

Tvinner

У меня на работе есть схема драйвера для ШД5, но она используется вместе со стойкой ЧПУ Н22, т.е. там для вас только система ключей будет интересна, а сам драйвер коммутирующий ключи по протоколу step/dir, надо будет самому найти, впрочем соединить их вместе, я думаю проблемы не составит. Но, дело в том, что сама по себе схема совковых времен, и наверняка устарела. Впрочем если вам интересно, то я могу озадачиться.

STEPMOTOR
igor-div:

а кто продаёт дши 200-3? я купил бы, но за нормальные деньги а не как в chip-dip по 2300р

konatools.ru/stepmotors.htm
здесь можете купить ! Они получше чем дши !!! А по креплению идентичны !

Drey

Журнал “Радио” 12 номер за 2005 год стр 40 рис 2 почти готовая схема, очень удачные выходные каскады, осталось только поменять микроконтроллер (потому что щас проблематично такой уже достать) и поменять прошивку под лпт и будет готовый и не очень дорогой электропривод для ДШ5. Не против если б мне потом прошивку дали к микроконтроллеру 😃

igor-div

да видел эту схему
но вот в том-то и дело мк… прошивка…
кто-б этим занялся?
потому и тема “куплю”

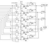
VD46

[quote=igor-div;418866]
У меня валяется 3шт. ШД5.
Контроллер для них отладил( на логике, без микроконтроллеров).
Работает в полушаге, если интересно, после праздников могу схему
выложить (печатка недоразведенной осталась).

igor-div

vd 46 конечно выкладывай, я думаю не один такой
а движки эти бомба,
почему б не сделать спец мс для них???

VD46

2 igor-div
Схема привода для ШД5.
Все указано на схеме,если какие неясности возникнут, отвечу.
Номиналы указаны для 30v Ustep.
Успехов.

Andrey12

2 igor-div
Если внимательно прочесть статью в журнале Радио, то там указан момент стат. синхронизирующий указан - 40 Н*см. - это момент обеспечиваемый мааааааленьким шаговым двигателем. Спец МС для г… никто делать не будет 😃))) Ну и т.д. Бомба… Да без взрывателя… И ВВ тоже там нет 😦

igor-div

vd46 спасибо
похожую схему сам сделал но на биполярниках
а вот шим бы ещё прикрутить…
всё равно спасибо

VD46
igor-div:

vd46 спасибо
похожую схему сам сделал но на биполярниках
а вот шим бы ещё прикрутить…
всё равно спасибо

ШИМ требует очень внимателього отношения,
залипуха непропай, и 20р улетело, а то и больше.
При ШИМе обязательно нужна защита от КЗ.
В приведенной схеме можно форсировать шаг,
если поставить емкости порядка 10 Мкф между точкой соединения
резистора с обмотками двигателя и землей.
Без крайней нужды ШИМом стараюсь не пользоваться.