Родной зарядник 110 -> 220 как?
Всем ДД!
Вчера распаковал свежеполученную 7С и ессно решил зарядить. Аппаратура пришла с зарядником на 110 и переходником-трансформатором. Присоединил разъемы к пульту и батарее приемника и воткнул в розетку. Переходник сказал БАХ и закоптился. 😮 Как говорится, адреналин по штанам струйно 😃
Но все обошлось, аппаратура осталась цела и даже переходник заработал, видимо просто сопля после пайки осталась.
Так что всем рекомендую проверять исправность переходников без подключения к аппаратуре.
Теперь собственно по делу. Кто-нить вскрывал футабовскую зарядку? Ее можно переделать на 220? По виду там обычный БП с трансформатором, т.е. достаточно будет просто заменить транс или переткнуть остальную электронику в другой корпус…
Alex]По виду там обычный БП с трансформатором, т.е. достаточно будет просто заменить транс или переткнуть остальную электронику в другой корпус…
Если так, то точно, подобрать подходящий трансформатор и заменить…
Однажды… достаю из коробки лампочку, 220 В 20 Вт, вкручиваю в патрон, выключателем - щёлк, а там - Ба-бах! 😈
В лампочке где - то КЗ! 😃
Специальный трансформатор 110 -> 220. Цена вопроса около 120 рублей.
Вот как раз такой и сказал йопс БАХ… И хочется сделать хорошо и красиво, чтобы без всяких доп. трансофф…
Alex,Jun 23 2005, 17:11]
Вот как раз такой и сказалйопсБАХ… И хочется сделать хорошо и красиво, чтобы без всяких доп. трансофф…
Да легко!
Если можно открыть корпус зарядника и посмотреть - померять транс и потом его поменять.
Нужно померять транс из зарядника в рабочем режиме. - Всё включить и тестером замерить. А потом купить новый с теми же выходными напряжениями.
В трансе зарядника либо одна вторичная обмотка, либо две, либо одна с отводом (в таком простом устройстве скорее всего будут напряжения 4-5В и 8-10В). Померяйте напряжение на вторичных обмотках тестером, когда удасться включить зарядник через переходник или что ещё другое, выдающее 110В.
Далее - надо идти на радиорынок или “Чип…” и купить трансформатор подходящего размера с необходимыми выходными напряжениями. Если такого не найдёте, возьмите с чуть большими напряжениями, но не очень - сойдёт, увеличится зарядный ток, но обычно это не страшно - будет быстрее заряжаться.
Дальше выбрасываете старый транс из зарядника и ставите на место новый. Но для того, чтобы воткнуть в розетку эти плоские вилки всё равно потребуется простейший переходник. Кстати, на том же радиорынке можно купить подходящий корпус для зарядника с нормальной вилкой. Но при этом от старого устройства мало что остаётся…
Проще и дешевле зарядник на 110 Вольт выкинуть и купить подобный на 220, потому что стоит он всего около 10 долларов.
Проще и дещевле зарядник на 110 Вольт выкинуть и купить подобный на 220, потому что стоит он всего около 10 долларов.
Готов сегодня же приехать и купить указанный зарядник. Но только с двумя условиями – мне нужна гарантия, что он функционально аналагичен родному Футабовскому и что он не кончит новехонькую аппаратуру. И где такое продается?
2 vasya_y
Если можно открыть корпус зарядника и посмотреть - померять транс и потом его поменять.
Дык вот мне и интересно было, кто-нить его уже вскрывал? Вдруг там транса НЕТ? Есть же всякие безтрансовые зарядники типа от GP… А то распилю родной корпус и… неполучицца… 😦
Alex]Готов сегодня же приехать и купить указанный зарядник. Но только с двумя условиями – мне нужна гарантия, что он функционально аналагичен родному Футабовскому и что он не кончит новехонькую аппаратуру. И где такое продается?
Можете поехать в Техноспорт и купить там за 300 рублей.
Гарантию того, что вы не купите худшего, можете получить, вскрыв ваш фирменный. Внутри, кроме трансформатора, вы увидите только диоды и сопротивления, больше ничего. Это самый простой тип зарядника.
( Я в свое время такой же зарядник на 110 вольт из своего комплекта FUTABA 9CAP выкинул сразу , отрезав предварительно разъем. Потом, использовав этот разъем, я сделал переходник к уже имеющемуся простому заряднику на 220 Вольт.)
Про техноспорт сенкс. Но не знаю как у вас, а у меня зарядник сдвоенный – на Rx и Tx, два хвоста. Да и кстати, насколько я понимаю, ЗУ есть источник постоянного тока, а насколько я помню незабвенных Х&Х, источник ПОСТОЯННОГО ТОКА это более сложное устройство, нежели чем источник напряжения…
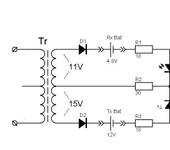
Вот так он выглядит:

источник ПОСТОЯННОГО ТОКА это более сложное устройство, нежели чем источник напряжения…
Ну почему же? 😃
Источник напряжения плюс токоограничивающий резистор.
Можно нелинейный - лампочку от фонарика.
Он же у вас током в 1/10С заряжает. 50-70мА СМНка на 6В сойдёт.
Ну почему же? 😃
Источник напряжения плюс токоограничивающий резистор.
Можно нелинейный - лампочку от фонарика.
Он же у вас током в 1/10С заряжает. 50-70мА СМНка на 6В сойдёт.
Так, товарищи, не путайте меня! Тута как минимум один транзистор требуется, для поддержания ПОСТОЯННОГО тока вне зависимости от сопротивления нагрузки… И что такое СМНка?
СМН - сверхминиатюрная лампочка накаливания. Диаметр колбы - около 2мм.
Для подсветки кнопок и транспарантов в пультах управления.
В вашем варианте не надо морочиться с транзисторами.
Берётся микросхема 3хвыводного стабилизатора напряжения типа КРЕН12 и резистор токозадающий. Схема известная, если надо можно нарисовать.
Так, товарищи, не путайте меня! Тута как минимум один транзистор требуется, для поддержания ПОСТОЯННОГО тока вне зависимости от сопротивления нагрузки… И что такое СМНка?
Ха-Ха-Ха!!! 😁 😁 😁
Вот открой свой зарядник и ты тоже обхохочешься! 😲
Это я без злого умысла, а к тому, что даже в комплекте дорогой аппаратуры зарядник у них настолько примитивный, что диву даешься. Нет там ни транзисторов, ни лампочек, ни микросхем! Поэтому и проще выкинуть.
Кстати, в техноспорте их пока нет, я там был только что.
( Я знаю, что сдвоенный, с двумя светодиодами, с разъемом в передатчик и с разъемом к батарее приемника, вот такой и стоит 300 рублей )
Ха-Ха-Ха!!! 😁 😁 😁
Вот открой свой зарядник и ты тоже обхохочешься! 😲
Сегодня думаю распилить 😃
Кстати, в техноспорте их пока нет, я там был только что.
( Я знаю, что сдвоенный, с двумя светодиодами, с разъемом в передатчик и с разъемом к батарее приемника, вот такой и стоит 300 рублей )
Если еще скажете как он правильно называется (чтоп они по телефону поняли что я хочу) соффсем харафо будет 😃
Зэ свои пять копеек добавлю………заказывал у нас один радист аппаратуру 7С себе… в Америку прислали такую же точ в точ как другой в Китае брал но разговор не об этом…… да к вот и у того и у другого зарядники на 110 вольт……и вот эти двое прикололись заряжать аппаратуру от маего зарядника с Оптик Хайтековского………да и потом себе тоже такие же взяли…….без претензий работают….
А кто скажет как определить внутреннее сопротивление батареи?
А для чего?
- Так блин, слошил, внизу правильная версия.
- А как быть если такого же транса нету, а есть например на 2х15В? Надо ведь пересчитывать сопротивления под нужный ток (Tx 9.6V, 70 mA, Rx 4.8V, 100 mA) а как это сделать если внутреннее сопротивление батареи не известно? Или в данном случае его нужно считать равным нулю?
Если купить в Чипе-дипе трансформатор, то дороже обойдется, ведь еще и коробочку надо будет сделать.
( Я не зря тебя предупреждал об убогости стандартных зарядников)
Просто купи в недорогом магазине зарядник от Hitec, в нем абсолютно все то же самое, только он на 220 вольт, но разъем к передатчику придется перепаять, он там другой.
Стандартные зарядники очень убоги, но практика показывает, что их вполне достаточно, если применять правильно, и контролировать напряжение в процессе заряда вручную. Это слегка неудобно, но не страшно. Я таким уже много лет пользуюсь.
Зарядники нормальной схемы, то есть с ограничением тока, не производятся, не выгодно производителям, их легко спаять самому. Но часто лень, потому что эффект не будет заметен.
Последнее время стало очень модно иметь крутые зарядники, с дисплеями. Их цена задрана неимоверно, хотя внутри всего лишь простейшие схемы с недорогими деталями. Отличаются от нормальных только автоматизацией.
Если совсем не жалко денег, можно купить такой.
Последнее время стало очень модно иметь крутые зарядники, с дисплеями. Их цена задрана неимоверно, хотя внутри всего лишь простейшие схемы с недорогими деталями. Отличаются от нормальных только автоматизацией.
Если совсем не жалко денег, можно купить такой.
Т.е. какой-нить Тритон или Дюратекс Айс – ацтой?
Добавлено
P.S. Может кто пояснить в профильной как оно работает?..
Alex,Jun 28 2005, 16:11]Т.е. какой-нить Тритон или Дюратекс Айс – ацтой?
Я не говорил “ацтой”, нормальные устройства.
Но устройства эти простые.
А цена задрана неимоверно.
Они стоят, как телевизоры, а по схемотехнике, наверное, на два порядка проще.
- Да ладно, Айс так вообще графики рисует, а стоит кстати дешевле Тритона. ИМХО 110-130 грина нормальная цена на них.
- А по имеющему девайсу сказать нечего? rcopen.com/forum/f8/topic24619
Здравствуйте!Купил стартовый набор-ну с накалом,зарядником,руч. помпой,и прочей прелестью 😃
Так вот зарядник там для прикура работает от 110v.На нем никаких данных о токах нет.Когда заряжал-после минут 30 достаточно нагревался 😈 !Не испорчу ли прикур ❓
Вот, скажем, это смотрели?
www.hobbyforyou.ru/shop/index.php?IDCategory=50&ID… 😎
Вот, скажем, это смотрели?
www.hobbyforyou.ru/shop/index.php?IDCategory=50&ID… 😎
теперь посмотрели! 😁
Так что с зарядником-заряжать можно или нет ❓
теперь посмотрели! 😁
Так что с зарядником-заряжать можно или нет ❓
Подскажите плиз-мне накал нужен 😃