“Сраная” винда тут ни при чем, виновата убогая неполноценная схемотехника попавшихся Вам преобразователей.
Сдаётся мне, что гуид от “родного” шнура нужен и всё… Хотя конечно не факт.
“Сраная” винда тут ни при чем, виновата убогая неполноценная схемотехника попавшихся Вам преобразователей.
Короче я напряг магазин где все это барахло прикупил на тему возврата, люди там вроде бы за суетились и пообещали к концу недели раздобыть волшебный проводок под USB.
Сдаётся мне, что гуид от “родного” шнура нужен и всё…
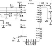
На схему из трех транзисторов посмотрите, какой там GUID? 😁 Всё тупо работает через COM-порт, реальный или виртуальный. Только большинство преобразователей - кастрированные, служебные сигналы не выдают, а они для питания схемы COM шнурка жизненно необходимы.
Вот так вот должно работать, я думаю (способ быстрого изготовления шнурка на FT232 здесь: easyelectronics.ru/preobrazovatel-usb-uart-na-ftdi…, останется добавить лишь пару транзисторов с обвязкой):
Измерьте напряжения на 4 и 7 контактах переходника относительно 5-го, в режиме, когда он подключен к компьютеру и запущено управляющее ПО.
Уже что-нибудь прояснится.
немного (офтопика) по теме - по опыту работу, не связанного с helicommander - неплохо работают usb-переходники на Prolific pl2302 (www.prolific.com.tw/eng/downloads.asp?ID=24, надо перебирать варианты - все ли внутри распаяно), и отлично работают переходники Moxa (www.moxa.com/Product/UPort_1110.htm), но они дорогие и точно не работают на Маке (оно и не надо?). Был эксперимент еще и c PCI express слотом и картами в ним - отлично работал адаптер какой-то “no name” адаптер на pl2302, но не прижился из-за нестандартного разъема и “мутной” его распайки. Я их по работе много перебрал, кое-какие методом научного тыка заработали как надо.
{"assets_hash":"a8b26fa7f6e768b07a72c8c9aadb9422","page_data":{"users":{"4548a6613df95500777883cf":{"_id":"4548a6613df95500777883cf","hid":17932,"name":"AlexSr","nick":"AlexSr","avatar_id":null,"css":""},"45630f923df9550077787d9e":{"_id":"45630f923df9550077787d9e","hid":18404,"name":"AlexN","nick":"AlexN","avatar_id":null,"css":""},"48613a1c3df9550077779a02":{"_id":"48613a1c3df9550077779a02","hid":35851,"name":"Pitch","nick":"Pitch","avatar_id":null,"css":""},"4ac344443df955007776985b":{"_id":"4ac344443df955007776985b","hid":54348,"name":"ilyxascrat","nick":"ilyxascrat","avatar_id":null,"css":""}},"settings":{"can_see_ip":false,"can_report_abuse":false,"can_see_hellbanned":false,"forum_can_view":true,"forum_can_reply":false,"forum_edit_max_time":30,"forum_can_close_topic":false,"forum_show_ignored":false,"forum_mod_can_delete_topics":false,"forum_mod_can_hard_delete_topics":false,"forum_mod_can_see_hard_deleted_topics":false,"forum_mod_can_edit_posts":false,"forum_mod_can_pin_topic":false,"forum_mod_can_edit_titles":false,"forum_mod_can_close_topic":false,"can_vote":false,"forum_mod_can_add_infractions":false,"forum_topic_title_min_length":10,"forum_reply_old_post_threshold":30,"votes_add_max_time":168,"forum_show_post_interval":7,"can_see_deleted_users":false},"section":{"_id":"61c9a54c3df9550077bb5141","hid":65,"title":"Аппаратура, гироскопы, гувернеры, электроника","parent":"61c9a54c3df9550077bb5129","description":"Вертолётная аппаратура радиоуправления и бортовая электроника.","is_category":false,"is_votable":true,"is_writable":true,"cache":{"topic_count":2493,"post_count":58135,"last_post":"662112c5c68e4ffcbc03594f","last_topic":"60578d413df9550077bcdddd","last_topic_hid":564262,"last_topic_title":"Futaba CGY760R совместимость с передатчиками Futaba","last_ts":"2024-04-18T12:32:05.438Z","last_user":"63f37a5e6371a12da97d4b90"}},"topic":{"_id":"48d393af3df9550077ab6aae","hid":114144,"title":"Распайка USB кабеля для HELICOMMAND?","views_count":6590,"last_post_counter":33,"cache":{"post_count":23,"first_post":"48d393af3df9550077ab6ee8","first_ts":"2008-09-19T11:57:35.000Z","first_user":"42d667773df9550077790123","last_post":"4afd93ab3df9550077ab6f28","last_post_hid":33,"last_ts":"2009-11-13T17:13:15.000Z","last_user":"4ac344443df955007776985b"},"st":1,"section":"61c9a54c3df9550077bb5141"},"subscription":null,"pagination":{"total":23,"per_page":25,"chunk_offset":17},"posts_list_before_post":["paginator","datediff"]},"locale":"en-US","user_id":"000000000000000000000000","user_hid":0,"user_name":"","user_nick":"","user_avatar":null,"is_member":false,"settings":{"can_access_acp":false,"can_use_dialogs":false,"hide_heavy_content":false},"unread_dialogs":false,"footer":{"rules":{"to":"common.rules"},"contacts":{"to":"rco-nodeca.contacts"}},"navbar":{"tracker":{"to":"users.tracker","autoselect":false,"priority":10},"forum":{"to":"forum.index"},"blogs":{"to":"blogs.index"},"clubs":{"to":"clubs.index"},"market":{"to":"market.index.buy"}},"recaptcha":{"public_key":"6LcyTs0dAAAAADW_1wxPfl0IHuXxBG7vMSSX26Z4"},"layout":"common.layout"}