Регуляторы хода)

dRONsUper

в связи с катострафическим неимением денег, и привиканием сидения в бесплатной барахолке, меня осенил такой вопрос.
может быть он кому то и покажется глупым, но я серьезно)

вопрос такой можно ли сделать самому регулятор хода из подручных материалов?(в куржке судомоделизма)

вобще предпологается использование его в моделях копиях и немного в фср.

если возможно то предоставьте какие нибудь схемы или что то такое…

и одна просьба пожалуйста не пишите такие посты типа “да ты чо парень с дубу рухнул?иди купи!” (хотя если у вас есть предложения по покупке нового и мощного дешевле 300 рублей то пишите)

Sergey87

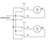
Да легко!

Вот, пожалуйста.

Регулятор чемпионов:

Могу назвать несколько человек, которые становились чемпионами Мира на регуляторах такой конструкции.

Недостатков у регулятора три:

  1. Дискретность;
  2. Неравномерная разрядка аккумуляторов малого и полного хода.
  3. Довольно большие габариты.

Некоторые моделисты ставят на такие регуляторы не два, а один аккумулятор, а к выводу питания малого хода подключают плюс аккумулятора, через мощный проволочный резистор, его номинал надо подбирать, однако греться он будет неслабо.
Это только для маломощных моторов.

Аккумуляторов естественно может быть несколько, хоть 20.

Navix
Sergey87:
  1. Неравномерная разрядка аккумуляторов малого и полного хода.

не обязательно - если использовать коммутацию, когда на малом ходу аккумуляторы включаются параллельно, а на полном - последовательно. (комплект питания состоит из двух (или более) частей, с одинаковым количеством банок) Можно изменять и подключение моторов (с последовательного на параллельного)

если нужно, могу выложить схемку коммутации

кроме того на выключателях можно сделать и раздрай. в принципе раньше так и ездили, когда надежность электроники оставляла желать лучшего.

Изготовление механических регуляторов довольно подробно описано в “зеленой” книжке Г.Миля - очень популярная была в свое время книжка…

Sergey87
Navix:

не обязательно - если использовать коммутацию, когда на малом ходу аккумуляторы включаются параллельно, а на полном - последовательно. (комплект питания состоит из двух (или более) частей, с одинаковым количеством банок) Можно изменять и подключение моторов (с последовательного на параллельного)

Далеко не всегда на малом и полном ходу одинаковое количество банок, я например ставил себе на модель на малый - 1, на полный - 2. Т.е. на полном питание шло от 3х аккумуляторов.

При последовательном включении моторов, если один сдох, то второй работать не будет, а это не есть хорошо.

кроме того на выключателях можно сделать и раздрай. в принципе раньше так и ездили, когда надежность электроники оставляла желать лучшего.

Раздрай мне фотать было лень. 😃

snegovik3d
Navix:

Изготовление механических регуляторов довольно подробно описано в “зеленой” книжке Г.Миля - очень популярная была в свое время книжка…

А можно поподробнее про эту книжку. Я сейчас ваяю полтинник в 50 масштабе, и как вариант рассматриваю вопрос о механическом регуле(места то вагон в таком корпусе). Скажем не совсем механическом скорее гибрид электроники и механики. Больше скажу купить не проблема - интересно. Вопрос стоит как делается в таком варианте раздрай?

Sergey87
snegovik3d:

А можно поподробнее про эту книжку. Я сейчас ваяю полтинник в 50 масштабе, и как вариант рассматриваю вопрос о механическом регуле(места то вагон в таком корпусе). Скажем не совсем механическом скорее гибрид электроники и механики. Больше скажу купить не проблема - интересно. Вопрос стоит как делается в таком варианте раздрай?

Гюнтер Миль - у этого автора 3 книжки, самая свежая - 1986года. Ищите через google, мож найдёте сканы.

Раздрай:

dRONsUper

Спасибо большое, а на 540 - ой двиг пойдет такое?( я в фср собираюсь кататься)

GOLF_stream

на этом форуме в разделе электроники были схемы разных регуляторов. В том числе и с реверсом. Правда, они расчитаны на современную элементную базу, в частности, потребуется прошивать контроллер.

dRONsUper
GOLF_stream:

Правда, они расчитаны на современную элементную базу, в частности, потребуется прошивать контроллер.

эээ…стетсняюсь спросить, а это как? 😵 😃 (дико извиняюсь за такое незнание)

Sergey87
dRONsUper:

эээ…стетсняюсь спросить, а это как? 😵 😃 (дико извиняюсь за такое незнание)

А это как минимум надо понипрог, разъём к LPT порту, микросхему-буфер, штук семь проводков, и прочитать на форумах как это делается.
Или использовать нормальный программатор, стоимостью от 1Крубля.

В крайнем случае на ЭКО можно ставить кнопку, собранную по тому же принципу. Только кнопка нужна мощнее, например Д703.

dRONsUper

так, ладно думал разберусь, но видно не судьба.

значит так =)

мне нужен регулятор на модели копии то есть пожарник(советский), скулта (сейнер), ну и еще на что нибудь что соберусь сваять, то есть не очень мощный но с реверсом.

это раз и нужен мощный на ФСР то есть корпус Громова, и еще корпус из мдф.

мне не понятно: схемы котрые вы дали. то есть мне, как нубу хотелось бы чтобы вы на самой первой схеме подписали что есть что что куда припаять и т.п. а то с физикой очень плохо.то есть разжуйте пожалуйста изготовление этих двух регулей если не сложно, буду очень и очень благодарен.

Sergey87

Физики там нет вообще, зато есть электроника, точнее даже электротехника.

Вместо МП9 можно взять МП3-1, МП5, МП10, МП11, либо импортные аналоги.

Navix
Sergey87:

Гюнтер Миль - у этого автора 3 книжки, самая свежая - 1986года.

вот эти книжки

вам нужна зеленая, про такие регуляторы как раз там…

8 months later
BALAL

rcopen.com/forum/f8/topic37596
В этой темке присутствует моя схемка регулятора с реверсом для не очень мощных коллекторных моторов на рассыпухе без микроконтроллеров…

rrteam

Можно я немного в воздух и без цитат…

Что касается скоростных моделей, и тех, что ездят в группе…
Ну попробуйте на машинке (с колёсами) иметь два положения “газа”.
Думаете проедете промитивную трассу- так нет.

В гонке тем самым , без дозировки энергии - вы ничему не научитесь…
ТЕ так делать не надо.😉
Апять-же сугубо ИМХО.

АЛ
dRONsUper:

мне нужен регулятор на модели копии то есть пожарник(советский), скулта (сейнер), то есть не очень мощный но с реверсом.
.

Приезжайте,подарю.Пишите в ЛС.:)С уважением Алексей.