Здравствуйте.
Подскажите пожалуйста. Есть импульсный блок питания 12V, 2А. Характеистики немного занижены, при 2А немного греется, защита срабатывает при 2.8А.
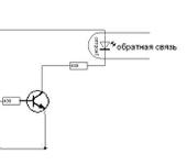
В цепи обратной связи стоит делитель на 6 резисторах, стабилизатор (431) и оптрон.
Требуеться сделать регулятор тока и завязать его с обратной связью.
Подскажите плиз какую-нибудь схемку.
В истоке или эмиттере мощного транзистора стоит мощный, низко-омный резистор на корпус. Номинал резистора определяет ток ограничения твоего источника.
Данная схема обратной связи управляет ШИМ в первичной части БП и поддерживает выходное напряжение 12в.
Подскажите как переделать данную схему так, чтоб регулировать выходной ток.
Вот что-то такое… Но ряд ограничений: чтобы выходное напряжение было не больше определённого значения, дальше которого сгорает светодиод оптрона… и регулировка дискретная, включением соответствующего резистора - шунта, дающего падение около 0,7 В (напряжение открытия транзистора) при нужном токе…
А, кстати, какой ток Вам необходимо стабилизировать, может, и его изменение Вам не нужно, да и какие ожидаемые изменения выходного напряжения - можно подумать побольше…
Хе… Картинко не загрузилось… Исправляюсь!
tl431 управляемый стабилитрон, пробой происходит при 2.5в на управляющем. служит для ограничения напряжения на выходе.
максимальный ток ограничивеися на высокой стороне, существенное изменение измерительного резистора без дополнительной доработки приведет скорее всего к весьма плачевным результатам, изменения надо вносить не только в измерительную часть, но и в силовой дроссель, изменение параметров обмоток и зазора. сам ваш вопрос подразумевает, что вы к сожалению не обнадаете необходимыми навыками.
мое личное мнение(основанное на личном опыте) легче сделать преобразователь с 0 чем перестраивать чужой.
[quote name=‘BALAL’ date=‘Jul 10 2008, 05:25’
Хе… Картинко не загрузилось… Исправляюсь!
[/quote]
А кто мешает заменить кучу резисторов и переключателей одним переменным сопротивлением (включенным, как реостат) и получить плавную регулировку?
А кто мешает заменить кучу резисторов и переключателей одним переменным сопротивлением (включенным, как реостат) и получить плавную регулировку?
Мы получим плавную регулировку напряжения. А требуется стабилизировать ток.
Например для зарядки аккумуляторов. Надо чтоб при изменении напряжения ток не менялся.
Что то на выход источника хочется поставить обычный стабилизатор тока как вариант
Если нужен больший ток, то взять стабилизатор типа LD1085 (3A)
И не заниматься изобретением велосипеда 😉
Возможны и другие варианты:
добавить датчик тока (резистор в разрыв между источником и нагрузкой), с него через операционник ввести обратную
связь на оптрон.
НО: при малых выходных напряжениях источник питания будет работать в режиме “прерывистых токов” … со всеми вытекающими последствиями
А кто мешает заменить кучу резисторов и переключателей одним переменным сопротивлением (включенным, как реостат)
вот те резисторы с переключателями - мощные токовые шунты… найдётся подходящий реостат - пожалуйста!
вот те резисторы с переключателями - мощные токовые шунты… найдётся подходящий реостат - пожалуйста!
Да я то не возражаю !
Я бы вообще поставил два транзистора по схеме ГСТ ( генератор стабильного тока) и не морочил голову 😃
Мы получим плавную регулировку напряжения. А требуется стабилизировать ток.
Напряжение на тех самых резисторах с переключаталями пропорционально току на выходе, его стабилизация = стабилизация выходного тока…
Ах, да, выход источника “-” должен быть подключен к эмиттеру того транзистора… Транзистор - ну, кт 3102, например…
{"assets_hash":"a8b26fa7f6e768b07a72c8c9aadb9422","page_data":{"users":{"3ce140b13df9550077797968":{"_id":"3ce140b13df9550077797968","hid":524,"name":"vit","nick":"vit","avatar_id":null,"css":""},"3fa364193df9550077795a02":{"_id":"3fa364193df9550077795a02","hid":2395,"name":"BALAL","nick":"BALAL","avatar_id":null,"css":""},"425bd4493df95500777914a1":{"_id":"425bd4493df95500777914a1","hid":6872,"name":"rulll","nick":"rulll","avatar_id":null,"css":""},"46847ae33df95500777830ba":{"_id":"46847ae33df95500777830ba","hid":24889,"name":"foxfly","nick":"foxfly","avatar_id":null,"css":""},"47270aaa3df955007778031f":{"_id":"47270aaa3df955007778031f","hid":28834,"name":"Daget","nick":"Daget","avatar_id":null,"css":""},"4774e4933df955007777eeb6":{"_id":"4774e4933df955007777eeb6","hid":30246,"name":"sht0p0r","nick":"sht0p0r","avatar_id":null,"css":""}},"settings":{"can_see_ip":false,"can_report_abuse":false,"can_see_hellbanned":false,"forum_can_view":true,"forum_can_reply":false,"forum_edit_max_time":30,"forum_can_close_topic":false,"forum_show_ignored":false,"forum_mod_can_delete_topics":false,"forum_mod_can_hard_delete_topics":false,"forum_mod_can_see_hard_deleted_topics":false,"forum_mod_can_edit_posts":false,"forum_mod_can_pin_topic":false,"forum_mod_can_edit_titles":false,"forum_mod_can_close_topic":false,"can_vote":false,"forum_mod_can_add_infractions":false,"forum_topic_title_min_length":10,"forum_reply_old_post_threshold":30,"votes_add_max_time":168,"forum_show_post_interval":7,"can_see_deleted_users":false},"section":{"_id":"61c9a54c3df9550077bb50ba","hid":8,"title":"Самодельная электроника, компьютерные программы","parent":"61c9a54c3df9550077bb50f3","description":"Софт для моделирования и черчения, самодельные электронные устройства.","is_category":false,"is_votable":true,"is_writable":true,"cache":{"topic_count":2668,"post_count":48285,"last_post":"69396824b4761b70be1cf1f6","last_topic":"6936752c44153b3865eede83","last_topic_hid":572669,"last_topic_title":"Последовательность работы сервоприводов.","last_ts":"2025-12-10T12:31:32.140Z","last_user":"4f3e22e13df955007774805c"}},"topic":{"_id":"486e17b23df9550077adcbe7","hid":106185,"title":"Импульсный регулятор тока","views_count":7792,"last_post_counter":12,"cache":{"post_count":12,"first_post":"486e17b23df9550077add062","first_ts":"2008-07-04T12:29:38.000Z","first_user":"47270aaa3df955007778031f","last_post":"48781cbd3df9550077add078","last_post_hid":12,"last_ts":"2008-07-12T02:53:49.000Z","last_user":"3fa364193df9550077795a02"},"st":1,"section":"61c9a54c3df9550077bb50ba"},"subscription":null,"pagination":{"total":12,"per_page":25,"chunk_offset":0},"posts_list_before_post":["paginator","datediff"]},"locale":"en-US","user_id":"000000000000000000000000","user_hid":0,"user_name":"","user_nick":"","user_avatar":null,"is_member":false,"settings":{"can_access_acp":false,"can_use_dialogs":false,"hide_heavy_content":false},"unread_dialogs":false,"footer":{"rules":{"to":"common.rules"},"contacts":{"to":"rco-nodeca.contacts"}},"navbar":{"tracker":{"to":"users.tracker","autoselect":false,"priority":10},"forum":{"to":"forum.index"},"blogs":{"to":"blogs.index"},"clubs":{"to":"clubs.index"},"market":{"to":"market.index.buy"}},"recaptcha":{"public_key":"6LcyTs0dAAAAADW_1wxPfl0IHuXxBG7vMSSX26Z4"},"layout":"common.layout"}