Ремонт радиоуправляемой машинки

Andbiy

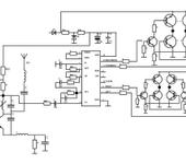
Привет всем! Сломалась радиоуправляемая машина. Поломка в приемнике. Передатчик проверял с другой, такой же машиной - он работает. Машина не дорогая. Но очень интересно разобраться в поломке. Описание поломки - машина никак не реагирует на подающие на нее сигналы. Обрывов нет. Плату пролудил. Результата нет. Схема построена на RX-2В. Померял, какое на нее подаеться питание - оказалось 3,8 вольта, т.е. она запитана нормально. Поменял транзистор VD13 - тоже без результата. Схему с платы срисовал. Теперь сижу разбираюсь, что к чему:) Может ли кто-нибудь что-нибудь подсказать или посоветовать?

ubd

Ну во первых схема написаована неправильно. Все транзисторы стоят не так. Может быть VT13, правильно.
R1, R4, R5, R8, должны идти на базы транзисторов. Через эти сопротивления идуд управляющие сигналы на силовую часть, которая включает двигатели.
Плюс питания и минус, ну ни как не могут идти на базы трназисторов VT1,3,4,5,7,9,10,11. И у вас везде нарисованы транзисторы обратной проводимости, они там не все обратной.

Нужно взять тестер и прозвонить их, узнать где база, и выяснить обратной проводимости он или прямой. У тех что обратной эмитер подтягивается всегда идёт на минус питания а у тех что прямой, эмитер на плюс питания.

А у этой схемы кварца нет?

Трудно сказать что может быть не так. Может быть банальный обрыв, трещина на дорожке, которую не видно. Или вообще микруха умерла, запросто может быть.

LiS
Andbiy:

… Схема построена на RX-2В. Померял, какое на нее подаеться питание - оказалось 3,8 вольта, т.е. она запитана нормально. Поменял транзистор VD13 - тоже без результата. Схему с платы срисовал. Теперь сижу разбираюсь, что к чему:) Может ли кто-нибудь что-нибудь подсказать или посоветовать?

вот схема аналогичного назначения
может она позволит Вам четче представить общую картину и схемотехнику 😉

Andbiz

Нет, кварца нет. На схеме есть еще одна ошибка - L1 должна быть с стрелочкой. Это катушка:) Не хотелось бы конечно, чтобы микросхема вышла из строя… Ну все равно интересно, что точно вышло из строя:)
Согласен… Вы правы! Сопротивление должно быть в цепи базы и сигнал должен подаваться на него.
Транзисторы VT1, VT3, VT4, VT5, VT7, VT9, VT10 и VT11 - это 8050SS.
В даташите указано, что это транзистор NPN типа.
www.alldatasheet.com/view.jsp?Searchword=8050SS
А транзисторы VT2, VT6, VT8, VT12 - это 2SC2785.
В даташите тоже написано, что это транзистор NPN типа.
www.alldatasheet.com/view.jsp?Searchword=2SC2785&q…
Проверил расположение элементов и посмотрел по схеме… Вроде все правильно… Вечером возьму у брата фотоаппарат и выложу фотографии на всякий случай…
Но дело до них не доходит. На них вообще не подаеться сигнал. Т.е. поломка скорее всего до микросхемы. Проверил выходы Лево, право, назад и вперед - с них не выходит сигнал. Пульт рабочий - это точно.
Ради интереса начал проверять выходы микросхемы:
Один щуп мультиметра положил на 2-ую ножку (GND), а другую начал попеременно прикладывать к каждой ножке и сверять напряжение
при нажатой кнопке пульта “Вперед” и при ненажатой. Разницы в напряжениях не заметил.
Кстати. Вот показания:

# “Вперед” Не нажата

1 0 В 0 В
2 - -
3 0 В 0 В
4 1,57 В 1,57 В
5 1,46 В 1,46 В
6 0 В 0 В
7 0 В 0 В
8 не задействована
9 не задействована
10 0 В 0 В
11 0 В 0 В
12 не задействована
13 3,68 В 3,68 В
14 1 В 1 В
15 2,05 В 2,05 В
16 0 0

Andbiz

Сделал замеры на такой-же, но рабочей плате. Получил такие же результаты, но не было напряжения на контактах 1, 3, 16

BALAL

…Стоит в 14 ножку ткнуть осциллографом или хотя бы входом УНЧ с динамиками (компьютерными колонками) и смотреть там наличие сигнала от работы передатчика.

Andbiz

Проверил осцилографом. Без сигнала есть просто напряжение, а при сигнале идут небольшие колебания

BALAL

Во, сравнить сигналы с рабочей платой! Такие же - микросхема не работает. Не такие - в приёмнике проблема. Хотя уже похоже на исправность приёмника…

Andbiz

Сравнил. Сигналы такие же. Попробовал изобразить их в паинте… Фотографии платы делать не буду… Вижу, что они не нужны!
Неужели вышла из строя микросхема?😦 Но когда я сравнивал напряжения на контактах микросхемы, то на 1,3 и 16 на нерабочей напряжения не было в отличии от рабочей.
Контакт 1 - это “Inverter 2 output pin for power amplify”, т.е. выход. А ведь контакты 3 и 16, как я понял входы. 3 - “Input pin of the encoding signal” и 16 - “Inverter 2 input pin for power amplify”.

Andbiy

Спасибо всем, кто отвечал и помогал в решении данной поломки. Дело было в микросхеме.

ubd

Китай потому что однако!