Регуляторы хода
Всем привет.
обнаружился крошечный регулятор под 400 двигатель (4 банки никеля либо, одна банка полимера), контролер PIC12С509А, собственно беда в том что транзистор (он один) отсутствует, и что поставить не знаю.
Буду благодарен за помощь.
о какой схеме речь?
а так ставь полевик который подойдет тебе по параметрам + небольшой запас.
собственно беда в том что транзистор (он один) отсутствует, и что поставить не знаю.
Подойдёт, любой мощный N-канальный полевик, в корпусе ТО220. Например: IRL2203N.
Кто может подсказать, как выставить биты конфигурации, в " Модификация регулятора на PIC12С509 с сайта RC-Design.rar", при условии использования программатора “Extra-PIC+” и программы “icprog_1.06B”. Пробовал прошить, но ничего не работает. Как указано в скрине в этом архиве, неполучиться, т.к. в “icprog_1.06B” нету чебокса с “FOSCO”. Что ставить в графе “осциллятор”?😵
Заранее спасибо за ответ.
чебокса с “FOSCO”
Что это за “чебокс”?
Там когда загружаешь файл прошивки HEX в программу ICProg, то в биты должны устанавиться как нужно, т.к. информация о них находиться в файле HEX вместе с прошивкой. Но почему то не ставиться MCLR, хотя он нужен для работы схемы, на нём сделана отсечка.
Ещё ставиться лишний бит, это CP. Нужно убрать галочку с этого бита. Этот бит отвечает за защиту от считывания. Т.е. если его прописать то уже прошивку никогда не считаешь, и не возможно будет сделать проверку на правильность прошивки Verify. Но да же с этим битом, программа должна прошиться и работать, вы проверьте, моджет быть у вас прошилось.
В следующий раз убирайте эту галочку с СР, и прошивайте, что бы потом можно было проверить, что прошилось, и сравнить с буфером.
Осциллятор устанавливается IntRC - что означает внутренний тактовый генератор на 4 мгц. Как я уже говорил, информация о том какой должен быть осциллятор, находиться в файле HEX.
Так ещё раз, биты должны быть такими: Осциллятор IntRC, галочки стоят на WDT и MCLR.
Хочу добавить что эти процы одноразовые типа 509 или 508, не всегда прошиваются ExtraPIC`ом, почему, я не знаю. Я раньше их прошивал тем же программатором нормально, а последний раз пробовал, что то не получилось, как бы он прошивает, но половина программы, или какую то ещё часть, и всё, больше не сотрёшь, проц портился. А любые другие процы, многоразовые, прошиваются этим программатором отлично! У меня этот программатор уже лет 5, и пока устраивает.
Сейчас посмотрел, в архиве что я выкладывал, есть пример битов, они для программы PonyProg, для IC Prog я выше описал.
“Чебокс”-ом у нас называли, во всяком случае раньше, окошко, где ставиш галочку(WDT,MCLR). Может я немного исковеркал название😒
hex…неробочий рик брал с буквой F509
Как это не рабочий. Я таких регуляторов собрал уже кучу с этим hex`ом и на PIC12С509. Только проблема прошить этот 509. Тем более с F буквой или С, разницы нет, прога будет работать на том и на том. F - он такой же, только многоразовый. Просто у вас не получилось прошить одноразовый, а многоразовый получилось, по этому он у вас заработал.
Всем привет. Хочу собрать регулятор на 12f675, который в статьях на этом сайте,под мотор до 400-го. Есть несколько вопросов.
Из транзисторов нашлись IRF4905,IRF3706,IRF9Z34N и IRL2203N. Хватит -ли IRL2203N на токи 5А без радиатора ?. К сожалению по схеме уважаемого UBD собрать нет возможности, драйверов не нашлось, буду ставить что-то наподобие КТ315 ,КТ3102 (как на схеме).
Планирую использовать Li-po 2S, так что отсечка нужна обязательно, правда не совсем понял на сколько 6 В или 5 В ?
И пожалуй основной вопрос - нет-ли у кого печатки под эту схему или подобную на этом PIC, с отсечкой ?
Спасибо.
Хватит -ли IRL2203N на токи 5А без радиатора ?.
По идее должон потянуть, но все же радиатор бы не помешал хотя бы не большой.
сколько 6 В или 5 В ?
На 6 вольт, и то в притык, на 5вольт банки умрут быстро
Собрал на макетке. Все работает и не греется. Теперь правда хотелось бы понять как настраивать экспоненты ?
Подскажите как пользоваться программкой Патарцкого (я по его схеме делал), а то задний ход резковат. ?
На 5 А драйвера не нужны.
Хватит -ли IRL2203N на токи 5А без радиатора
Нет радиатор не нужен.
На 6 вольт, и то в притык
6В достаточно, там тем более отсечка резкая получается так что аккум не убьёт, т.к. отсекать будет мнгновенно как только до 6В дойдёт. И потом ровно 6В не получатеся четь больше, типа 6,2 что ли, не помню уже.
Отческа выбирается из расчёта, не ниже 2,85В на банку для Li-po, но лучше 3В на банку. Если ниже аккумы быстро умрут.
И пожалуй основной вопрос - нет-ли у кого печатки под эту схему или подобную на этом PIC, с отсечкой ?
Кто то на форуме выкладывал, ищи. Там печатка то простейшая, можно и самому написовать.
Отпишусь по поводу моего регулятора, пост 113.
Весь этот год, проходил краш-тест этого регулятора, и наконец то мой регулятор сожгли! Сожгли 5 витковым мотором, с аккумом 2 банки Li-po 4 Ач, радиатор был без вентилятора. Сгорела пара Р-канльных транзистора, для хода вперёд. Я думаю, что это произошло при ситуации, дали назад, после тормоза, и резко вперёд, а машина с мотором в это время ещё, ещё едёт назад, а тут ход вперёд, ток видимо в этот момент был максимально возможный, ампер 60, транзисторы и пыхнули.
В общем отремонтировал, и поставил куллер на радиатор, после ремонта гоняли на этом моторе, высадили аккум, регуль выдержал 5-ти витковый мотор!
а как в этом рег. выполнить калибровку ? rcopen.com/files/000000000000000000000000
А с чего ты взял что она там есть?
Там фиксированные значения, нейтраль 1500мкс, максмальный газ впрёд - 1960мкс, и максимальный газ назад - 1040мкс.
Нейтраль можно подстроить тримером на передатчике, максимальные значения попадут сами по себе.
тримера не хватает
А что за аппа? Если тримера не хватает, значит можно подстроить внутри передатчика, повернув корпус самого резистора на джойстике. Он там зафиксированн термоклеем скорее всего, можно его сдвинуть, и настроить. Такое бывает на дешёвых аппаратурах.
Хотя у меня есть версия этого регулятора с калибровкой.
Это тлько у меня при попытке скачать архив отсюда: www.rcdesign.ru/articles/electronics/esc_rev выдает 403 forbidden?
У всех. Надо схему регулятора? Есть друие варианты, лучше этого.
На ПИКах надо, с реверсом.
homepages.paradise.net.nz/bhabbott/bridge.html
Который верхний.
Пожалуйста, помогите разобраться.
Собрал такой-же регулятор (на PIC16F682A c реле). Не работает так как положено :
1.на 18-й ноге сигнал 5вольт появляется, но реле реверса не срабатывает.(транзистор VT2 и проверял и менял). на реле доходит 3,8в.
2.регулятор не выдает ток даже 200ма. при привышении нагрузки в 100ма. уходит в перезагрузку и включается только после центрирования ручки газа.
я допаял еще один IRL2203(параллельно первому) тогда он стал выдавать 200ма вперед и 1.8А назад, потом снова перегрузка.
отступления от схемы : диод шоттки MBR1040, конденсатор С9 не 25в ,а 50в.
программатор Willeprom, c родной прогой.
все пайки проверил. индикаторы хода и стопа работают.
Этот регулятор простой как три копейки, он работатет у всех и не требует ни какой индивидуальной настройки.
1.на 18-й ноге сигнал 5вольт появляется, но реле реверса не срабатывает.(транзистор VT2 и проверял и менял). на реле доходит 3,8в.
Судя по описанию, у вас явно какой то косяк. Раз до реле доходит всего 3,8В, оно просто не срабатывает. Какое реле используете?
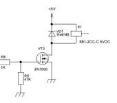
Я вам могу порекомендовать другую схему включения реле, которую я использую сейчас. Схема ниже. Используется полевик, на нём падение напряжения меньше, полевик этот стоит копейки и есть во всех магазинах.
Ну и реле должно быть с катушкой на 5В.
2.регулятор не выдает ток даже 200ма. при привышении нагрузки в 100ма. уходит в перезагрузку и включается только после центрирования ручки газа.
У этого регулятора есть отсечка, похоже она преждевременно срабатывает. Пока настраиваете регулятор заблокируйте отсечку, замкнув 16-ю ногу на минус.
я допаял еще один IRL2203(параллельно первому) тогда он стал выдавать 200ма вперед и 1.8А назад, потом снова перегрузка.
Нет смысла допаивать ещё один транзистор. Достаточно одного. Дравер IR4427, есть на плате?
И ещё, скорее всего у вас неправильно настроенны биты конфигурации. Я эту прошивку делал давно, и тогда не знал ещё, как установить биты конфигурации в программе, что бы они сохранялись и в HEX файле. Конфигурация для этой прошивки, должна быть вот такая:
DEVICE pic16F628A, INTRC_OSC_NOCLKOUT, WDT_ON, PWRT_OFF, BOD_OFF, MCLR_OFF, LVP_OFF, CPD_OFF, PROTECT_OFF
Тут самое главное BODEN сделать OFF, а то проц сбрасывается при питании ниже 4,7В, а если OFF, то он работает до 2,5В.
В общем, установите вручную другие биты конфигурации, которые я привёл выше.
большое Вам, Сергей Севастенков г.Осинники, человеческое спасибо!
все, работает @. ура! я цей регулятор 4 дня любил и одни проблемы. фюзы эти уже мне снились… проц я прошивал раз 20. Теперь прошил с указанными битами, 16-ю ногу на землю и все ок.
-реле таки слишком мощное (RM84-2012-35-1005. 0,4-0,48Вт обмотка DC) но теперь регулятор уверенно пытается его включить т.е. слышно слабое срабатывание.и напряжение на реле 1.84в. С одним полевиком 2203N без проблем крутит мотор 2,5*3см. при токе до 1,5А. Но когда я подключил двигатель 6*4см. двигатель еле проворачивается, слышно писк ШИМ и придостижениии около 0,6-0,8А уходит в перезагрузку. Но! с двумя полевиками крутит и очень даже резво. оба полевика рабочие, проверено. не знаю, это ошибка или непонятно что.
буду собирать второй регуль проверю еще раз и отпишусь. Отсечка тоже работает, но жестко - отрубает двиг и только потом пищит.
в общем, регуль работает, еще раз спасибо за помощь.
Ты пока другой не собирай. Я позже выложу новую версию этого реглятора с плавной отсечкой, и калибровкой.