Подключение сервы

stud
Boroda:

Сам себя перечитал и офигел от такой пурги.

Как Вы к себе строги!

AlexN:

Правильная схема:

Преобразователь уровня. Схема должна работать. Правда, куда это всё засунуть? Спросил своего друга. Он драйверами чаще меня занимается. Вот что он посоветовал: Тут уже точно классика: микруха не может выдать сигнал больше своего питания (еще точнее - наверняка выдает меньше на
0.1-0.3В), а верхние транзюки включаются отрицательными по отношению к +питания импульсами.
Короче, разница в напряжениях питания (dU) превращается в дополнительное базовое напряжение верхних транзюков. Если
dU>0.6…0.7В (какое совпадение 😉 ), верхние никогда не закроются, след-но, “сквозняк” со всеми вытекающими.
Решение: погасить dU одним-двумя диодами анод к базе катод к сигналу (если dU=0.6…1.4В) или стабилитронами анод к
сигналу катод к базе (dU>1.5В). При этом еще хорошо бы резисторы небольшие (по 10к, например) м-у базой и эмиттером
верхних впаять.

stud

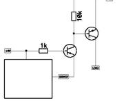
Блин! Схему AlexN собирать нельзя! Как я сам этого не заметил! Транзистор VT2 садит базу VT3 на землю. Транзистор VT3 накрывается медным тазом!

stud:

Блин! Схему AlexN собирать нельзя! Как я сам этого не заметил! Транзистор VT2 садит базу VT3 на землю. Транзистор VT3 накрывается медным тазом!

Должна работать такая схема:

Niver
stud:

Блин! Схему AlexN собирать нельзя! Как я сам этого не заметил! Транзистор VT2 садит базу VT3 на землю. Транзистор VT3 накрывается медным тазом!

Должна работать такая схема:

Думаю это просто неточность, что на схеме AlexN не хватает резистора в разрыве коллектора VT2 и точки соединеия R3 с базой VT3.
Если ставить кренку на питание логики, то в процессе разрядки бортовых аккумуляторов по вашей схеме Vst будет уменьшаться. И как тогда поступить с подбором диодов?

stud
Niver:

Если ставить кренку на питание логики, то в процессе разрядки бортовых аккумуляторов по вашей схеме Vst будет уменьшаться. И как тогда поступить с подбором диодов?

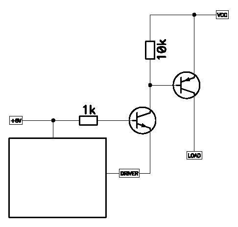
Схема не моя. Схему предложил мой товарищ. На Ваш вопрос, мой друг нарисовал такую схему:

AlexN

Да, в выложенной мной выше схеме не хватает резистора, спасибо за поправку.
Прибил ее из своих вложений от греха подальше (только что-то она не пропадает из темы…).
После добавления резистора схема становится один в один с той, что в 30 посте, только инвертор реализован на транзисторе другой проводимости 😃

Boroda
stud:

Как Вы к себе строги!

Угу. Потомучто нефига не разобравшись в схеме тыкать этим других, да ещё и советы давать. Попробую реабилитироваться.
Столкнулись тут вчера две мысли. Первая. Схема с общей базой не инвертирует сигнал. Вторая. В первоначальной схеме базовым током ключа управляла микруха. Оставить бы ей эту функцию. В результате сшибки получилась такая схема, проще не придумать:

В последний момент вторая мысль дрогнула, и был пририсован килоомный ограничительный резистор. В железе не паял, но в симуляторе всё щёлкает во всех штатных и нештатных ситуациях.

stud
Boroda:

Угу. Потомучто нефига не разобравшись в схеме тыкать этим других, да ещё и советы давать. Попробую реабилитироваться.
Столкнулись тут вчера две мысли.

Я тоже, попробую реабилитироваться. С чего Вы решили, что я Вам тыкаю? Говоря: Как Вы к себе строги. Я только хотел дать понять, что всякий может ошибиться. Далее, не советы я давал, а пытался помочь человеку. У меня серва заработала так, как мне было нужно. Просто, это была совсем другая серва. Терпимей надо быть, товарисч! Надеюсь, что Вы меня поняли правильно. Сергей.

Boroda

Это вы меня неправильно поняли. Весь этот наезд я адресовал себе самому, и ни в коем случае не вам!

Niver
Boroda:

Это вы меня неправильно поняли…

Спасибо, Джентельмены за наводки и побуждаемые ими размышления. Теперь я думаю как всё это попробовать запихать в мою серву.С smd рассыпухой у нас тупик, придется выпаивать. Плюс еще откапывать и распаковывать осциллопопер… Короче- займет некоторое время.
Весьма изящно решение из поста №32 от Boroda , наверно с него и начну.
Может, и другие попробую, но там прогнозируемый успех, а мне важно понять достаточна ли штатная энергетика HS-785HB для хотя бы удовлетворительных соревновательных характеристик после такого хопапа.
PS:Отдельно спасибо RA9UBD.
Всех благ!

stud
Boroda:

Это вы меня неправильно поняли. Весь этот наезд я адресовал себе самому, и ни в коем случае не вам!

Прошу прощения коллега, действительно не понял. Ваша схема мне тоже нравится, тем более Вы её проверили на эмуляторе. Если мне придётся ещё дорабатывать супер-серву, возможно, воспользуюсь Вашей схемой.
Niver, если не трудно, сообщите результат доработки. Надеюсь, что расскопки осциллоскопа много времени не займут. Особливо ежели использовать металлоискатель или лозу! 😒

11 days later
Niver

Прошу прощения за задержку, но вот сделал. Сделеал по схеме из поста №32 rcopen.com/forum/f8/topic129224/32. Уверенно работает от 6,0 до 11В. Стабилизатор LM2940CT-5 подпёртый двумя германиевыми диодами.
Правда, результатом по скорости вращения не доволен. Приемлемо получается от 11В (дальше начинается дерганье машинки при подходе к заданной позиции), а это мне кажется уже перебор.
Удачнее у меня получилось здесь: rcopen.com/forum/f69/topic103974
Тут же появилась мысль то же самое сделать и с цифрой, но при разборке выяснилось, что мост и процессор уже запитаны от встроенного стабилизатора. Схемы у хайтека цифровых машинок очень похожи, а (по форумам) историю с выгоранием HS-5995TG, запитанной от заявленного производителем напряжения 7,2В, при текущих их стоимостях повторять не хочется… В чем там засада?

Видео: [ame=“video.mail.ru/mail/alfazulu/30/30.html”]

Boroda
Niver:

Схемы у хайтека цифровых машинок очень похожи, а (по форумам) историю с выгоранием HS-5995TG, запитанной от заявленного производителем напряжения 7,2В, при текущих их стоимостях повторять не хочется…

А можно поподробнее?

Niver
Boroda:

А можно поподробнее?

Не понял- схемы или подробнее про выгорание?
Схемы запостю сюда чуть позже, а про 5995 на нескольких форумах читал, что горят они при питании от 7,2В . Кстати, хайтек их с производства весьма быстро снял, а почти точную копию 5955 уже не рекомендует питать от 7,2В.

Boroda

К сожалению не видел как самой схемы, так и форумов, на которых обсуждалось выгорание. А что касается тормозов уже перепаяной лебёдки, у меня есть подозрение, что всё дело в цепи демпфирования. В той, которая между 16 и 2 ногой. В вашем скане схемы ошибка, и к этой цепи должен быть подсоединён мотор, поэтому трудно понять как микросхема давит импульсы на ключи при повышении питания.

Niver
Boroda:

К сожалению не видел как самой схемы, так и форумов, на которых обсуждалось выгорание. А что касается тормозов уже перепаяной лебёдки, у меня есть подозрение, что всё дело в цепи демпфирования. В той, которая между 16 и 2 ногой. В вашем скане схемы ошибка, и к этой цепи должен быть подсоединён мотор, поэтому трудно понять как микросхема давит импульсы на ключи при повышении питания.

Да, ошибка и не дорисована. К резистору 22К идет центральный вывод потенциометра обратной связи. Резистор 1М не подключен к выводу микросхемы, а идет на коллектор двигателя. Второй вывод коллектора идет в точку соединения резисторов 10К и 10К и затем на вывод 16 микросхемы. Если получится поправить демпфирование, то нормально нарисую всю схему с доработкой и выложу.
В прицепе схема HSR-8498HB. Навскидку в HS-5985MG R9 и R5 по 1K, а R7 и R4 по 470 Ом. Точно схему еще не срисовывал.
Здесь про сгорание 5995:rcopen.com/forum/f69/topic58795/67 и где-то еще на английском видел.

Hitec servo 8494HB programmed HMI Protocol.rar

Boroda

Опять что-то не так. Вот смотрю фотки платы, там каждый из двух выходов коллектора через 10к идёт к точке соединения, которая уползает под микросхему. Видимо эта дорожка и идёт к 16 ноге. Получается, что на микруху с мотора приходят демпфирующие импульсы амплитудой выше её питания? А 1М соединяет один из коллекторов со 2 ногой? Тогда там тоже возможно “передемпфирование”. Поправьте, если не так, номиналы на фотке трудно читаются.
А в схеме из PDF ключи питаются напрямую, минуя стабильник. Если номинальные токи и напряжения не превышать, то гореть там вроде нечему в широком диапазоне напруги. P ключи ещё кверху ногами нарисованы…

Niver

Вот вкратце (учитывая выше по ветке схему и без буферных каскадов) зарисовал. И то что вышло с буферами. Получается, что при раздельном питании действительно демпфирующие импульсы приходят на микруху амплитудой выше, чем питание ее самой. На какой порядок и какие резисторы увеличивать не подскажете?

Не поленился- достал свой старенький С1-112А пепелац.
На 16 ноге вне зависимости от питания моста присутствует постоянное напряжение 2В. Импульсы там при эволюции сервы в диапазоне 3-4В по амплитуде. На 2й ноге померять не смог. Даже с 10мОм делителем при касании щупом 2й ноги машинка начинает быстрое движение в одну сторону. Дожидаться сворачивания потенциометра обратной связи не стал 😃.
Всё, приплыли? Заставить ее резче набирать обороты и тормозиться- никак?

Niver

Все-таки получилось!😁
Действительно, было передемпфирование. Поставил вместо резистора 1 мОм - 3,6 мОм и все стало замечательно. Уверенно работает вплоть до 12 В. Скорость по сравнению с 6ти вольтовым питанием увеличилась вдвое. Силу не мерял- незачем. Но, думаю, это уже запредельный режим для движка. Ограничусь 10-11,5 В.
Всем большое спасибо за участие, но разговор про поднитие питания на цифровых сервах- впереди!😉

Boroda

Что-то тему потерял. Поздравляю с победой разума над глупой железякой!
А как под нагрузкой точность и скорость?

Aleksey_Gorelikov
Boroda:

Что-то тему потерял. Поздравляю с победой разума над глупой железякой!
А как под нагрузкой точность и скорость?

Я бы еще спросил как надежность, но на тесты наверно время надо ( да и кол-во.)… Всеж несовсем штатный режим… Большие токи наверно будут. И у моторчика щетки могут выгорать активние, и ключи может пробить и акб коротнуть… Но, это все “может”. Практика покажет. Напишите ПЛЗ отчетик через пару месяцев.

Niver

Навигация откроется только в мае, к тому же на моей строящейся метровке уже все расчитано на установку моей первой переделки rcopen.com/forum/f69/topic103974 . Так что реальную эксплуатацию отложу.
На холостом ходу смотрел в щель на коллектор мотора. Искрит чуть больше чем при 6В. Характерного запаха горящих щеток нет. Испытаю под нагрузкой, выложу сюда.

Niver

Транзисторы в мосту на 20В 5А. Штатное максимальное потребление тока от 6В - 1,8А. Дома замерю от повышеного питания.
Полная схема переделки: