да именно здесь я ее и взял, но вот с катушками вопрос остался, сколько витков и на каком каркасе?
Я собирал работает отлично. Делал дополнительный модуль к Futaba 9CHP для Ламы. На какую частоту хотите? Я его настраивал на 35 МГц в приложении есть таблица.
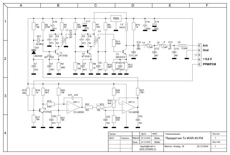
Забыл указать корпуса для контуров использовал от 40 МГц радио телефона встали как родные даже печатку не поправлял.
Спасибо за таблицу и корпуса катушек именно на 35Мгц и собирался делать.
А какой диаметр провода или ето некритично?
А какой диаметр провода или ето некритично?
Диаметр немного влияет на индуктивность, но больше влияет на добротность. Чем больше диаметр тем лучше добротность. И слишком толстым если намотать, то может не поместиться на каркас. Провод можно взять 0,35 - 0,4мм.
{"assets_hash":"a8b26fa7f6e768b07a72c8c9aadb9422","page_data":{"users":{"3e7587103df95500777968ac":{"_id":"3e7587103df95500777968ac","hid":1461,"name":"ubd","nick":"ubd","avatar_id":null,"css":""},"41b31a363df9550077792f62":{"_id":"41b31a363df9550077792f62","hid":5226,"name":"P_33","nick":"P_33","avatar_id":null,"css":""},"4342606b3df955007778eea7":{"_id":"4342606b3df955007778eea7","hid":9456,"name":"michail","nick":"michail","avatar_id":null,"css":""},"46b7f5ff3df9550077781c64":{"_id":"46b7f5ff3df9550077781c64","hid":27054,"name":"KimAS","nick":"KimAS","avatar_id":null,"css":""},"49876ce03df955007777254e":{"_id":"49876ce03df955007777254e","hid":43684,"name":"Djeker","nick":"Djeker","avatar_id":null,"css":""}},"settings":{"can_see_ip":false,"can_report_abuse":false,"can_see_hellbanned":false,"forum_can_view":true,"forum_can_reply":false,"forum_edit_max_time":30,"forum_can_close_topic":false,"forum_show_ignored":false,"forum_mod_can_delete_topics":false,"forum_mod_can_hard_delete_topics":false,"forum_mod_can_see_hard_deleted_topics":false,"forum_mod_can_edit_posts":false,"forum_mod_can_pin_topic":false,"forum_mod_can_edit_titles":false,"forum_mod_can_close_topic":false,"can_vote":false,"forum_mod_can_add_infractions":false,"forum_topic_title_min_length":10,"forum_reply_old_post_threshold":30,"votes_add_max_time":168,"forum_show_post_interval":7,"can_see_deleted_users":false},"section":{"_id":"61c9a54c3df9550077bb50ba","hid":8,"title":"Самодельная электроника, компьютерные программы","parent":"61c9a54c3df9550077bb50f3","description":"Софт для моделирования и черчения, самодельные электронные устройства.","is_category":false,"is_votable":true,"is_writable":true,"cache":{"topic_count":2668,"post_count":48285,"last_post":"69396824b4761b70be1cf1f6","last_topic":"6936752c44153b3865eede83","last_topic_hid":572669,"last_topic_title":"Последовательность работы сервоприводов.","last_ts":"2025-12-10T12:31:32.140Z","last_user":"4f3e22e13df955007774805c"}},"topic":{"_id":"49a3d83e3df95500779f57d4","hid":132335,"title":"Может кто собирал Сменный ВЧ-модуль FP-TQ-FM от Futaba","views_count":1877,"last_post_counter":8,"cache":{"post_count":8,"first_post":"49a3d83e3df95500779f6130","first_ts":"2009-02-24T11:21:34.000Z","first_user":"49876ce03df955007777254e","last_post":"49b34d773df95500779f613e","last_post_hid":8,"last_ts":"2009-03-08T04:45:43.000Z","last_user":"3e7587103df95500777968ac"},"st":1,"section":"61c9a54c3df9550077bb50ba"},"subscription":null,"pagination":{"total":8,"per_page":25,"chunk_offset":0},"posts_list_before_post":["paginator","datediff"]},"locale":"en-US","user_id":"000000000000000000000000","user_hid":0,"user_name":"","user_nick":"","user_avatar":null,"is_member":false,"settings":{"can_access_acp":false,"can_use_dialogs":false,"hide_heavy_content":false},"unread_dialogs":false,"footer":{"rules":{"to":"common.rules"},"contacts":{"to":"rco-nodeca.contacts"}},"navbar":{"tracker":{"to":"users.tracker","autoselect":false,"priority":10},"forum":{"to":"forum.index"},"blogs":{"to":"blogs.index"},"clubs":{"to":"clubs.index"},"market":{"to":"market.index.buy"}},"recaptcha":{"public_key":"6LcyTs0dAAAAADW_1wxPfl0IHuXxBG7vMSSX26Z4"},"layout":"common.layout"}