Серво тестер

Snaiper

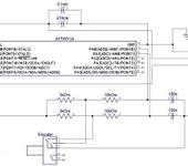
Может кому понадобиться, тестер для рулевых машинок и регуляторов хода. Схемка простенькая с применением ATtiny24 и энкодором.
Будут вопросы, задавайте.

tester.rar

avalanch

Какой функционал устройства ? Чем она лучше схемы на 555 таймере ?

INQURY
avalanch:

Какой функционал устройства ? Чем она лучше схемы на 555 таймере ?

Это явный наезд на автора!

  1. Он на микроконтроллере
  2. минимум деталей
    3 схема в настойке ненуждается (спаял и работат ссразу)
Snaiper

Возможность регулировки шага, мах 1024 шага. да и развивать програмно можно дальше, а также и детале минимум.

AlexN

Какой смысл применения энкодера на таком примитивном устройстве? Теряется главный козырь - дешевизна изделия.

wlad

Да ладно, энкодер будет удобен паропланеристам использующим мощный бесколлекторник с большим винтом, служащий для поддержания полёта, или для выхода из опасной ситуации… (такую штуку они вешают за спиной, по типа ранца с небольшим гелевым аккумулятором). А энкодер можно закрепить на ручке газа и легко им управлять. Мне на почту уже писали по этому поводу, просили сделать схему управления для BLDC. Я конечно посоветовал на меге 8, с режимом управления от кнопки (на форуме такой тестер фигурировал), так как резистор крутить им в полёте видимо не удобно. А энкодер думаю сгодится для этого. Так что автору спасибо!

Snaiper

Ну планировалось развитее тестора с добавлением функций, так что если есть идеи, предлогайте. Будет возможность доделаю.

avalanch

Это не наезд, а вопрос. Автор, судя по его аругментированному ответу, не считает этот вопрос наездом.

INQURY:

Это явный наезд на автора!

8 days later
Snaiper

Что то с предложениями туго, не ужели развить тестер не хотите?

AlexN

Для того чтобы выдвигать предложения, нужно либо иметь описание со списком функций - вдруг там всё уже реализовано 😁 либо собрать схему самому и попробовать (сомнительно, что все бросились этот “черный ящик” без единого сопроводительного слова паять)

9 months later
Georgik

А среднее положение как выбирается?
Или при любом положении энкодера, как только серву подключил и питание подал - серва становится в строго среднее положение сама?

msv

Предложения по развитию серво-тестера:
Прикрутить LCD-экранчик, пару кнопок и понеслось…

  1. Вольтметр. (элементарно)
  2. Амперметр (аллегровский датчик и хоть до 150A влегкую)
  3. Ваттметр. (само-собой…)
  4. Термометр. (а что, тоже может нелишним оказаться…)
  5. Тахометр. (ну это просто…)
  6. Весы. (только тензодатчик подходящий найти…)
  7. Секундомер. (бесплатно…)
  8. Сканер. (опционально…)
    Если считаете это шуткой, то в ней только доля шутки… 😃
    Чес.говоря сам давненько вынашиваю мысль сделать подобный универсальный мультиметр моделиста…
Georgik

Лично мне в данный момент интересно:
1.при сбросе-подаче питания - серва становится в свое среднее положение?
2.при кручении энкодера, когда серва занимает одно из своих крайних положений - при дальнейшем повороте энкодера в ту же сторону, серва продолжает пытаться повернуться дальше (ну когда шестерня уперлась уже в упор и мотор перегружается, как когда колеса на машинке держишь принудительно в крайнем положении)?

lva
msv:

Предложения по развитию серво-тестера:
Прикрутить LCD-экранчик, пару кнопок и понеслось…

  1. Вольтметр. (элементарно)
  2. Амперметр (аллегровский датчик и хоть до 150A влегкую)
  3. Ваттметр. (само-собой…)
  4. Термометр. (а что, тоже может нелишним оказаться…)
  5. Тахометр. (ну это просто…)
  6. Весы. (только тензодатчик подходящий найти…)
  7. Секундомер. (бесплатно…)
  8. Сканер. (опционально…)
    Если считаете это шуткой, то в ней только доля шутки… 😃
    Чес.говоря сам давненько вынашиваю мысль сделать подобный универсальный мультиметр моделиста…

Вот по этой ссылке rcopen.com/forum/f8/topic114103 обсуждался сервотестер, только сканера 😁 не хватает. Там куча ссылок по теме, с картинками. Автор даже писал о развитии, но тема почему-то давно заглохла. Может кто-то повторял, интересно как она работает?

valera123
Snaiper:

Что то с предложениями туго, не ужели развить тестер не хотите?

Вопрос по тестеру, а возможно к нему приделать термо резистор дабы тот управлял руль машинкой, в зависимости от температуры.
Допустим есть, двигатель ДВС, термодатчик (желательно термодатчик взять что есть в продаже ) приделываем к двигателю, руль машинка управляет краником который ограничивает подачу охлаждающей жидкости, диапазон температуры от 80…100градусов.
Спасибо

Dikinson
valera123:

Вопрос по тестеру, а возможно к нему приделать термо резистор дабы тот управлял руль машинкой, в зависимости от температуры.
Допустим есть, двигатель ДВС, термодатчик (желательно термодатчик взять что есть в продаже ) приделываем к двигателю, руль машинка управляет краником который ограничивает подачу охлаждающей жидкости, диапазон температуры от 80…100градусов.
Спасибо

Не понятно что за идея?! Вы что жидкий азот в термокамере собрались дозировано подавать? 😮
И что вы считаете, что двигатель может быть каким-то чудом переохлажден, что в вашей системе необходим регулятор охлаждения?
По идее если это не прототип как у авто с радиатором и большим и малым кругом охлаждения то регулировать Вам нечего. Просто должен быть подобран нужный радиатор и все.

valera123

[Dikinson;1813222]Не понятно что за идея?! Вы что жидкий азот в термокамере собрались дозировано подавать? 😮

😁 все просто судо двигатель

И что вы считаете, что двигатель может быть каким-то чудом переохлажден, что в вашей системе необходим регулятор охлаждения?

Я не считаю я замерял под полной нагрузкой максимум 40градусов

По идее если это не прототип как у авто с радиатором и большим и малым кругом охлаждения то регулировать Вам нечего. Просто должен быть подобран нужный радиатор и все.

Радиатора нет есть забор речной воды, температура примерно от 10… до …20градусов, можно конечно поиграться сечением штуцеров но! лодка движется не всегда с постоянной скоростью, то-е если подобрать штуцер под максимум скорости, то на малой скорости охлаждения не будет, вы правильно привели в пример автомобиль

Dikinson
valera123

😁 все просто судо двигатель

Я не считаю я замерял под полной нагрузкой максимум 40градусов

и что это Вы считаете нагревом ДВС или опять таки обрывки инф. под нагрузкой кратковременной?!

valera123

Радиатора нет есть забор речной воды, температура примерно от 10… до …20градусов, можно конечно поиграться сечением штуцеров но! лодка движется не всегда с постоянной скоростью, то-е если подобрать штуцер под максимум скорости, то на малой скорости охлаждения не будет, вы правильно привели в пример автомобиль

Ладна раз уж так хочется по охлаждать даже 40С, как Вам идея найти подходящий радиатор от компьютера на основе тепловых трубок и радиатор с прямыми ребрами поставить на днище
так чтобы ребра не создавали дополнительного сопротивления были от носа к корме расположены.

Сразу выбросите серву, схему управления ей, всякие ненужные штуцеры. Заодно решите проблему на малых скоростях охлаждения и даже на дрейфе. Мало того получите дополнительную остойчивость судна на ходу в режиме глиссирования.
Ну и в довершении простота конструкции большая надежность системы охлаждения.

Ой что то от темы отвлеклись ну вдруг Вам поможет.

valera123
Dikinson:

Ой что то от темы отвлеклись ну вдруг Вам поможет.

Спасибо 😁 повеселили.
Ну, а если серьезно это к создателю темы, возможно к вашему мегадевайсу поставить терморезистор дабы, он просто стабилизировал серву в определенном диапазоне температур.
Спасибо

1 month later
МаркАнтоний

Хоть кто нибудь повторял данную конструкцию? У меня чтото не заработало. Прошил кристал, подсоединяю серву качалка начинает покачиваться тудасюда немножко и двигается по направлению к центру. На движение энкодера реагирует неадекватно.
Подскажите в чём может быть проблемма? Как фьюзы выставить надо?