Регулятор с реверсом с этого сайта на PIC12F675

PARSEK

Здравствуйте!
Собрал на днях регулятор с реверсом с этого сайта для 400 коллекторного двигателя на PIC12F675 (хочу к весне что-то водоплавающее замутить, весна близка, да и сын с женой просят - тоже хотят чем-нибудь порулить).
Регулятора только и не было, остальное вроде наскреб.

Плату развел сам, особо размеры не уменьшал, т.к. габариты корабля позволяют, да и вариант пробный.
Читал старые темы про этот рег, но, думал, что меня не коснется, да и процессоры 2 шт. без дела лежали, полевики p-канальники IRF4905 2 шт. купил, n-канальники 42n03 и 55n03 взял с материнок от старых компов (IRL2203 в нашем сельмаге кончились), на пробу поставил, решил, что если сильно греться будут, то со временем поменяю.

Про калибровочную константу в курсе.
Адаптер СИ-прог, программа IС-PROG. До этого делал несколько схем на Пиках и Мега8, все отлично прошивалось и отлично работает.

Рег заработал сразу, правда поначалу наблюдались зависания проца, начинали дымиться и отпаиваться транзисторы левой ветви (видно тек сквозной ток), греться пик.
Помогло замена кренки, изменение дорожек питания проца, установка дополнительных конденсаторов. Кренка пока не та , что на схеме, с большим падением, со временем поставлю КР 1158ЕН5В.

Пробовал ставить два разных процессора, на обоих полностью одинаково себя ведет.

В данный момент регулятор работает, пробовал и под нагрузкой, правда, на более слабом движке, транзисторы холодные, проц холодный, но:

  1. При перемещении стика регулирования хода на передатчике (Sanwa RD-6000 Sport – экспоненты выключены) «вперед» на 40% - двигатель набирает 100% обороты, при дальнейшем увеличении отклонения ручки наблюдается как-бы провал оборотов (снижение мощности) – затем опять 100 % и больше не изменяется. Полевик, на который ШИМ приходит, полностью открыт, ШИМА нет. Пробовал установить энд-поинт в пульте на 40% - помогает устранить провал, но при изменении этой настройки буквально на 1-2% он или опять проявляется, или же двигатель перестает набирать максимальные обороты.

  2. При перемещении стика «назад» на 100% - двигатель набирает примерно 95% оборотов назад, ШИМ присутсвует, регулировка энд-поинтов не помогает.

  3. Отсечка по снижению питания, по моему, не работает.

В старых темах смотрел, там вроде люди решили эту проблему, но ссылки уже не работают, человек, который их давал, забанен.

Друзья, помогите, у кого есть правильная прошивка на этот регулятор, поделитесь пожалуйста!
А то жалко выбрасывать девайс – ведь работает, и меня бы он вполне устроил (на первое время). Заранее благодарю!

PARSEK

Там другая разводка ног процессора, пока не очень охота плату менять, в крайнем случае воспользуюсь, спасибо!

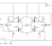
Делал вот по этой схеме:

PARSEK

УРА!!! Нашел нормальную прошивку сам. Сидел вечером, стал просматривать все подряд (а не через поиск) темы в этом разделе. Наткнулся на сообщение №11 от Neman2000 в rcopen.com/forum/f8/topic99900
Скачал вложение asm.rar
Прошил. Все заработало, как надо! Правда, отсечку пока не проверял.

Lin_rev.rar

ubd

У тебя Li-po используется? Делай отсечку, она должна работать. Li-po ниже чем 3В разряжать смертельно, я думаю, ты заешь. Отсечка работает очень просто. Она состоит из Т1, R1, R2. Транзистор открыт, т.к. присутствует падение напряжение на страбилизаторе, как только напряжение аккумов, близко к напряжению стабилизации, на базе Т1 появляется минусовой потенциал, и транзистор закрывается, что приводит к сбросу проца, т.к. эта вся цепочка подключенна к входу сброса MCLR. Значит что бы всё работало, нужно что бы в битах конфигурации был включен MCLR, иначе отсечка работать не будет.
С3 С4 R3, нужны для более мягкого срабатывания отсечки, что бы от импульсных просадок напруги на аккумею не срабатывало. Но отсечка получиться на 5,2 В. Если использовать 2 банки Li-po, нужно отсечку делать на 6В. Если включить кремнеевый диод последовательно с базой Т1, то отсечка получиться где то 6В.

PARSEK

Сергей, спасибо за разьяснения. У меня схема отсечки на транзисторе с двумя диодами срисована с твоего регулятора (“модификация регулятора на PIC12C509” ты выкладывал).
Обязательно заменю КРЕНКУ, потом попробую, т.к. из-за кренки с большим падением она тоже не могла работать. Насчет MCLR я не знал, проверю вечером.
Вчера еще раз перечитал статью о реверсивном регуляторе, там картинка прикреплена (график) - так вот она по моему очень похожа на то, что у меня было сперва.
После загрузки второй линейной прошивки, диапазон регулирования расширился до 100% в обе стороны, без скачков.
Скорее всего, дело в этой загадочной утититке, которая прилагается к регулятору.
А кто нибудь зает, как ей пользоваться?

ubd

А кто нибудь зает, как ей пользоваться?

А там разве ничего не написано?

smy
ubd:

А там разве ничего не написано?

Как то там не очень… И где фаил .inc брать если нет исходников. Вообще интересно как калибровочная константа влияет на положении ручки газа? И как ее можно посчитать? Не всегда например есть возможность сделать газ 125%… Часто школьникам делать приходится, а там аппа аналоговая.

ubd

Вообще интересно как калибровочная константа влияет на положении ручки газа? И как ее можно посчитать? Не всегда например есть возможность сделать газ 125%…

Калибровочная константа, тоько сдвигает среднюю точку, на расходы не влияет, там же написано. Это подбирается экпериментально. Это то самое если тример на передатчике сдвигать.

И где фаил .inc брать если нет исходников.

Как нет, там есть всё в архиве, чё за вопросы?

smy
ubd:

Как нет, там есть всё в архиве, чё за вопросы?

Я не про данную конструкцию, я в общем. Не программист я к сожалению, но константа это же числовое значение? И это значение соответствует какому то нейтральному положению ручки? И в каждой прошивке это положение свое? Как найти эту зависимость? И если программа не предусматривает функции автокалибровки или программирования крайних точек и нейтрали, подбирать константу? Извините если где-то не так выразился.

ubd

Не программист я к сожалению, но константа это же числовое значение? И это значение соответствует какому то нейтральному положению ручки?

Да это числовое значение. Это значение не влияет на прямую на нейтраль. Оно подстраивается на заводе при изготовлении проца. Не возможно изготовить все процы одиноково, и у всех у них получется внуренний генератор на 4 мгц, не точный, вот и ввели эту константу для подстройки.
Я вообщене знаю, что автор прошивки прицепился к этойконстанте… Эту константу изменять не рекомендуется, и следует её запомнить. Я всегда пишу карандашём с обратной стороны проца, значение этой константы, что бы, если случайно стёр, там можно подсмотреть. Я такую константу встречал, только в 12F675 и 12F629. У остальных процов такая константа не доступна пользователю, она записана в спец ячейку памяти.

Вообще то в этом регуляторе не предусмотренно смещение нейтральной точки с помощью этой константы, там нужно править inc файл, с помощью программки в архиве. Нейтраль в любом реверсивном регуляторе всегда настраивается на 1,5 мс. Даже у самой дешёвой аппаратуры среднее положение на заводе настривается на нейтраль 1,5мс. Даже если немного не точно, то всегда можно подстроить тримером, и проблема отпадает. Главная задача утилиты в архиве, это задать экспоненту.
Потом получившиеся файлы, нужно скомпилировать в hex файл и его прошить.

И в каждой прошивке это положение свое? Как найти эту зависимость?

Ничего там искать не нужно, и ничего не зависит от константы. Если изменить не квалифицированно эту константу, то программа может вообще не работать.

И если программа не предусматривает функции автокалибровки или программирования крайних точек и нейтрали, подбирать константу?

Вот эту задачу выполняет как раз утилита в архиве, а не калибровочная константа.

А вообще этот регулятор очень кривой, там примитивная схема и программа. Есть регуляторы гораздо с лучшими характеристиками, и с продуманными схемами. Все это можно найти в инете.
Если сильно нужно, могу выслать на почту.

А вообще скажу, изучайте контроллеры (очень полезная штука) и не задавайте ламерских вопросов.

УДАЧИ!

jonison
ubd:

А вообще этот регулятор очень кривой, там примитивная схема и программа. Есть регуляторы гораздо с лучшими характеристиками, и с продуманными схемами. Все это можно найти в инете.
Если сильно нужно, могу выслать на почту.

УДАЧИ!

Если возможно выложи на сайт
где-то здесь есть топик “Регуляторы хода”
туда и выложи
Заранее спасибо
😁

PARSEK

Вы про эту тему? rcopen.com/forum/f8/topic127064

Сергей, там в твоем 6 посте выложен архив “Реверсивный регулятор на ATMega 8 для Автомодели.rar”
Собираюсь такой тоже собрать, более правильный с точки зрения схемотехники, ты его делал? Есть подводные камни, или нормально работает?

ubd

Собираюсь такой тоже собрать, более правильный с точки зрения схемотехники, ты его делал? Есть подводные камни, или нормально работает?

Да делал. Подводных камней нет, всё чисто и большой ток держит за счёт применения драйверов перед MOS-FETами. Я делал местным автомоделистам, с одинарными транзисторами, держит где то ампер 16. Сейчас делаю им с двойными транзиторами в параллель, для мотора 540-й серии. Какой ток получится, будем испытавать, до по моим прикидкам, 540-й должен потянуть. Тем более там будет стоять радиатор от Пентиум-I, с его же родным вентилятором. Вентилятор сразу ставить не будем, посмотрим как греться будет, если что поставим, места в автомодели хватает. Возможно и 600-ю серию потянет. А это ампер 25 в пике.
Прога в этом регуляторе на Мега-8, обладает небольшой недоработкой, у неё нет калибровки под расходы канала хода. Но опыт эксплуатации показал, что это не обязательно, в программе расходы уже заложенны таким образом, что подходит на любую аппаратуру, положение нейтраль насроенно на 1,5мс, если что, запросто всё подстаривается тримером.
Выложу сдесь: Регуляторы хода новую плату и схему, та версия платы и схемы, которую выкладывал в январе 2009, старая уже, т.к. постоянно идёт доработка. Прошивку, и описание, можете взять из старого архива. Исходников нет, это прошивка не моя, в старом архиве есть сообщение от автора прошивки и его схема.

PARSEK

Сергей, спасибо огромное!
Хорошо, что я еще не успел плату сделать! Буду собирать обновленную версию!

PARSEK
ubd:

У тебя Li-po используется? Делай отсечку, она должна работать. …Отсечка работает очень просто. Она состоит из Т1, R1, R2. Транзистор открыт, т.к. присутствует падение напряжение на страбилизаторе, как только напряжение аккумов, близко к напряжению стабилизации, на базе Т1 появляется минусовой потенциал, и транзистор закрывается, что приводит к сбросу проца, т.к. эта вся цепочка подключенна к входу сброса MCLR. Значит что бы всё работало, нужно что бы в битах конфигурации был включен MCLR, иначе отсечка работать не будет.
С3 С4 R3, нужны для более мягкого срабатывания отсечки, что бы от импульсных просадок напруги на аккумею не срабатывало. Но отсечка получиться на 5,2 В. Если использовать 2 банки Li-po, нужно отсечку делать на 6В. Если включить кремнеевый диод последовательно с базой Т1, то отсечка получиться где то 6В.

Сергей, очередной РЕСПЕКТ и УВАЖУХА! 😁
Ты просто кладезь знаний! Все работает, как ты и сказал!
Считал сегодня прошивку, включил бит MCLR, (он был выключен по умолчанию), зашил обратно, проц - в регулятор, рег запитал от регулируемого БП - отсечка работает!
Заменил еще кренку 7805 на КР1158ЕН05В.
Правда, мне диоды пришлось выкинуть, т.к. с ними порог отключения был больше 7В (у меня 2 диода стояло последовательно с базы транзистора Т1 на +5В).
Без диодов, отсечка срабатывает при 6,2В, как только напряжение поднимается примерно до 6,5В, проц обратно запускается.
Так что, включайте MCLR, и отсечка отлично работает!

ubd

Ну вот, я рад. Статья по этому регулятору кривая как и сам регулятор. Автор статьи ничего не обяснил, какие биты выставлять, то же ничего не сказано. Вот люди потом и мучаются.

А вообще, что бы этот регулятор, был более менее похож на настоящий качественный, ему просто нужно добавить драйвера перед транзисторами, и всё. У него сразу улучшаться характеристики как минимум в 3 раза! Цена конечно то же, но за качество всегда нужно платить.
Сейчас попробую накидать схему этого рега, каким бы я хотел видеть, это регуль на этом сайте.

Rev_reg_12F675.rar

d555d

И я собрал этот регулятор 😁 Но вот только с прошивкой засада получилась 😦 У меня програматора нету а у знакомого тоже что то нихрена не получилось:)
Так и лежит пока без дела:(

Может кто-нибудь может продать прошитый 12F675? Условия обговорим!

PARSEK

Так, а что конкретно не получилось? Лучше день потерять, потом за пять минут долететь… Это я про прошивку самостоятельно. Сделать один раз адаптер, потом кучу устройств можно повторить на микроконтроллерах. Если надо, со схемой адаптера и программой для программирования помогу.

ubd

У меня програматора нету а у знакомого тоже что то нихрена не получилось

У вас скорее всего калибровочная константа стёплась. Или программатор кривой, что не зватает тока программирования. Я в своё время, то же мучлся с прошивкой PICов, перепробовал кучу программаторов, и остановился на ExtraPIC совместно с программой ICProg. Работает уже года 4 без сбоев. Давай мыло, я тебе вшлю рабочую схему и прога ICProg там есть. В инете эта схема то же валяется вместе с программой.

d555d

А не получилось то что до этого с электроникой вообще не общался:), и когда собирал регуль (по той же схеме что привёл Александр) как то просто всё получилось, нарисовал в Лайоте платку, вытравил, элементы все купил как написано и спаял это всё как конструктор (аж самому понравилось:)) , а когда пытался програматор собрать: то одно почитаю то другое как то мудрёно это слишком мне показалось 😊
Но жалко блин, девайс без дела лежит:(
ubd буду признателен за схему vibe.denis@gmail.com
Спасибо за поддержку😒

ubd

Там в конче памяти программ есть калибровоная костанта. Нужно вставить новый проц в программатор и считать его. Там будет 3FFF везде, а в конце будет типа 3034, это и есть эта константа. Её нужно запомнить и записать куда ни будь.
Потом загружает в программу, hex файл, идём в конец памяти программ и видим что калибровочной констаны нет, т.е. на том месте 3FFF, мы берём и вписывает её вручную. Прошиваем проц, и всё работает!

d555d

Too ubd
а элементы смотреть которые на схеме в файле Layout? или можно взять те что в списке Набора деталей (конструктор) EXTRAPIC - KIT?

ubd

Без разницы, любые. Там +/- не о чём…

А у тебя какие имменно детали оличаются?

Например, в оригинальной схеме используются 7805 в корпусе ТО-92, я советую использовать ТО-220, т.к. ТО-92, греются сумашедшим образом, т.к. работают на пределе своих возможностей. Лучше конечно делать на моей печатной плате, там уже под крены в корп ТО-220 раведено всё. А резисторы, кондёры все такие же.

3 months later
neohunter

Добрый день, прошу Вашей помощи. Собрал примерно год назад регулятор скорости вот по этой схеме, не заработал думал прошивка но поставил прошивку Lin_rev.hex что в теме приводится как рабочая но эффект тот же. Вот описание того что получилось: регулятор при подключении выдаёт напряжение для аппаратуры, сервомашинка работает как часы, на мотор тоже идёт питание но очень маленькое как показал тестер, мотор издаёт тихий “писк” при нажатии на газ, при замене двигателя на движочек от СД-РОМ привода (который двигает каретку с головкой) двигатель крутится и вперёд и назад, а подключаю советский движок на 4,5В молчит. Для прошивки использовал программатор RCD Programmer v. 2.3 и програму WinPic800, первая прошивка шла в архиве с регулятором, а вторая с єтой темы.
Вот фото регулятора: 1 2 3
Акамулятор на 7 банок - 8,4В 1100мАп.
Мотор от шуруповёрта аккумуляторного 18В(мотору хватает питания)